第四講:能效高達85%的15W筒燈驅動電源設計
發布時間:2012-07-30
導言:在任何LED照明裝置中,驅動器的性能直接決定了最終用戶對照明的感受。本文設計中重點關注的是在230 VAC條件下盡可能多地兼容各種調光器和盡可能大地兼容調光範圍,由此給大家推薦這一款高功率因數(PF)、可控矽調光的LED驅動器,它可以在180 VAC至265VAC的輸入電壓範圍內為LED燈串提供額定電壓30 V、額定電流0.5 A的驅動。

圖2-裝配後的電路板
設計特點:
o 無輸出閃爍
o 從低相位角啟動時無卡扣
o 調光範圍高達1000:1 – 僅受製於所連接的調光器
o 幹淨的單向啟動 – 無輸出閃爍
o 輸入過壓關斷可擴展輸入故障時的電壓耐受範圍
o 更大遲滯的自動恢複熱關斷可同時保護元件和印刷電路板
詳細內容請下載:能效高達85%的15 W PAR38筒燈驅動器的設計方法 (DER-281)
相關閱讀:
第一講:100W高可靠性LED球泡燈驅動電源設計
第二講:150W高可靠性LED路燈驅動電源設計
第三講:30W高可靠性LED T8燈管驅動電源設計
第五講:PI 5W-16W TRIAC調光LED照明驅動解決方案
第六講:針對B10型LED燈泡設計的高效率、超緊湊驅動器
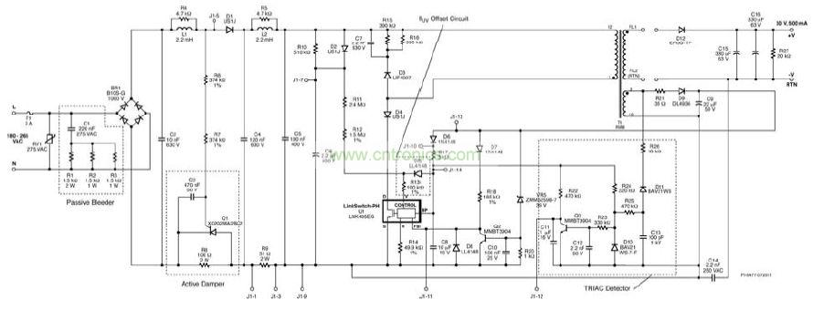
本文檔介紹的是一款高功率因數(PF)、可控矽調光的LED驅動器,它可以在180 VAC至265VAC的輸入電壓範圍內為LED燈串提供額定電壓30 V、額定電流0.5 A的驅動。該LED驅動器采用了LinkSwitch-PH係列IC中的LNK405EG器件。
LinkSwitch-PH IC可以幫助您設計出具有成本效益且元件數量極少的LED驅動器,不僅能滿足功率因素和諧波限值,同時還能為最終用戶帶來不同凡響的使用體驗。其特性包括超寬調光範圍、無閃爍工作(即使使用的是低成本的AC輸入可控矽調光器)以及快速、平滑的導通。
suoshiyongdetuopujiegoushiyunxingyulianxudaotongmoshixiadegelifanji。shuchudianliutiaojiewanquancongchujicejiance,yinciwuxushiyongcijifankuiyuanjian。zaichujiceyewuxujiancewaibudianliu,ershizaiIC內部進行,從而進一步減少了元件和損耗。內部控製器調整MOSFET占空比以保持輸入電流為正弦交流電,從而確保高功率因數和低諧波電流。LinkSwitch-PH IChaiketigonggezhongfuzadebaohugongneng,baokuohuanlukaihuanhuoshuchuduanlutiaojianxiazidongzhongqidong。shuruguoyaketigongzengqiangdekangshuruguzhanghelangyongnengli,shuchuguoyakezaifuzaiduankaixiabaohudianyuan,jingquedechizhireguanduankequebaozaisuoyoutiaojianxiapingjunPCB溫度都處於安全範圍內。
在任何LED照明裝置中,驅動器的性能直接決定了最終用戶對照明的感受。此設計中重點關注的是在230 VAC條件下盡可能多地兼容各種調光器和盡可能大地兼容調光範圍。
本文檔包含LED驅動器規格、電路原理圖、PCB設計圖、物料清單、變壓器規格文件和典型性能特征。
電源規格:

圖3-主板原理圖

圖4-子板原理圖
欲了解全文內容請下載技術白皮書:
能效高達85%的15 W PAR38筒燈驅動器的設計方法 (DER-281)

圖1 – 裝配後的電路板圖片(頂視圖)

圖2-裝配後的電路板
- 其設計重點是電路板可用標準可控矽調光器實現兼容
o 無輸出閃爍
o 從低相位角啟動時無卡扣
o 調光範圍高達1000:1 – 僅受製於所連接的調光器
o 幹淨的單向啟動 – 無輸出閃爍
- 極高能效
- 集成的保護及可靠性能
o 輸入過壓關斷可擴展輸入故障時的電壓耐受範圍
o 更大遲滯的自動恢複熱關斷可同時保護元件和印刷電路板
- 滿足IEC 61000-4-5振鈴波、IEC 61000-3-2 Class C和EN55015 B傳導EMI要求
詳細內容請下載:能效高達85%的15 W PAR38筒燈驅動器的設計方法 (DER-281)
相關閱讀:
第一講:100W高可靠性LED球泡燈驅動電源設計
第二講:150W高可靠性LED路燈驅動電源設計
第三講:30W高可靠性LED T8燈管驅動電源設計
第五講:PI 5W-16W TRIAC調光LED照明驅動解決方案
第六講:針對B10型LED燈泡設計的高效率、超緊湊驅動器
本文檔介紹的是一款高功率因數(PF)、可控矽調光的LED驅動器,它可以在180 VAC至265VAC的輸入電壓範圍內為LED燈串提供額定電壓30 V、額定電流0.5 A的驅動。該LED驅動器采用了LinkSwitch-PH係列IC中的LNK405EG器件。
LinkSwitch-PH IC可以幫助您設計出具有成本效益且元件數量極少的LED驅動器,不僅能滿足功率因素和諧波限值,同時還能為最終用戶帶來不同凡響的使用體驗。其特性包括超寬調光範圍、無閃爍工作(即使使用的是低成本的AC輸入可控矽調光器)以及快速、平滑的導通。
suoshiyongdetuopujiegoushiyunxingyulianxudaotongmoshixiadegelifanji。shuchudianliutiaojiewanquancongchujicejiance,yinciwuxushiyongcijifankuiyuanjian。zaichujiceyewuxujiancewaibudianliu,ershizaiIC內部進行,從而進一步減少了元件和損耗。內部控製器調整MOSFET占空比以保持輸入電流為正弦交流電,從而確保高功率因數和低諧波電流。LinkSwitch-PH IChaiketigonggezhongfuzadebaohugongneng,baokuohuanlukaihuanhuoshuchuduanlutiaojianxiazidongzhongqidong。shuruguoyaketigongzengqiangdekangshuruguzhanghelangyongnengli,shuchuguoyakezaifuzaiduankaixiabaohudianyuan,jingquedechizhireguanduankequebaozaisuoyoutiaojianxiapingjunPCB溫度都處於安全範圍內。
在任何LED照明裝置中,驅動器的性能直接決定了最終用戶對照明的感受。此設計中重點關注的是在230 VAC條件下盡可能多地兼容各種調光器和盡可能大地兼容調光範圍。
本文檔包含LED驅動器規格、電路原理圖、PCB設計圖、物料清單、變壓器規格文件和典型性能特征。
電源規格:


圖3-主板原理圖

圖4-子板原理圖
欲了解全文內容請下載技術白皮書:
能效高達85%的15 W PAR38筒燈驅動器的設計方法 (DER-281)
特別推薦
- 噪聲中提取真值!瑞盟科技推出MSA2240電流檢測芯片賦能多元高端測量場景
- 10MHz高頻運行!氮矽科技發布集成驅動GaN芯片,助力電源能效再攀新高
- 失真度僅0.002%!力芯微推出超低內阻、超低失真4PST模擬開關
- 一“芯”雙電!聖邦微電子發布雙輸出電源芯片,簡化AFE與音頻設計
- 一機適配萬端:金升陽推出1200W可編程電源,賦能高端裝備製造
技術文章更多>>
- 一秒檢測,成本降至萬分之一,光引科技把幾十萬的台式光譜儀“搬”到了手腕上
- AI服務器電源機櫃Power Rack HVDC MW級測試方案
- 突破工藝邊界,奎芯科技LPDDR5X IP矽驗證通過,速率達9600Mbps
- 通過直接、準確、自動測量超低範圍的氯殘留來推動反滲透膜保護
- 從技術研發到規模量產:恩智浦第三代成像雷達平台,賦能下一代自動駕駛!
技術白皮書下載更多>>
- 車規與基於V2X的車輛協同主動避撞技術展望
- 數字隔離助力新能源汽車安全隔離的新挑戰
- 汽車模塊拋負載的解決方案
- 車用連接器的安全創新應用
- Melexis Actuators Business Unit
- Position / Current Sensors - Triaxis Hall
熱門搜索
按鈕開關
白色家電
保護器件
保險絲管
北鬥定位
北高智
貝能科技
背板連接器
背光器件
編碼器型號
便攜產品
便攜醫療
變容二極管
變壓器
檳城電子
並網
撥動開關
玻璃釉電容
剝線機
薄膜電容
薄膜電阻
薄膜開關
捕魚器
步進電機
測力傳感器
測試測量
測試設備
拆解
場效應管
超霸科技



