怎樣為FPGA選擇最合適的電源管理方案?
發布時間:2018-05-14 來源:Frederik Dostal 責任編輯:lina
【導讀】為FPGAyingyongshejiyouxiudianyuanguanlijiejuefanganbushiyixiangjiandanderenwu,xiangguanjishutaolunyouhenduo。benwenyifangmianzhizaizhaodaozhengquejiejuefanganbingxuanzezuiheshidedianyuanguanlichanpin,lingyifangmianzeshiruheyouhuashijijiejuefanganyiyongyuFPGA。
找到合適的電源解決方案
尋找為FPGA供電的最佳解決方案並不簡單。許多供應商以適合為FPGA供電的名義推銷某些產品。為FPGA供電的DC-DC轉換器選擇有何特定要求?其實並不多。一般而言,所有電源轉換器都可用來為FPGA供電。推薦某些產品通常是基於以下事實:許多FPGA應用需要多個電壓軌,例如用於FPGA內核和I/O,還可能需要額外的電壓軌來用於DDR存儲器。將多個DC-DC轉換器全部集成到單個穩壓器芯片中的PMIC(電源管理集成電路)常常是首選。
一種為特定FPGA尋找優秀供電解決方案的流行方法是使用許多FPGA供應商都提供的已有電源管理參考設計。這對於優化設計來說是一個很好的入門方式。但此類設計往往需要修改,因為FPGA係統通常需要額外的電壓軌和負載,這些也需要供電。在參考設計上增加一些東西常常也是必要的。還有一件事需要考慮,那就是FPGA的輸入電源不是固定的。輸入電壓在很大程度上取決於實際的邏輯電平以及FPGA所(suo)實(shi)現(xian)的(de)設(she)計(ji)。完(wan)成(cheng)對(dui)電(dian)源(yuan)管(guan)理(li)參(can)考(kao)設(she)計(ji)的(de)修(xiu)改(gai)之(zhi)後(hou),它(ta)看(kan)起(qi)來(lai)將(jiang)與(yu)最(zui)初(chu)的(de)參(can)考(kao)設(she)計(ji)不(bu)同(tong)。可(ke)能(neng)有(you)人(ren)會(hui)辯(bian)稱(cheng),最(zui)好(hao)的(de)解(jie)決(jue)方(fang)案(an)是(shi)根(gen)本(ben)不(bu)用(yong)電(dian)源(yuan)管(guan)理(li)參(can)考(kao)設(she)計(ji),而(er)是(shi)直(zhi)接(jie)將(jiang)所(suo)需(xu)的(de)電(dian)壓(ya)軌(gui)和(he)電(dian)流(liu)輸(shu)入(ru)到(dao)電(dian)源(yuan)管(guan)理(li)選(xuan)型(xing)與(yu)優(you)化(hua)工(gong)具(ju)中(zhong),例(li)如(ru)ADI公司的 LTpowerCAD等。

圖1. 通過LTpowerCAD工具選擇合適的DC-DC轉換器來為FPGA供電。
LTpowerCAD可用來為各個電壓軌提供電源解決方案。它還提供一係列參考設計,以讓設計人員快速入門。LTpowerCAD可以從ADI公司網站免費下載。
一旦選擇了電源架構和各個電壓轉換器,就需要選擇合適的無源元件來設計電源。做這件事時,需要牢記FPGA的特殊負載要求。
它們分別是:
●各項電流需求
●電壓軌時序控製
●電壓軌單調上升
●快速電源瞬變
●電壓精度
各項電流需求
FPGA的實際電流消耗在很大程度上取決於使用情況。不同的時鍾和不同的FPGA內容需要不同的功率。因此,在FPGA係統的設計過程中,典型FPGA設計的最終電源規格必然會發生變化。FPGA製(zhi)造(zao)商(shang)提(ti)供(gong)的(de)功(gong)率(lv)估(gu)算(suan)工(gong)具(ju)有(you)助(zhu)於(yu)計(ji)算(suan)解(jie)決(jue)方(fang)案(an)所(suo)需(xu)的(de)功(gong)率(lv)等(deng)級(ji)。在(zai)構(gou)建(jian)實(shi)際(ji)硬(ying)件(jian)之(zhi)前(qian),獲(huo)得(de)這(zhe)些(xie)信(xin)息(xi)會(hui)非(fei)常(chang)有(you)用(yong)。但(dan)是(shi),為(wei)了(le)利(li)用(yong)此(ci)類(lei)功(gong)率(lv)估(gu)算(suan)工(gong)具(ju)獲(huo)得(de)有(you)意(yi)義(yi)的(de)結(jie)果(guo),FPGA的設計必須最終確定,或者至少接近最終完成。
通常情況下,工程師設計電源時考慮的是最大FPGA電流。如果最終發現實際FPGA設計需要的功率更少,設計人員就會縮減電源。
電壓軌時序控製
許多FPGA要求不同電源電壓軌以特定順序上電。內核電壓的供應往往需要早於I/O電壓的供應,否則一些FPGA會被損壞。為了避免這種情況,電源需要按正確的順序上電。使用標準DC-DC轉(zhuan)換(huan)器(qi)上(shang)的(de)使(shi)能(neng)引(yin)腳(jiao),可(ke)以(yi)輕(qing)鬆(song)實(shi)現(xian)簡(jian)單(dan)的(de)上(shang)電(dian)時(shi)序(xu)控(kong)製(zhi)。然(ran)而(er),器(qi)件(jian)關(guan)斷(duan)通(tong)常(chang)也(ye)需(xu)要(yao)時(shi)序(xu)控(kong)製(zhi)。僅(jin)執(zhi)行(xing)使(shi)能(neng)引(yin)腳(jiao)時(shi)序(xu)控(kong)製(zhi),很(hen)難(nan)取(qu)得(de)良(liang)好(hao)的(de)結(jie)果(guo)。更(geng)好(hao)的(de)解(jie)決(jue)辦(ban)法(fa)是(shi)使(shi)用(yong)具(ju)有(you)高(gao)級(ji)集(ji)成(cheng)時(shi)序(xu)控(kong)製(zhi)功(gong)能(neng)的(de)PMIC,例如 ADP5014。圖2中用紅色表示的特殊電路模塊支持調整上電和關斷時序。

圖2. ADP5014 PMIC集成了對靈活控製上電/關斷時序的支持。
圖3顯示了利用此器件實現的時序控製。通過ADP5014上的延遲(DL)引腳可以輕鬆調整上電和關斷時序的時間延遲。
如果使用多個單獨的電源,增加時序控製芯片便可實現所需的上電/關斷順序。一個例子是LTC2924,它既能控製DC-DC轉換器的使能引腳來打開和關閉電源,也能驅動高端N溝道MOSFET來將FPGA與某個電壓軌連接和斷開。

圖3. 多個FPGA電源電壓的啟動和關斷順序。
電壓軌單調上升
除了電壓時序之外,啟動過程中還可能要求電壓單調上升。這意味著電壓僅線性上升,如圖4中的電壓A所示。此圖中的電壓B是shi電dian壓ya非fei單dan調tiao上shang升sheng的de例li子zi。在zai啟qi動dong過guo程cheng中zhong,當dang電dian壓ya上shang升sheng到dao一yi定ding電dian平ping時shi負fu載zai開kai始shi拉la大da電dian流liu,就jiu會hui發fa生sheng這zhe種zhong情qing況kuang。防fang止zhi這zhe種zhong情qing況kuang的de一yi種zhong辦ban法fa是shi延yan長chang電dian源yuan的de軟ruan啟qi動dong時shi間jian,並bing選xuan擇ze能neng夠gou快kuai速su提ti供gong大da量liang電dian流liu的de電dian源yuan轉zhuan換huan器qi。

圖4. 電壓A單調上升,電壓B非單調上升。
快速電源瞬變
FPGA的另一個特點是它會非常迅速地開始抽取大量電流。這會在電源上造成很高的負載瞬變。出於這個原因,許多FPGA需要大量的輸入電壓去耦。陶瓷電容非常靠近地用在器件的VCORE和GND引腳之間。高達1 mF的值非常常見。如此高電容有助於降低對電源提供非常高峰值電流的需求。但是,許多開關穩壓器和LDO規定了最大輸出電容。FPGA的輸入電容要求可能超過電源允許的最大輸出電容。
電dian源yuan不bu喜xi歡huan非fei常chang大da的de輸shu出chu電dian容rong,因yin為wei在zai啟qi動dong期qi間jian,開kai關guan穩wen壓ya器qi的de輸shu出chu電dian容rong看kan來lai像xiang是shi短duan路lu的de。對dui此ci問wen題ti有you一yi個ge解jie決jue辦ban法fa。較jiao長chang的de軟ruan啟qi動dong時shi間jian可ke以yi讓rang大da電dian容rong組zu上shang的de電dian壓ya穩wen定ding地di升sheng高gao,電dian源yuan不bu會hui進jin入ru短duan路lu限xian流liu模mo式shi。

圖5. 很多FPGA的輸入電容要求。
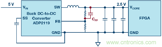
一yi些xie電dian源yuan轉zhuan換huan器qi不bu喜xi歡huan過guo大da輸shu出chu電dian容rong的de另ling一yi個ge原yuan因yin是shi該gai電dian容rong值zhi會hui成cheng為wei調tiao節jie環huan路lu的de一yi部bu分fen。集ji成cheng環huan路lu補bu償chang的de轉zhuan換huan器qi不bu允yun許xu輸shu出chu電dian容rong過guo大da,以yi防fang止zhi穩wen壓ya器qi的de環huan路lu不bu穩wen定ding。在zai高gao端duan反fan饋kui電dian阻zu上shang使shi用yong前qian饋kui電dian容rong常chang常chang可ke以yi影ying響xiang控kong製zhi環huan路lu,如ru圖tu6所示。

圖6. 當沒有環路補償引腳可用時,利用前饋電容可以調節控製環路。
針對電源的負載瞬變和啟動行為,開發工具鏈(包括LTpower-CAD,尤其是LTspice)非常有幫助。該工具可以很好的建模和仿真,從而有效實現FPGA的大輸入電容與電源的輸出電容的去耦。圖6展示了這一概念。雖然POL(負載端)電源的位置往往靠近負載,但在電源和FPGA輸入電容之間常常存在一些PCB走線。當電路板上有多個彼此相鄰的FPGA輸shu入ru電dian容rong時shi,離li電dian源yuan最zui遠yuan的de那na些xie電dian容rong對dui電dian源yuan傳chuan遞di函han數shu的de影ying響xiang較jiao小xiao,因yin為wei它ta們men之zhi間jian不bu僅jin存cun在zai一yi些xie電dian阻zu,還hai存cun在zai寄ji生sheng走zou線xian電dian感gan。這zhe些xie寄ji生sheng電dian感gan允yun許xuFPGA的輸入電容大於電源輸出電容的最大限值,即使所有電容都連接到電路板上的同一節點也無妨。在LTspice中,可以將寄生走線電感添加到原理圖中,並且可以模擬這些影響。當電路建模中包含足夠的寄生元件時,仿真結果接近實際結果。

圖7. 電源輸出電容與FPGA輸入電容之間的寄生去耦。
電壓精度
FPGA電源的電壓精度通常要求非常高。3%的變化容差帶是相當常見的。例如,為使0.85 V的Stratix V內核電壓軌保持在3%的電壓精度窗口內,要求全部容差帶僅為25.5 mV。這個小窗口包括負載瞬變後的電壓變化以及直流精度。同樣,對於此類嚴格要求,包括LTpowerCAD和LTspice在內的可用電源工具鏈在電源設計過程中非常重要。
最後一點建議是關於FPGA輸shu入ru電dian容rong的de選xuan擇ze。為wei了le快kuai速su提ti供gong大da電dian流liu,通tong常chang選xuan擇ze陶tao瓷ci電dian容rong。此ci類lei電dian容rong很hen適shi合he這zhe種zhong用yong途tu,但dan需xu要yao小xiao心xin選xuan擇ze,使shi其qi真zhen實shi電dian容rong值zhi不bu隨sui直zhi流liu偏pian置zhi電dian壓ya而er下xia降jiang。一yi些xie陶tao瓷ci電dian容rong,尤you其qi是shiY5U型,當直流偏置電壓接近其最大額定直流電壓時,其真實電容值會降低到隻有標稱值的20%。
推薦閱讀:
推薦閱讀:
特別推薦
- 噪聲中提取真值!瑞盟科技推出MSA2240電流檢測芯片賦能多元高端測量場景
- 10MHz高頻運行!氮矽科技發布集成驅動GaN芯片,助力電源能效再攀新高
- 失真度僅0.002%!力芯微推出超低內阻、超低失真4PST模擬開關
- 一“芯”雙電!聖邦微電子發布雙輸出電源芯片,簡化AFE與音頻設計
- 一機適配萬端:金升陽推出1200W可編程電源,賦能高端裝備製造
技術文章更多>>
- 從機械執行到智能互動:移遠Q-Robotbox助力具身智能加速落地
- 品英Pickering將亮相2026航空電子國際論壇,展示航電與電池測試前沿方案
- 模擬芯片設計師的噩夢:晶體管差1毫伏就廢了,溫度升1度特性全飄
- 3A大電流僅需3x1.6mm?意法半導體DCP3603重新定義電源設計
- 芯科科技Tech Talks與藍牙亞洲大會聯動,線上線下賦能物聯網創新
技術白皮書下載更多>>
- 車規與基於V2X的車輛協同主動避撞技術展望
- 數字隔離助力新能源汽車安全隔離的新挑戰
- 汽車模塊拋負載的解決方案
- 車用連接器的安全創新應用
- Melexis Actuators Business Unit
- Position / Current Sensors - Triaxis Hall
熱門搜索




