一文看懂北鬥GPS雙模射頻接收模組的設計與實現
發布時間:2019-03-04 來源:朱常其孫希延等 責任編輯:wenwei
【導讀】本文闡述的雖是北鬥/GPS 雙模射頻接收模組設計, 但隻需通過SPI 總線進行相關寄存器配置, 即可實現GPS_L1 、GLONASS_L1 、Galileo_E1 、BDII_B1 任意兩兩組合的雙模射頻接收模組的應用, 這也正是本文的實用創新之處。
當前,北鬥導航係統在大眾層級中的普及應用有一定難度, 相對於GPS 的市場占有率,走北鬥/GPS 雙模兼容之路不失為一種策略。為此本文提出了北鬥/GPS 雙模兼容射頻接收模組的設計方案, 並詳述了具體的設計經驗, 方案可以滿足用戶對高定位精度的需求[ 1-2]。本文采用雙MAX2769 芯片的設計方案, 芯片的工作性能比普通國產多模RFIC 好, 成本也遠小於國產的相關射頻接收模組。另外本文闡述的雖是北鬥/GPS 雙模射頻接收模組設計, 但隻需通過SPI 總線進行相關寄存器配置, 即可實現GPS_L1 、GLONASS_L1 、Galileo_E1 、BDII_B1 任意兩兩組合的雙模射頻接收模組的應用, 這也正是本文的實用創新之處。

1 關鍵技術指標分析
在密集而複雜的電磁環境中, 為實現接收機的高靈敏度和大動態範圍, 射頻接收模組的設計中必須認真考慮靈敏度和動態範圍問題[ 3-4]。
1.1 係統噪聲係數與靈敏度
不失一般性, 假設射頻接收模組為一個雙端口網絡係統, 根據噪聲係數的定義, 係統的噪聲係數NF 應為:
式中,S 、N 分別表示係統端口的信號和噪聲功率。由於帶電粒子的熱運動會形成熱噪聲, 輸入端口噪聲功率Ni可等效為:
式中,K 為波耳茲曼常數(1.38×10-23 J/K) ,T 為係統絕對溫度(290 K) ,B 為係統等效帶寬。將式(2) 代入式(1) , 整理得:

其中,(S/N)o ,min為滿足一定誤碼率條件下解調器所需的最小信噪比,Si (dBm) 表示接收機的靈敏度。從式(3) 可以看出,接收機的帶寬、噪聲係數NF 和最小信噪比(S/N)o,min均會影響其靈敏度。
本射頻接收模組是一個多級係統, 係統的噪聲係數NFsys定義為:
式中,NFi代表第i 級的噪聲係數,Gi為第i 級的資用功率增益。對於級聯係統而言,NFsys基本取決於第一級的噪聲係數和增益, 第一級的增益越高, 後級的噪聲係數對NFsys的影響就越小。
式(3) 表明, 減小NF 可以提高接收機的靈敏度。因此從整機最佳噪聲係數設計的角度出發, 可將射頻接收模組進一步等效為圖1 所示結構。

圖1 射頻接收模組等效結構
分析式(4) 可知, 在滿足設計要求的條件下, 第一級若采用兩級低噪聲放大器(LNA) 結構, 則整機噪聲係數會提高很多。
1.2 係統增益與動態範圍
衛星導航接口控製文件規定:
衛星發射的導航信號到達接收機天線輸入口的最小保證電平:GPS_L1 為-130 dBm,BDII_B1 為-133 dBm[5]。實際應用中, 天線口的信號強度還與衛星的高度、仰角以及接收天線的接收麵積和接收機所處的工作環境有關, 因(yin)此(ci)接(jie)收(shou)天(tian)線(xian)口(kou)所(suo)接(jie)收(shou)到(dao)的(de)信(xin)號(hao)強(qiang)度(du)是(shi)一(yi)個(ge)動(dong)態(tai)的(de)變(bian)化(hua)範(fan)圍(wei)。另(ling)外(wai),由(you)於(yu)接(jie)收(shou)機(ji)射(she)頻(pin)模(mo)組(zu)的(de)非(fei)線(xian)性(xing)特(te)性(xing),各(ge)級(ji)輸(shu)出(chu)會(hui)存(cun)在(zai)大(da)量(liang)的(de)雜(za)散(san)分(fen)量(liang),這(zhe)些(xie)雜(za)散(san)分(fen)量(liang)若(ruo)是(shi)落(luo)入(ru)工(gong)作(zuo)帶(dai)寬(kuan)內(nei), 將會影響信號的信噪比。因此,業內定義三階截點來表征這種非線性特性,同時還定義了無雜散動態範圍(SFDR)用於比較不同接收機的動態特性[6],SFDR 的表達式為:
式中,MDS 取決於接收機的靈敏度,IIP3 ,sys根據級聯係統的三階截點定義,表示為:

其中,n 代表第n 級,Gj為第j 級的增益。可以看出,IIP3,sys取決於級聯係統中三階截點最低的那一級。若第j 級的增益較大, 則第j+1 級的三階截點對係統三階截點的影響會更大。
接收模組的ADC 特性取決於係統設計要求, 接收鏈路的總增益依賴於ADC 和天線口熱噪聲功率。因此在指標分配時, 要使鏈路具有盡可能低的噪聲係數和盡可能高的三階截點。
2 射頻模組的具體設計
2.1 總體框圖
衛星導航信號經過天線、第一級LNA、第二級LNA、二等分功分器後, 分別進入射頻通道, 各射頻通道對接收到的衛星信號進行下變頻、中頻濾波和放大, 最後送到模/數轉換ADC 並輸出數字中頻信號。模組的總體框圖如圖2 所示。

圖2 射頻接收模組總體框圖
2.2 LNA 電路設計
在設計LNA 時, 主要考慮噪聲係數和增益。為了保證接收鏈路具有盡可能低的噪聲係數, 同時防止因增益過高而使放大器工作產生自激, 本模組采用兩級LNA設計結構。另外, 由於北鬥B1/GPS_L1 的載波頻率鄰近,這裏將各通道的LNA 級統一處理, 設計成一個通道。LNA1 采用美信公司的MAX2659 芯片,它是一款專用於導航領域的低噪聲放大器, 封裝尺寸僅為1.5 mm×1.0 mm,在1.5~1.6 GHz 頻段具有高達20.5 dB 的增益, 噪聲係數低至0.8 dB。LNA2 采用安捷倫公司的MGA85563 芯片, 在1.5~1.6 GHz 頻段的增益達18 dB, 噪聲係數低至1.6 dB, 三階截點IP3 可調範圍為12 dBm~17 dBm。雙LNA 結構的應用電路如圖3 所示。

圖3 前級LNA 設計電路
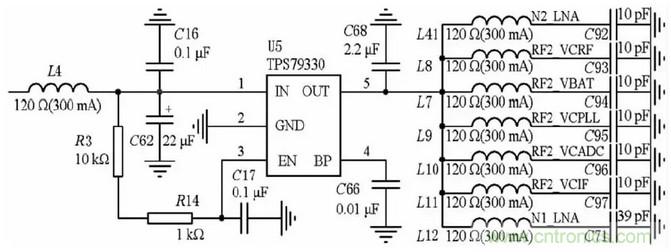
2.3 射頻電源設計
射頻接收模組涉及LNA、混頻器、鎖相環(PLL) 、壓控振蕩器(VCO) 、中頻放大器、ADC 等電路, 這些模擬電路對噪聲十分敏感, 為它們的正常工作提供的直流電源必須在滿足壓差的條件下具備低噪聲、高電源紋波抑製比(PSRR) 和快速瞬態響應特性[7]。LDO (Low DropoutRegulator ) 是一種微功耗的低壓差線性穩壓器, 其具有較好的輸出噪聲和較高的電源抑製比, 因此特別適用於射頻電源的設計。
根據LDO 的工作原理,LDO 的輸出噪聲受其內部設計和外部旁路、補償電路的影響。其中LDO 的基準源是其輸出噪聲的主要來源。為降低基準源的噪聲影響, 必須使用連接基準源的旁路電容。增大旁路電容能夠減少基準源的輸出噪聲, 但旁路電容值的增大, 也會導致LDO 的輸出電壓上升速率變慢, 影響射頻模組的正常供電, 使用時需要注意。LDO 的輸出電容值也必須與負載匹配, 這樣既有利於提高電源的快速瞬態響應特性, 又有利於降低LDO 的高頻輸出噪聲。
本文選用TI 的TPS793XX 係列芯片, 它是一款專用於射頻領域的LDO, 在10 kHz 頻率處具有高達70 dB 的PSRR, 輸出噪聲低至32 μVRMS, 響應時間為50 μs, 壓差低至112 mV。以GPS 通道為例,其電源電路如圖4 所示。

圖4 GPS 通道的電源設計電路
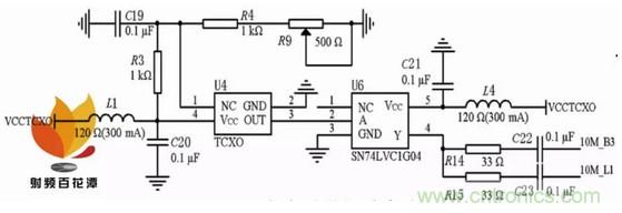
2.4 參考時鍾晶振電路設計
本射頻接收模組中ADC 采樣與下變頻器使用的是同一參考時鍾, 時鍾晶振輸出的頻率偏差會傳遞給下變頻器輸出的中頻信號, 此時再使用帶有頻偏的采樣時鍾就會造成數據位的移位、偽碼相位偏移、多普勒頻移值估算誤差增大。因此, 保證頻率穩定度、減少相位噪聲是晶振電路設計的關鍵。本模組選用了0.5 ppm 的TCXO,並經SN74LVC1G04 整形輸出。晶振的供電部分為防止電源噪聲和地電位的跳躍, 采用了濾波和去耦電路, 這裏使用村田公司BLM15 係列的鐵氧體磁珠, 簡化供電濾波電路的設計。晶振部分的設計電路如圖5 所示。

圖5 晶振部分的設計電路
2.5 底層驅動設計
本射頻模組采用兩片美信的MAX2769B 射頻芯片,芯片本身支持GPS_L1、GLONASS_L1、GALIEO_E1、BDII_B1頻段, 片內集成LNA、混頻器、鏡像抑製濾波器、PGA、VCO、N 分頻頻率合成器、晶體振蕩器和多位ADC。在設計時需要根據導航信號的特性設置相應的配置寄存器。
本文使用Verilog 語言編寫了4 組與導航係統對應的驅動程序。以北鬥B1 的驅動程序為例, 使用ModelSim 對驅動程序進行仿真, 如圖6 所示。

圖6 北鬥B1 驅動程序的時序仿真
2.6 pcb 設計
影響射頻接收模組靈敏度的因素除了前述內容,pcb 設計也不容忽視, 如射頻路徑、射頻接地、射頻電源pcb、中頻輸出數據線都需要認真考慮。
由於射頻信號的趨膚效應,射頻路徑及晶振參考時鍾路徑必須滿足3 W 原則, 同時還要匹配到50 Ω。不良的射頻接地也會導致寄生噪聲、不期望的耦合和幹擾增加, shejishichulezhengchangdejiedilujingyaomanzuzuiduanyuanzewai,haixuyaoguanzhugejifangdaqilianshangdezhiliugongdianhezhiliupianzhiduankou,zhexieteshujiediduankoudezukangduijiaoliuhuoshepindianliubixujiejinyuling, “ 零” 電容、“ 無窮大” 電感對於這些接地是一種很好的輔助手段。
晶振、電源是射頻模組中的兩大主要幹擾源, 電源部分的pcb 設計除了前述的內容, 還要保證完整的參考電源層和地層, 兩者之間的間距應盡可能短, 以提高電路板噪聲耦合性能。本模組采用T -G-P -B 板層結構; 晶振部分除了要遠離射頻路徑以外, 供電端口要增大供電線寬以降低耦合噪聲。
3 射頻模組的測試分析
3.1 模組的功能指標測試
功能指標測試涉及電源紋波、噪聲係數、三階截點和增益, 測試結果見表1。天線口噪聲功率譜密度的測試結果如圖7 所示。


圖7 模組噪聲功率譜密度測試結果
3.2 模組的應用測試
模組的應用測試涉及工機與商用合芯星通接收機、泰鬥微接收機進行定位性能比較。這裏以北鬥的B1 信號測試為例, 測試結果如圖8所示。




圖8 測試結果
測試結果表明, 本文設計的射頻接收模組捕獲的衛星個數比實驗室商用RX3007 模組多, 輸出的信號載噪比都比其他商用接收機高一些, 定位經緯度與商用RX3007 模組差不多, 比其他商用接收機的性能稍好。
shuangmohuoduomoweixingdaohangjieshoujikeyijianshaoweixingdaohangxinhaobeiganraohuozhedangdekeneng,tongshihainengjianshaoweixingfenbudejiheyinzitigaojieshoujidedingweijingdu。benwenshejidebeidouheGPS雙模兼容射頻接收模組有著廣闊的應用前景,同時還有利於當前北鬥民用市場的推廣及應用。本文針對多模導航接收機的應用, 提出了射頻接收模組的設計方案, 詳述了具體的設計經驗,並進行了功能和應用性能的測試。測試結果表明模組性能良好, 工作穩定,可直接應用於當前多模導航接收機的研究中。
本文轉載自射頻百花潭微信公眾號,作者:朱常其孫希延等
推薦閱讀:
特別推薦
- 噪聲中提取真值!瑞盟科技推出MSA2240電流檢測芯片賦能多元高端測量場景
- 10MHz高頻運行!氮矽科技發布集成驅動GaN芯片,助力電源能效再攀新高
- 失真度僅0.002%!力芯微推出超低內阻、超低失真4PST模擬開關
- 一“芯”雙電!聖邦微電子發布雙輸出電源芯片,簡化AFE與音頻設計
- 一機適配萬端:金升陽推出1200W可編程電源,賦能高端裝備製造
技術文章更多>>
- 一秒檢測,成本降至萬分之一,光引科技把幾十萬的台式光譜儀“搬”到了手腕上
- AI服務器電源機櫃Power Rack HVDC MW級測試方案
- 突破工藝邊界,奎芯科技LPDDR5X IP矽驗證通過,速率達9600Mbps
- 通過直接、準確、自動測量超低範圍的氯殘留來推動反滲透膜保護
- 從技術研發到規模量產:恩智浦第三代成像雷達平台,賦能下一代自動駕駛!
技術白皮書下載更多>>
- 車規與基於V2X的車輛協同主動避撞技術展望
- 數字隔離助力新能源汽車安全隔離的新挑戰
- 汽車模塊拋負載的解決方案
- 車用連接器的安全創新應用
- Melexis Actuators Business Unit
- Position / Current Sensors - Triaxis Hall
熱門搜索
按鈕開關
白色家電
保護器件
保險絲管
北鬥定位
北高智
貝能科技
背板連接器
背光器件
編碼器型號
便攜產品
便攜醫療
變容二極管
變壓器
檳城電子
並網
撥動開關
玻璃釉電容
剝線機
薄膜電容
薄膜電阻
薄膜開關
捕魚器
步進電機
測力傳感器
測試測量
測試設備
拆解
場效應管
超霸科技



