如何通過自舉擴展運算放大器工作範圍
發布時間:2019-03-14 責任編輯:wenwei
【導讀】當現成的運算放大器(op amp)不能提供特定應用所需的信號擺幅範圍時,工程師麵臨兩種選擇:使用高壓運算放大器或設計分立解決方案,不過這兩種選擇的成本可能都很高。
對許多應用來說,第三種選擇——自舉——可能是比較廉價的替代方案。除了動態性能要求極為苛刻的應用,自舉電源電路的設計是相當簡單的。
自舉簡介
常(chang)規(gui)運(yun)算(suan)放(fang)大(da)器(qi)要(yao)求(qiu)其(qi)輸(shu)入(ru)電(dian)壓(ya)在(zai)其(qi)電(dian)源(yuan)軌(gui)範(fan)圍(wei)內(nei)。如(ru)果(guo)輸(shu)入(ru)信(xin)號(hao)可(ke)能(neng)超(chao)過(guo)電(dian)源(yuan)軌(gui),可(ke)以(yi)通(tong)過(guo)電(dian)阻(zu)衰(shuai)減(jian)過(guo)大(da)輸(shu)入(ru),使(shi)這(zhe)些(xie)輸(shu)入(ru)降(jiang)至(zhi)電(dian)源(yuan)範(fan)圍(wei)以(yi)內(nei)的(de)電(dian)平(ping)。這(zhe)樣(yang)處(chu)理(li)並(bing)不(bu)理(li)想(xiang),因(yin)為(wei)它(ta)會(hui)對(dui)輸(shu)入(ru)阻(zu)抗(kang)、噪聲和漂移產生不利影響。同樣的電源軌也會限製放大器輸出,閉環增益的大小存在一個限值,以避免將輸出驅動到飽和狀態。
因此,如果要求處理輸入和/或輸出上的大信號偏離,則需要寬電源軌和能在這些電源軌上工作的放大器。ADI 的 24V 至 220V 精密運算放大器 ADHV4702-1 是適合這種情況的出色選擇,不過自舉低壓運算放大器也能滿足應用要求。是否使用自舉主要取決於動態要求和功耗限製。
自舉會創建一個自適應雙電源,其正負電壓不是以地為基準,而是以輸出信號的瞬時值為基準,有時稱之為飛軌(flying rail) 配置。在這種配置中,電源隨著運算放大器的輸出電壓(VOUT) 上下移動。因此,VOUT始終處於中間電源電壓,並且電源電壓能夠相對於地移動。使用自舉可以非常容易地實現這種自適應雙電源。
實際上,自舉必須符合一些準則,有些準則微不足道,但沒有一個準則是特別麻煩的。如下是最基本的準則:
● 輸出負載不得過大。
● 響應速度不得低於運算放大器的壓擺率。
● 必須能處理所需的電壓水平和相關的功耗。
工作原理
飛軌概念是指正負電源軌連續調整,使其電壓始終關於輸出電壓對稱。這樣,輸出始終位於電源範圍內。
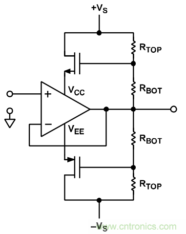
電路架構包括一對互補分立晶體管和一個阻性偏置網絡。 NPN 發射極(或 N 溝道 MOSFET 的源極引腳)提供 VCC, PNP 發射極(或 P 溝道 MOSFET 的源極引腳)用作 VEE。晶 體管被偏置,使得所需的電源電壓出現在放大器的+VS和–VS 引腳上,這些電壓通過電阻分壓器從高壓電源獲得。圖 1 顯 示了簡化高壓跟隨器原理圖。

圖 1. 簡化高壓跟隨器原理圖
理li論lun上shang,自zi舉ju可ke以yi為wei任ren何he運yun算suan放fang大da器qi提ti供gong任ren意yi高gao的de信xin號hao順shun從cong電dian壓ya。而er在zai實shi際ji上shang,電dian源yuan調tiao整zheng比bi例li越yue大da,動dong態tai性xing能neng越yue差cha,因yin為wei運yun算suan放fang大da器qi的de壓ya擺bai率lv限xian製zhi了le電dian源yuan對dui動dong態tai信xin號hao的de響xiang應ying速su度du。放fang大da器qi在zai最zui大da額e定ding電dian源yuan電dian壓ya或huo接jie近jin該gai電dian壓ya下xia工gong作zuo時shi,電dian源yuan引yin腳jiao為wei跟gen上shang動dong態tai信xin號hao而er需xu要yao橫heng越yue的de範fan圍wei最zui小xiao。當dang運yun算suan放fang大da器qi在zai接jie近jin其qi最zui高gao額e定ding電dian源yuan電dian壓ya下xia工gong作zuo時shi,其qi他ta誤wu差cha源yuan(如噪聲增益)也會降低。
不需要電源移動很遠(或非常快)dedipinhezhiliuyingyong,shizijudezuijiahouxuanyingyong。yinci,gaoyafangdaqinengtigongbidongtaitexingxiangdangdediyafangdaqigenghaodedongtaixingneng,youqishidangerzhejunpianzhiweigezidezuidagongzuodianyuandianyabingqiezijudaoxiangtongxinhaofanweishi。zijuyehuiyingxiangzhiliuxingneng,yincizaizhiliujingduhegaodianyaliangfangmianjunjingguoyouhuadeyunsuanfangdaqiketigongzijupeizhinengshixiandezuijiazhiliuhejiaoliuxingnengzuhe。
舉例:采用ADHV4702-1 的範圍擴展器的設計考慮
ADHV4702-1 是一款精密 220 V運算放大器。有了該器件,就不需要自舉傳統低壓運算放大器,220 V以(yi)下(xia)信(xin)號(hao)範(fan)圍(wei)的(de)高(gao)壓(ya)設(she)計(ji)得(de)以(yi)簡(jian)化(hua)。如(ru)果(guo)應(ying)用(yong)需(xu)要(yao)更(geng)高(gao)電(dian)壓(ya),那(na)麼(me)可(ke)以(yi)應(ying)用(yong)自(zi)舉(ju)技(ji)術(shu),輕(qing)鬆(song)地(di)將(jiang)電(dian)路(lu)工(gong)作(zuo)範(fan)圍(wei)增(zeng)加(jia)兩(liang)倍(bei)以(yi)上(shang)。下(xia)麵(mian)說(shuo)明(ming)一(yi)個(ge)基(ji)於(yu)ADHV4702-1 的 500 V放大器設計示例。
電壓範圍
如上所述,擴展器電路的範圍在理論上是無限的,但存在如下一些實際限製:
● 電源電壓和電流額定值
● 電阻和場效應晶體管(FET)功耗
● FET 擊穿電壓
直流偏置電平
首先,考慮提供給放大器的電源電壓。任何在器件額定電源電壓範圍內的電壓都有效。然而,功耗是基於所選擇的工作電壓在放大器和 FET 之間分配。對於給定的原始電源電壓,運算放大器電源電壓越低,FET 中的漏源電壓(VDS)越(yue)高(gao),功(gong)耗(hao)也(ye)相(xiang)應(ying)地(di)進(jin)行(xing)分(fen)配(pei)。應(ying)選(xuan)擇(ze)適(shi)當(dang)的(de)運(yun)算(suan)放(fang)大(da)器(qi)電(dian)源(yuan)電(dian)壓(ya),從(cong)而(er)以(yi)最(zui)有(you)利(li)於(yu)散(san)熱(re)的(de)方(fang)式(shi)在(zai)器(qi)件(jian)之(zhi)間(jian)分(fen)配(pei)功(gong)耗(hao)。其(qi)次(ci),使(shi)用(yong)下(xia)式(shi)計(ji)算(suan)將(jiang)原(yuan)始(shi)電(dian)源(yuan)電(dian)壓(ya)(VRAW)降低到放大器期望電源電壓(VAMP)所需的分壓比:
其中,RTOP為頂部電阻,RBOT為底部電阻。
對於下例,考慮運算放大器標稱電源電壓為±100 V。對於需要±250 V 擺幅範圍的應用,通過下式計算分壓比:
然ran後hou,使shi用yong便bian於yu獲huo得de的de標biao準zhun值zhi電dian阻zu設she計ji電dian阻zu分fen壓ya器qi,盡jin可ke能neng接jie近jin地di實shi現xian此ci分fen壓ya比bi。請qing注zhu意yi,由you於yu涉she及ji高gao電dian壓ya,電dian阻zu功gong耗hao可ke能neng比bi預yu期qi要yao高gao。
靜態功耗
duiyusuoxuandianzuzhi,yingxuanzenenggouyingduixiangyingjingtaigonghaodedianzuchicun。xiangfan,ruguodianzudewulichicunshouxian,yingxuanzeshidangdedianzuzhilaijiangsanrexianzhizaiedingfanweinei。
在該示例中,RTOP達到 150 V,RBOT達到 100 V。使用額定功率為 1 /2瓦的 2512 電阻,設計必須將每個電阻器的功耗(V2/R) 限製在 0.5 W 以下。計算每個電阻的最小值,如下所示:

將較高值電阻(45kΩ)作為功耗的限製因素,RBOT 值產生一個 2.5:1 分壓器,同時觀測靜態功耗限值為
其功耗為(100 V)2/30 kΩ = 0.33 W。
瞬時功耗
考慮到電阻的瞬時電壓取決於放大器的輸出電壓以及電源電壓,本例中任何時刻每個分壓器上的電壓可能高達350 V(VCC = 250 V 且 VOUT = –100 V)。正弦輸出波形在 VCC和 VEE分壓器中產生 相同的平均功耗,但任何非零平均輸出都會導致一個分壓器 的功耗高於另一個分壓器的功耗。對於滿量程直流輸出(或方波),瞬時功耗為最大功耗。
在此示例中,為將瞬時功耗保持在 0.5 W 以下,每個分壓器中兩個電阻之和(RSUM)不得小於以下值:
因此,電阻比為 1.5:1(對於 2.5:1 分壓器)時,各個電阻的最小值如下:
● RTOP = 147 kΩ
● RBOT = 98 kΩ
FET 選擇
承受最壞情況偏置條件所需的擊穿電壓主要決定 FET的選擇;當輸出飽和,使得一個 FET 處於最大 VDS,另一個 FET 處於最小 VDS 時,便可明白這一點。在前麵的示例中,最 高絕對 VDS 約為 300 V,即總原始電源電壓(500 V)減去放大器的總電源電壓(200 V)。因此,FET 必須承受至少 300 V 電壓而不被擊穿。
功耗必須針對最壞情況 VDS 和工作電流來計算,並且必須選擇指定在此功率水平下工作的 FET。
接下來考慮 FET 的柵極電容,因為它會與偏置電阻一起形成一個低通濾波器。擊穿電壓較高的 FET 往往具有較高的柵極電容,而且偏置電阻往往為 100 kΩ,因此不需要多少柵極電容就能顯著降低電路的速度。從製造商的數據手冊中獲得柵極電容值,計算 RTOP和 RBOT並聯組合所形成的極點頻率。
偏pian置zhi網wang絡luo的de頻pin率lv響xiang應ying必bi須xu始shi終zhong快kuai於yu輸shu入ru和he輸shu出chu信xin號hao,否fou則ze放fang大da器qi的de輸shu出chu可ke能neng超chao出chu其qi自zi身shen的de電dian源yuan範fan圍wei。暫zan時shi偏pian離li到dao放fang大da器qi電dian源yuan軌gui之zhi外wai會hui有you損sun壞huai輸shu入ru的de風feng險xian,而er暫zan時shi飽bao和he或huo壓ya擺bai受shou限xian會hui有you造zao成cheng輸shu出chu失shi真zhen的de風feng險xian。任ren何he一yi種zhong狀zhuang況kuang都dou可ke能neng導dao致zhi負fu反fan饋kui暫zan時shi丟diu失shi和he不bu可ke預yu測ce的de瞬shun態tai行xing為wei,甚shen至zhi可ke能neng因yin為wei某mou些xie運yun算suan放fang大da器qi架jia構gou中zhong的de相xiang位wei反fan轉zhuan而er閂shuan鎖suo。
性能
直流線性度
圖 2 顯示了增益誤差與輸入電壓的關係(直流線性度),增益為 20,電源為±140 V。

圖2. 增益誤差與輸入電壓的關係
壓擺率
圖 3 顯示了壓擺率曲線,增益為 20,電源為±140 V,測量值為 20.22 V/μs。

圖 3. 壓擺率
實現更高速度的權衡
功耗
如前所述,工作電壓較高時,FET 的擊穿電壓(和相關的柵極電容)以(yi)及(ji)電(dian)阻(zu)值(zhi)也(ye)必(bi)須(xu)較(jiao)高(gao)。較(jiao)高(gao)的(de)電(dian)阻(zu)和(he)電(dian)容(rong)值(zhi)都(dou)會(hui)造(zao)成(cheng)帶(dai)寬(kuan)降(jiang)低(di),唯(wei)一(yi)可(ke)用(yong)的(de)調(tiao)整(zheng)因(yin)素(su)是(shi)電(dian)阻(zu)值(zhi)。降(jiang)低(di)電(dian)阻(zu)值(zhi)會(hui)提(ti)高(gao)帶(dai)寬(kuan),但(dan)代(dai)價(jia)是(shi)功(gong)耗(hao)增(zeng)加(jia)。
空間
低阻值、高功率的電阻尺寸較大,需占用較多電路板空間。以電容的形式在RBOT上增加一些引線補償可以改善電路的頻率響應。此電容與 RBOT和 RTOP電阻形成一個零點,抵消 FET 柵極電容所形成的極點。極點和零點相消,因此可以選擇更高阻值的電阻,從而降低直流功耗。
結論
在需要較高電壓但使用典型高壓運算放大器不經濟的應用中,常常會讓常規運算放大器自舉。自舉有其優點和缺點。還有一個選擇,ADHV4702-1 提供一種高達 220 V的精密高性能解決方案,無需自舉。但是,當信號範圍要求超過 220 V時, 該器件可以自舉以處理超過標稱信號範圍兩倍以上的電壓,同時提供比自舉低壓放大器更高的性能。
推薦閱讀:
特別推薦
- 噪聲中提取真值!瑞盟科技推出MSA2240電流檢測芯片賦能多元高端測量場景
- 10MHz高頻運行!氮矽科技發布集成驅動GaN芯片,助力電源能效再攀新高
- 失真度僅0.002%!力芯微推出超低內阻、超低失真4PST模擬開關
- 一“芯”雙電!聖邦微電子發布雙輸出電源芯片,簡化AFE與音頻設計
- 一機適配萬端:金升陽推出1200W可編程電源,賦能高端裝備製造
技術文章更多>>
- 築基AI4S:摩爾線程全功能GPU加速中國生命科學自主生態
- 一秒檢測,成本降至萬分之一,光引科技把幾十萬的台式光譜儀“搬”到了手腕上
- AI服務器電源機櫃Power Rack HVDC MW級測試方案
- 突破工藝邊界,奎芯科技LPDDR5X IP矽驗證通過,速率達9600Mbps
- 通過直接、準確、自動測量超低範圍的氯殘留來推動反滲透膜保護
技術白皮書下載更多>>
- 車規與基於V2X的車輛協同主動避撞技術展望
- 數字隔離助力新能源汽車安全隔離的新挑戰
- 汽車模塊拋負載的解決方案
- 車用連接器的安全創新應用
- Melexis Actuators Business Unit
- Position / Current Sensors - Triaxis Hall
熱門搜索
微波功率管
微波開關
微波連接器
微波器件
微波三極管
微波振蕩器
微電機
微調電容
微動開關
微蜂窩
位置傳感器
溫度保險絲
溫度傳感器
溫控開關
溫控可控矽
聞泰
穩壓電源
穩壓二極管
穩壓管
無焊端子
無線充電
無線監控
無源濾波器
五金工具
物聯網
顯示模塊
顯微鏡結構
線圈
線繞電位器
線繞電阻




