晶體的負載電容
發布時間:2019-11-04 責任編輯:wenwei
【導讀】負載電容(load capacitance)常用的標準值有12.5 pF,16 pF,20 pF,30pF,負載電容與石英諧振器一起決定振蕩器的工作頻率,通過調整負載電容,一般可以將振蕩器的工作頻率調到標稱值。
負載電容和諧振頻率之間的關係不是線性的,負載電容變小時,頻率偏差量變大;負載電容提高時,頻率偏差減小。下圖是一個晶體的負載電容和頻率的誤差的關係圖。

圖1、晶振誤差— 負載電容(22 pF 負載電容)
負載電容的定義
從石英晶體插腳兩端向振蕩電路方向看進去的全部有效電容為該振蕩電路加給石英晶體的負載電容。石英晶體的負載電容的定義如下式:
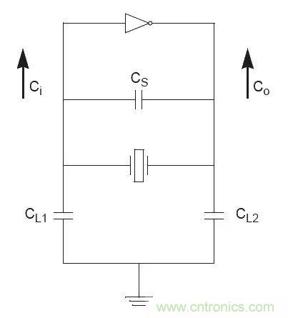
圖1中標示出了CG,CD,CS的的組成部分。

圖1、晶體振蕩電路的概要組成
CG指的是晶體振蕩電路輸入管腳到gnd的總電容(比如 USB PHY的USB_XI信號到地)。容值為以下三個部分的和。
● USB_XI管腳到gnd的寄生電容, Ci
● 晶體-震蕩電路XI的PCB走線到到gnd的寄生電容,CPCBXI
● 電路上另外增加的並聯到gnd“負載電容”, CL1
CD指的是晶體振蕩電路輸入管腳到gnd的總電容(比如 USB PHY的USB_XO信號到地)。容值為以下三個部分的和。
● USB_XO管腳到gnd的寄生電容, Co
● 晶體-震蕩電路XO的PCB走線到到gnd的寄生電容,CPCBXO
● 電路上另外增加的並聯到gnd“負載電容”, CL2
CS指的晶體兩個管腳之間的寄生電容(shunt capacitance),在晶體的規格書上可以找到具體值,一般0.2pF~8pF不等。如圖二是某32.768KHz的電氣參數,其寄生電容典型值是0.85pF(在表格中采用的是Co)。

圖2、某晶體的電氣參數
Ci以及Co的取值,一般可以在芯片手冊上查詢到。比如圖三是某芯片的XI/XO的寄生電容值。

圖3、某芯片的輸入電容
CL1/CL2的計算過程
一般我們會說,計算晶體振蕩電路的負載電容,事實上是根據晶體規格書上標稱的負載電容,計算出實際需要在晶體兩端安裝的電容CL1以及CL2的值。
假設我們需要計算的電路參數如下所述。芯片管腳的輸入電容如圖三CN56XX所示,Ci=4.8pF;所需要采用的晶體規格如圖二所示,負載電容CL=12.5pF,晶體的寄生電容CS=0.85pF。
我們可以得到下式:

為了保持晶體的負載平衡,在實際應用中,一般要求CG=CD,所以進一步可以得到下式:

根據CG的組成部分,可以得到:
CG=Ci+CPCBXI+CL1=23.3pF
晶體布線時都會要求晶體盡量靠近振蕩電路,所以CPCBXI一般比較小,取0.2pF;Ci=4.8pF。所以最終的計算結果如下:(CL2的計算過程類似)
CL1=CL2=18.3pF≈18pF
例外情況
現在有很多芯片內部已經增加了補償電容(internal capacitance),所以在設計的時候,隻需要選按照芯片datasheet推薦的負載電容值的選擇晶體即可,不需要額外再加電容。但是因為實際設計的寄生電路的不確定性,最好還是預留CL1/CL2的位置。
以上的計算都是基於CG=CD的前提,的確有一些意外情況,比如cypress的帶RTC的nvsram的時鍾晶體要求兩邊不對稱,但是幸運的是,cypress給出了詳細的計算過程以及選型參考。
推薦閱讀:
特別推薦
- 噪聲中提取真值!瑞盟科技推出MSA2240電流檢測芯片賦能多元高端測量場景
- 10MHz高頻運行!氮矽科技發布集成驅動GaN芯片,助力電源能效再攀新高
- 失真度僅0.002%!力芯微推出超低內阻、超低失真4PST模擬開關
- 一“芯”雙電!聖邦微電子發布雙輸出電源芯片,簡化AFE與音頻設計
- 一機適配萬端:金升陽推出1200W可編程電源,賦能高端裝備製造
技術文章更多>>
- 從機械執行到智能互動:移遠Q-Robotbox助力具身智能加速落地
- 品英Pickering將亮相2026航空電子國際論壇,展示航電與電池測試前沿方案
- 模擬芯片設計師的噩夢:晶體管差1毫伏就廢了,溫度升1度特性全飄
- 3A大電流僅需3x1.6mm?意法半導體DCP3603重新定義電源設計
- 芯科科技Tech Talks與藍牙亞洲大會聯動,線上線下賦能物聯網創新
技術白皮書下載更多>>
- 車規與基於V2X的車輛協同主動避撞技術展望
- 數字隔離助力新能源汽車安全隔離的新挑戰
- 汽車模塊拋負載的解決方案
- 車用連接器的安全創新應用
- Melexis Actuators Business Unit
- Position / Current Sensors - Triaxis Hall
熱門搜索
按鈕開關
白色家電
保護器件
保險絲管
北鬥定位
北高智
貝能科技
背板連接器
背光器件
編碼器型號
便攜產品
便攜醫療
變容二極管
變壓器
檳城電子
並網
撥動開關
玻璃釉電容
剝線機
薄膜電容
薄膜電阻
薄膜開關
捕魚器
步進電機
測力傳感器
測試測量
測試設備
拆解
場效應管
超霸科技



