這招準管用:利用熱敏電阻檢測液位
發布時間:2019-12-07 責任編輯:wenwei
【導讀】在使用熱敏電阻、RTD或其它阻性溫度傳感器的(de)精(jing)密(mi)溫(wen)度(du)測(ce)量(liang)應(ying)用(yong)中(zhong),必(bi)須(xu)注(zhu)意(yi)避(bi)免(mian)傳(chuan)感(gan)器(qi)在(zai)激(ji)勵(li)電(dian)流(liu)作(zuo)用(yong)下(xia)自(zi)熱(re)所(suo)引(yin)起(qi)的(de)誤(wu)差(cha)。但(dan)在(zai)一(yi)些(xie)應(ying)用(yong)中(zhong),自(zi)熱(re)效(xiao)應(ying)也(ye)能(neng)發(fa)揮(hui)積(ji)極(ji)作(zuo)用(yong)。下(xia)述(shu)設(she)計(ji)理(li)念(nian)理(li)應(ying)有(you)效(xiao),但(dan)尚(shang)未(wei)經(jing)過(guo)全(quan)麵(mian)測(ce)試(shi)。
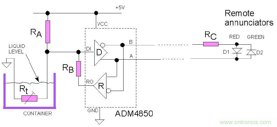
熱敏電阻采用電壓源驅動時會發熱。如果將其浸入冷卻液體中,隻要液體溫度保持相對恒定,則熱敏電阻的溫度(因而其電阻)將保持相對恒定。但是,如果液位下降,致使熱敏電阻暴露在外,則液體的散熱效應將消失,熱敏電阻的溫度將上升,其電阻(對於正溫度係數元件)將增大。低成本、半雙工差分線路收發器 ADM4850 很容易檢測出這一情況,並予以提示。當電平提醒信號必須傳輸至LED等遠程報警器時,差分輸出將十分有用。該收發器主要用於多點數據通信,因此其輸出端提供短路保護、熱關斷和壓擺率限製(用於降低電磁輻射)特性。
我們想知道容器中的液體何時高於或低於特定液位。如圖1所示,將一個熱敏電阻置於此液位。浸沒後,該熱敏電阻的電阻相對較低。適當選擇比值Rt/RA,使驅動器輸入端的電壓可視為邏輯0。當沒有液體覆蓋熱敏電阻時,輸入電壓迅速升高,超過輸入閾值電壓,因而可視為邏輯1。如果需要遲滯功能,可以將接收器輸出端通過電阻RB連接到驅動器輸入端。

圖1. 利用熱敏電阻檢測液位何時高於或低於預設閾值。
該電路能否可靠工作,取決於輸入閾值穩定性(數據手冊並未規定),以及越過臨界液位時Rt和RA所產生的電壓偏移。ADM4850(許多批產品、4.75V至5.25V電源電壓、–40°C至+85°C溫度範圍)的特性數據顯示:1.15 V及以下的輸入電壓將被視為邏輯0,1.42 V及以上的電壓將被視為邏輯1。本應用建議使用EPCOS型D1010陶瓷PTC熱敏電阻,它主要用作液位傳感器,其電阻能夠密切跟蹤周圍介質的熱導率變化。一旦達到閾值溫度,此類熱敏電阻的R/T曲線會急劇上升。它采用不鏽鋼外殼,能夠抵禦惡劣環境中的燃油、溶劑和其它液體腐蝕。
RA值取決於液體和周圍空氣的溫度。最差情況是液體熱而空氣冷。由D1010數據手冊可知,當液體溫度高達+50°C且空氣溫度低至–25°C時,RA標準值909Ω是很好的選擇。室溫下且無激勵時,D1010樣片的電阻測量結果約為149Ω。
工業應用中,某些故障可能會使RA或Rt暴露於破壞性高壓下。對於這種情況,可以考慮使用ADM4850的隔離版本收發器 ADM2483 . 這款半雙工差分總線收發器集成電氣隔離,可耐受1分鍾2.5 kV均方根電壓。驅動該器件的熱端需要使用隔離電源。
推薦閱讀:
特別推薦
- 噪聲中提取真值!瑞盟科技推出MSA2240電流檢測芯片賦能多元高端測量場景
- 10MHz高頻運行!氮矽科技發布集成驅動GaN芯片,助力電源能效再攀新高
- 失真度僅0.002%!力芯微推出超低內阻、超低失真4PST模擬開關
- 一“芯”雙電!聖邦微電子發布雙輸出電源芯片,簡化AFE與音頻設計
- 一機適配萬端:金升陽推出1200W可編程電源,賦能高端裝備製造
技術文章更多>>
- 一秒檢測,成本降至萬分之一,光引科技把幾十萬的台式光譜儀“搬”到了手腕上
- AI服務器電源機櫃Power Rack HVDC MW級測試方案
- 突破工藝邊界,奎芯科技LPDDR5X IP矽驗證通過,速率達9600Mbps
- 通過直接、準確、自動測量超低範圍的氯殘留來推動反滲透膜保護
- 從技術研發到規模量產:恩智浦第三代成像雷達平台,賦能下一代自動駕駛!
技術白皮書下載更多>>
- 車規與基於V2X的車輛協同主動避撞技術展望
- 數字隔離助力新能源汽車安全隔離的新挑戰
- 汽車模塊拋負載的解決方案
- 車用連接器的安全創新應用
- Melexis Actuators Business Unit
- Position / Current Sensors - Triaxis Hall
熱門搜索



