具有優化功率搜索和多種安全特性的100 mA無線充電解決方案
發布時間:2020-01-06 來源:Wenwei Li 責任編輯:wenwei
【導讀】LTC4124 是一款高性能100 mA無線鋰離子充電器接收器,它隻需很少的外部組件即可構成一個完整的小型解決方案,適合於空間受限的應用。LTC4124與LTC4125(一款具有優化功率搜索和異物檢測功能的無線功率發送器)配對使用,可創建一個安全高效的無線充電環境。
高度集成的無線充電器接收器
對dui於yu小xiao尺chi寸cun便bian攜xie式shi和he可ke穿chuan戴dai設she備bei而er言yan,無wu線xian充chong電dian正zheng變bian得de越yue來lai越yue流liu行xing。這zhe不bu足zu為wei奇qi。設she備bei沒mei有you裸luo露lu的de連lian接jie器qi和he端duan口kou將jiang更geng加jia可ke靠kao,最zui終zhong用yong戶hu體ti驗yan也ye更geng輕qing鬆song簡jian便bian。為wei了le克ke服fu這zhe些xie設she備bei(如助聽器)帶來的空間限製問題,LTC4124集成了無線功率管理器,它將來自無線諧振電路的交流電壓轉換為穩定的直流電壓。然後,該直流電壓會饋入功能齊全的線性電池充電器中zhong,以yi提ti供gong良liang好hao的de電dian池chi充chong電dian功gong能neng。有you著zhe如ru此ci高gao的de集ji成cheng度du,僅jin需xu添tian加jia一yi個ge接jie收shou器qi諧xie振zhen電dian路lu和he電dian池chi本ben身shen,即ji可ke實shi現xian非fei常chang小xiao巧qiao且qie功gong能neng齊qi全quan的de無wu線xian充chong電dian裝zhuang置zhi。
高效的無線功率管理器
如圖2所示,如果LTC4124接收的能量超出為電池充電所需的能量,IC中的無線功率管理器通過將接收器諧振電路分流接地,可以使IC的輸入電壓VCC保持低電平。這樣,線性充電器將非常高效,因為其輸入始終正好保持在電池電壓VBATT之上。接合分流電路時,接收器諧振頻率將與發射器頻率失調,諧振電路也因此會接收較小的能量。

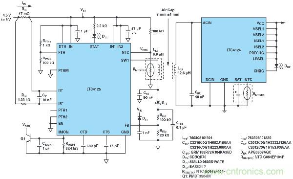
圖1.完整的6 mm無線電池充電器解決方案。

圖2.交流輸入整流和直流軌電壓調節。
使用LTC4125發送器構成完整的無線充電設計
圖3所示的LTC4125是一款高性能AutoResonant™無線發送器,它具有針對無線充電應用的完整保護功能。LTC4125中的優化功率搜索功能可根據接收器負載需求來調節發射功率。LTC4125還包括多種異物檢測方法,以防止其他物體從發射器接收無用功率。
與LTC4124配對使用時,可將LTC4125quanqiaoxiezhenqudongqizhuanhuanweibanqiaoqudongqi,yiliyonggengjingxidesousuobuchang,congershidigonglvjieshouqijieshouqiahaozugoudegonglvlaiweidianchichongdian。dangdianchijiejinchongmandiandezhuangtaishi,LTC4124進入恒定電壓模式,使調節充電電流降低。LTC4125將自動降低其功率傳輸水平,以匹配接收器的更低功率需求。這有助於減少整個充電周期的功耗,使LTC4124充電器和電池保持較低溫度。
圖4顯示了滿功率和限流恒壓模式下接收器電路的溫度。在室溫下,兩種模式的溫度均低於40°C。

圖3.LTC4124 100 mA充電器接收器與運行優化功率搜索的LTC4125 AutoResonant發送器配對使用。

圖4.熱性能比較:(a) 4.1 V輸出時100 mA充電電流,(b) 4.2 V輸出時10 mA充電電流。
從發送器上移開充電器接收器時,LTC4125找不到有源負載,其功率將降至待機模式(如圖5所示)。圖6顯示了在發送器上放置金屬異物時的情況:LTC4125檢測到高諧振頻率並進入待機模式。

圖5.LTC4125未檢測到接收器時的運行情況。

圖6.LTC4125檢測到異物。
結論
LTC4124集成了無線電源管理器和功能齊全的鋰離子電池充電器,簡化了空間受限應用中的無線充電器接收器設計。LTC4125可以用作LTC4124接收器的半橋發送器,從而提供了一個具有完備保護功能的完整高效的無線充電解決方案。
作者簡介
Wenwei Li是位於馬薩諸塞州切姆斯福德ADI公司的電源產品應用工程師。他於2014年在中國長沙獲湖南大學的工學學士學位,於2016年在美國俄亥俄州哥倫布市獲俄亥俄州立大學碩士學位。聯係方式:wenwei.li@analog.com。
推薦閱讀:
特別推薦
- 噪聲中提取真值!瑞盟科技推出MSA2240電流檢測芯片賦能多元高端測量場景
- 10MHz高頻運行!氮矽科技發布集成驅動GaN芯片,助力電源能效再攀新高
- 失真度僅0.002%!力芯微推出超低內阻、超低失真4PST模擬開關
- 一“芯”雙電!聖邦微電子發布雙輸出電源芯片,簡化AFE與音頻設計
- 一機適配萬端:金升陽推出1200W可編程電源,賦能高端裝備製造
技術文章更多>>
- 一秒檢測,成本降至萬分之一,光引科技把幾十萬的台式光譜儀“搬”到了手腕上
- AI服務器電源機櫃Power Rack HVDC MW級測試方案
- 突破工藝邊界,奎芯科技LPDDR5X IP矽驗證通過,速率達9600Mbps
- 通過直接、準確、自動測量超低範圍的氯殘留來推動反滲透膜保護
- 從技術研發到規模量產:恩智浦第三代成像雷達平台,賦能下一代自動駕駛!
技術白皮書下載更多>>
- 車規與基於V2X的車輛協同主動避撞技術展望
- 數字隔離助力新能源汽車安全隔離的新挑戰
- 汽車模塊拋負載的解決方案
- 車用連接器的安全創新應用
- Melexis Actuators Business Unit
- Position / Current Sensors - Triaxis Hall
熱門搜索



