配置AD7616用於高動態範圍應用的設置示例
發布時間:2020-05-02 來源:Aidan Frost 責任編輯:wenwei
【導讀】AD7616是一款雙通道、同步采樣、16通道、16位逐次逼近寄存器(SAR)型模數轉換器(ADC)。AD7616非常適合能源分配市場中的保護和測量應用。AD7616具備一係列針對保護和測量應用而設計的特性,例如低漂移的集成式可編程增益放大器(PGA)、1 MΩ輸入阻抗、高度靈活的可編程序列器和最高128倍過采樣功能。本應用筆記詳細說明如何配置AD7616眾多工作模式中的一種以實現100 dB以上的高動態範圍。本應用筆記旨在用作快速入門參考,以便用戶將AD7616集成到應用當中。
動態範圍要求
genjujutiyingyong,mubiaoshuruxinhaofudukenenghenbuxiangtong。liru,xiangduiyuguzhangzhuangkuang,jidianqibaohuyingyongdexinhaoliangchengyibanhenxiao,danyonghukenengxiwangtongshiceliangbiaochengzhuangkuangheguzhangzhuangkuang。zhezhongceliangxuyaoyigejuyoudadongtaifanweideADC來將這些較小輸入信號解析到所需的精度。此類應用所需的動態範圍可通過下式計算:

其中:
DR為動態範圍。
SignalMAX為ADC可以分辨的最大信號。
SignalMIN為ADC可以分辨的最小信號。
根據應用的精度要求,用戶可能希望精度高於16位。此要求可利用AD7616並通過下述方法實現:
1. 對模擬輸入進行過采樣以實現高達96 dB的信噪比(SNR)。
2. 對信號進行雙增益采樣以提高有效動態範圍。
使用AD7616的±10 V輸入範圍,在無任何過采樣的情況下,用戶通常可實現90.5 dB SNR。使用64倍過采樣比(OSR)時,此SNR提高到96 dB最大值。類似地,對於±2.5 V範圍,無過采樣時可實現87 dB SNR,OSR為64時可實現93.9 dB SNR。
表1. 過采樣所實現的SNR

考慮一個來自傳感器的輸入信號,其相對於輸入範圍一般非常小,但可能超量程(例如啟動期間或故障狀況下),如圖1所示。

圖1. 超量程信號
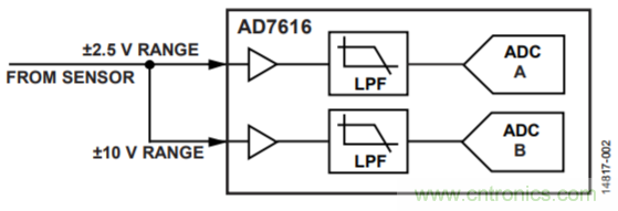
將兩個AD7616通道合並以對同一輸入信號進行采樣,便可實現較大動態範圍。AD7616每個通道有一個PGA,經過配置可接受±2.5 V、±5 V或±10 V的輸入信號。在對同一信號進行采樣時使用不同的增益,是提高動態範圍的關鍵。圖2顯示了一個典型的雙采樣設置,其使用AD7616每個ADC的一個通道。AD7616包括兩個ADC內核和兩個8:1多路複用器,總共有16個通道。本例使用每個多路複用器上的一個通道,從而可以對兩個通道同時采樣,如圖2所示。
圖2顯示了一個典型的雙采樣設置,其使用AD7616每個ADC的一個通道。AD7616包括兩個ADC內核和兩個8:1多路複用器,總共有16個通道。本例使用每個多路複用器上的一個通道,從而可以對兩個通道同時采樣,如圖2所示。

圖2. 雙增益采樣設置
圖 2 所示連接是監控三相電力係統某一相的典型連接,可以根據需要擴展到監控其他相。本應用筆記所述的配置假設 ADC 通道按照表 2 所示進行分配,從而監控三相。
表2. ADC通道配置

表 1 顯示,對於±2.5 V 範圍,OSR 為 64 時,過采樣可將 SNR提高到 94 dB。對於同樣的範圍,以低得多的 4 倍 OSR 進行過采樣時,可以解析的最小信號約為±88 μV。已知±2.5 V範圍、OSR 為 4 倍時 SNR 為 89 dB,最小信號可計算如下:
其中:
SNR 為信噪比。
最大信號為施加到模擬輸入端的信號的最大幅度。
最小信號為相對於本底噪聲的最小可分辨信號的幅度。
最大信號就是輸入範圍;本例中為±2.5 V。使用此輸入範圍,重新整理並求解該方程便可確定 ADC 可以解析的最小信號。計算結果為±88 μV。
使用±10 V和±2.5 V兩種輸入範圍進行采樣,可以實現的最高動態範圍為:

其中,DR為動態範圍。
引腳配置
AD7616可以配置為硬件或軟件工作模式。硬件模式使用引腳控製來配置序列器、模(mo)擬(ni)輸(shu)入(ru)範(fan)圍(wei)和(he)過(guo)采(cai)樣(yang)比(bi)等(deng)選(xuan)項(xiang)。軟(ruan)件(jian)模(mo)式(shi)則(ze)是(shi)通(tong)過(guo)並(bing)行(xing)接(jie)口(kou)或(huo)串(chuan)行(xing)接(jie)口(kou)對(dui)片(pian)上(shang)寄(ji)存(cun)器(qi)進(jin)行(xing)編(bian)程(cheng),並(bing)可(ke)解(jie)鎖(suo)器(qi)件(jian)的(de)更(geng)多(duo)功(gong)能(neng)。本(ben)設(she)置(zhi)示(shi)例(li)使(shi)用(yong)軟(ruan)件(jian)模(mo)式(shi),通(tong)過(guo)並(bing)行(xing)接(jie)口(kou)編(bian)程(cheng)。利(li)用(yong)串(chuan)行(xing)接(jie)口(kou)配(pei)置(zhi)器(qi)件(jian)同(tong)利(li)用(yong)並(bing)行(xing)接(jie)口(kou)對(dui)器(qi)件(jian)編(bian)程(cheng)相(xiang)似(si)。有(you)關(guan)詳(xiang)細(xi)信(xin)息(xi),參(can)見(jian)AD7616數據手冊。
對於本例,在對片上寄存器編程之前,按照表3和圖3所示配置控製引腳,然後上電。複位解除時或發生完全複位之後,器件會鎖存硬件控製引腳值。對配置的任何改變也需要完全複位。
表3. 硬件引腳配置


圖3. 硬件控製引腳連接
配置好控製引腳之後,將適當的電壓提供給VCC引腳和VDRIVE引腳,以給AD7616供電。電源穩定後,需要讓器件完全複位。有關詳細信息,參見AD7616數據手冊。
對AD7616編程
在軟件模式下,AD7616可通過片上寄存器靈活配置。這些寄存器可通過並行或串行接口訪問,有16位寬。本應用筆記所述的例子使用並行接口。所需寄存器寫操作的流程圖如圖4所示。下述寄存器寫命令利用可編程序列器將AD7616配置為對三個不同信號進行雙采樣。
首先寫入配置寄存器。配置寄存器用在軟件模式下,用來配置ADC的許多主要功能,包括序列器、突發模式、過采樣和CRC操作。
將命令0x8460寫入配置寄存器,使能序列器的突發模式。突發模式需要一個CONVST脈衝來啟動序列器堆棧寄存器中配置的每個通道對的轉換。然後存儲轉換結果,直至用戶準備回讀結果。有關詳細信息,參見AD7616數據手冊。
接下來配置輸入範圍寄存器。如表2所示,使能六個通道進行采樣。三個通道設置為±2.5 V範圍,另三個通道設置為±10 V範圍。有四個輸入範圍寄存器,但本例僅需要兩個:寄存器A1和寄存器B1。寫入命令0x8815以將V0A至V2A通道的輸入範圍配置為±2.5 V範圍。寫入命令0x8C3F以將V0B至V2B通道的輸入範圍配置為±10 V範圍。
最後寫入序列器堆棧寄存器。序列器寄存器結構形成一個32層堆棧,各層可包含兩個通道(ADC A中的任一通道和ADC B中的任一通道)。序列器編程如表4所示。
表4. 序列器編程

堆棧中最後一層(本例中為第三層)的SSREN位設置為邏輯1,以定義堆棧的最後一層。序列器達到SSREN位設為1的層之後,便將堆棧指針複位到堆棧的第一層。然後重複該序列。
AD7616現在已按照表2所示的配置,對三個信號進行采樣。向器件寫入命令0x0000,使其返回到讀取模式並開始采樣。表5顯示了本例寄存器編程摘要。

圖4. 寄存器配置流程圖
表5. 寄存器摘要

轉換
在突發模式下,單個CONVST脈衝啟動序列器堆棧寄存器中配置的每個通道的轉換。器件內部產生完成序列所需的其餘CONVST信號。圖5顯示了器件在該模式下的操作。複位解除時,片內寄存器進行編程,如圖4所示。器件切換回轉換讀取模式之後,需要進行一次偽轉換以將新配置鎖存到器件中。然後,用戶必須提供一個CONVST脈衝以啟動整個序列的轉換。序列完成後(BUSY由高電平變為低電平),用戶便可回讀三個通道對的轉換結果,如圖5所示。

圖5. 突發工作模式
讀取轉換結果
在突發模式下,回讀轉換結果發生在序列中的所有通道完成轉換之後,如圖5所示。假設通道數為N,過采樣比為x,則完成轉換和轉換結果回讀的周期時間(tCYCLE)可估計如下:

其中:

利用並行接口回讀轉換結果,即便使能突發序列器,用戶也能維持最大吞吐速率。將AD7616數據手冊中的適當數值代入tCYCLE計算公式,得到以4倍OSR轉換三個通道對所需的周期時間為11.945 μs。此代換實現的吞吐速率為每通道83 kSPS。
結語
利用較小的±2.5 V輸入範圍設置,通過監控ADC A輸出,用戶可以檢測過壓和過流狀況。借助這種方法,用戶可以利用±2.5 V範圍設置的滿量程幅度範圍來保護動態範圍。然後,用戶可以切換到監控較大的±10 V輸入範圍,以捕獲故障狀況的性質和幅度。此方法使得用戶無需在ADC之前應用動態輸入範圍調整,而且AD7616的通道密度讓雙采樣成為一個高性價比選擇。本應用筆記證明,使用雙采樣設置和4倍OSR,AD7616動態範圍可提高到101 dB。在使能過采樣的情況下對三個通道進行采樣,可以保持每通道83 kSPS以上的吞吐速率。在實際意義上,對於60 Hz輸入信號,使用本應用筆記所述方法,每個線路周期用戶可以收集1300個以上的樣本。
推薦閱讀:
特別推薦
- 噪聲中提取真值!瑞盟科技推出MSA2240電流檢測芯片賦能多元高端測量場景
- 10MHz高頻運行!氮矽科技發布集成驅動GaN芯片,助力電源能效再攀新高
- 失真度僅0.002%!力芯微推出超低內阻、超低失真4PST模擬開關
- 一“芯”雙電!聖邦微電子發布雙輸出電源芯片,簡化AFE與音頻設計
- 一機適配萬端:金升陽推出1200W可編程電源,賦能高端裝備製造
技術文章更多>>
- 從機械執行到智能互動:移遠Q-Robotbox助力具身智能加速落地
- 品英Pickering將亮相2026航空電子國際論壇,展示航電與電池測試前沿方案
- 模擬芯片設計師的噩夢:晶體管差1毫伏就廢了,溫度升1度特性全飄
- 3A大電流僅需3x1.6mm?意法半導體DCP3603重新定義電源設計
- 芯科科技Tech Talks與藍牙亞洲大會聯動,線上線下賦能物聯網創新
技術白皮書下載更多>>
- 車規與基於V2X的車輛協同主動避撞技術展望
- 數字隔離助力新能源汽車安全隔離的新挑戰
- 汽車模塊拋負載的解決方案
- 車用連接器的安全創新應用
- Melexis Actuators Business Unit
- Position / Current Sensors - Triaxis Hall
熱門搜索
按鈕開關
白色家電
保護器件
保險絲管
北鬥定位
北高智
貝能科技
背板連接器
背光器件
編碼器型號
便攜產品
便攜醫療
變容二極管
變壓器
檳城電子
並網
撥動開關
玻璃釉電容
剝線機
薄膜電容
薄膜電阻
薄膜開關
捕魚器
步進電機
測力傳感器
測試測量
測試設備
拆解
場效應管
超霸科技



