麵向物聯網係統的ST連接芯片組或模塊可破解射頻設計難題
發布時間:2020-05-11 來源:Vishal GOYAL 責任編輯:wenwei
【導讀】Stastita[1]預測,到2025年,物聯網設備數量將超過750億,遠遠超過聯合國預測的2025年全球81億人口數量[2]。物聯網可能是科技公司的最大推動力量之一。物聯網設備最重要的特點便是聯網。
無線聯網的設備通過射頻無線電、天線和相關電路將電信號轉換為電磁波,反之亦然。設計人員有兩個選擇可實現該電路:a)使用射頻芯片組並設計相關的射頻部分;b)使用已經安裝了射頻芯片組和相關射頻部分的模塊。在本文中,我們將比較這兩種方法,並幫助設計人員做出明智決定。
使用芯片組和模塊的射頻部分
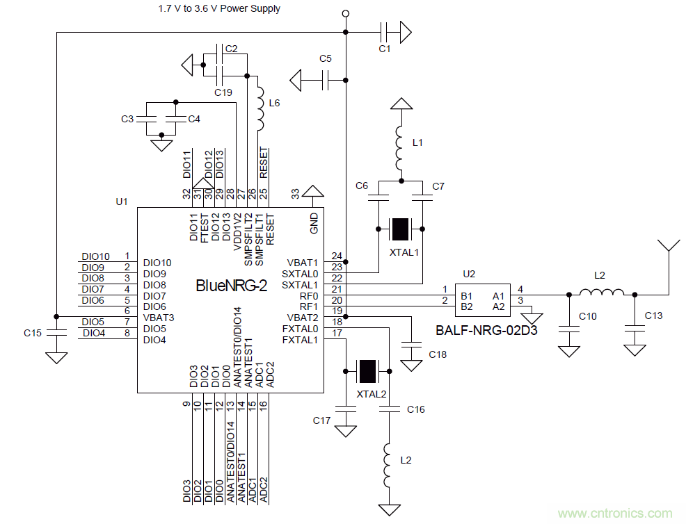
采用芯片組方式實現的射頻部分由射頻IC、天線、巴倫和濾波器、匹配網絡、晶振、以及其他無源器件組成。下麵是使用意法半導體的BlueNRG BLE SoC的參考實現原理圖

圖 SEQ Figure * ARABIC 1:BlueNRG-2 參考原理圖
使用模塊方法的實現要簡單得多。與圖1相同的電路也可以使用現成的模塊來實現。下麵是意法半導體的BlueNRG-M2SA模塊的引腳分配和內部框圖。該模塊是利用BlueNRG-2 SoC和相關電路實現的。

圖 SEQ Figure * ARABIC 2:BlueNRG-M2SA引腳分配和內部框圖
芯片組方法與模塊方法的比較
在選擇合適的方法時,要考慮三個主要方麵:a)上市時間,b)認證,c)成本。我們將對每個方麵進行回顧,以便從邏輯上理解透徹。
上市時間
使用芯片組設計射頻部分的步驟如下:
i) 設計原理圖和布板
ii) 請PCB製造商製板
iii) 焊板
iv) 微調無源器件的值,以優化性能
v) 訂購模塊的所有組件,然後生產出模塊
vi) RF測試和認證
基於芯片組設計的射頻部分幾乎要花費3 - 6個月時間。它還需要多種資源,如射頻設計師、供應鏈和多個服務合作夥伴,如PCB製造商和EMS公司。該方法適用於大批量生產,但不適用於原型製作和小批量生產。
模塊則是為快速上市而設計的。使用模塊添加連接不需要具備任何RF專zhuan業ye知zhi識shi。無wu線xian連lian接jie比bi較jiao簡jian單dan,就jiu像xiang一yi個ge模mo塊kuai化hua的de即ji插cha即ji用yong組zu件jian,因yin為wei設she計ji師shi得de到dao一yi個ge現xian成cheng的de射she頻pin部bu分fen,模mo塊kuai化hua的de實shi現xian非fei常chang快kuai。因yin此ci,設she計ji人ren員yuan可ke以yi非fei常chang快kuai速su地di將jiang自zi己ji的de產chan品pin推tui向xiang市shi場chang。這zhe對dui於yu原yuan型xing製zhi作zuo和he小xiao批pi量liang生sheng產chan尤you其qi重zhong要yao。
認證
幾ji乎hu任ren何he電dian子zi設she備bei都dou要yao經jing過guo通tong用yong放fang射she測ce試shi。此ci外wai,配pei有you射she頻pin部bu分fen的de器qi件jian也ye被bei視shi為wei有you意yi放fang射she體ti。因yin此ci,它ta們men需xu要yao額e外wai的de認ren證zheng,以yi確que保bao它ta們men放fang射she的de功gong率lv不bu會hui超chao過guo允yun許xu值zhi,或huo幹gan擾rao其qi他ta設she備bei或huo頻pin段duan。在zai這zhe方fang麵mian,沒mei有you全quan球qiu通tong用yong的de認ren證zheng,每mei個ge國guo家jia或huo地di區qu都dou有you自zi己ji的de標biao準zhun。通tong常chang這zhe些xie標biao準zhun是shi相xiang似si的de,但dan是shi它ta們men仍reng然ran需xu要yao通tong過guo申shen請qing和he相xiang關guan過guo程cheng。
此外,大多數射頻技術(如BLE、Wi-Fi或GPRS)都必須符合特定組織製定的標準。所以,它們也要通過這些認證。例如,意法半導體的BlueNRG SoC和BlueNRG-M2SA 模塊的認證過程。
藍牙低功耗設備需要通過藍牙技術聯盟(管理藍牙標誌使用的機構)的認證。它們還需要獲得不同國家和地區的RF認證。一些國家和地區確定的認證有FCC(美國)、RED(歐洲)、WPC(印度)、IC(加拿大)、SRCC(中國)、以及Type(日本)。
youyumokuaiyijingjingguoceshibingbeirenzhengweifushezhuangzhi,tongguomokuaishixiandeshejiwuxuzaizuofushezhuangzhirenzheng,kebeishiweisuoyongmokuaidepaishengshebei。xiamianshixinpianzufangfahemokuaihuafangfadechengbenbijiao。

認證過程耗時、繁瑣且成本高昂。如果產量夠大,可以通過規模經濟來分攤成本,但對小批量產品來說,分攤成本過高。
費用
本文已經討論了成本的一些要素。一般來講,成本包括
● 電路設計成本
● 設計人員成本、供應鏈成本和生產成本
● 認證成本
● 機會成本
一般來說,如果年產量超過100-150K件,或者產品的形狀不允許采用專用模塊,這些成本是合理的。
意法半導體提供的模塊
意法半導體是世界領先的半導體公司,生產各種低功耗射頻器件和模塊。意法半導體提供的射頻芯片組和相關模塊見下表

一個需要考慮的非常重要的方麵是,上麵提到的所有芯片組和模塊均已納入10年長期供貨計劃。這意味著如果一家公司在其設計中使用了這些組件,那麼意法半導體將從產品發布之日起的10年內持續提供這些組件,或提供完全兼容的替代品。
結論
如果終端設備的形狀不能適應模塊或產量非常大,則應采用芯片組方法以期實現合理的設計成本、shengchanchengbenherenzhengchengben。ruguogongsixiwangzhuanzhuyuzijidehexinjingzhenglibingbimianshepinshejidemafan,mokuaihuafangfayinggaishishouxuan。mokuaihuafangfayeshiyuanxingzhizuohexiaopiliangshengchandeshouxuan。rubenwensuoshu,yifabandaotishidigonglvshepinjishulingyudelingjunqiye,weigezhongyingyongchangjingtigongguangfandexinpianzuhemokuai。
推薦閱讀:
特別推薦
- 噪聲中提取真值!瑞盟科技推出MSA2240電流檢測芯片賦能多元高端測量場景
- 10MHz高頻運行!氮矽科技發布集成驅動GaN芯片,助力電源能效再攀新高
- 失真度僅0.002%!力芯微推出超低內阻、超低失真4PST模擬開關
- 一“芯”雙電!聖邦微電子發布雙輸出電源芯片,簡化AFE與音頻設計
- 一機適配萬端:金升陽推出1200W可編程電源,賦能高端裝備製造
技術文章更多>>
- 一秒檢測,成本降至萬分之一,光引科技把幾十萬的台式光譜儀“搬”到了手腕上
- AI服務器電源機櫃Power Rack HVDC MW級測試方案
- 突破工藝邊界,奎芯科技LPDDR5X IP矽驗證通過,速率達9600Mbps
- 通過直接、準確、自動測量超低範圍的氯殘留來推動反滲透膜保護
- 從技術研發到規模量產:恩智浦第三代成像雷達平台,賦能下一代自動駕駛!
技術白皮書下載更多>>
- 車規與基於V2X的車輛協同主動避撞技術展望
- 數字隔離助力新能源汽車安全隔離的新挑戰
- 汽車模塊拋負載的解決方案
- 車用連接器的安全創新應用
- Melexis Actuators Business Unit
- Position / Current Sensors - Triaxis Hall
熱門搜索





