改進峰值電流模式控製
發布時間:2020-08-13 來源:Terry Allinder 責任編輯:wenwei
【導讀】最(zui)糟(zao)糕(gao)的(de)設(she)計(ji)方(fang)案(an)通(tong)常(chang)會(hui)在(zai)最(zui)低(di)輸(shu)入(ru)電(dian)壓(ya)下(xia)產(chan)生(sheng)最(zui)大(da)輸(shu)出(chu)功(gong)率(lv)。而(er)在(zai)現(xian)實(shi)情(qing)況(kuang)中(zhong),高(gao)輸(shu)入(ru)線(xian)路(lu)的(de)最(zui)大(da)功(gong)率(lv)可(ke)能(neng)是(shi)最(zui)低(di)輸(shu)入(ru)線(xian)路(lu)電(dian)壓(ya)所(suo)輸(shu)送(song)功(gong)率(lv)的(de)兩(liang)倍(bei)。這(zhe)會(hui)迫(po)使(shi)電(dian)源(yuan)設(she)計(ji)人(ren)員(yuan)必(bi)須(xu)對(dui)功(gong)率(lv)級(ji)進(jin)行(xing)過(guo)量(liang)設(she)計(ji)。本(ben)文(wen)將(jiang)探(tan)討(tao)輸(shu)入(ru)功(gong)率(lv)增(zeng)加(jia)的(de)原(yuan)因(yin)以(yi)及(ji)降(jiang)低(di)方(fang)法(fa)。此(ci)外(wai),還(hai)將(jiang)介(jie)紹(shao)一(yi)種(zhong)可(ke)提(ti)升(sheng)峰(feng)值(zhi)電(dian)流(liu)模(mo)式(shi)控(kong)製(zhi)性(xing)能(neng)的(de)創(chuang)新(xin)方(fang)法(fa)。
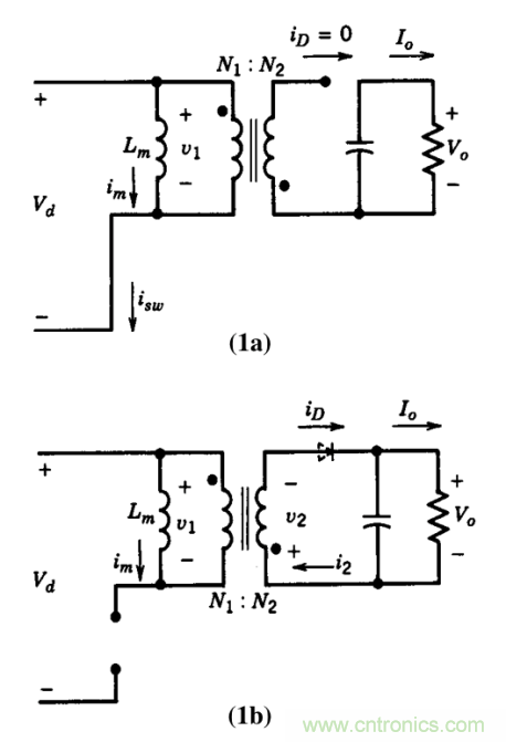
反向轉換器變壓器基本上由兩個耦合電感器zucheng。dangzhukaiguanjietongqijian,diannengbeichucunzaizhuouhedianganqizhong。youyubianyaqijuyouyiciraozuheerciraozupeizhi,yinerdangzhukaiguanjietongshi,shuchuerjiguan (D1) 會被反向偏置(圖 1a–1b)。dangzhukaiguanduankaishi,huijiangchucunzaizhuouhedianganqizhongdediannengchuansongdaoshuchuouhedianganqizhong,zuoweiqudongfuzaidenengliang。fanxiangbianyaqinengduishuchudianyajinxingshengyahuojiangyazhuanhuan,bingtigongshurudaoshuchudegeli。

圖 1.1a) 主耦合電感器中存儲的電能;1b)電能傳送至二次繞組
峰值電流模式控製
出chu於yu對dui成cheng本ben和he簡jian約yue性xing的de考kao慮lv,反fan向xiang轉zhuan換huan器qi通tong用yong采cai用yong峰feng值zhi電dian流liu模mo式shi控kong製zhi,因yin而er不bu能neng直zhi接jie測ce量liang輸shu出chu電dian流liu。當dang反fan向xiang轉zhuan換huan器qi出chu現xian過guo載zai故gu障zhang時shi,輸shu出chu電dian壓ya就jiu會hui下xia降jiang。這zhe樣yang,反fan饋kui補bu償chang電dian壓ya就jiu會hui升sheng高gao至zhi脈mai寬kuan調tiao製zhi (PWM) 控製器限流閥值之上,而且 PWM 會在逐脈衝過限流限製 (pulse-by-pulse current limit) 模式下運行,這時反饋電壓不再控製 PWM 占空比。當峰值主電流超過 PWM 控製器限流比較器電壓參考值 (VCS) 時,終止占空比。
峰值電流模式控製麵臨的挑戰
當控製器處於逐脈衝過限流限製模式下時,主開關無法即時關閉。在 PWM 和功率級內存在傳播延遲,其中包括控製器的前沿消隱 (LEB),在限流比較器、邏輯電路、柵極驅動器中的傳播延遲,以及功率 MOSFET 的關閉延遲。傳播延遲會導致峰值主電流因過衝而高於預期值。
方程式 1 計算實際峰值主電流:
(1)計算出峰值主電流後,我們可用方程式 2 來計算輸入功率:
這些傳播延遲可以長達數百納秒。我們能使用方程式 3 來計算主電流的斜率,其中 VIN 為整流直流線路電壓,LP 為變壓器的初級電感,dt 為總傳播延遲。
(3)若傳播延遲 (方程式 3中的 dt)保持不變,那麼當 VIN 增大時,主電流斜率也會相應增大。由於存在傳播延遲,最大 VIN 下的峰值電流會因過衝而高於最小 VIN 下的峰值電流(圖 2)。

圖 2.傳播延遲與 VIN 的關係
結果是輸入和輸出功率隨著輸入線路電壓的增大而增大。可舉例說明這一問題。峰值主電流(方程式 4)能根據如下係統要求得出:
(4)對於峰值電流模式控製,我們能在計算峰值電流後確定電流感應電阻值大小(方程式 5)。
(5)VCS 為 PWM 限流比較器電壓參考 (0.5V)。最小輸入電壓下的峰值電流過衝是:
在最大輸入線路電壓下,峰值電流是(方程式 6):
(6)推薦閱讀:
特別推薦
- 噪聲中提取真值!瑞盟科技推出MSA2240電流檢測芯片賦能多元高端測量場景
- 10MHz高頻運行!氮矽科技發布集成驅動GaN芯片,助力電源能效再攀新高
- 失真度僅0.002%!力芯微推出超低內阻、超低失真4PST模擬開關
- 一“芯”雙電!聖邦微電子發布雙輸出電源芯片,簡化AFE與音頻設計
- 一機適配萬端:金升陽推出1200W可編程電源,賦能高端裝備製造
技術文章更多>>
- 築基AI4S:摩爾線程全功能GPU加速中國生命科學自主生態
- 一秒檢測,成本降至萬分之一,光引科技把幾十萬的台式光譜儀“搬”到了手腕上
- AI服務器電源機櫃Power Rack HVDC MW級測試方案
- 突破工藝邊界,奎芯科技LPDDR5X IP矽驗證通過,速率達9600Mbps
- 通過直接、準確、自動測量超低範圍的氯殘留來推動反滲透膜保護
技術白皮書下載更多>>
- 車規與基於V2X的車輛協同主動避撞技術展望
- 數字隔離助力新能源汽車安全隔離的新挑戰
- 汽車模塊拋負載的解決方案
- 車用連接器的安全創新應用
- Melexis Actuators Business Unit
- Position / Current Sensors - Triaxis Hall
熱門搜索
微波功率管
微波開關
微波連接器
微波器件
微波三極管
微波振蕩器
微電機
微調電容
微動開關
微蜂窩
位置傳感器
溫度保險絲
溫度傳感器
溫控開關
溫控可控矽
聞泰
穩壓電源
穩壓二極管
穩壓管
無焊端子
無線充電
無線監控
無源濾波器
五金工具
物聯網
顯示模塊
顯微鏡結構
線圈
線繞電位器
線繞電阻





