ADALM2000實驗:零增益放大器
發布時間:2020-12-23 來源:Doug Mercer 和 Antoniu Miclaus 責任編輯:wenwei
【導讀】zaishejidianlushi,xuyaokaolvmouxieqijianzhizhijiandejudachayi,zheyidianfeichangzhongyao。shejirenyuandehexinmubiaoshi,shidezhexiechayibuhuiduidianluchanshengyingxiang,yibianshejichuzaisuoyouqianzaitiaojianxiadoumanzuguigededianlu。jihusuoyoudianludouyouyigeshejigongxing,jijianliwendingpianzhihuogongzuodiandianping。zhegekansiweixiaodeshejibufenkenengdaozhichanshengzuijutiaozhanxingqiezuiyouqudedianluwenti。
xuduopianzhifashengqizhuyaoyongyuchanshengdianliu,yiqudongdianludehexin。youdianyuanzhonglianjiedejiandandianzuheerjiguan,huozheyouerjiguanlianjiedejingtiguanshengchengdedianliuzhijiandechayidazhiyudianyuandianyadechayichengzhengbi。zaiyoucichanshengdepianzhidianliuzhong,zhezhongchayitongchangshibuxiwangchuxiande。
這zhe裏li,我wo們men給gei大da家jia介jie紹shao一yi款kuan電dian流liu鏡jing,我wo們men已yi在zai之zhi前qian的de實shi驗yan中zhong分fen析xi過guo電dian流liu鏡jing,使shi其qi輸shu出chu不bu會hui受shou輸shu入ru電dian流liu的de差cha異yi影ying響xiang。分fen析xi零ling增zeng益yi放fang大da器qi的de行xing為wei可ke以yi幫bang助zhu我wo們men理li解jie這zhe些xie電dian路lu。
材料
● ADALM2000 主動學習模塊
● 無焊麵包板
● 一個2.2 kΩ電阻(或其他類似值)
● 一個47 Ω電阻
● 一個小信號NPN晶體管(2N3904或SSM2212)
說明
在圖1中,我們使晶體管偏置導電,其集電極電壓比基極電壓低 kT/q (相當於 IC * 47 Ω) ,且基本上保持恒定,並應用來自AWG發生器的輸入電壓變化。

圖1.零增益放大器。
硬件設置
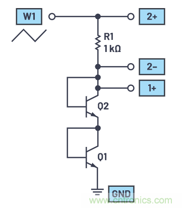
麵包板連接如圖2所示。波形發生器W1輸出驅動電阻R1的一端。電阻R2連接在晶體管Q1的基極和集電極之間,電阻R1的另一端也連接至基極。Q1的發射極接地。

圖2.零增益放大器麵包板電路。
程序步驟
波形發生器1配置為1 kHz三角波,峰峰值幅度為3 V,偏置為1.5 V。連接示波器通道1,以顯示AWG發生器的輸出W1。示波器通道2 (2+)的單端輸入被用於交替測量Q1的基集和集電極電壓。
配置示波器以捕獲測量的兩個信號的多個周期。確保啟用XY功能。
使用示波器的波形圖示例如圖3至圖5所示。

圖3.示波器圖 VBE。

圖4.示波器圖 VCE。

圖5.表格式波形圖示例: VBE 與 VCE的比較
改善VBE乘法器,應用零增益概念
許多電路都要求產生大於1 VBE的電壓。這裏,我們更詳盡地探討實現這一點的另外三種方法。
VBE * 2版本1:
明顯很簡單的方法是:單純將兩個由二極管連接的晶體管串聯在一起。
材料:
● 一個1 kΩ電阻
● 兩個小信號NPN晶體管(2N3904或SSM2212)
說明:
麵包板連接如圖7所示。AWG發生器的輸出驅動電阻R1的一端和示波器通道2的2+輸入。Q1的發射極接地。Q1的基極和集電極都連接至Q2的發射極。Q2的基極和集電極連接至R1的另一端和示波器通道2的2–輸入,以及示波器通道1的1+輸入。

圖6.VBE電路。
硬件設置:
波形發生器配置為1 kHz三角波,峰峰值幅度為3 V,偏置為1.5 V。兩個示波器通道均可設置為每格200 mV。
步驟:
配置示波器以捕獲測量的兩個信號的多個周期。確保啟用XY功能。

圖7.VBE麵包板電路。
對於使用示波器的波形圖示例,請參見圖8。

圖8.示波器電壓與電流。
VBE * 2版本2:
第二種方法是使用兩個電阻作為分壓器。由此會產生一個輸出,其值為VBE的小數與Q1的VBE之和。
材料:
● 一個1 kΩ電阻
● 兩個10 kΩ電阻
● 一個5 kΩ可變電阻(如果可行,500 Ω電位器更好)
● 一個小信號NPN晶體管(2N3904或SSM2212)
說明:
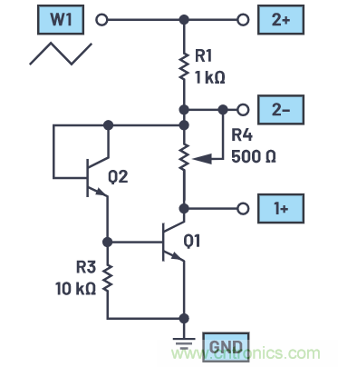
麵包板連接如圖10所示。波形發生器的輸出驅動電阻R1的一端和示波器通道2的2+輸入。Q1的發射極接地。電阻R3連接在Q1的基極和地之間。電阻R2的一端連接至R1的另一端、示波器通道2的2–輸入,以及電位器R4 2–的一端和弧刷。R2的另一端連接到Q1的基極。Q2的集電極連接至R4剩餘的一端,以及示波器通道1的1+輸入。

圖9.VBE乘法器電路版本2。
硬件設置:
波形發生器配置為1 kHz三角波,峰峰值幅度為3 V,偏置為1.5 V。兩個示波器通道均可設置為每格200 mV。
步驟:
先將可變電阻R4設置為最低值(接近0 Ω)。對比版本1,觀察此配置的電壓與電流特性。在晶體管開啟之前,兩個10 kΩ電阻中會有少量額外電流流過。1 mA時的電壓會稍高一些,且曲線斜率較為平緩。
配置示波器以捕獲測量的兩個信號的多個周期。確保啟用XY功能。

圖10.VBE乘法器麵包板電路。
使用示波器的波形圖示例如圖11和圖12所示。

圖11.示波器圖——R4設置至0 Ω。
我們現在來應用零增益放大器概念。現在,調節R4並觀察曲線斜率的變化。R4的值為多少時,曲線近乎垂直?為何該值是實現零增益的正確值?

圖12.示波器圖——R4設置至近100 Ω。
VBE * 2版本3:
在版本2的基礎上做了一點小調整。
材料:
● 一個1 kΩ電阻
● 一個10 kΩ電阻
● 一個5 kΩ可變電阻(如果可行,500 Ω電位器更好)
● 兩個小信號NPN晶體管(2N3904或SSM2212)

圖13.VBE乘法器版本3。

圖14.VBE乘法器麵包板電路版本3。
說明:
麵包板連接如圖14所示。版本3是從版本2演變而來:移除了10 kΩ電阻R2,用由二極管連接的NPN Q2替代,具體如圖所示。
硬件設置:
波形發生器配置為1 kHz三角波,峰峰值幅度為3 V,偏置為1.5 V。兩個示波器通道均可設置為每格200 mV。
步驟:
和之前一樣,先將可變電阻R4設置為最低值(接近0 Ω)。對比版本2,觀察此配置的電壓與電流特性。在Q1開啟之後,直至Q1和Q2都開啟之前,10 kΩ電阻中會有少量額外電流流過。1 mA時的電壓會稍低一些,且曲線斜率更陡峭—更接近版本1。
配置示波器以捕獲測量的兩個信號的多個周期。確保啟用XY功能。
使用示波器的波形圖示例如圖15和圖16所示。

圖15.示波器圖——R4設置至0 Ω。
我們再次來應用零增益放大器概念。現在,調節R4並觀察曲線斜率的變化。R4的值為多少時,曲線近乎垂直?為何該值是實現零增益的正確值?

圖16.示波器圖——R4設置至40 Ω。
問題:
如何調整版本2(圖9)中R2和R4的值,以獲取穩定的1.0 V輸出?
您可以在 學子專區博客上找到問題答案。
免責聲明:本文為轉載文章,轉載此文目的在於傳遞更多信息,版權歸原作者所有。本文所用視頻、圖片、文字如涉及作品版權問題,請聯係小編進行處理。
推薦閱讀:
特別推薦
- 噪聲中提取真值!瑞盟科技推出MSA2240電流檢測芯片賦能多元高端測量場景
- 10MHz高頻運行!氮矽科技發布集成驅動GaN芯片,助力電源能效再攀新高
- 失真度僅0.002%!力芯微推出超低內阻、超低失真4PST模擬開關
- 一“芯”雙電!聖邦微電子發布雙輸出電源芯片,簡化AFE與音頻設計
- 一機適配萬端:金升陽推出1200W可編程電源,賦能高端裝備製造
技術文章更多>>
- 一秒檢測,成本降至萬分之一,光引科技把幾十萬的台式光譜儀“搬”到了手腕上
- AI服務器電源機櫃Power Rack HVDC MW級測試方案
- 突破工藝邊界,奎芯科技LPDDR5X IP矽驗證通過,速率達9600Mbps
- 通過直接、準確、自動測量超低範圍的氯殘留來推動反滲透膜保護
- 從技術研發到規模量產:恩智浦第三代成像雷達平台,賦能下一代自動駕駛!
技術白皮書下載更多>>
- 車規與基於V2X的車輛協同主動避撞技術展望
- 數字隔離助力新能源汽車安全隔離的新挑戰
- 汽車模塊拋負載的解決方案
- 車用連接器的安全創新應用
- Melexis Actuators Business Unit
- Position / Current Sensors - Triaxis Hall
熱門搜索
按鈕開關
白色家電
保護器件
保險絲管
北鬥定位
北高智
貝能科技
背板連接器
背光器件
編碼器型號
便攜產品
便攜醫療
變容二極管
變壓器
檳城電子
並網
撥動開關
玻璃釉電容
剝線機
薄膜電容
薄膜電阻
薄膜開關
捕魚器
步進電機
測力傳感器
測試測量
測試設備
拆解
場效應管
超霸科技



