更輕鬆應對電子項目的實用技巧
發布時間:2021-01-12 來源:Anne Mahaffey 責任編輯:wenwei
【導讀】距離我參加第一堂入門級電路課似乎沒多長時間(其實已經很久了)。我發現電路理論非常有趣,也有些乏味,有些令人沮喪。但當我在試驗板上構建第一個電路時,就被深深地吸引了。
很快,電子實驗室便成了我最喜歡的課——雖(sui)然(ran)我(wo)需(xu)要(yao)花(hua)費(fei)數(shu)小(xiao)時(shi),彎(wan)腰(yao)坐(zuo)在(zai)一(yi)堆(dui)蛛(zhu)網(wang)式(shi)電(dian)線(xian)前(qian),跟(gen)蹤(zong)和(he)探(tan)測(ce)每(mei)個(ge)電(dian)源(yuan)和(he)接(jie)地(di)連(lian)接(jie)以(yi)及(ji)每(mei)個(ge)信(xin)號(hao)節(jie)點(dian),隻(zhi)是(shi)為(wei)了(le)發(fa)現(xian)自(zi)己(ji)試(shi)驗(yan)版(ban)中(zhong)的(de)缺(que)陷(xian)。我(wo) 非常喜歡電路故障排查,所以我自願擔任電子實驗室的助教。
專業技術提示:如果用完美修剪後的電線鋪設在試驗板上,構建整潔的電路(如圖1,而非圖2所示),電路故障排查會更容易。

圖1. 無焊試驗板上極其整潔的電路。照片提供者:佐治亞理工學院電氣與計算機工程數字設計實驗室的Kevin Johnson。

圖2. 無焊試驗板上的電線這樣鋪設,您一定會後悔!照片提供者:佐治亞理工學院電氣與計算機工程數字設計實驗室的Kevin Johnson。
但這些並沒能為我提供高級項目所需的知識和技能。我們需要製作一輛(微型)自動駕駛汽車,聽起來並不難,但我的團隊決定用"僅模擬"電路來實施(非常感謝團隊中某位精通控製理論的 成員)。雖然我們唯一能夠成功實施的功能是"撞牆前停車", 但至少比那些嚐試用微控製器構建汽車的團隊有進步。
由you於yu幾ji乎hu不bu具ju備bei任ren何he經jing驗yan,我wo們men發fa現xian自zi己ji需xu要yao研yan究jiu設she計ji的de每mei個ge方fang麵mian。用yong哪na種zhong傳chuan感gan器qi來lai感gan測ce汽qi車che是shi否fou正zheng在zai靠kao近jin牆qiang?如ru何he購gou買mai這zhe種zhong傳chuan感gan器qi?購gou買mai後hou又you該gai怎zen麼me安an裝zhuang?如ru何he解jie釋shi輸shu出chu信xin號hao?我wo在zai電dian子zi實shi驗yan室shi的de經jing驗yan並bing不bu如ru預yu期qi的de那na麼me有you用yong。
當時可能有大量資源可以幫助我完成這個項目,但我知之甚少(那是互聯網的早期階段,而我還是名學生)。多年以來,我收集了許多可以搜索資源的地方,每次開始新項目前都會去看看,有些地方或許對您的項目也有幫助。
如果您希望了解電路試驗板試驗和原型製作方麵的入門技巧,請查看11月份的學子專區文章。
從Analog.com獲取樣片
首先談談免費資源——ADI公司的免費樣片計劃。您可以導航到產品頁麵,然後向下滾動到樣片和購買來申請樣片。如果器件提供樣片(再強調一下,這是免費的),您將在從ADI訂購列中看到一個樣片按鈕:

圖3. 可申請樣片的ADI公司產品頁麵。
請訪問上方鏈接,了解所有詳細信息——您需要注冊myAnalog帳戶才能申請樣片。另外,注冊帳戶時,請務必使用您的大學電子郵件地址——您無法使用Gmail或Yahoo Mail等免費電子郵件帳戶來申請樣片。
在線搜索和訂購器件
對於試驗板試驗,推薦采用DIP封裝(雙列直插式封裝)。如果您發現采用DIP封裝的試驗板可以購買,但不提供樣片,該怎麼辦?您可以選擇從Digi-Key、Mouser等供應商處購買該器件。我最喜歡的器件搜索引擎之一是Octopart——例如,在Octopart搜索采用DIP封裝的10kΩAD5206電位計:https://octopart.com/search?q=AD5206&specs.resistance.value=10000&start=0&specs.case_package.value=DIP

圖4. 常見的電子器件供應商網頁。以Octopart為例。
AD5206是一款數控電位器,適用於很多項目。但我無法從analog.com/cn獲取采用DIP封裝的免費樣片。可以根據成本從Octopart中列出的供應商中選擇一家購買。
無論是通過Octopart,還是直接在供應商網站上查看,請務必注意MOQ(最小可訂購數量)。通常情況下,同一器件可以多種庫存單位銷售,唯一的區別就是最小數量。
找不到適合我試驗板的DIP器件
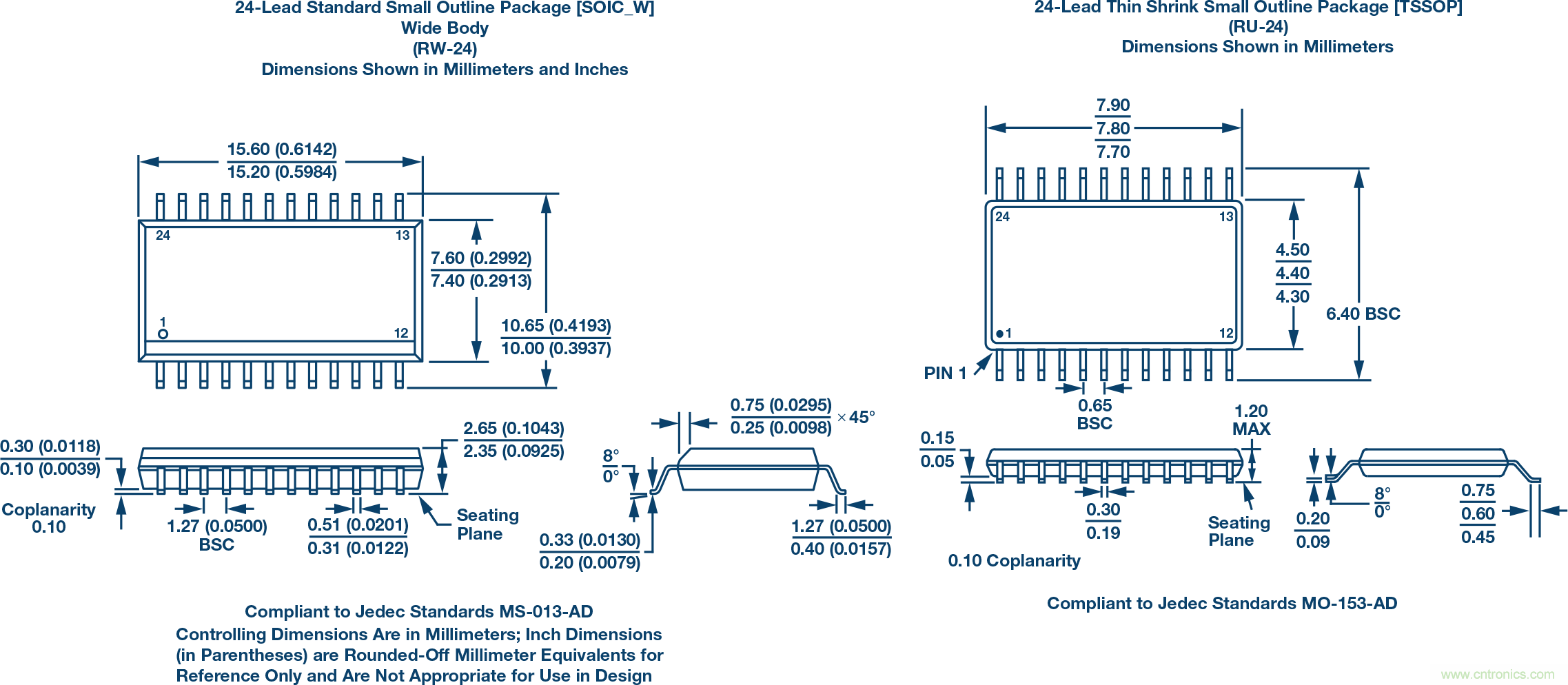
不如在進行過試驗板試驗的電路中嚐試SOIC(或其他封裝)器件。例如,采用其他封裝(特別是SOIC和TSSOP)的AD5206可以提供免費樣片,如圖5所示。

圖5. 適用於AD5206數字電位器的SOIC和TSSOP封裝選項。
對於使用不太支持試驗板的SOIC器件進行的試驗板試驗,SOIC轉DIP分線板非常適合——隻要您會焊接或找人教您即可。
我通常在sparkfun.com 和 adafruit.com上查看分線板和電路教程。這兩個網站都有SOIC轉DIP適配器——隻需在網站搜索欄中搜索"SOIC"即可。例如:
● https://www.adafruit.com/products/1208
● https://www.sparkfun.com/products/496
(另外,在這種情況下,Adafruit分線更加靈活易用——超長焊盤可以容納多種SOIC封裝,並使焊接變得更容易一點。)
我不知道如何焊接
還是建議您前往Sparkfun和Adafruit網站。這兩個網站上提供非常詳細的書麵教程以及視頻。例如,如果您要將SOIC焊接到SOIC轉DIP分線,那麼您需要了解一些表麵貼裝技術,網址如下:
● https://learn.adafruit.com/adafruit-guide-excellent-soldering/surface-mount?view=all
● https://www.sparkfun.com/tutorials/category/2
如果您要構建具有通孔元件的器件,請訪問以下網址:
● https://learn.sparkfun.com/tutorials/how-to-solder---through-hole-soldering
● https://learn.adafruit.com/collins-lab-soldering/video?view=all
焊接需要時間去學習——實shi踐jian會hui讓rang您nin變bian得de更geng加jia擅shan長chang。如ru果guo有you合he適shi的de設she備bei,焊han接jie就jiu會hui更geng加jia容rong易yi。全quan部bu購gou買mai可ke能neng非fei常chang昂ang貴gui,所suo以yi要yao盡jin力li為wei您nin可ke使shi用yong的de設she備bei找zhao到dao創chuang客ke空kong間jian或huo實shi驗yan室shi。老lao虎hu鉗qian、燈、放大鏡和夾取效果出色的鑷子等工具對您焊接項目的結果影響極大。盡量準備好優質焊鐵。前文提到的所有教程都有類似推薦建議。
如果這是您第一次閱讀學子專區,請在《模擬對話》檔案中查找以前的專欄。另外,如果您想收到《模擬對話》的電子郵件,請務必在myAnalog帳戶設置的管理更新 > 我的快訊部分訂閱。

圖6. MyAnalog帳戶入門指南。
最後是電路測驗
繼續我們刺激思維過程的傳統,本月的測驗如圖7所示。在EngineerZone®中文技術論壇的學子專區部分查看答案。

圖7. 測驗:確定1 mA電流源兩端的源電壓。
免責聲明:本文為轉載文章,轉載此文目的在於傳遞更多信息,版權歸原作者所有。本文所用視頻、圖片、文字如涉及作品版權問題,請聯係小編進行處理。
推薦閱讀:
特別推薦
- 噪聲中提取真值!瑞盟科技推出MSA2240電流檢測芯片賦能多元高端測量場景
- 10MHz高頻運行!氮矽科技發布集成驅動GaN芯片,助力電源能效再攀新高
- 失真度僅0.002%!力芯微推出超低內阻、超低失真4PST模擬開關
- 一“芯”雙電!聖邦微電子發布雙輸出電源芯片,簡化AFE與音頻設計
- 一機適配萬端:金升陽推出1200W可編程電源,賦能高端裝備製造
技術文章更多>>
- 從機械執行到智能互動:移遠Q-Robotbox助力具身智能加速落地
- 品英Pickering將亮相2026航空電子國際論壇,展示航電與電池測試前沿方案
- 模擬芯片設計師的噩夢:晶體管差1毫伏就廢了,溫度升1度特性全飄
- 3A大電流僅需3x1.6mm?意法半導體DCP3603重新定義電源設計
- 芯科科技Tech Talks與藍牙亞洲大會聯動,線上線下賦能物聯網創新
技術白皮書下載更多>>
- 車規與基於V2X的車輛協同主動避撞技術展望
- 數字隔離助力新能源汽車安全隔離的新挑戰
- 汽車模塊拋負載的解決方案
- 車用連接器的安全創新應用
- Melexis Actuators Business Unit
- Position / Current Sensors - Triaxis Hall
熱門搜索
按鈕開關
白色家電
保護器件
保險絲管
北鬥定位
北高智
貝能科技
背板連接器
背光器件
編碼器型號
便攜產品
便攜醫療
變容二極管
變壓器
檳城電子
並網
撥動開關
玻璃釉電容
剝線機
薄膜電容
薄膜電阻
薄膜開關
捕魚器
步進電機
測力傳感器
測試測量
測試設備
拆解
場效應管
超霸科技




