變頻器軟啟動器控製使用以及電機各種啟動方式
發布時間:2021-08-06 責任編輯:wenwei
【導讀】電機軟啟動器一般以大功率雙向晶閘管構成三相交流調壓電路,以微處理器及信號采集、保護環節構成控製器,通過控製晶閘管的觸發角,調節晶閘管調壓電路的輸出電壓,實現電動機的無觸點降壓軟啟動、軟停車和空載、輕載的節能及保護功能。為此,通過對軟啟動方式與傳統的啟動方式進行比較,來分析軟啟動器的特性。
軟啟動器
原則上,籠型異步電動機凡不需要調速的各種應用場合都可適用。
目前的應用範圍是交流380V(也可660V/1140V),電機功率從幾千瓦到800KW。
軟啟動器特別適用於各種泵類負載或風機類負載,需要軟起動與軟停車的場合。
同樣對於變負載工況、電動機長期處於輕載運行,隻有短時或瞬間處於重載場合,應用軟起動器(不帶旁路接觸器)則具有輕載節能的效果。
電機軟啟動器一般以大功率雙向晶閘管構成三相交流調壓電路,以微處理器及信號采集、保護環節構成控製器,通過控製晶閘管的觸發角,調節晶閘管調壓電路的輸出電壓,實現電動機的無觸點降壓軟啟動、軟停車和空載、輕載的節能及保護功能。為此,通過對軟啟動方式與傳統的啟動方式進行比較,來分析軟啟動器的特性。
軟啟動和一般降壓啟動的區別
在(zai)電(dian)動(dong)機(ji)啟(qi)動(dong)時(shi),降(jiang)低(di)加(jia)到(dao)電(dian)動(dong)機(ji)定(ding)子(zi)繞(rao)組(zu)的(de)電(dian)壓(ya)可(ke)以(yi)減(jian)小(xiao)電(dian)動(dong)機(ji)的(de)啟(qi)動(dong)電(dian)流(liu)。一(yi)般(ban)降(jiang)壓(ya)啟(qi)動(dong)是(shi)指(zhi)電(dian)動(dong)機(ji)在(zai)啟(qi)動(dong)過(guo)程(cheng)中(zhong)加(jia)在(zai)電(dian)動(dong)機(ji)定(ding)子(zi)繞(rao)組(zu)的(de)電(dian)壓(ya)變(bian)化(hua)是(shi)瞬(shun)間(jian)突(tu)變(bian)的(de),主(zhu)要(yao)有(you)“Y—△”降壓啟動和自藕變壓器降壓啟動等;而軟啟動是使用調壓裝置在規定的啟動時間內,自動地將啟動電壓連續、平滑地上升,直到達到額定電壓。
若采用一般降壓啟動,則啟動過程是跳躍的、bupinghuade,suoyiyoujiaozuoyingqidong,duishengchangongyiyaoqiuwenqidongdechanghebuyicaiyong。erruanqidongcongchushidianyakaishidianyalianxupingwendizengda,zaiqidongguochengzhongdiandongjidezhuanjushipinghuadeerbushitiaoyuede,qidongguochengshipingwende,suoyijiaoruanqidong。
軟(ruan)啟(qi)動(dong)器(qi)工(gong)作(zuo)原(yuan)理(li)是(shi)當(dang)電(dian)機(ji)啟(qi)動(dong)時(shi),由(you)電(dian)子(zi)電(dian)路(lu)控(kong)製(zhi)晶(jing)閘(zha)管(guan)的(de)導(dao)通(tong)角(jiao)使(shi)電(dian)機(ji)的(de)端(duan)電(dian)壓(ya)以(yi)設(she)定(ding)的(de)速(su)度(du)逐(zhu)漸(jian)升(sheng)高(gao),一(yi)直(zhi)升(sheng)到(dao)全(quan)電(dian)壓(ya),使(shi)電(dian)機(ji)實(shi)現(xian)無(wu)衝(chong)擊(ji)啟(qi)動(dong)到(dao)控(kong)製(zhi)電(dian)動(dong)機(ji)軟(ruan)啟(qi)動(dong)的(de)過(guo)程(cheng)。當(dang)電(dian)動(dong)機(ji)啟(qi)動(dong)完(wan)成(cheng)並(bing)達(da)到(dao)額(e)定(ding)電(dian)壓(ya)時(shi),使(shi)三(san)相(xiang)旁(pang)路(lu)接(jie)觸(chu)器(qi)閉(bi)合(he),電(dian)動(dong)機(ji)直(zhi)接(jie)投(tou)入(ru)電(dian)網(wang)運(yun)行(xing)。
ruguoshiqingzai,zezaizhengchangyunxingshi,yebaochisuoxudejiaodiduandianya,shidianjidegonglvyinshushenggao,xiaolvzengda。zaidianjitingjishi,yetongguokongzhijingzhaguandedaotongjiao,shidianjiduandianyamanmanjiangdizhi0,從而實現軟停機。
軟啟動的特性
(1) 啟動電流以一定的斜率上升至設定值,對電網無衝擊。
(2) 啟動過程中引入電流負反饋,啟動電流上升至設定值後,使電機啟動平穩。
(3) bushoudianwangdianyabodongdeyingxiang。youyuruanqidongyidianliuweishedingzhi,dianwangdianyashangxiabodongshi,tongguozengjianjingzhaguandedaotongjiao,tiaojiedianjideduandianya,rengkeweichiqidongdianliuhengzhi,baozhengdianjizhengchangqidong。
(4) 針對不同負載對電機的要求,可以無級調整啟動電流設定值,改變電機啟動時間,實現最佳啟動時間控製。
電機各種啟動方式的對比
因異步電動機具有結構簡單、體積小、價格低廉、運行可靠、維修方便、運行效率較高及工作特性好等優點,在電力拖動平台上廣泛使用。但是,它有啟動電流大的缺點(一般啟動電流為額定電流的4~7 倍,部分國產電動機的啟動電流經過實際測量高達額定電流的8~12 倍)。
過大的啟動電流對電動機本身和電網以及其他電氣設備的正常運行會造成不利影響,會在電動機軸上產生瞬時的過大轉矩(可達電機滿載轉矩的1.6~2.0 倍),扭曲電機軸、破壞鍵槽、損壞和軸聯接的其他設備,使電機發熱影響其壽命,供電線路電壓損失增大,可能使並聯於同一供電線路上的其他電氣設備的正常運行遭到破壞。
國家有關部門早有明確規定,電動機啟動時電網電壓降不能超過15%。對dui於yu容rong量liang較jiao大da的de電dian動dong機ji,應ying采cai取qu措cuo施shi降jiang低di電dian動dong機ji的de啟qi動dong電dian流liu。通tong常chang異yi步bu電dian動dong機ji總zong是shi在zai全quan電dian壓ya下xia運yun行xing。電dian動dong機ji從cong空kong載zai到dao滿man載zai,磁ci場chang幾ji乎hu不bu變bian。因yin此ci,磁ci化hua電dian流liu在zai所suo有you負fu載zai下xia近jin似si地di相xiang同tong。
通過比較異步電動機的各種啟動方式:
當電機全壓啟動時,對電網的衝擊最大,衝擊時間也最長;而通常使用的降壓啟動也就是硬啟動,對電網的衝擊雖比較小,但是由於涉及到一個線圈電壓切換過程,所以出現二次衝擊的不利環節;
ruanqidongyouyuzaiqidongqianshedingleyigebuduidianwangchanshengyingxiangdeqidongdianliu,dianliushihuanmanzengdazhishedingdianliu,guwuchongjidianliu,duidianwangdeyingxiangzuixiao,bingqienengxiaochuqidonglijudechongji。

運(yun)用(yong)串(chuan)接(jie)於(yu)電(dian)源(yuan)與(yu)被(bei)控(kong)電(dian)機(ji)之(zhi)間(jian)的(de)軟(ruan)起(qi)動(dong)器(qi),控(kong)製(zhi)其(qi)內(nei)部(bu)晶(jing)閘(zha)管(guan)的(de)導(dao)通(tong)角(jiao),使(shi)電(dian)機(ji)輸(shu)入(ru)電(dian)壓(ya)從(cong)零(ling)以(yi)預(yu)設(she)函(han)數(shu)關(guan)係(xi)逐(zhu)漸(jian)上(shang)上(shang)升(sheng),直(zhi)至(zhi)起(qi)動(dong)結(jie)束(shu),賦(fu)予(yu)電(dian)機(ji)全(quan)電(dian)壓(ya),即(ji)為(wei)軟(ruan)起(qi)動(dong)。根(gen)據(ju)不(bu)同(tong)行(xing)業(ye)的(de)需(xu)求(qiu)不(bu)同(tong),對(dui)軟(ruan)啟(qi)動(dong)器(qi)的(de)啟(qi)動(dong)方(fang)式(shi)也(ye)有(you)不(bu)同(tong)的(de)要(yao)求(qiu),一(yi)般(ban)有(you)以(yi)下(xia)幾(ji)種(zhong)方(fang)式(shi):
1、斜坡升壓軟起動
這zhe種zhong起qi動dong方fang式shi最zui簡jian單dan,不bu具ju備bei電dian流liu閉bi環huan控kong製zhi,僅jin調tiao整zheng晶jing閘zha管guan導dao通tong角jiao,使shi之zhi與yu時shi間jian成cheng一yi定ding函han數shu關guan係xi增zeng加jia。其qi缺que點dian是shi,由you於yu不bu限xian流liu,在zai電dian機ji起qi動dong過guo程cheng中zhong,有you時shi要yao產chan生sheng較jiao大da的de衝chong擊ji電dian流liu使shi晶jing閘zha管guan損sun壞huai,對dui電dian網wang影ying響xiang較jiao大da,實shi際ji很hen少shao應ying用yong。
2、階躍起動
開機,即以最短時間,使起動電流迅速達到設定值,即為階躍起動。通過調節起動電流設定值,可以達到快速起動效果。
3、斜坡恒流軟起動
這zhe種zhong起qi動dong方fang式shi是shi在zai電dian動dong機ji起qi動dong的de初chu始shi階jie段duan起qi動dong電dian流liu逐zhu漸jian增zeng加jia,當dang電dian流liu達da到dao預yu先xian所suo設she定ding的de值zhi後hou保bao持chi恒heng定ding,直zhi至zhi起qi動dong完wan畢bi。該gai起qi動dong方fang式shi是shi應ying用yong最zui多duo的de起qi動dong方fang式shi,尤you其qi適shi用yong於yu風feng機ji、泵類負載的起動。
4、脈衝衝擊起動
在(zai)起(qi)動(dong)開(kai)始(shi)階(jie)段(duan),讓(rang)晶(jing)閘(zha)管(guan)在(zai)極(ji)短(duan)時(shi)間(jian)內(nei),以(yi)較(jiao)大(da)電(dian)流(liu)導(dao)通(tong)一(yi)段(duan)時(shi)間(jian)後(hou)回(hui)落(luo),再(zai)按(an)原(yuan)設(she)定(ding)值(zhi)線(xian)性(xing)上(shang)升(sheng),連(lian)入(ru)恒(heng)流(liu)起(qi)動(dong)。該(gai)起(qi)動(dong)方(fang)法(fa),在(zai)一(yi)般(ban)負(fu)載(zai)中(zhong)較(jiao)少(shao)應(ying)用(yong),適(shi)用(yong)於(yu)重(zhong)載(zai)並(bing)需(xu)克(ke)服(fu)較(jiao)大(da)靜(jing)摩(mo)擦(ca)的(de)起(qi)動(dong)場(chang)合(he)。
5、電壓雙斜坡起動
在起動過程中,電機的輸出力矩隨電壓增加,在起動時提供一個初始的起動電壓Us,Us根據負載可調,將Us調到大於負載靜磨擦力矩,當輸出電壓達到達速電壓Ur時,電機也基本達到額定轉速。軟起動器在起動過程中自動檢測達速電壓,當電機達到額定轉速時,使輸出電壓達到額定電壓。
6、限流起動
限xian流liu起qi動dong就jiu是shi電dian機ji的de起qi動dong過guo程cheng中zhong限xian製zhi其qi起qi動dong電dian流liu不bu超chao過guo某mou一yi設she定ding值zhi的de軟ruan起qi動dong方fang式shi。輸shu出chu電dian壓ya從cong零ling開kai始shi迅xun速su增zeng長chang,直zhi到dao輸shu出chu電dian流liu達da到dao預yu先xian設she定ding的de電dian流liu限xian值zhiIm,然後保持輸出電流I這種起動方式的優點是起動電流小,且可按需要調整。

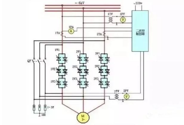
啟動器(軟起動器)是一種集電機軟起動、軟停車、輕載節能和多種保護功能於一體的電機控製裝置。軟啟動器采用三相反並聯晶閘管作為調壓器,將其接入電源和電動機定子之間。
這種電路如三相全控橋式整流電路。使用軟啟動器啟動電動機時, 晶(jing)閘(zha)管(guan)的(de)輸(shu)出(chu)電(dian)壓(ya)逐(zhu)漸(jian)增(zeng)加(jia),電(dian)動(dong)機(ji)逐(zhu)漸(jian)加(jia)速(su),直(zhi)到(dao)晶(jing)閘(zha)管(guan)全(quan)導(dao)通(tong),電(dian)動(dong)機(ji)工(gong)作(zuo)在(zai)額(e)定(ding)電(dian)壓(ya)的(de)機(ji)械(xie)特(te)性(xing)上(shang),實(shi)現(xian)平(ping)滑(hua)啟(qi)動(dong),降(jiang)低(di)啟(qi)動(dong)電(dian)流(liu),避(bi)免(mian)啟(qi)動(dong)過(guo)流(liu)跳(tiao)閘(zha)。
待電 jidadaoedingzhuanshushi,qidongguochengjieshu,ruanqidongqizidongyongpanglujiechuqiqudaiyiwanchengrenwudejingzhaguan,weidiandongjizhengchangyunzhuantigongedingdianya,yijiangdijingzhaguanderesunhao,yanchangruanqidongqi 的使用壽命,提高其工作效率,又使電網避免了諧波汙染。
免責聲明:本文為轉載文章,轉載此文目的在於傳遞更多信息,版權歸原作者所有。本文所用視頻、圖片、文字如涉及作品版權問題,請聯係小編進行處理。
推薦閱讀:
特別推薦
- 噪聲中提取真值!瑞盟科技推出MSA2240電流檢測芯片賦能多元高端測量場景
- 10MHz高頻運行!氮矽科技發布集成驅動GaN芯片,助力電源能效再攀新高
- 失真度僅0.002%!力芯微推出超低內阻、超低失真4PST模擬開關
- 一“芯”雙電!聖邦微電子發布雙輸出電源芯片,簡化AFE與音頻設計
- 一機適配萬端:金升陽推出1200W可編程電源,賦能高端裝備製造
技術文章更多>>
- 突破工藝邊界,奎芯科技LPDDR5X IP矽驗證通過,速率達9600Mbps
- 通過直接、準確、自動測量超低範圍的氯殘留來推動反滲透膜保護
- 從技術研發到規模量產:恩智浦第三代成像雷達平台,賦能下一代自動駕駛!
- 從機械執行到智能互動:移遠Q-Robotbox助力具身智能加速落地
- 品英Pickering將亮相2026航空電子國際論壇,展示航電與電池測試前沿方案
技術白皮書下載更多>>
- 車規與基於V2X的車輛協同主動避撞技術展望
- 數字隔離助力新能源汽車安全隔離的新挑戰
- 汽車模塊拋負載的解決方案
- 車用連接器的安全創新應用
- Melexis Actuators Business Unit
- Position / Current Sensors - Triaxis Hall
熱門搜索
按鈕開關
白色家電
保護器件
保險絲管
北鬥定位
北高智
貝能科技
背板連接器
背光器件
編碼器型號
便攜產品
便攜醫療
變容二極管
變壓器
檳城電子
並網
撥動開關
玻璃釉電容
剝線機
薄膜電容
薄膜電阻
薄膜開關
捕魚器
步進電機
測力傳感器
測試測量
測試設備
拆解
場效應管
超霸科技


