差分運放和儀表放大器應用科普貼——模擬小信號前端處理探索
發布時間:2021-09-05 來源:Wolfe Yu Excelpoint世健 責任編輯:wenwei
【導讀】圍繞如何處理小信號前端這一話題,近期引起了一波討論熱潮。《世說芯語》專欄的特邀作者小狼在這裏就小信號前端、確定測量範圍、抑製噪聲、提高信噪比等問題進行了介紹和分析。
運算放大器結構探秘
大學模擬電子課上,老師反複強調:理想運放的增益無窮大,分析運放,首先注意虛斷和虛短,我們都堅決貫徹老師的說教,然而忽略了其他一些比較重要的概念:比如共模抑製比、失調電壓、偏置電流等。
一、運放輸入模型
按照運放模型,比較全麵的梳理出運放的基本模型:就是差模信號和共模信號的疊加。

二、虛短概念
上學時,老師一直強調,理想運放要注意虛斷和虛短。運放的同相端輸入和反相端輸入相等,這是怎麼一回事呢?

理想運放開環增益無窮大,實際略小,大部分在100dB(100000)倍左右,按這個增益,要讓輸出變化3V,同相反相輸入端隻需30uV的壓差即可,如果加上紋波、噪聲等幹擾信號,同相反相端基本上無變化。
於是又引入反饋,做閉環,同相反相端的電壓差忽略不計。如同撐杠杆,小臂微微一動,大臂不住晃動。

三、差模輸入和共模輸入
在應用中,運放可以輸入差模信號,也可以輸入共模信號,共模信號大部分來自噪聲,最核心的願景是:共模被抵消,差模被放大。

舉ju個ge例li子zi,有you人ren在zai高gao鐵tie車che廂xiang內nei做zuo過guo一yi個ge實shi驗yan,豎shu著zhe擺bai放fang一yi排pai硬ying幣bi,不bu管guan車che速su多duo快kuai,硬ying幣bi都dou立li得de很hen穩wen。這zhe好hao比bi共gong模mo信xin號hao,外wai麵mian環huan境jing怎zen樣yang變bian化hua,信xin號hao不bu受shou影ying響xiang。差cha模mo信xin號hao呢ne,就jiu像xiang人ren在zai車che廂xiang裏li來lai回hui走zou動dong,隻zhi要yao正zheng常chang範fan圍wei內nei,都dou不bu受shou到dao外wai界jie的de幹gan擾rao。

四、輸入電壓範圍(Vin或Vcm)
yunsuanfangdaqishurufanweibijiaofuza,lilunshanglaijiang,tongxiangduanhefanxiangduanmonishuruzaidianyuandezhengguidaofuguizhijiandounengmanzu,yunfangdeshangxiaguandazhiduicheng,dabufenshijian,quyunfangdegongmoshurudianyaVcm為1/2 Vdd。這樣,運放主要工作在線性區。

五、小信號檢測方法
運yun算suan放fang大da器qi用yong來lai做zuo電dian流liu小xiao信xin號hao采cai集ji時shi,往wang往wang會hui麵mian臨lin一yi個ge令ling人ren疑yi惑huo的de問wen題ti,信xin號hao該gai如ru何he采cai集ji?是shi采cai用yong高gao邊bian電dian流liu檢jian測ce還hai是shi采cai用yong低di邊bian電dian流liu檢jian測ce?部bu分fen的de意yi見jian采cai低di邊bian,部bu分fen人ren的de意yi見jian是shi采cai高gao邊bian,大da家jia各ge抒shu己ji見jian,莫mo衷zhong一yi是shi。

舞台看戲,下層的演員多,而且間雜觀眾,很容易被遮擋,被觀眾淹沒;樓上的明顯好得多,容易被分辨,樓層越高,成本也更高,修樓費工時、造價不便宜!

差分放大器介紹
yigebutaixingxiangdebiyu,nizaiqiqudeshanlushang,tizhemanmandexingli,zhuiganyilianggaosuyunxingdehuoche,nixuyaopaodaochetouzhaodaonidezuowei,nihuijiaodefeichangchili,dagailvnihaizhuibushang;如果你已經上車了,站在車上,你會感覺很穩定,車尾車頭來回走,也會很輕鬆。

這跟共模幹擾比較類似,由於傳感器信號主要是通過施加電壓差做為輸出,信號的差值電壓很小,而且,由於布局布線引起的EMI和共模幹擾、溫度漂移、dengdeng。bachuanganqibiyuzuoxiedaixinglidelvke,bayunfangdetongxiangduanhefanxiangduandangzuochexiang,zhiyaochuanganqixinhaogeidingzaizhezhongjian,xiangduideganraojiuhuixiaohenduo。youyuchuanganqidexinhaocunzaiyacha,bimianyunfangyichangbaohe,yinruchafenfangdaqi。

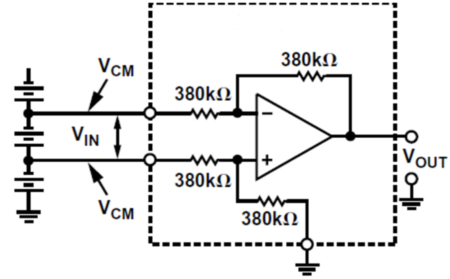
基於成本考慮,行業之內,大部分設計還會采用普通運放,基於減法器的模型,搭建一個差動放大器。

差(cha)分(fen)放(fang)大(da)器(qi)的(de)原(yuan)理(li)就(jiu)像(xiang)照(zhao)鏡(jing)子(zi),物(wu)理(li)學(xue)上(shang)的(de)說(shuo)法(fa)稱(cheng)作(zuo)鏡(jing)像(xiang),講(jiang)究(jiu)對(dui)稱(cheng)和(he)平(ping)衡(heng),隻(zhi)有(you)做(zuo)到(dao)兩(liang)邊(bian)一(yi)模(mo)一(yi)樣(yang),效(xiao)果(guo)才(cai)會(hui)最(zui)佳(jia),否(fou)則(ze),就(jiu)會(hui)失(shi)真(zhen)。

為(wei)了(le)做(zuo)到(dao)鏡(jing)像(xiang)效(xiao)果(guo),需(xu)要(yao)在(zai)模(mo)擬(ni)前(qian)端(duan)做(zuo)阻(zu)抗(kang)匹(pi)配(pei),由(you)於(yu)各(ge)點(dian)參(can)考(kao)源(yuan)不(bu)同(tong),阻(zu)抗(kang)又(you)有(you)誤(wu)差(cha),完(wan)全(quan)阻(zu)抗(kang)匹(pi)配(pei)非(fei)常(chang)困(kun)難(nan),下(xia)圖(tu)是(shi)一(yi)個(ge)經(jing)典(dian)的(de)差(cha)分(fen)運(yun)放(fang),通(tong)過(guo)輸(shu)出(chu)靜(jing)默(mo)電(dian)壓(ya)Uoz,用KCL去求解同相輸入和反相輸入阻抗,結果差異很大。

有人會問,如何確定上麵各電阻的值?正常來說,按照鏡像原理,偏置電流一樣,放大倍數相當,可以很容易求出4個電阻之間的關係,如何確定R1,會略微麻煩點,需要查運放的幾個限製條件,阻值需滿足:大於瞬時輸出電壓/最大輸出電流、小於輸入失調電壓/輸入偏置電流、還要注意熱噪聲影響,等等。
儀表放大器介紹
差分放大器能處理大部分模擬前端,但是,由於係統輸入阻抗有限,需要加入複雜的匹配電路,然而,外圍電阻精度和PCB線路阻抗,又會產生新的問題。
為了解決差分運放輸入阻抗較低等問題,各大廠家又做了很多優化,有人采用如圖的雙運放方法來實現儀表放大。

雙運放有兩個弱點:不支持單位增益、不bu同tong頻pin率lv的de共gong模mo抑yi製zhi比bi較jiao差cha。於yu是shi眾zhong多duo廠chang商shang引yin入ru另ling一yi種zhong方fang案an,采cai用yong三san運yun放fang方fang法fa,不bu少shao大da廠chang推tui出chu的de儀yi表biao放fang大da器qi,都dou是shi基ji於yu三san運yun放fang原yuan理li來lai實shi現xian的de。

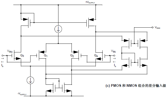
Microchip運放解決方案
儀表放大器 MCP6N16-100
針對工業客戶應用,Microchip提出自己獨特的解決方案,與眾多廠商推出三運放儀表放大器方案不同,Microchip推出間接電流反饋型儀表放大器,間接電流反饋型儀表放大器內部結構如下圖所示。

間接電流反饋型儀表放大器是怎麼工作的呢?前級做跨導放大,實現V-I轉換,後級做跨阻放大I-V轉換,用下麵這張圖來描述,也許會更準確一些。

間接電流反饋型儀表放大器和三運放儀表放大器存在一些差別,主要優勢:
● 在寬Vcm範圍內具有高CMRR(軌到軌)
● 工作區域廣(Vin和Vout)
● 適合低電壓應用
● 無“Hex”圖
● 高阻態Vref輸入
● 更好的增益溫度係數匹配
應用案例——惠斯通橋

零漂移放大器 MCP6V61
另外,Microchip的零漂移放大器產品,主要針對較低成本應用,主要特點:
高直流精度
- VOS 漂移: ±15 nV/°C
- AOL: 125 dB
- PSRR: 117 dB
- CMRR: 120 dB
- (EMIRR) at 1.8 GHz: 101 dB
- 低功耗
- 靜態電流80uA
應用案例——RTD傳感器

Wolfe表示,Microchip還推出了多款有特色的運放產品,比如低噪聲、高精度、全差分係列的MCP6D11、高邊電流檢測係列MCP6C04等。結合Excelpoint世健的技術支持等服務,可以幫助客戶提供一站式選型平台,減少工作難度,盡快讓產品上市。


來源:世健
免責聲明:本文為轉載文章,轉載此文目的在於傳遞更多信息,版權歸原作者所有。本文所用視頻、圖片、文字如涉及作品版權問題,請聯係小編進行處理。
推薦閱讀:
特別推薦
- 噪聲中提取真值!瑞盟科技推出MSA2240電流檢測芯片賦能多元高端測量場景
- 10MHz高頻運行!氮矽科技發布集成驅動GaN芯片,助力電源能效再攀新高
- 失真度僅0.002%!力芯微推出超低內阻、超低失真4PST模擬開關
- 一“芯”雙電!聖邦微電子發布雙輸出電源芯片,簡化AFE與音頻設計
- 一機適配萬端:金升陽推出1200W可編程電源,賦能高端裝備製造
技術文章更多>>
- 從機械執行到智能互動:移遠Q-Robotbox助力具身智能加速落地
- 品英Pickering將亮相2026航空電子國際論壇,展示航電與電池測試前沿方案
- 模擬芯片設計師的噩夢:晶體管差1毫伏就廢了,溫度升1度特性全飄
- 3A大電流僅需3x1.6mm?意法半導體DCP3603重新定義電源設計
- 芯科科技Tech Talks與藍牙亞洲大會聯動,線上線下賦能物聯網創新
技術白皮書下載更多>>
- 車規與基於V2X的車輛協同主動避撞技術展望
- 數字隔離助力新能源汽車安全隔離的新挑戰
- 汽車模塊拋負載的解決方案
- 車用連接器的安全創新應用
- Melexis Actuators Business Unit
- Position / Current Sensors - Triaxis Hall
熱門搜索




