如何用示波器測量電子元器件
發布時間:2011-10-10
中心議題:
- 用示波器測量穩壓管穩壓值
- 用示波器測量熱敏電阻
- 用示波器測量可控矽
- 用示波器測量晶體三極管的特性曲線
本文探討如何使用示波器對穩壓管穩壓值、熱敏電阻、可控矽和晶體三極管的特性曲線進行測量,主要介紹了相應的測試電路和測試方法。
一、 穩壓管穩壓值的測量
穩壓管(也稱齊納二極管)是利用PN結被擊穿時的特性來工作的。在—定ding的de反fan向xiang電dian壓ya下xia,穩wen壓ya二er極ji管guan被bei擊ji穿chuan,擊ji穿chuan後hou它ta的de兩liang端duan電dian壓ya基ji本ben保bao持chi在zai一yi個ge穩wen定ding的de數shu值zhi上shang,此ci時shi若ruo改gai變bian二er極ji管guan中zhong的de電dian流liu大da小xiao,將jiang不bu影ying響xiang二er極ji管guan兩liang端duan的de電dian壓ya,即ji二er極ji管guan的de反fan向xiang擊ji穿chuan電dian壓ya不bu隨sui反fan向xiang電dian流liu的de變bian化hua而er改gai變bian,這zhe就jiu是shi穩wen壓ya二er極ji管guan的de穩wen壓ya特te性xing,測ce試shi電dian路lu如ru圖tu1。

測試方法:將示波器調到正常工作狀態,兩通道的輸入耦合開關置“DC”,分別調整兩個垂直位移(Y1、Y2)旋鈕,使兩基線重合並與靠下部的某一水平刻度線對齊。兩通道的“Y軸衰減”位置應一致。把輸入耦合開關置“DC”位置,調節穩壓電源的輸出電壓,觀察示波器熒屏上UI、U2的變化情況,此時隨著UI的增加,U2也應相應增加。
繼續增加U1,直到U2不再上升為止,然後根據測量直流電壓的方法測出U2的值,即為穩壓二極管的穩壓值VD。
二、 熱敏電阻的測量
熱敏電阻的瞬時電阻值是由該電阻的工作溫度決定的。當溫度上升後其電阻值的變化情況可分為兩種類型:—種為正溫度係數熱敏電阻PTC(隨著溫度上升電阻值增加),—種為負溫度係數熱敏電阻NTC(隨著溫度上升電阻值下降),測試電路如圖2。

測量方法:分別把圖2中的U1、U2接入Yl、Y2通道,調整信號源的輸出電壓幅度,直到屏幕上顯示出滿意的U1、U2正弦波為止。用已被預先加熱的電烙鐵(20W~35W)靠近熱敏電阻,同時觀察U2的變化情況:若U2的幅度上升,說明Rt為正溫度係數熱敏電阻;反之則為負溫度係數熱敏電阻。若隨著溫度的增加或降低U2的變化很靈敏,則說明此熱敏電阻性能良好。
利用上述測試方法,同樣可以進行光敏電阻的測量,隻不過把電烙鐵換成手電筒照射罷了。
三、 可控矽的測試
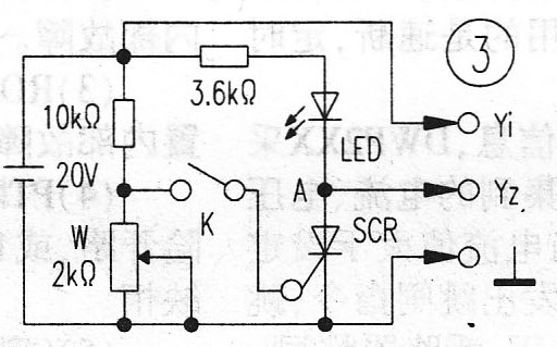
可控矽(又稱晶閘管)是(shi)自(zi)動(dong)控(kong)製(zhi)電(dian)路(lu)中(zhong)經(jing)常(chang)使(shi)用(yong)的(de)器(qi)件(jian),實(shi)質(zhi)上(shang)就(jiu)是(shi)一(yi)個(ge)帶(dai)有(you)控(kong)製(zhi)端(duan)的(de)大(da)功(gong)率(lv)二(er)極(ji)管(guan)。當(dang)控(kong)製(zhi)端(duan)不(bu)加(jia)控(kong)製(zhi)電(dian)壓(ya)時(shi),無(wu)論(lun)二(er)極(ji)管(guan)如(ru)何(he)偏(pian)置(zhi),都(dou)不(bu)會(hui)導(dao)通(tong)的(de),隻(zhi)有(you)對(dui)控(kong)製(zhi)端(duan)施(shi)加(jia)一(yi)定(ding)電(dian)壓(ya),再(zai)利(li)用(yong)示(shi)波(bo)器(qi)測(ce)試(shi),測(ce)試(shi)電(dian)路(lu)見(jian)圖(tu)3。
[page]
測試方法:示波器輸人耦合開關置“DC”擋,Y軸衰減開關置5V/cm。當開關K未閉合時,控製端未加控製電壓,則SCR不導通,回路電流幾乎為零,示波器屏上顯示的A點壓VA≈20V。合上開關K,調節電位器W的阻值(由小到大),直到可控矽導通為止,此時發光二極管LED亮,VA急劇下降(可控矽導通後的VA≈0.7V)。此時斷開開關K,則SCR繼續導通,LED仍亮,屏上顯示的電壓仍保持在0.7V左右,若要SCR截止,隻有切斷電源才行。
雙向可控矽的測試方法可參考上述方法進行。
四、 晶體三極管特性曲線的測量
晶體三極管的放大能力可以用指針式萬用表粗測,也可以通過數字萬用表的hFE裝置測出其放大倍數,但輸入、輸(shu)出(chu)特(te)性(xing)曲(qu)線(xian)則(ze)必(bi)須(xu)通(tong)過(guo)晶(jing)體(ti)管(guan)特(te)性(xing)圖(tu)示(shi)儀(yi)觀(guan)察(cha)。在(zai)沒(mei)有(you)圖(tu)示(shi)儀(yi)的(de)情(qing)況(kuang)下(xia),用(yong)普(pu)通(tong)示(shi)波(bo)器(qi)觀(guan)測(ce)三(san)極(ji)管(guan)的(de)特(te)性(xing)曲(qu)線(xian),也(ye)是(shi)電(dian)子(zi)活(huo)動(dong)愛(ai)好(hao)者(zhe)對(dui)三(san)極(ji)管(guan)放(fang)大(da)倍(bei)數(shu)的(de)變(bian)化(hua)規(gui)律(lv)認(ren)識(shi)方(fang)麵(mian)的(de)一(yi)個(ge)有(you)效(xiao)途(tu)徑(jing)。

測試方法:把圖4連入示波器,從圖中可以看出:X軸通道信號反映了集電極、發射極偏置電壓的大小,Y軸通道的信號反映了該電路中三極管Ic的變化,示波器耦合開關置“DC”擋。斷開1.5V電源,Ib=0,則示波器上出現—條水平亮線。通入1.5V電源,調整100kΩ電位器值的大小,分別使Ib為20uA、40uA、 60uA、 80uA, 則示波器屏幕上將依次掃描出四條曲線,如圖5所示。由此可以很方便地測出該晶體管的直流放大倍數,並從曲線的線性度上判別管子的優劣程度。

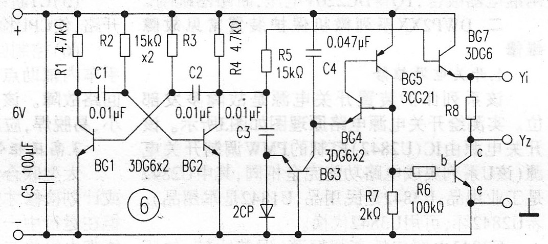
若想更進—步真實、直觀地在示波器上觀測一簇晶體管輸出特性曲線,可用一小塊電路板自行組裝圖6所示電路,使用中把被測管插人c、b、e處,可用直徑合適的裸銅線卷繞成空芯管焊在電路板上,以方便插拔,則屏幕上可顯示出8根電流曲線(也可調整C3、C4值改變曲線根數)。需要提及一點的是,此裝置顯示的特性曲線是由右而左,與晶體管圖示儀正好相反,若感到不合適的話可通過改變X軸的極性使圖像從左向右。

電路圖中的BG1、BG2、R1~R4、C1、C2等組成多諧振蕩器,BG3~BG5、C3、C4等組成階梯波發生器,詳細工作原理讀者可自行分析,這裏就不一一贅述了。
- 噪聲中提取真值!瑞盟科技推出MSA2240電流檢測芯片賦能多元高端測量場景
- 10MHz高頻運行!氮矽科技發布集成驅動GaN芯片,助力電源能效再攀新高
- 失真度僅0.002%!力芯微推出超低內阻、超低失真4PST模擬開關
- 一“芯”雙電!聖邦微電子發布雙輸出電源芯片,簡化AFE與音頻設計
- 一機適配萬端:金升陽推出1200W可編程電源,賦能高端裝備製造
- 築基AI4S:摩爾線程全功能GPU加速中國生命科學自主生態
- 一秒檢測,成本降至萬分之一,光引科技把幾十萬的台式光譜儀“搬”到了手腕上
- AI服務器電源機櫃Power Rack HVDC MW級測試方案
- 突破工藝邊界,奎芯科技LPDDR5X IP矽驗證通過,速率達9600Mbps
- 通過直接、準確、自動測量超低範圍的氯殘留來推動反滲透膜保護
- 車規與基於V2X的車輛協同主動避撞技術展望
- 數字隔離助力新能源汽車安全隔離的新挑戰
- 汽車模塊拋負載的解決方案
- 車用連接器的安全創新應用
- Melexis Actuators Business Unit
- Position / Current Sensors - Triaxis Hall




