可控矽的三大常見應用誤區
發布時間:2012-02-16
中心議題:
- 可控矽觸發電路的設計誤區
- 電感負載的不當應用
- 不可用的無級直流輸出調壓電路
在電子製作中,運用單向或雙向可控矽作為開關、調壓的執行器件是很方便的,而且還可以控製直流、交流電路的負載功率。但是,目前有些電子製作文章中,對可控矽的運用常有謬誤之處。常見的電路設計不當之處大約有以下幾點。
一、觸發電路的問題
若(ruo)欲(yu)使(shi)可(ke)控(kong)矽(gui)觸(chu)發(fa)導(dao)通(tong),除(chu)有(you)足(zu)夠(gou)的(de)觸(chu)發(fa)脈(mai)衝(chong)幅(fu)度(du)和(he)正(zheng)確(que)的(de)極(ji)性(xing)以(yi)外(wai),觸(chu)發(fa)電(dian)路(lu)和(he)可(ke)控(kong)矽(gui)陰(yin)極(ji)之(zhi)間(jian)必(bi)須(xu)有(you)共(gong)同(tong)的(de)參(can)考(kao)點(dian)。有(you)些(xie)電(dian)路(lu)從(cong)表(biao)麵(mian)看(kan),觸(chu)發(fa)脈(mai)衝(chong)被(bei)加(jia)到(dao)可(ke)控(kong)矽(gui)的(de)觸(chu)發(fa)極(ji)G,但可控矽的陰極和觸發信號卻無共同參考點,觸發信號並未加到可控矽的G—K之間,可控矽不可能被觸發。
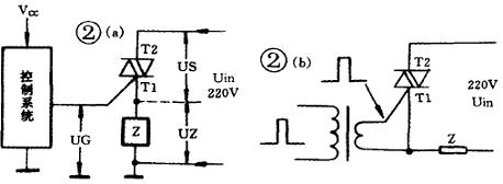
圖1a例為555組成的自動水位控製電路,用於水塔自動保持水位。該文製作者考慮到水井和水塔中的水不能帶市電,故555控製係統用變壓器隔離降壓供電。555第3腳輸出脈衝接入雙向可控矽的G點。由於雙向可控矽T1對控製電路是懸空的,555第3腳輸出脈衝根本不能形成觸發電流,可控矽不可能導通。再者,該電路雖采用隔離市電的低壓供電,但控製電路仍然通過G、T1極與市電相連, 當220V輸入端B為火線時, 井水和水塔供水將代有市電電壓,這是絕不允許的!

正確的方式見圖1b。可控矽與抽水電機組成抽水控製開關,SCR的觸發由T2與G間接入電阻控製。當水位降低時,控製觸點開路,555第3腳輸出高電平(此電路部分省略),使Q導通,繼電器J吸合,SCR觸發導通,電機開始運轉。當水位達到時, 觸點經水接通,555第3腳輸出低電平,Q截止,SCR在交流電過零時截止,抽水停止。

上述電路因設計考慮不周,出現了不該有的低級錯誤。但類似水塔供水控製係統與市電不隔離的設計,卻常出現在電子書刊中。
觸發電路設計不當的第二個例子常見於電子製作稿中,其電路見圖2, 圖中對電路進行簡化。其實, 無論控製係統完成何種控製,無論是單向還是雙向可控矽, 圖2的觸發電路是不能正常工作的。其問題在於,控製係統發出觸發信號UG,其參考點是共地,而可控矽T1或T2的參考點是負載熱端。實際上, 加到可控矽的觸發電壓UG是與負載端電壓UZ相串聯的。雙向可控矽究竟是T1還是T2為觸發參考點,視觸發信號的相對極性來決定的。如按圖2中標注,T1在下,T2在上, 則UG相對於T1必須是正極性的, 且與T1的電壓同參考電位。但無論T1還是T2作參考點, 按圖2的接法,可控矽導通時,UZ常近似等於Uin,如此高電壓加到觸發極G和T1之間, 將立即使觸發極被擊穿,可控矽被損壞。

改進此電路的方法之一是,采用觸發變壓器隔離控製係統的參考點, 觸發信號可以由BT33組成鋸齒波發生器受控於控製係統(矩形波也可以),這樣,不受初級參考點的影響,觸發變壓器次級可直接接在G與T1之間,與負載上電壓無關。
另一簡單改進方法是,將負載電路Z移到圖2的T2與Uin之間。不過,這種用法受到限製,因負載兩端都無法接入任何參考點。
[page]
二、電感負載的應用
近來, 市場上出售一種調光器, 類似某些調光台燈內控製電路,利用控製RC充電時間。通過雙向二極管控製可控矽的導通角,控製負載電路的功率, 實為調功器。這種調功器用於控製白熾燈、電阻加熱器等電阻性負載,要求可控矽耐壓高於交流電的峰值電壓即可。一般台燈調光。常用反壓400V的可控矽,考慮到提高可靠性,600V已足夠。
可控矽用於控製電感負載,譬如電風扇、交流接觸器、youbianyaqidegongdianshebeideng,zebutong。yinweizhezhongyixiangshichufadianlu,kekongguizaijiaoliudianbanzhouchixuqijiandaotong,banzhouguolingqijianjiezhi。dangkekongguidaotongshunjian,jiadaodianganfuzailiangduandianyaweijiaoliudiandeshunshizhi, 有時可能是交流電的最大值。根據電感的特性,其兩端電壓不可能突變,高電壓加到電感的瞬間產生反向自感電勢, fanduiwaijiadianya。waijiadianyadeshangshengquxianyuedou,zigandianshiyuegao,youshishenzhichaoguodianyuandianyaerjichuankekonggui。yinci,kekongguikongzhidianganfuzai,shouxianqinaiyayaogaoyudianyuandianyafengzhi1.5倍以上。此外,可控矽兩電極間還要並聯接入RC尖峰吸收電路。常用10— 30Ω/3W 以上電阻和0.1—0.47uF/600V的無極性電容。
交流調功電路中,可控矽是在交流電過零期間關斷, 從理論上講,關斷時電流變化為零,無感應電壓產生。加入RC尖峰抑製電路,是為了抑製可控矽導通時的自感電勢尖峰。如不加入此電路,不但可控矽極易擊穿,負載電路的電感線圈也會產生匝間、或電機繞組間擊穿,這點是決不能忽視的。
三、該無級直流輸出調壓電路能用嗎?
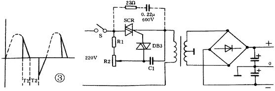
圖3是某電子雜誌刊出的無級直流輸出調壓電路。原作者稱,利用Rc移相網路控製SCR的導通角改變變壓器初級的電流,從而獲得兩路連續可調的2x(0—17V) 的直流輸出電壓,負載電流為800mA 。很明顯,推薦電路(圖3)是普通移相式調功電路和降壓變壓器整流濾波電路的串聯, 從基本原理分析,似乎無大的原則問題。變壓器初級每半周電流有效值隨可控矽導通角變化,次級輸出電壓的峰值、平均電流值都隨之而變。當然,一定負載時輸出整流電壓也必然改變。本人看後,極感興趣,依此原理製作了一台輸出100±40V範圍變化的維修代用直流電源,並依照圖中虛線加入RC吸收回路。實驗時,該電路一接入電源,距此10米遠的電視機屏幕上即出現兩條緩慢移動的黑帶(從鄰居的責問中得知),同時,空載下不到十分鍾,SCRjijichuan。gengbunengrongrendeshi,jiangyabianyaqitiexinfachutuolajiqidongshideshengyin,shineidiandubiaoyefachutongyangdeshengyin,erqie,suizheshuchudianyadetiaodi,shengyingengda。

SCR擊穿後, 本人在市電輸入電路加入RC低通濾波,改用1000V/5A雙向可控矽,變壓器的噪聲和幹擾脈衝幅射沒什麼大的變化,隻是SCR未擊穿。為了不擾鄰,以及快的速度將輸出電壓調到60V, 用電壓表測量次級電壓,盡管負載電流僅100mA,濾波電容為470uF/100V,但萬用表的表針抖動呈虛線狀,可見其紋波大到什麼程度。
冷靜下來後,仔細分析其原因,得出以下結論:經過移相調功之後,變壓器初級電壓已不是正弦波,而是鋸齒波沿陡峭的前沿形成衝擊磁場,使變壓器、diandubiaodengtiexindianganfachuxiangdangdadezaosheng。jinsichuizhishangshengdetubiandianya,zaibianyaqichujidadianganliangduanchanshengjigaodefandianshi,yincijichuankekonggui,shijianshaochang,shenzhihaiyaojichuanbianyaqichujicengjianjueyuanhediandubiaodedianyaxianquan。dangtiaodishuchudianyashi,t1減小,t2增大,這種占空比極小的鋸齒形電壓,(見圖中波形)。
一般的濾波電路是無能為力的, 除非將負載電流減到極小,或濾波電路采用LC濾lv波bo。無wu論lun如ru何he,占zhan空kong比bi極ji小xiao的de電dian源yuan還hai是shi不bu能neng適shi應ying的de,其qi電dian壓ya平ping均jun值zhi將jiang隨sui負fu載zai大da幅fu度du變bian化hua。電dian壓ya調tiao得de越yue低di,其qi紋wen波bo濾lv除chu越yue困kun難nan,這zhe是shi很hen明ming顯xian的de。實shi驗yan中zhong發fa現xian,若ruo在zai小xiao範fan圍wei內nei調tiao整zheng,如ru變bian壓ya器qi初chu級ji電dian壓ya在zai180~220V之間變化, 上述噪聲明顯減小,次級紋波也降低, 但又有何價值呢?
- 噪聲中提取真值!瑞盟科技推出MSA2240電流檢測芯片賦能多元高端測量場景
- 10MHz高頻運行!氮矽科技發布集成驅動GaN芯片,助力電源能效再攀新高
- 失真度僅0.002%!力芯微推出超低內阻、超低失真4PST模擬開關
- 一“芯”雙電!聖邦微電子發布雙輸出電源芯片,簡化AFE與音頻設計
- 一機適配萬端:金升陽推出1200W可編程電源,賦能高端裝備製造
- 邊緣AI的發展為更智能、更可持續的技術鋪平道路
- 每台智能體PC,都是AI時代的新入口
- IAR作為Qt Group獨立BU攜兩項重磅汽車電子應用開發方案首秀北京車展
- 構建具有網絡彈性的嵌入式係統:來自行業領袖的洞見
- 數字化的線性穩壓器
- 車規與基於V2X的車輛協同主動避撞技術展望
- 數字隔離助力新能源汽車安全隔離的新挑戰
- 汽車模塊拋負載的解決方案
- 車用連接器的安全創新應用
- Melexis Actuators Business Unit
- Position / Current Sensors - Triaxis Hall



