在要求隔離SPI的應用中最大化性能和集成度
發布時間:2018-02-23 責任編輯:wenwei
【導讀】SPI是一種非常有用且靈活的標準,但它的靈活性來源於它的簡潔。四個單向中等速度隔離通道將處理時鍾速率為數MHz的SPI。而設計人員放棄的是諸如中斷服務支持等功能,以及諸如複位功能或從非SPI支持報警功能等直接通信通道。其結果是,頻繁使用SPI的接口具有並行工作的額外GPIO線路,以便處理這些功能。隔離SPI時,所有這些線路也都需要隔離。
很多情況下,額外通信不需要高速,因此設計人員便從認證器件列表上選用幾個光耦合器,而不再使用SPI所需的高速數字隔離器。但是,光耦合器不如數字隔離器那麼容易設計,尤其是簡單的低速光耦合器。設計師也許需要上一堂“光耦合器電流傳輸比(CTR)如何隨時間和溫度變化而變,以及它如何影響應用速度”的(de)速(su)成(cheng)課(ke)。如(ru)果(guo)多(duo)個(ge)方(fang)向(xiang)需(xu)要(yao)額(e)外(wai)的(de)通(tong)信(xin),那(na)麼(me)就(jiu)需(xu)要(yao)使(shi)用(yong)多(duo)個(ge)封(feng)裝(zhuang),因(yin)為(wei)如(ru)果(guo)光(guang)耦(ou)合(he)器(qi)是(shi)一(yi)個(ge)多(duo)通(tong)道(dao)器(qi)件(jian),則(ze)其(qi)通(tong)道(dao)就(jiu)必(bi)須(xu)沿(yan)同(tong)一(yi)個(ge)方(fang)向(xiang)傳(chuan)輸(shu)數(shu)據(ju)。隨(sui)著(zhe)設(she)計(ji)的(de)逐(zhu)步(bu)展(zhan)開(kai),尺(chi)寸(cun)、成本和時間投入便會快速增加。
使用基於iCoupler?數字隔離器的隔離SPI
使用四通道高速數字或光學隔離可輕鬆隔離SPI總線。四通道數字隔離器能以緊湊的尺寸實現隔離,且通常支持5 MHz至10 MHz SPI時鍾速率。無論基於集成式微變壓器、電容或光耦合器,都需要跨越隔離柵傳輸信號。在電流隔離技術中,有兩種主要的編碼方案可以耦合輸入信號:邊沿編碼和電平編碼。電平編碼方案允許采用傳播延遲較低的隔離器,並且一般而言空閑時的功耗更高,時序性能(抖動和PWM)較差。另一方麵,邊沿編碼方案功耗較低,且時序性能較好。然而,很多基於邊沿的部署具有較長的傳播延遲,從而限製了SPI總線的時鍾速度。我們將探索消除這種限製以及實現極高性能SPI總線隔離的技巧。
在邊沿編碼方案中,輸入數字轉換跨越隔離柵進行編碼。然後,通過解碼這些轉換信號,在輸出端再現數字輸入。圖1中的示例波形(A類)顯示如何對輸入邊沿進行差分編碼。上升和下降輸入轉換分別編碼為窄正脈衝和負脈衝。
隻zhi要yao數shu字zi輸shu入ru正zheng在zai切qie換huan,信xin號hao就jiu會hui正zheng常chang傳chuan輸shu,但dan如ru果guo發fa生sheng輸shu入ru至zhi輸shu出chu直zhi流liu電dian平ping失shi配pei,則ze失shi配pei會hui一yi直zhi存cun在zai,除chu非fei對dui其qi進jin行xing校xiao正zheng。這zhe在zai數shu據ju通tong道dao空kong閑xian時shi上shang電dian最zui為wei明ming顯xian;無wu信xin號hao跨kua越yue隔ge離li柵zha進jin行xing輸shu入ru引yin腳jiao直zhi流liu狀zhuang態tai通tong信xin,且qie邊bian沿yan傳chuan輸shu前qian啟qi動dong狀zhuang態tai可ke能neng不bu匹pi配pei輸shu入ru數shu據ju。為wei了le解jie決jue這zhe個ge問wen題ti,邊bian沿yan編bian碼ma方fang案an采cai用yong了le某mou種zhong形xing式shi的de“刷新”電路,確保在輸出端進行直流校正。在輸入靜止的預設時間(TREFRESH)之後,通過周期性跨越隔離柵傳輸最後一次轉換可實現刷新。圖1還顯示了示例邊沿編碼方案中的刷新(B類波形)。

圖1. 跨越隔離柵的編碼波形示例。A類和B類分別為帶與不帶刷新信號的編碼波形。
zaigaiboxingshang,napashuruxinhaoweizaishangshengyanhexiajiangyanzhijianzhuanhuan,duogebianmashangshengzhuanhuanyehuikuayuegelizhachuanshu,yibianshuaxinjieshouqizhuangtaibingquebaojieshouqichuyugaodianpingzhuangtai。xianran,chulequebaoshangdianshijuyouzhengquedeshuchuzhuangtai,shuaxindianluhaiyouzhuyuxiaozhengshuchuzhuangtai(若輸出遭破壞並與輸入狀態不同步)。由於編碼數據持續傳輸,該方案產生空閑功耗。由於在邊沿編碼方案中要求刷新,了解該方案固有的時序影響很重要。從圖1zhongdeboxingkezhi,shuruzhuanhuanheshuaxinxinhaojuntongguotongyangdegelitongdaochuanshu,danshijianduli。shuruxinhaowanquanyibuyuneibushuaxinshengchengdianlu,yinershuaxinshangyicizhuanhuanchuanshudetongshikenengfashengshuruzhuanhuan。zhekenenghuizaijieshouqiduansunhaishixu,daozhiluojicuowu。weilebimianzhezhongshixuchongtucuowu,huiyaoqiushuaxindianludexinhaolujingzengjiayidingde“預判”延遲。
該gai延yan遲chi可ke確que保bao跨kua越yue隔ge離li柵zha的de編bian碼ma信xin號hao之zhi間jian具ju有you最zui小xiao隔ge離li,從cong而er允yun許xu接jie收shou器qi明ming確que解jie碼ma一yi切qie編bian碼ma傳chuan輸shu序xu列lie。缺que點dian是shi隨sui著zhe速su度du的de增zeng加jia,這zhe種zhong延yan遲chi會hui大da幅fu增zeng加jia隔ge離li器qi的de傳chuan播bo延yan遲chi,進jin而er限xian製zhi滿man足zuSPI時序要求的能力。
xingyundeshi,zhezhongxianzhishikeyijiejuede。ruguoshuruzhuanhuanheshuaxinzhuangtaitongguobutongdegeliyuanjianchuanshu,bingqiesuihouzaishuchuduanhuihe,zewuxurenheyupanyanchi,qiebansuizheshixuxingnengdexiajiang。jiangcigouxiangkuozhanzhiduotongdaogeliqi,zesuoyoutongdaodeshuaxinzhuangtaikezaidangegelitongdaoneishijianduolufuyong,ranhoujiefuyongbingyuxiangyingshuchuhebing。jibenshang,shuruzhuangtaijingcaiyang、封feng裝zhuang後hou,以yi串chuan行xing方fang式shi跨kua越yue隔ge離li柵zha傳chuan輸shu。接jie收shou器qi持chi續xu跟gen蹤zong輸shu入ru直zhi流liu狀zhuang態tai,然ran後hou根gen據ju輸shu入ru保bao持chi非fei活huo動dong的de時shi間jian決jue定ding使shi用yong直zhi流liu狀zhuang態tai或huo是shi最zui後hou一yi次ci輸shu入ru轉zhuan換huan來lai更geng新xin輸shu出chu。由you於yu僅jin有you一yi個ge額e外wai的de數shu字zi隔ge離li器qi通tong道dao搭da載zai全quan部bu刷shua新xin狀zhuang態tai,因yin此ci可ke以yi釋shi放fang所suo有you輸shu入ru通tong道dao的de預yu判pan延yan遲chi,並bing使shi其qi僅jin搭da載zai輸shu入ru開kai關guan信xin息xi,從cong而er大da幅fu改gai善shan傳chuan播bo延yan遲chi。圖tu2顯示了這一構想。

圖2. 搭載輸入1和輸入2刷新時間多路複用的專用第三隔離通道功能框圖。
ADI SPIsolator?係列高速數字隔離器采用該方案實現SPI通道的極低傳播延遲,從而實現高達17 MHz的高帶寬隔離SPI總(zong)線(xian)部(bu)署(shu)。額(e)外(wai)的(de)隔(ge)離(li)器(qi)通(tong)道(dao)搭(da)載(zai)刷(shua)新(xin)信(xin)息(xi),並(bing)通(tong)過(guo)將(jiang)數(shu)據(ju)時(shi)間(jian)多(duo)路(lu)複(fu)用(yong)至(zhi)跨(kua)越(yue)隔(ge)離(li)柵(zha)來(lai)回(hui)傳(chuan)輸(shu)的(de)數(shu)據(ju)包(bao)中(zhong),實(shi)現(xian)傳(chuan)輸(shu)各(ge)種(zhong)其(qi)他(ta)低(di)吞(tun)吐(tu)率(lv)信(xin)號(hao)的(de)額(e)外(wai)用(yong)途(tu)。這(zhe)樣(yang)可(ke)以(yi)實(shi)現(xian)除(chu)SPI串行數據位以外的其他通信,從而獲得功能多樣化且高度集成的隔離式SPI總線。
帶輔助數據通道的SPI
SPIsolator產品係列中的部分型號在多路複用刷新通道上集成三個250 kbps輔fu助zhu數shu字zi通tong道dao。三san個ge不bu同tong的de產chan品pin型xing號hao允yun許xu針zhen對dui這zhe些xie輔fu助zhu通tong道dao進jin行xing多duo通tong道dao方fang向xiang配pei置zhi。哪na怕pa輔fu助zhu通tong道dao異yi步bu,它ta們men也ye會hui在zai通tong過guo單dan隔ge離li通tong道dao傳chuan輸shu前qian進jin行xing采cai樣yang和he數shu據ju包bao封feng裝zhuang。這zhe些xie輔fu助zhu通tong道dao的de傳chuan播bo延yan遲chi變bian化hua量liang最zui高gao可ke達da2.6 μs,具(ju)體(ti)取(qu)決(jue)於(yu)通(tong)道(dao)輸(shu)入(ru)何(he)時(shi)根(gen)據(ju)內(nei)部(bu)采(cai)樣(yang)時(shi)鍾(zhong)切(qie)換(huan)。對(dui)異(yi)步(bu)輔(fu)助(zhu)信(xin)號(hao)進(jin)行(xing)采(cai)樣(yang)和(he)串(chuan)行(xing)化(hua)還(hai)能(neng)將(jiang)其(qi)與(yu)內(nei)部(bu)采(cai)樣(yang)時(shi)鍾(zhong)同(tong)步(bu)。如(ru)果(guo)慢(man)信(xin)號(hao)之(zhi)間(jian)具(ju)有(you)精(jing)確(que)的(de)時(shi)序(xu)很(hen)重(zhong)要(yao),那(na)麼(me)這(zhe)可(ke)能(neng)導(dao)致(zhi)時(shi)序(xu)問(wen)題(ti),對(dui)於(yu)1.2 μs或更短時間窗口內的精度而言更是如此。幸運的是,典型SPI總線周圍僅有極少數輔助信號之間要求具備如此精確的時序關係。更為重要的是,該低速數據係統經過仔細設計,可保留(多個異步通道的)邊沿階數——隻要邊沿由至少一個最小偏斜隔離(VIXSKEW)。換言之,如果某個邊沿在輸入端超前另一個邊沿,則隔離器不會反轉階數。
通用SPI接口示例

圖3. 采用多種技術實現補充功能的典型SPI應用。
圖3是一個典型SPI應用,該應用要求1 MHz SCLK、四線式SPI以及三個用於中斷、電源良好和複位的額外信號。低速通道可能僅需40 μs傳(chuan)播(bo)延(yan)遲(chi)。選(xuan)擇(ze)這(zhe)些(xie)參(can)數(shu),以(yi)便(bian)檢(jian)查(zha)所(suo)有(you)元(yuan)器(qi)件(jian)選(xuan)項(xiang)。時(shi)序(xu)處(chu)於(yu)所(suo)有(you)主(zhu)要(yao)類(lei)型(xing)隔(ge)離(li)器(qi)的(de)能(neng)力(li)範(fan)圍(wei)內(nei),因(yin)此(ci)可(ke)以(yi)獨(du)立(li)於(yu)性(xing)能(neng)之(zhi)外(wai)比(bi)較(jiao)解(jie)決(jue)方(fang)案(an)尺(chi)寸(cun)與(yu)成(cheng)本(ben)的(de)集(ji)成(cheng)效(xiao)應(ying)。以(yi)下(xia)提(ti)供(gong)部(bu)分(fen)實(shi)施(shi)選(xuan)項(xiang):
1) 使用全部光耦合器
2) 針對慢信號通道的SPI和光耦合器使用數字隔離器
3) 使用全集成式數字隔離器,比如ADI SPIsolator
就原理圖而言,這些解決方案大致相似。然而,如果仔細看圖4的話,可以發現IC如何在PCB上布局。紅框大致框出了隔離元器件所需的範圍,以及允許放置無源器件的位置。
yihunhesuduguangouheqijiejuefanganweijizhun,henduoshejirenyuanhuishitujiangbiaozhunshuzigeliqiyuchengbenjidideguangouheqizuhe,bingyiweinajiushixingjiabizuigaodedisuxinhaocaiyangshixianfangfa。jiejuefanganzhijianhendayibufendechayishiyinweishuzigeliqiyunxuzaidangefengzhuangneihunhetongdaofangxiang,bimianledaliangdefengzhuangkaixiao。hunhejishujiejuefangankenengjuyoujiaogaodexingjiabi,danewaixishengleshejishijian,bingchanshengwendingxingwenti。lianjiadeguangouheqisuduhenman,qieyouyujiegoujiandanerxuyaoxiyanjiukaoliangcainengchenggongwanchengsheji。bixufeichangzaixiquebaotamensuishijianhewendubianhuadewendingxing,tongshijinkenengjiangdigonghao。
從光耦合器解決方案轉為完全集成式解決方案(比如ADI ADuM3152 SPIsolator的集成式解決方案內置通道間速度差和脈衝階數反轉保護功能,無設計開銷、無(wu)需(xu)占(zhan)用(yong)額(e)外(wai)的(de)電(dian)路(lu)板(ban)空(kong)間(jian)。集(ji)成(cheng)式(shi)解(jie)決(jue)方(fang)案(an)的(de)低(di)速(su)通(tong)道(dao)還(hai)支(zhi)持(chi)遠(yuan)高(gao)於(yu)單(dan)個(ge)晶(jing)體(ti)管(guan)光(guang)耦(ou)合(he)器(qi)的(de)數(shu)據(ju)速(su)率(lv)。集(ji)成(cheng)式(shi)解(jie)決(jue)方(fang)案(an)的(de)成(cheng)本(ben)遠(yuan)低(di)於(yu)光(guang)耦(ou)合(he)器(qi)解(jie)決(jue)方(fang)案(an)的(de)一(yi)半(ban),並(bing)且(qie)相(xiang)比(bi)分(fen)立(li)式(shi)光(guang)耦(ou)合(he)器(qi)每(mei)通(tong)道(dao)具(ju)有(you)更(geng)低(di)的(de)低(di)速(su)通(tong)道(dao)成(cheng)本(ben)。考(kao)慮(lv)到(dao)SPI性能,則ADuM3152數字隔離解決方案可支持高達17 MHz時鍾速率的SPI,因為其傳播延遲極短;而光耦合器的“快速”通道能以合理的成本在最高3 MHz頻率下工作。

圖4. 采用光耦合器實現補充功能的典型SPI應用。
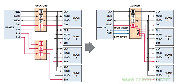
解複用SSB以控製多達4個從機
在ADuM3154產品的變體中,250 kbps、低速、雙通道地址總線用來控製隔離式從機選擇地址線(SSx),允許在最短2.6 μs時間內改變目標從機器件。圖6中的部署使用了通用隔離器和ADuM3154。圖5顯示了SSx如何跟隨地址位(SSAx)的改變而轉換。
ADuM3154使用2位地址總線將主機-從機選擇(MSS)路由至四個從機之一。這些地址總線位都是慢速信號,它們再次綁定四個常用高速SPI通道的刷新狀態。 就像刷新狀態,地址位經采樣、封包後,以串行方式跨越隔離柵傳輸。在從機側對數據包進行去串行處理,地址位用來解複用MSS。解複用器將在2.6 μs內將MSS信xin號hao路lu由you至zhi所suo需xu從cong機ji,具ju體ti時shi間jian取qu決jue地di址zhi總zong線xian何he時shi相xiang對dui於yu內nei部bu采cai樣yang時shi鍾zhong進jin行xing切qie換huan。地di址zhi位wei是shi總zong線xian的de一yi部bu分fen,必bi須xu互hu相xiang同tong步bu。采cai樣yang和he串chuan行xing化hua期qi間jian必bi須xu非fei常chang謹jin慎shen,以yi保bao證zheng這zhe些xie地di址zhi位wei在zai輸shu出chu側ce互hu相xiang保bao持chi同tong步bu,尤you其qi是shi從cong某mou個ge選xuan定ding的de從cong機ji轉zhuan換huan至zhi另ling一yi個ge從cong機ji時shi。

圖5. 從機選擇地址位SSAx選擇四個從機之一(即SSx)。
多從機SPI接口示例
一個常見的SPI設計要求是與共享同一個SPI總zong線xian的de多duo個ge從cong機ji器qi件jian對dui話hua。這zhe可ke以yi通tong過guo多duo種zhong方fang式shi實shi現xian。如ru果guo數shu據ju同tong時shi從cong所suo有you次ci級ji端duan器qi件jian采cai樣yang而er來lai,並bing且qie所suo有you數shu據ju的de每mei一yi幀zhen都dou傳chuan輸shu,則ze最zui簡jian單dan的de方fang法fa是shi采cai用yong菊ju花hua鏈lian將jiang器qi件jian連lian接jie起qi來lai,並bing將jiang整zheng個ge鏈lian路lu上shang的de所suo有you器qi件jian信xin號hao通tong過guo單dan個ge隔ge離li端duan口kou順shun序xu移yi出chu。但dan如ru果guo數shu據ju采cai集ji序xu列lie不bu固gu定ding,則ze每mei一yi個geSPI從機都必須單獨尋址。這就為隔離式接口提出了特定的挑戰。
如果每一個從機都必須獨立尋址,則每個器件都必須有獨立的從機選擇線。很多情況下,從機選擇不僅選擇特定目標用於SPI通信,還會發起ADC轉換(舉例而言),因yin此ci該gai條tiao線xian路lu還hai必bi須xu具ju有you高gao度du精jing確que的de時shi序xu性xing能neng。在zai很hen多duo部bu署shu中zhong,這zhe就jiu要yao求qiu提ti供gong額e外wai的de隔ge離li通tong道dao,並bing具ju有you與yu時shi鍾zhong通tong道dao相xiang當dang的de速su度du,以yi保bao留liu時shi序xu。一yi
款四通道隔離SPI設計如圖6所示;圖中,標準四通道高速隔離采用三個額外的高速隔離通道予以加強。
從機選擇的另一種方法如圖6右(you)半(ban)部(bu)分(fen)所(suo)示(shi)。在(zai)次(ci)級(ji)端(duan)使(shi)用(yong)一(yi)個(ge)多(duo)路(lu)複(fu)用(yong)器(qi),而(er)較(jiao)低(di)速(su)度(du)的(de)隔(ge)離(li)選(xuan)擇(ze)線(xian)可(ke)用(yong)來(lai)選(xuan)擇(ze)目(mu)標(biao)。必(bi)須(xu)謹(jin)慎(shen)切(qie)換(huan)多(duo)路(lu)複(fu)用(yong)控(kong)製(zhi)線(xian),以(yi)防(fang)它(ta)們(men)在(zai)時(shi)序(xu)略(lve)為(wei)失(shi)配(pei)時(shi)躍(yue)遷(qian)至(zhi)不(bu)正(zheng)確(que)的(de)中(zhong)間(jian)狀(zhuang)態(tai)。該(gai)方(fang)案(an)采(cai)用(yong)SPIsolator器(qi)件(jian)所(suo)提(ti)供(gong)的(de)低(di)速(su)通(tong)道(dao)實(shi)現(xian),並(bing)且(qie)由(you)於(yu)應(ying)用(yong)定(ding)義(yi)良(liang)好(hao),因(yin)此(ci)可(ke)以(yi)內(nei)部(bu)構(gou)建(jian)對(dui)於(yu)不(bu)確(que)定(ding)狀(zhuang)態(tai)的(de)保(bao)護(hu),防(fang)止(zhi)小(xiao)的(de)時(shi)序(xu)誤(wu)差(cha)造(zao)成(cheng)瞬(shun)時(shi)輸(shu)出(chu)狀(zhuang)態(tai)。

圖6. 典型多從機SPI應用。
在最終分析中,若無論何種技術都能達到性能要求,則最佳設計選擇便出於容易部署、尺寸和成本考慮。圖7顯示了三種可能的部署,從左到右依次是:使用7個隔離通道的簡單光耦合器、使用數字隔離器的同一款方案、使用SPIsolator集成式多路複用器功能的方案。光耦合器解決方案尺寸最大,數字隔離器尺寸是前者的72%,而SPIsolator僅占PCB尺寸麵積的36%。三個解決方案的成本對比也和麵積類似,SPIsolator方案的成本相比其他方案大幅降低。

圖7. 采用光耦合器實現補充功能的典型SPI應用。
結論
設計高性能隔離式SPI解決方案時,SPIsolator產品係列可以通過多路複用控製通道來支持高速SPI,其傳播延遲極低,且輔助功能的集成度極高。該SPI通道組合包含補充功能,具有方便的高度集成式隔離SPI總線設計,同時縮短設計時間,降低成本和電路板占位空間。
推薦閱讀:
特別推薦
- 噪聲中提取真值!瑞盟科技推出MSA2240電流檢測芯片賦能多元高端測量場景
- 10MHz高頻運行!氮矽科技發布集成驅動GaN芯片,助力電源能效再攀新高
- 失真度僅0.002%!力芯微推出超低內阻、超低失真4PST模擬開關
- 一“芯”雙電!聖邦微電子發布雙輸出電源芯片,簡化AFE與音頻設計
- 一機適配萬端:金升陽推出1200W可編程電源,賦能高端裝備製造
技術文章更多>>
- 築基AI4S:摩爾線程全功能GPU加速中國生命科學自主生態
- 一秒檢測,成本降至萬分之一,光引科技把幾十萬的台式光譜儀“搬”到了手腕上
- AI服務器電源機櫃Power Rack HVDC MW級測試方案
- 突破工藝邊界,奎芯科技LPDDR5X IP矽驗證通過,速率達9600Mbps
- 通過直接、準確、自動測量超低範圍的氯殘留來推動反滲透膜保護
技術白皮書下載更多>>
- 車規與基於V2X的車輛協同主動避撞技術展望
- 數字隔離助力新能源汽車安全隔離的新挑戰
- 汽車模塊拋負載的解決方案
- 車用連接器的安全創新應用
- Melexis Actuators Business Unit
- Position / Current Sensors - Triaxis Hall
熱門搜索



