分享電源設計經驗之MOS管驅動電路
發布時間:2018-04-02 來源:電子說 責任編輯:lina
【導讀】MOSFET因導通內阻低、開關速度快等優點被廣泛應用於開關電源中。MOSFET的驅動常根據電源IC和MOSFET的參數選擇合適的電路。下麵一起探討MOSFET用於開關電源的驅動電路。
在使用MOSFET設計開關電源時,大部分人都會考慮MOSFET的導通電阻、最大電壓、最大電流。但很多時候也僅僅考慮了這些因素,這樣的電路也許可以正常工作,但並不是一個好的設計方案。更細致的,MOSFET還應考慮本身寄生的參數。對一個確定的MOSFET,其驅動電路,驅動腳輸出的峰值電流,上升速率等,都會影響MOSFET的開關性能。
當電源IC與MOS管選定之後,選擇合適的驅動電路來連接電源IC與MOS管就顯得尤其重要了。
一個好的MOSFET驅動電路有以下幾點要求:
開關管開通瞬時,驅動電路應能提供足夠大的充電電流使MOSFET柵源極間電壓迅速上升到所需值,保證開關管能快速開通且不存在上升沿的高頻振蕩。
開關導通期間驅動電路能保證MOSFET柵源極間電壓保持穩定且可靠導通。
關斷瞬間驅動電路能提供一個盡可能低阻抗的通路供MOSFET柵源極間電容電壓的快速泄放,保證開關管能快速關斷。
驅動電路結構簡單可靠、損耗小。
根據情況施加隔離。
下麵介紹幾個模塊電源中常用的MOSFET驅動電路。
1、電源IC直接驅動MOSFET

圖1 IC直接驅動MOSFET
電源IC直(zhi)接(jie)驅(qu)動(dong)是(shi)我(wo)們(men)最(zui)常(chang)用(yong)的(de)驅(qu)動(dong)方(fang)式(shi),同(tong)時(shi)也(ye)是(shi)最(zui)簡(jian)單(dan)的(de)驅(qu)動(dong)方(fang)式(shi),使(shi)用(yong)這(zhe)種(zhong)驅(qu)動(dong)方(fang)式(shi),應(ying)該(gai)注(zhu)意(yi)幾(ji)個(ge)參(can)數(shu)以(yi)及(ji)這(zhe)些(xie)參(can)數(shu)的(de)影(ying)響(xiang)。第(di)一(yi),查(zha)看(kan)一(yi)下(xia)電(dian)源(yuan)IC手冊,其最大驅動峰值電流,因為不同芯片,驅動能力很多時候是不一樣的。第二,了解一下MOSFET的寄生電容,如圖1中C1、C2的值。如果C1、C2的值比較大,MOS管導通的需要的能量就比較大,如果電源IC沒有比較大的驅動峰值電流,那麼管子導通的速度就比較慢。如果驅動能力不足,上升沿可能出現高頻振蕩,即使把圖 1中Rg減小,也不能解決問題!IC驅動能力、MOS寄生電容大小、MOS管開關速度等因素,都影響驅動電阻阻值的選擇,所以Rg並不能無限減小。
2、電源IC驅動能力不足時
如果選擇MOS管寄生電容比較大,電源IC內部的驅動能力又不足時,需要在驅動電路上增強驅動能力,常使用圖騰柱電路增加電源IC驅動能力,其電路如圖 2虛線框所示。

圖2圖騰柱驅動MOS
zhezhongqudongdianluzuoyongzaiyu,tishengdianliutigongnengli,xunsuwanchengduiyuzhajishurudianrongdianhedechongdianguocheng。zhezhongtuopuzengjialedaotongsuoxuyaodeshijian,danshijianshaoleguanduanshijian,kaiguanguannengkuaisukaitongqiebimianshangshengyandegaopinzhendang。
3、驅動電路加速MOS管關斷時間

圖3加速MOS關斷
關斷瞬間驅動電路能提供一個盡可能低阻抗的通路供MOSFET柵(zha)源(yuan)極(ji)間(jian)電(dian)容(rong)電(dian)壓(ya)快(kuai)速(su)泄(xie)放(fang),保(bao)證(zheng)開(kai)關(guan)管(guan)能(neng)快(kuai)速(su)關(guan)斷(duan)。為(wei)使(shi)柵(zha)源(yuan)極(ji)間(jian)電(dian)容(rong)電(dian)壓(ya)的(de)快(kuai)速(su)泄(xie)放(fang),常(chang)在(zai)驅(qu)動(dong)電(dian)阻(zu)上(shang)並(bing)聯(lian)一(yi)個(ge)電(dian)阻(zu)和(he)一(yi)個(ge)二(er)極(ji)管(guan),如(ru)圖(tu)3所示,其中D1常用的是快恢複二極管。這使關斷時間減小,同時減小關斷時的損耗。Rg2是防止關斷的時電流過大,把電源IC給燒掉。

圖4改進型加速MOS關斷
在第二點介紹的圖騰柱電路也有加快關斷作用。當電源IC的驅動能力足夠時,對圖 2中電路改進可以加速MOS管關斷時間,得到如圖 4所示電路。用三極管來泄放柵源極間電容電壓是比較常見的。如果Q1的發射極沒有電阻,當PNP三極管導通時,柵源極間電容短接,達到最短時間內把電荷放完,最大限度減小關斷時的交叉損耗。與圖3拓撲相比較,還有一個好處,就是柵源極間電容上的電荷泄放時電流不經過電源IC,提高了可靠性。
4、驅動電路加速MOS管關斷時間

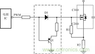
圖5隔離驅動
為了滿足如圖 5所示高端MOS管的驅動,經常會采用變壓器驅動,有時為了滿足安全隔離也使用變壓器驅動。其中R1目的是抑製PCB板上寄生的電感與C1形成LC振蕩,C1的目的是隔開直流,通過交流,同時也能防止磁芯飽和。
除(chu)了(le)以(yi)上(shang)驅(qu)動(dong)電(dian)路(lu)之(zhi)外(wai),還(hai)有(you)很(hen)多(duo)其(qi)它(ta)形(xing)式(shi)的(de)驅(qu)動(dong)電(dian)路(lu)。對(dui)於(yu)各(ge)種(zhong)各(ge)樣(yang)的(de)驅(qu)動(dong)電(dian)路(lu)並(bing)沒(mei)有(you)一(yi)種(zhong)驅(qu)動(dong)電(dian)路(lu)是(shi)最(zui)好(hao)的(de),隻(zhi)有(you)結(jie)合(he)具(ju)體(ti)應(ying)用(yong),選(xuan)擇(ze)最(zui)合(he)適(shi)的(de)驅(qu)動(dong)。在(zai)設(she)計(ji)電(dian)源(yuan)時(shi),有(you)上(shang)述(shu)幾(ji)個(ge)角(jiao)度(du)出(chu)發(fa)考(kao)慮(lv)如(ru)何(he)設(she)計(ji)MOS管的驅動電路,如果選用成品電源,不管是模塊電源、普通開關電源、電源適配器等,這部分的工作一般都由電源設計廠家完成。
致遠電子自主研發、生產的隔離電源模塊已有近20年的行業積累,目前產品具有寬輸入電壓範圍,隔離1000VDC、1500VDC、3000VDC及6000VDC等多個係列,封裝形式多樣,兼容國際標準的SIP、DIP等封裝。同時致遠電子為保證電源產品性能建設了行業內一流的測試實驗室,配備最先進、齊全的測試設備,全係列隔離DC-DC電源通過完整的EMC測試,靜電抗擾度高達4KV、浪湧抗擾度高達2KV,可應用於絕大部分複雜惡劣的工業現場,為用戶提供穩定、可靠的電源隔離解決方案。

除(chu)了(le)以(yi)上(shang)驅(qu)動(dong)電(dian)路(lu)之(zhi)外(wai),還(hai)有(you)很(hen)多(duo)其(qi)它(ta)形(xing)式(shi)的(de)驅(qu)動(dong)電(dian)路(lu)。對(dui)於(yu)各(ge)種(zhong)各(ge)樣(yang)的(de)驅(qu)動(dong)電(dian)路(lu)並(bing)沒(mei)有(you)一(yi)種(zhong)驅(qu)動(dong)電(dian)路(lu)是(shi)最(zui)好(hao)的(de),隻(zhi)有(you)結(jie)合(he)具(ju)體(ti)應(ying)用(yong),選(xuan)擇(ze)最(zui)合(he)適(shi)的(de)驅(qu)動(dong)。
特別推薦
- 噪聲中提取真值!瑞盟科技推出MSA2240電流檢測芯片賦能多元高端測量場景
- 10MHz高頻運行!氮矽科技發布集成驅動GaN芯片,助力電源能效再攀新高
- 失真度僅0.002%!力芯微推出超低內阻、超低失真4PST模擬開關
- 一“芯”雙電!聖邦微電子發布雙輸出電源芯片,簡化AFE與音頻設計
- 一機適配萬端:金升陽推出1200W可編程電源,賦能高端裝備製造
技術文章更多>>
- 一秒檢測,成本降至萬分之一,光引科技把幾十萬的台式光譜儀“搬”到了手腕上
- AI服務器電源機櫃Power Rack HVDC MW級測試方案
- 突破工藝邊界,奎芯科技LPDDR5X IP矽驗證通過,速率達9600Mbps
- 通過直接、準確、自動測量超低範圍的氯殘留來推動反滲透膜保護
- 從技術研發到規模量產:恩智浦第三代成像雷達平台,賦能下一代自動駕駛!
技術白皮書下載更多>>
- 車規與基於V2X的車輛協同主動避撞技術展望
- 數字隔離助力新能源汽車安全隔離的新挑戰
- 汽車模塊拋負載的解決方案
- 車用連接器的安全創新應用
- Melexis Actuators Business Unit
- Position / Current Sensors - Triaxis Hall
熱門搜索
按鈕開關
白色家電
保護器件
保險絲管
北鬥定位
北高智
貝能科技
背板連接器
背光器件
編碼器型號
便攜產品
便攜醫療
變容二極管
變壓器
檳城電子
並網
撥動開關
玻璃釉電容
剝線機
薄膜電容
薄膜電阻
薄膜開關
捕魚器
步進電機
測力傳感器
測試測量
測試設備
拆解
場效應管
超霸科技



