揭秘半橋/全橋/反激/正激/推挽拓撲結構的區別與特點
發布時間:2020-09-22 責任編輯:lina
【導讀】正激:脈衝變壓器的原 / 付邊相位關係,確保在開關管導通,驅動脈衝變壓器原邊時,變壓器付邊同時對負載供電。
1. 單端正激式
單端:通過一隻開關器件單向驅動脈衝變壓器 .
正激:脈衝變壓器的原 / 付邊相位關係,確保在開關管導通,驅動脈衝變壓器原邊時,變壓器付邊同時對負載供電。

該電路的最大問題是:開關管 T 交替工作於通 / 斷兩種狀態,當開關管關斷時,脈衝變壓器處於“空載”狀態,其中儲存的磁能將被積累到下一個周期,直至電感器飽和,使開關器件燒毀。圖中的 D3 與 N3 構成的磁通複位電路,提供了泄放多餘磁能的渠道。
2. 單端反激式
反激式電路與正激式電路相反,脈衝變壓器的原 / 付邊相位關係,確保當開關管導通,驅動脈衝變壓器原邊時,變壓器付邊不對負載供電,即原 / 付fu邊bian交jiao錯cuo通tong斷duan。脈mai衝chong變bian壓ya器qi磁ci能neng被bei積ji累lei的de問wen題ti容rong易yi解jie決jue,但dan是shi,由you於yu變bian壓ya器qi存cun在zai漏lou感gan,將jiang在zai原yuan邊bian形xing成cheng電dian壓ya尖jian峰feng,可ke能neng擊ji穿chuan開kai關guan器qi件jian,需xu要yao設she置zhi電dian壓ya鉗qian位wei電dian路lu予yu以yi保bao護hu D3、N3 構成的回路。從電路原理圖上看,反激式與正激式很相象,表麵上隻是變壓器同名端的區別,但電路的工作方式不同,D3、N3 的作用也不同。

3. 推挽(變壓器中心抽頭)式
這種電路結構的特點是:duichengxingjiegou,maichongbianyaqiyuanbianshilianggeduichengxianquan,liangzhikaiguanguanjiechengduichengguanxi,lunliutongduan,gongzuoguochengleisiyuxianxingfangdadianluzhongdeyileituiwangonglvfangdaqi。

主要優點:高頻變壓器磁芯利用率高(與單端電路相比)、電源電壓利用率高(與後麵要敘述的半橋電路相比)、輸出功率大、兩管基極均為低電平,驅動電路簡單。
主要缺點:變壓器繞組利用率低、對開關管的耐壓要求比較高(至少是電源電壓的兩倍)。
4. 全橋式
這種電路結構的特點是:由四隻相同的開關管接成電橋結構驅動脈衝變壓器原邊。

圖中 T1、T4 為一對,由同一組信號驅動,同時導通 / 關端;T2、T3 為另一對,由另一組信號驅動,同時導通 / 關端。兩對開關管輪流通 / 斷,在變壓器原邊線圈中形成正 / 負交變的脈衝電流。
主要優點:與推挽結構相比,原邊繞組減少了一半,開關管耐壓降低一半。
主要缺點:使用的開關管數量多,且要求參數一致性好,驅動電路複雜,實現同步比較困難。這種電路結構通常使用在 1KW 以上超大功率開關電源電路中。
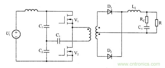
5. 半橋式
電路的結構類似於全橋式,隻是把其中的兩隻開關管(T3、T4)換成了兩隻等值大電容 C1、C2。

主要優點:
具有一定的抗不平衡能力,對電路對稱性要求不很嚴格;
適應的功率範圍較大,從幾十瓦到千瓦都可以;
開關管耐壓要求較低;
電路成本比全橋電路低等。
免責聲明:本文為轉載文章,轉載此文目的在於傳遞更多信息,版權歸原作者所有。本文所用視頻、圖片、文字如涉及作品版權問題,請電話或者郵箱聯係小編進行侵刪。
特別推薦
- 噪聲中提取真值!瑞盟科技推出MSA2240電流檢測芯片賦能多元高端測量場景
- 10MHz高頻運行!氮矽科技發布集成驅動GaN芯片,助力電源能效再攀新高
- 失真度僅0.002%!力芯微推出超低內阻、超低失真4PST模擬開關
- 一“芯”雙電!聖邦微電子發布雙輸出電源芯片,簡化AFE與音頻設計
- 一機適配萬端:金升陽推出1200W可編程電源,賦能高端裝備製造
技術文章更多>>
- 從機械執行到智能互動:移遠Q-Robotbox助力具身智能加速落地
- 品英Pickering將亮相2026航空電子國際論壇,展示航電與電池測試前沿方案
- 模擬芯片設計師的噩夢:晶體管差1毫伏就廢了,溫度升1度特性全飄
- 3A大電流僅需3x1.6mm?意法半導體DCP3603重新定義電源設計
- 芯科科技Tech Talks與藍牙亞洲大會聯動,線上線下賦能物聯網創新
技術白皮書下載更多>>
- 車規與基於V2X的車輛協同主動避撞技術展望
- 數字隔離助力新能源汽車安全隔離的新挑戰
- 汽車模塊拋負載的解決方案
- 車用連接器的安全創新應用
- Melexis Actuators Business Unit
- Position / Current Sensors - Triaxis Hall
熱門搜索
按鈕開關
白色家電
保護器件
保險絲管
北鬥定位
北高智
貝能科技
背板連接器
背光器件
編碼器型號
便攜產品
便攜醫療
變容二極管
變壓器
檳城電子
並網
撥動開關
玻璃釉電容
剝線機
薄膜電容
薄膜電阻
薄膜開關
捕魚器
步進電機
測力傳感器
測試測量
測試設備
拆解
場效應管
超霸科技




