麵向高功率電動汽車充電應用的充電樁拓撲技術
發布時間:2022-11-23 來源:作者:Martin Schulz;Karl Lehnhoff 責任編輯:lina
【導讀】盡管有關電動交通的大部分討論一直圍繞於無人駕駛汽車及其在擁堵道路上安全導航的能力,但開發和部署緊湊、高效的充電基礎設施是此類汽車達到較高普及率的一項重要前提。
盡管有關電動交通的大部分討論一直圍繞於無人駕駛汽車及其在擁堵道路上安全導航的能力,但開發和部署緊湊、高效的充電基礎設施是此類汽車達到較高普及率的一項重要前提。
在(zai)未(wei)來(lai),對(dui)電(dian)動(dong)汽(qi)車(che)充(chong)電(dian)樁(zhuang)存(cun)在(zai)需(xu)求(qiu)的(de)將(jiang)不(bu)僅(jin)包(bao)括(kuo)大(da)都(dou)會(hui)及(ji)周(zhou)邊(bian)公(gong)路(lu),還(hai)包(bao)括(kuo)居(ju)民(min)區(qu)。充(chong)電(dian)樁(zhuang)的(de)相(xiang)關(guan)計(ji)費(fei)係(xi)統(tong)也(ye)需(xu)要(yao)達(da)到(dao)一(yi)定(ding)的(de)複(fu)雜(za)程(cheng)度(du)和(he)安(an)全(quan)水(shui)平(ping)——必須能夠對每輛電動汽車進行正確的識別,才能對各種用電情況進行正確的計費。
另外一個重要方麵是充電連接裝置的標準化。目前,一些組織(例如,CharIN)不僅致力於對連接裝置,還致力於對電動汽車與充電樁通信時遵循的通信協議實施標準化。
由(you)於(yu)電(dian)網(wang)運(yun)營(ying)商(shang)必(bi)須(xu)設(she)法(fa)應(ying)對(dui)峰(feng)值(zhi)需(xu)求(qiu),而(er)要(yao)實(shi)現(xian)電(dian)動(dong)汽(qi)車(che)的(de)全(quan)麵(mian)部(bu)署(shu),需(xu)要(yao)有(you)大(da)量(liang)電(dian)力(li)對(dui)電(dian)動(dong)汽(qi)車(che)進(jin)行(xing)充(chong)電(dian)。因(yin)此(ci),負(fu)荷(he)平(ping)衡(heng)將(jiang)是(shi)一(yi)大(da)挑(tiao)戰(zhan)。然(ran)而(er),解(jie)決(jue)方(fang)案(an)就(jiu)隱(yin)藏(zang)於(yu)問(wen)題(ti)本(ben)身(shen)。在(zai)電(dian)力(li)需(xu)求(qiu)峰(feng)值(zhi)期(qi)間(jian),可(ke)將(jiang)一(yi)些(xie)電(dian)池(chi)已(yi)充(chong)滿(man)但(dan)僅(jin)用(yong)於(yu)短(duan)途(tu)行(xing)駛(shi)的(de)電(dian)動(dong)汽(qi)車(che)的(de)多(duo)餘(yu)電(dian)能(neng)饋(kui)入(ru)電(dian)網(wang)中(zhong)(前提是保留下班回家所需的足夠電能)。
在zai汽qi車che革ge命ming一yi開kai始shi,公gong路lu上shang的de電dian動dong汽qi車che的de數shu量liang多duo於yu內nei燃ran機ji汽qi車che。然ran而er,隨sui著zhe電dian子zi起qi動dong器qi的de發fa明ming,內nei燃ran機ji驅qu動dong型xing汽qi車che成cheng為wei主zhu流liu,電dian動dong汽qi車che則ze逐zhu漸jian消xiao失shi。1972年的石油危機,以及20世紀90年代出現的加州零排放法規等事件,重新點燃了人們對電動汽車的興趣,但曆史表明,電動汽車一直未能進入大眾市場。
近年來,在出現新電池技術、全球對環境問題高度關注,以及客戶需要替代化石燃料的清潔能源的背景下,電動交通技術再次成為一項具有可行性的技術。
目前,電動汽車(EV)在zai每mei次ci充chong電dian後hou一yi般ban能neng行xing駛shi數shu百bai千qian米mi的de裏li程cheng,因yin此ci,讓rang電dian動dong汽qi車che行xing駛shi一yi整zheng天tian,是shi具ju有you現xian實shi可ke能neng性xing的de。盡jin管guan如ru此ci,人ren們men對dui使shi用yong電dian動dong汽qi車che進jin行xing長chang途tu行xing駛shi的de相xiang關guan裏li程cheng問wen題ti的de擔dan憂you,仍reng然ran是shi阻zu礙ai客ke戶hu采cai用yong新xin技ji術shu的de一yi個ge障zhang礙ai。同tong樣yang,那na些xie沒mei有you專zhuan用yong充chong電dian設she施shi或huo者zhe甚shen至zhi無wu法fa確que保bao有you持chi續xu電dian力li供gong應ying的de潛qian在zai客ke戶hu,仍reng然ran希xi望wang能neng確que保bao在zai可ke接jie受shou的de時shi間jian段duan內nei對dui電dian動dong汽qi車che進jin行xing充chong電dian。
目前,公共區域中安裝的充電樁的輸出功率一般在50千瓦以內。雖然功率已相當大,但假設電動汽車每100千米的耗電量為25千瓦時,則要讓電動汽車再行駛100千米,需要充電半小時。同樣,將100千瓦時的電池充滿,需要充電兩個多小時,而許多用戶認為此充電時間太長。
對(dui)於(yu)高(gao)速(su)公(gong)路(lu)上(shang)的(de)充(chong)電(dian)樁(zhuang),人(ren)們(men)希(xi)望(wang)它(ta)們(men)能(neng)在(zai)幾(ji)分(fen)鍾(zhong)而(er)非(fei)幾(ji)小(xiao)時(shi)內(nei)完(wan)成(cheng)充(chong)電(dian)。人(ren)們(men)對(dui)能(neng)夠(gou)增(zeng)加(jia)充(chong)電(dian)裏(li)程(cheng)的(de)大(da)功(gong)率(lv)電(dian)池(chi),以(yi)及(ji)對(dui)縮(suo)短(duan)充(chong)電(dian)耗(hao)時(shi)的(de)需(xu)求(qiu),催(cui)生(sheng)了(le)功(gong)率(lv)高(gao)達(da)350千瓦的新一代充電樁。
除chu了le能neng夠gou實shi現xian對dui電dian動dong汽qi車che進jin行xing快kuai速su充chong電dian之zhi外wai,這zhe些xie新xin設she計ji還hai將jiang促cu進jin目mu前qian正zheng在zai進jin行xing的de電dian動dong公gong交jiao與yu電dian動dong貨huo車che充chong電dian技ji術shu的de研yan發fa。電dian動dong公gong交jiao與yu電dian動dong貨huo車che的de電dian池chi容rong量liang預yu期qi需xu要yao達da到dao250-400千瓦時左右,才能在每次充電後確保汽車行駛合理的裏程,而理想的充電耗時不超過一小時。
高功率充電樁的設計包含多項挑戰,尤其是充電係統的效率(因為可供額外冷卻的空間有限)。要達到350千瓦的輸出功率和97%的效率,會產生約10千瓦的損耗,這使得熱管理成為一項挑戰。當電流高達500A時,功率路徑中的每個半導體都會造成係統損耗。對於IGBT等雙極器件,其正向電壓決定了靜態損耗,而MOSFET等單極器件的損耗則主要由通道電阻決定。
考慮到電流較大,不同器件通常並聯使用,以提高其容量。IGBT無法顯著提高效率,但與MOSFET並聯運行時,可減小通道電阻,從而提高效率。因此,碳化矽(SiC)MOSFET是此應用的理想選擇。
設計一種基於子單元(各子單元功率在15到30千瓦之間)bingliandemokuaihuachongdianzhuangjiegou,shiquebaochongdianzhuangkegenjushichangxuqiuhejishuqushijinxingshengjideguanjian。weilaideshejimubiaojiangshi,zaibuzengdachicundeqiantixia,jiangzidanyuangonglvtigaodao60千瓦左右,從而將目前的功率密度提高到兩倍以上。
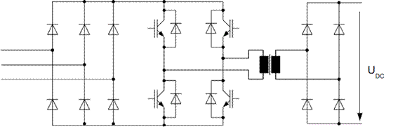
常見的充電樁設計由一個輸入級(包含線路濾波器)和PFC級、一條直流鏈路,以及一個基於變壓器的直流-直流轉換器(電隔離)組成,類似於圖1所示。

圖1:直流充電樁供電段最基本的結構框圖
這種基本設計存在若幹缺陷——例(li)如(ru),由(you)於(yu)設(she)計(ji)中(zhong)缺(que)少(shao)對(dui)直(zhi)流(liu)電(dian)壓(ya)的(de)控(kong)製(zhi),因(yin)此(ci),方(fang)波(bo)電(dian)流(liu)會(hui)對(dui)電(dian)網(wang)造(zao)成(cheng)幹(gan)擾(rao)。然(ran)而(er),在(zai)這(zhe)種(zhong)簡(jian)單(dan)的(de)設(she)計(ji)中(zhong),組(zu)件(jian)數(shu)量(liang)有(you)限(xian),因(yin)而(er)成(cheng)本(ben)較(jiao)低(di)。圖(tu)2顯示了一種更高級的、被普遍采用的解決方案。

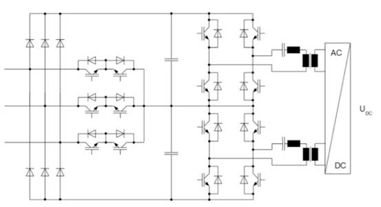
圖2:直流充電供電級(包括Vienna整流器和串聯LLC)
在此拓撲中,輸入端的Vienna整流器引入正弦柵極電流,並控製升壓模式的直流鏈路電壓。此外,可選擇閉鎖電壓較低的關鍵半導體,也就是用650 V器件替換簡單設計結構中的1200 V器件,從而提高效率。將硬開關設計更改為使用諧振直流-直流轉換器作為輸出級,可進一步減小損耗。
當然,效率的提升是有代價的。安裝的半導體的數量越多,柵極驅動器的設計就越複雜,隔離電源的數量就越多——這一點仍然是此設計的一個缺陷,需要予以考慮。此外,控製算法也有些複雜,導致設計難度提高。
近年來出現了基於寬帶隙材料的高壓MOSFET,讓我們可在不犧牲效率的前提下降低充電樁結構的複雜性。圖3顯示了一種使用單個構件與半橋拓撲的充電樁:

圖3:在半橋拓撲中將碳化矽MOSFET用作構件的供電段
圖3中的藍色陰影方框代表英飛淩的FF11MR12W1M1_B11——一種Easy1B功率模塊,包含1200 V碳化矽MOSFET並采用半橋配置,通道電阻(25°C)低至11毫歐。當無需采用電流隔離時,半橋可以降壓-升壓模式運行。不同模塊交錯並聯,以便應對更高的功率水平。
將MOSFET用作有源前端,使得此設計結構可作為PFC級運行,並在本質上實現向電網回饋電能的能力。此方案兼具組件數量少、效率最高的優點,同時盡可能地降低了係統複雜程度。此外,在此方案中,我們可選擇將充電樁整合到“汽車到電網”(V2G)應用中,或者,整合到“汽車到住宅”(V2H)應用中。
由於在基於MOSFET的(de)設(she)計(ji)結(jie)構(gou)中(zhong),開(kai)關(guan)頻(pin)率(lv)較(jiao)高(gao),因(yin)此(ci),輸(shu)入(ru)濾(lv)波(bo)器(qi)組(zu)件(jian)的(de)尺(chi)寸(cun)可(ke)縮(suo)減(jian),使(shi)得(de)設(she)計(ji)更(geng)緊(jin)湊(cou)。同(tong)步(bu)整(zheng)流(liu)等(deng)技(ji)術(shu)可(ke)減(jian)少(shao)損(sun)耗(hao),從(cong)而(er)減(jian)少(shao)熱(re)管(guan)理(li)任(ren)務(wu)。
隨sui著zhe電dian動dong汽qi車che充chong電dian市shi場chang的de發fa展zhan,預yu期qi未wei來lai將jiang有you許xu多duo來lai自zi不bu同tong背bei景jing的de新xin參can與yu者zhe進jin入ru該gai市shi場chang,並bing且qie這zhe些xie新xin參can與yu者zhe都dou將jiang需xu要yao獲huo得de不bu同tong水shui平ping和he類lei型xing的de支zhi持chi。作zuo為wei英ying飛fei淩ling的de首shou選xuan經jing銷xiao合he作zuo夥huo伴ban,並bing且qie憑ping借jie自zi身shen以yi市shi場chang為wei導dao向xiang的de組zu織zhi結jie構gou、高度專業的技術支持,以及派駐現場的應用工程師,EBV已具備相當實力,為滿足各類客戶的需求提供支持。
(來源:中電網,作者:Martin Schulz;Karl Lehnhoff)
免責聲明:本文為轉載文章,轉載此文目的在於傳遞更多信息,版權歸原作者所有。本文所用視頻、圖片、文字如涉及作品版權問題,請聯係小編進行處理。
推薦閱讀:
- 噪聲中提取真值!瑞盟科技推出MSA2240電流檢測芯片賦能多元高端測量場景
- 10MHz高頻運行!氮矽科技發布集成驅動GaN芯片,助力電源能效再攀新高
- 失真度僅0.002%!力芯微推出超低內阻、超低失真4PST模擬開關
- 一“芯”雙電!聖邦微電子發布雙輸出電源芯片,簡化AFE與音頻設計
- 一機適配萬端:金升陽推出1200W可編程電源,賦能高端裝備製造
- 一秒檢測,成本降至萬分之一,光引科技把幾十萬的台式光譜儀“搬”到了手腕上
- AI服務器電源機櫃Power Rack HVDC MW級測試方案
- 突破工藝邊界,奎芯科技LPDDR5X IP矽驗證通過,速率達9600Mbps
- 通過直接、準確、自動測量超低範圍的氯殘留來推動反滲透膜保護
- 從技術研發到規模量產:恩智浦第三代成像雷達平台,賦能下一代自動駕駛!
- 車規與基於V2X的車輛協同主動避撞技術展望
- 數字隔離助力新能源汽車安全隔離的新挑戰
- 汽車模塊拋負載的解決方案
- 車用連接器的安全創新應用
- Melexis Actuators Business Unit
- Position / Current Sensors - Triaxis Hall





