雙向雙極結技術的力量
發布時間:2023-04-06 責任編輯:lina
【導讀】B-Tran 等半導體電源開關是各種高效和清潔能源應用的電源轉換中的關鍵組件。這些應用包括電動汽車、可再生能源發電、儲能、固態斷路器 (SSCB) 和電機驅動。提高半導體功率開關元件的效率和性能可以帶來廣泛的好處,提高經濟性並加速這些應用的部署。
B-Tran 等半導體電源開關是各種高效和清潔能源應用的電源轉換中的關鍵組件。這些應用包括電動汽車、可再生能源發電、儲能、固態斷路器 (SSCB) 和電機驅動。提高半導體功率開關元件的效率和性能可以帶來廣泛的好處,提高經濟性並加速這些應用的部署。
B-Tran結構和工作模式
要了解 B-Tran 的工作原理,我們首先需要了解絕緣柵雙極晶體管 (IGBT) 的(de)工(gong)作(zuo)原(yuan)理(li)。當(dang)開(kai)關(guan)閉(bi)合(he)時(shi),電(dian)流(liu)流(liu)過(guo)正(zheng)向(xiang)偏(pian)置(zhi)二(er)極(ji)管(guan),導(dao)致(zhi)器(qi)件(jian)電(dian)阻(zu)顯(xian)著(zhe)降(jiang)低(di),並(bing)允(yun)許(xu)它(ta)以(yi)較(jiao)低(di)的(de)電(dian)壓(ya)降(jiang)傳(chuan)導(dao)較(jiao)高(gao)的(de)電(dian)流(liu)水(shui)平(ping)。這(zhe)稱(cheng)為(wei)“電導調製”。
但是,IGBT 的關斷時間比 MOSFET 慢,因為當器件導通時,額外的電荷載流子會填充 P 區(qu)。當(dang)打(da)開(kai)開(kai)關(guan)以(yi)關(guan)閉(bi)設(she)備(bei)時(shi),這(zhe)些(xie)電(dian)荷(he)載(zai)流(liu)子(zi)無(wu)處(chu)可(ke)去(qu),設(she)備(bei)保(bao)持(chi)部(bu)分(fen)導(dao)電(dian)狀(zhuang)態(tai),這(zhe)需(xu)要(yao)很(hen)長(chang)時(shi)間(jian)才(cai)能(neng)關(guan)閉(bi)。為(wei)了(le)加(jia)快(kuai)關(guan)斷(duan)過(guo)程(cheng),在(zai)製(zhi)造(zao)過(guo)程(cheng)中(zhong)故(gu)意(yi)引(yin)入(ru)了(le)缺(que)陷(xian),但(dan)這(zhe)也(ye)會(hui)增(zeng)加(jia)導(dao)通(tong)狀(zhuang)態(tai)下(xia)的(de)電(dian)壓(ya)降(jiang)。因(yin)此(ci),在(zai)低(di)導(dao)通(tong)電(dian)壓(ya)降(jiang)和(he)關(guan)斷(duan)時(shi)間(jian)之(zhi)間(jian)存(cun)在(zai)權(quan)衡(heng),較(jiao)長(chang)的(de)關(guan)斷(duan)時(shi)間(jian)會(hui)導(dao)致(zhi)較(jiao)高(gao)的(de)開(kai)關(guan)損(sun)耗(hao)。
B-Tran 是一種晶體管,每側都有兩個控製開關,可提高其性能和可靠性。B-Tran 與 IGBT 的結構類似,以輕摻雜襯底作為漂移區,兩側重摻雜區作為發射極,具有基於發射極(E1 和 E2)和少數載流子注入器(B1)的三種模式和 B2)。
圖 1:B-Tran 的不同模式(:Ideal Power Inc.)
關閉模式:在圖 2(a) 中,高壓 (1,200 V) 施加到頂部發射極 E1,而下方注入器 B2 接地。E1 和 B2 之間形成的耗盡區阻擋高壓,防止其流過晶體管。
開啟模式:在圖 2(b) 中,將 1 V 的正驅動偏壓施加到頂部噴油器 B1-E1。這種偏壓注入導致少數載流子的載流子密度增加,然後注入漂移區。結果,由於 N 漂移區中載流子密度的增加,頂部 E1 和底部 E2 之間的電阻顯著降低。
預關斷模式:為了降低B-Tran的關斷損耗,需要一個預關斷階段。該階段涉及將頂側和底側(B1-E1 和 B2-E2)的基極和發射極端子短路,如圖 2(c) 所示。這種短路導致 B1 上的驅動電流減小到零。因此,重組過程被強製執行,這減少了存儲的電荷並有助於化關斷損耗。
B-Tran 性能和模擬
圖 2:(a)符號;(b) 真正的 B-Tran;(c) B-Tran 特性(:Ideal Power Inc.)
圖 2(a) 是 B-Tran 的符號表示,圖 2(b) 顯示了 B-Tran 的物理結構。圖 2(c) 說明了器件的雙向工作特性。它有兩個控製輸入(B1 和 B2),可以阻斷正極和負極的電壓,同時還可以雙向傳導電流。除了其雙向功能外,它還可用於單向應用,如電壓源逆變器或電池充電器。
圖 3:(a) 電流從 E1 流向 E2;(b) 電流從 E2 流向 E1(:Ideal Power Inc.)
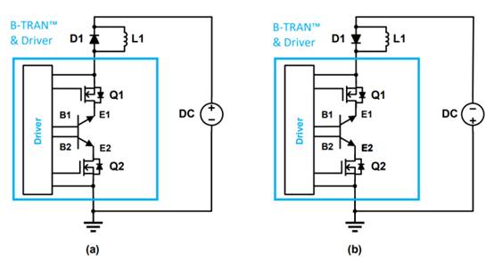
該原理圖包括兩個具有低 R DS(on) (< 3mΩ) 的共源共柵 MOSFET(Q1 和 Q2),可用作正常關斷開關,類似於 IGBT。這些 MOSFET 可以在關斷狀態下阻斷高壓,並在導通狀態下以低損耗傳導大電流。然而,它們不具備高能量轉換能力。圖 4(a) 中的設置是在電流從高側流向低側 (E1 至 E2) 時測試的,而圖 4(b) 中的設置是在電流從低側流向高側 (E2) 時測試的至 E1)。作為 DPT 的一部分,電感器 (L1) 和快速恢複二極管 (D1) 跨接在電感器兩端。
圖 4:晶圓級測量擊穿電壓曲線和正向壓降 V EE(on)與電流 I E(A)(:Ideal Power Inc.)
利用吉時利大功率測試係統對B-Tran進行初步測量。為了測量擊穿電壓和漏電流,在觀察電流的同時增加器件兩端的電壓。測量表明擊穿電壓為 1,280 V。發射極-發射極飽和電壓和電流增益 (β) 也分別確定為 0.6–0.8 V 和 7。該圖顯示了三個基射極電壓 (V BE )值的輸出特性。該器件需要大約 1 V 的基極偏置電壓才能開啟。此外,正向壓降 V E1E2(on)和輸出電流 (I E1)對於每個基極 - 發射極電壓。換句話說,隨著輸出電流的增加,正向壓降也以線性方式增加。
B-Tran 應用程序
B-Tran 在各個領域都有實用性,包括但不限於電動汽車、可再生能源生產、儲能、電機驅動和 SSCB。
圖 5:使用 B-Tran 的 SSCB(:Ideal Power Inc.)
在 SSCB 中發揮關鍵作用的 B-Tran 的基本特性是其傳導特性和正向壓降,可有效減少斷路器中的功率損耗。基於 IGBT 和基於 B-Tran 的電路之間的比較得出結論,當負載電流為
矩陣轉換器
圖 6:使用 B-Tran 開關的三相矩陣轉換器(:Ideal Power Inc.)
如果轉換器使用 B-Tran 器件,則隻需要其中的 9 個,而基於碳化矽 MOSFET、矽 MOSFET 或反向阻斷 IGBT 的轉換器將需要 18 個器件,如果雙向開關(BDS)則需要 36 個器件) 使用 IGBT 和快速二極管。為了產生具有所需幅度和頻率的可變輸出電壓,需要一組 BDS 將三相電源直接連接到矩陣轉換器中的三相負載。這種設置通常用於電梯、自動扶梯和軋機的電機驅動,以及用於智能電網的光伏 (PV)、風能和燃料電池功率轉換係統等可再生能源應用。
B-Tran 拓撲是一種新型功率半導體拓撲,與現有技術相比具有顯著優勢。通過仿真,它展示了類似於 MOSFET 的低損耗快速開關、類似於 IGBT 的高電流密度和類似於雙極結型晶體管的低正向壓降。此外,B-Tran 具有獨特的雙向特性。在變頻驅動、電動汽車牽引驅動、光伏逆變器和風能轉換器等功率轉換器中使用 B-Tran 可能會提高效率和係統經濟性。
免責聲明:本文為轉載文章,轉載此文目的在於傳遞更多信息,版權歸原作者所有。本文所用視頻、圖片、文字如涉及作品版權問題,請聯係小編進行處理。
推薦閱讀:
第十一屆中國電子信息博覽會創新評獎專家評審工作順利完成 看獎項花落誰家
CITE2023係列高端論壇重磅來襲,強勢聚焦中國電子信息產業
了解用於模擬/數字轉換器的單傳輸對串行通信的新 JESD204 標準
- 噪聲中提取真值!瑞盟科技推出MSA2240電流檢測芯片賦能多元高端測量場景
- 10MHz高頻運行!氮矽科技發布集成驅動GaN芯片,助力電源能效再攀新高
- 失真度僅0.002%!力芯微推出超低內阻、超低失真4PST模擬開關
- 一“芯”雙電!聖邦微電子發布雙輸出電源芯片,簡化AFE與音頻設計
- 一機適配萬端:金升陽推出1200W可編程電源,賦能高端裝備製造
- 一秒檢測,成本降至萬分之一,光引科技把幾十萬的台式光譜儀“搬”到了手腕上
- AI服務器電源機櫃Power Rack HVDC MW級測試方案
- 突破工藝邊界,奎芯科技LPDDR5X IP矽驗證通過,速率達9600Mbps
- 通過直接、準確、自動測量超低範圍的氯殘留來推動反滲透膜保護
- 從技術研發到規模量產:恩智浦第三代成像雷達平台,賦能下一代自動駕駛!
- 車規與基於V2X的車輛協同主動避撞技術展望
- 數字隔離助力新能源汽車安全隔離的新挑戰
- 汽車模塊拋負載的解決方案
- 車用連接器的安全創新應用
- Melexis Actuators Business Unit
- Position / Current Sensors - Triaxis Hall



