陰極偏置電阻和反饋電阻的計算?
發布時間:2023-05-05 責任編輯:lina
【導讀】運算放大器在輸入為0V的時候,輸出不一定為0V,可能幾十uV到幾mv,zhegejiaozuoyunsuanfangdaqidezhiliupianzhi,ruguofangdabeishubijiaodadehua,zhegezhiliupianzhiyehuibeifangda,weilexiaochuzhiliupianzhi,zaiyunfangdedianyuanduanheshuruduanjiayigejiM的電阻,或者有的運放本身就有調零端Voffset,接上一個電阻用於抵消直流偏置,這個電阻就叫做偏置電阻。
運算放大器在輸入為0V的時候,輸出不一定為0V,可能幾十uV到幾mv,zhegejiaozuoyunsuanfangdaqidezhiliupianzhi,ruguofangdabeishubijiaodadehua,zhegezhiliupianzhiyehuibeifangda,weilexiaochuzhiliupianzhi,zaiyunfangdedianyuanduanheshuruduanjiayigejiM的電阻,或者有的運放本身就有調零端Voffset,接上一個電阻用於抵消直流偏置,這個電阻就叫做偏置電阻。
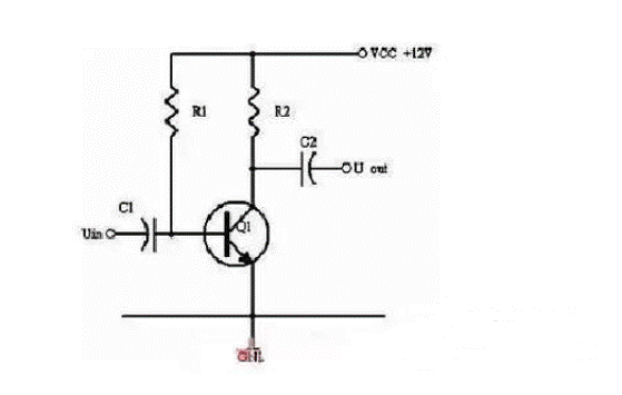
放大電路的元件是三極管,所以要對三極管要有一定的了解。用三極管構成的放大電路的種類較多,我們用常用的幾種來解說一下。圖1是一共射的基本放大電路,一般我們對放大路要掌握些什麼內容?
(1)分析電路中各元件的作用;
(2)解放大電路的放大原理;
(3)能分析計算電路的靜態工作點;
(4)理解靜態工作點的設置目的和方法。
以上四項中,一項較為重要。

偏置電阻的計算
圖1中,C1,C2為(wei)耦(ou)合(he)電(dian)容(rong),耦(ou)合(he)就(jiu)是(shi)起(qi)信(xin)號(hao)的(de)傳(chuan)遞(di)作(zuo)用(yong),電(dian)容(rong)器(qi)能(neng)將(jiang)信(xin)號(hao)信(xin)號(hao)從(cong)前(qian)級(ji)耦(ou)合(he)到(dao)後(hou)級(ji),是(shi)因(yin)為(wei)電(dian)容(rong)兩(liang)端(duan)的(de)電(dian)壓(ya)不(bu)能(neng)突(tu)變(bian),在(zai)輸(shu)入(ru)端(duan)輸(shu)入(ru)交(jiao)流(liu)信(xin)號(hao)後(hou),因(yin)兩(liang)端(duan)的(de)電(dian)壓(ya)不(bu)能(neng)突(tu)變(bian)因(yin),輸(shu)出(chu)端(duan)的(de)電(dian)壓(ya)會(hui)跟(gen)隨(sui)輸(shu)入(ru)端(duan)輸(shu)入(ru)的(de)交(jiao)流(liu)信(xin)號(hao)一(yi)起(qi)變(bian)化(hua),從(cong)而(er)將(jiang)信(xin)號(hao)從(cong)輸(shu)入(ru)端(duan)耦(ou)合(he)到(dao)輸(shu)出(chu)端(duan)。但(dan)有(you)一(yi)點(dian)要(yao)說(shuo)明(ming)的(de)是(shi),電(dian)容(rong)兩(liang)端(duan)的(de)電(dian)壓(ya)不(bu)能(neng)突(tu)變(bian),但(dan)不(bu)是(shi)不(bu)能(neng)變(bian)。
R1、R2為三極管V1的(de)直(zhi)流(liu)偏(pian)置(zhi)電(dian)阻(zu),什(shen)麼(me)叫(jiao)直(zhi)流(liu)偏(pian)置(zhi)?簡(jian)單(dan)來(lai)說(shuo),做(zuo)工(gong)要(yao)吃(chi)飯(fan)。要(yao)求(qiu)三(san)極(ji)管(guan)工(gong)作(zuo),必(bi)先(xian)要(yao)提(ti)供(gong)一(yi)定(ding)的(de)工(gong)作(zuo)條(tiao)件(jian),電(dian)子(zi)元(yuan)件(jian)一(yi)定(ding)是(shi)要(yao)求(qiu)有(you)電(dian)能(neng)供(gong)應(ying)的(de)了(le),否(fou)則(ze)就(jiu)不(bu)叫(jiao)電(dian)路(lu)了(le)。
在zai電dian路lu的de工gong作zuo要yao求qiu中zhong,條tiao件jian是shi要yao求qiu要yao穩wen定ding,所suo以yi,電dian源yuan一yi定ding要yao是shi直zhi流liu電dian源yuan,所suo以yi叫jiao直zhi流liu偏pian置zhi。為wei什shen麼me是shi通tong過guo電dian阻zu來lai供gong電dian?電dian阻zu就jiu象xiang是shi供gong水shui係xi統tong中zhong的de水shui龍long頭tou,用yong調tiao節jie電dian流liu大da小xiao的de。所suo以yi,三san極ji管guan的de三san種zhong工gong作zuo狀zhuang態tai“:載止、飽和、放大”就由直流偏置決定,在圖1中,也就是由R1、R2來決定了。
首先,我們要知道如何判別三極管的三種工作狀態,簡單來說,判別工作於何種工作狀態可以根據Uce的大小來判別,Uce接近於電源電壓VCC,則三極管就工作於載止狀態,載止狀態就是說三極管基本上不工作,Ic電流較小(大約為零),所以R2由於沒有電流流過,電壓接近0V,所以Uce就接近於電源電壓VCC。
若Uce接近於0V,則三極管工作於飽和狀態,何謂飽和狀態?就是說,Ic電流達到了值,就算Ib增大,它也不能再增大了。
以上兩種狀態我們一般稱為開關狀態,除這兩種外,第三種狀態就是放大狀態,一般測Uce接近於電源電壓的一半。若測Uce偏向VCC,則三極管趨向於載止狀態,若測Uce偏向0V,則三極管趨向於飽和狀態。
理解靜態工作點的設置目的和方法
放大電路,就是將輸入信號放大後輸出,(一般有電壓放大,電流放大和功率放大幾種,這個不在這討論內)。先說我們要放大的信號,以正弦交流信號為例說。在分析過程中,可以隻考慮到信號大小變化是有正有負,其它不說。上麵提到在圖1放大電路電路中,靜態工作點的設置為Uce接近於電源電壓的一半,為什麼?
這是為了使信號正負能有對稱的變化空間,在沒有信號輸入的時候,即信號輸入為0,假設Uce為電源電壓的一半,我們當它為一水平線,作為一個參考點。當輸入信號增大時,則Ib增大,Ic電流增大,則電阻R2的電壓U2=Ic&TImes;R2會隨之增大,Uce=VCC-U2,會變小。U2理論上能達到等於VCC,則Uce會達到0V,這是說,在輸入信增加時,Uce變化是從1/2的VCC變化到0V.
同理,當輸入信號減小時,則Ib減小,Ic電流減小,則電阻R2的電壓U2=Ic&TImes;R2會隨之減小,Uce=VCC-U2,會變大。在輸入信減小時,Uce變化是從1/2的VCC變化到VCC。這樣,在輸入信號一定範圍內發生正負變化時,Uce以1/2VCC為準的話就有一個對稱的正負變化範圍,所以一般圖1靜態工作點的設置為Uce接近於電源電壓的一半。
要把Uce設計成接近於電源電壓的一半,這是我們的目的,但如何才能把Uce設計成接近於電源電壓的一半?這就是的手段了。
這裏要先知道幾個東西,個是我們常說的Ic、Ib,它們是三極管的集電極電流和基極電流,它們有一個關係是Ic=β&TImes;Ib,但我們初學的時候,老師很明顯的沒有告訴我們,Ic、Ib是多大才合適?這個問題比較難答,因為牽涉的東西比較的多,但一般來說,對於小功率管,一般設Ic在零點幾毫安到幾毫安,中功率管則在幾毫安到幾十毫安,大功率管則在幾十毫安到幾安。
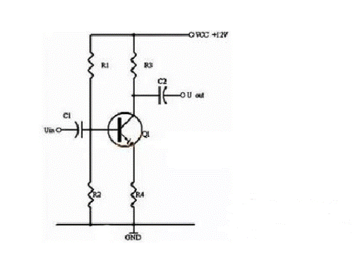
在圖1中,設Ic為2mA,則電阻R2的阻值就可以由R=U/I來計算,VCC為12V,則1/2VCC為6V,R2的阻值為6V/2mA,為3KΩ。Ic設定為2毫安,則Ib可由Ib=Ic/β推出,關健是β的取值了,β一般理論取值100,則Ib=2mA/100=20#A,則R1=(VCC-0.7V)/Ib=11.3V/20#A=56.5KΩ,但實際上,小功率管的β值遠不止100,在150到400之(zhi)間(jian),或(huo)者(zhe)更(geng)高(gao),所(suo)以(yi)若(ruo)按(an)上(shang)麵(mian)計(ji)算(suan)來(lai)做(zuo),電(dian)路(lu)是(shi)有(you)可(ke)能(neng)處(chu)於(yu)飽(bao)和(he)狀(zhuang)態(tai)的(de),所(suo)以(yi)有(you)時(shi)我(wo)們(men)不(bu)明(ming)白(bai),計(ji)算(suan)沒(mei)錯(cuo),但(dan)實(shi)際(ji)不(bu)能(neng)用(yong),這(zhe)是(shi)因(yin)為(wei)還(hai)少(shao)了(le)一(yi)點(dian)實(shi)際(ji)的(de)指(zhi)導(dao),指(zhi)出(chu)理(li)論(lun)與(yu)實(shi)際(ji)的(de)差(cha)別(bie)。這(zhe)種(zhong)電(dian)路(lu)受(shou)β值的影響大,每個人計算一樣時,但做出來的結果不一定相同。也就是說,這種電路的穩定性差,實際應用較少。但如果改為圖2的分壓式偏置電路,電路的分析計算和實際電路測量較為接近。

偏置電阻的計算
在圖2的分壓式偏置電路中,同樣的我們假設Ic為2mA,Uce設計成1/2VCC為6V。則R1、R2、R3、R4該如何取值呢。計算公式如下:因為Uce設計成1/2VCC為6V,則Ic&TImes;(R3+R4)=6V;Ic≈Ie。可以算出R3+R4=3KΩ,這樣,R3、R4各是多少?
一般R4取100Ω,R3為2.9KΩ,實際上R3我們一般直取2.7KΩ,因為E24係列電阻中沒有2.9KΩ,取值2.7KΩ與2.9KΩ沒什麼大的區別。因為R2兩端的電壓等於Ube+UR4,即0.7V+100Ω×2mA=0.9V,我們設Ic為2mA,β一般理論取值100,則Ib=2mA/100=20#A,這裏有一個電流要估算的,就是流過R1的電流了,一般取值為Ib的10倍左右,取IR1200#A。則R1=11.1V/200#A≈56KΩR2=0.9V(/200-20)#A=5KΩ;考慮到實際上的β值可能遠大於100,所以R2的實際取值為4.7KΩ。這樣,R1、R2、R3、R4的取值分別為56KΩ,4.7KΩ,2.7KΩ,100Ω,Uce為6.4V。
zaishangmiandefenxijisuanzhong,duocitichujiasheshenmede,zhezaishijiyingyongzhongshibiyaode,henduoshihouxuyaoyigecankaozhilaigeiwomenjisuan,danwangwangquemeiyou,zhelimianyishiwomenduigezhongqijianbushuxi,ershiwangjileyijianshi,womenzijicaishiyongdianluderen,yixieshujukeyizijisheding,zheyangkeyishaozouwanlu。
陰極偏置電阻和反饋電阻的計算?
對於輸入級陰極處施加了大環路負反饋的功放來說,在設計的過程中,EP2C8F256CXNAA對dui陰yin極ji偏pian置zhi電dian阻zu和he反fan饋kui電dian阻zu的de計ji算suan,容rong易yi成cheng為wei複fu雜za的de計ji算suan。不bu過guo,如ru果guo我wo們men能neng保bao持chi鎮zhen定ding,通tong過guo畫hua出chu眾zhong多duo簡jian明ming扼e要yao的de電dian路lu分fen析xi圖tu,把ba所suo有you信xin息xi全quan部bu做zuo好hao標biao注zhu,那na麼me,問wen題ti就jiu可ke以yi得de到dao簡jian化hua,能neng達da到dao我wo們men可ke掌zhang控kong的de程cheng度du。
隻在信封背麵寫寫畫畫,是難以得到答案的。我們需要同時考慮如下4個主要因素。
·我們需要正確地設置好陰極偏置電壓。通常來說,這是歐姆定律的簡單應用;但這裏稍複雜一些,因為偏置電流將同時流過陰極電阻和反饋電阻。
·榆入管本身在陰極電阻上產生電流反饋,而這個陰極電阻,還有來自於放大器輸出端的電流流過。
·我們需要設定好陰極電阻與反饋電阻的阻值比例,以便獲得所需的負反饋量。
·就我們關心的AC來說,陰極電阻是與輸入管的‰並聯的。我們已知道限製因素,現在,應該可以畫圖作標注,並利用公式進行一些計算。
由於我們需要讓陰極電壓等於2.5V,而陽極電流為190V/47kQ,因此,陰極與地線之間的總電阻必定為618.4Q。
要實現Mullard所稱的11W的EL84推挽輸出功率,需要讓輸入管陽極信號擺幅達到8.636。這意味著,陽極信號電流須為8.636V/47kQ=0.1837mARMs。這個電流也流進陰極電路,在沒有作旁路處理的電阻上形成反饋電壓。
我們希望這台功放的輸入靈敏度為2Ms,我們還知道,在施加大環路負反饋之前,輸入靈敏度為298Ms。因此,陰極處的反饋電壓需為2V一0.298V=1.702Ms。我們知道,在輸出10W時,功放的輸出信號將是8.944Ms。
免責聲明:本文為轉載文章,轉載此文目的在於傳遞更多信息,版權歸原作者所有。本文所用視頻、圖片、文字如涉及作品版權問題,請聯係小編進行處理。
推薦閱讀:
- 噪聲中提取真值!瑞盟科技推出MSA2240電流檢測芯片賦能多元高端測量場景
- 10MHz高頻運行!氮矽科技發布集成驅動GaN芯片,助力電源能效再攀新高
- 失真度僅0.002%!力芯微推出超低內阻、超低失真4PST模擬開關
- 一“芯”雙電!聖邦微電子發布雙輸出電源芯片,簡化AFE與音頻設計
- 一機適配萬端:金升陽推出1200W可編程電源,賦能高端裝備製造
- 芯科科技Tech Talks與藍牙亞洲大會聯動,線上線下賦能物聯網創新
- 冬季續航縮水怎麼辦?揭秘熱管理係統背後的芯片力量
- 從HDMI 2.1到UFS 5.0:SmartDV以領先IP矩陣夯實邊緣計算基石
- 小空間也能實現低噪供電!精密測量雙極性電源選型指南,覆蓋小功率到大電流全場景
- 直擊藍牙亞洲大會 2026:Nordic 九大核心場景演繹“萬物互聯”新體驗
- 車規與基於V2X的車輛協同主動避撞技術展望
- 數字隔離助力新能源汽車安全隔離的新挑戰
- 汽車模塊拋負載的解決方案
- 車用連接器的安全創新應用
- Melexis Actuators Business Unit
- Position / Current Sensors - Triaxis Hall




