模擬開關用途和基本操作
發布時間:2023-09-20 責任編輯:lina
【導讀】本ben應ying用yong筆bi記ji描miao述shu了le傳chuan輸shu門men的de用yong途tu和he基ji本ben操cao作zuo。本ben文wen解jie釋shi了le如ru何he使shi用yong傳chuan輸shu門men以yi的de電dian路lu板ban麵mian積ji投tou資zi來lai快kuai速su隔ge離li多duo個ge信xin號hao,並bing且qie這zhe些xie關guan鍵jian信xin號hao的de特te性xing下xia降jiang可ke以yi忽hu略lve不bu計ji。DS3690 是示例設備。
本ben應ying用yong筆bi記ji描miao述shu了le傳chuan輸shu門men的de用yong途tu和he基ji本ben操cao作zuo。本ben文wen解jie釋shi了le如ru何he使shi用yong傳chuan輸shu門men以yi的de電dian路lu板ban麵mian積ji投tou資zi來lai快kuai速su隔ge離li多duo個ge信xin號hao,並bing且qie這zhe些xie關guan鍵jian信xin號hao的de特te性xing下xia降jiang可ke以yi忽hu略lve不bu計ji。DS3690 是示例設備。
傳輸門是一種模擬開關,可以選擇性地阻止信號傳輸。在本應用筆記中,我們將定義傳輸門的含義、其基本操作和終目的。例如,DS3690 器件用於隔離多個信號,並且對電路板麵積的投資,並且這些關鍵信號的特性下降可以忽略不計。
基本操作
傳輸門或模擬開關被定義為一種電子元件,它將選擇性地阻止或傳遞從輸入到輸出的信號電平。該固態開關由 pMOS 晶體管和 nMOS 晶體管組成。控製柵極以互補方式偏置,使得兩個晶體管要麼導通,要麼截止。
當節點 A 上的電壓為邏輯 1 時,互補邏輯 0 被施加到低電平有效節點 A,從而允許兩個晶體管導通並將 IN 處的信號傳遞到 OUT。當節點 A 上的低電平有效電壓為邏輯 0 時,互補邏輯 1 被施加到節點 A,關閉兩個晶體管並在 IN 和 OUT 節點上強製形成高阻抗狀態。這種高阻抗條件代表 DS3690 通道可能向下遊反映的第三種“狀態”(高、低或高阻抗)。
原理圖(圖 1)包括 IN 和 OUT 的任意標簽,因為如果這些標簽顛倒,電路將以相同的方式運行。該設計提供真正的雙向連接,且不會降低輸入信號的質量。

傳輸門的示意圖。
傳輸門的常見電路符號描述了電路操作的雙向性質(圖 2)。

電路符號。
傳輸門有什麼用?
傳輸門通常用作邏輯電路的構建塊,例如 D 鎖存器或 D chufaqi。zuoweidulidianlu,chuanshumenkeyizairecharuhuoyichuguochengzhongjiangyigehuoduogezujianyushishixinhaogeli。zaianquanyingyongzhong,tamenkeyiyouxuanzedizuzhiguanjianxinhaohuoshujuzaimeiyoushidangdeyingjiankongzhishouquandeqingkuangxiachuanshu。
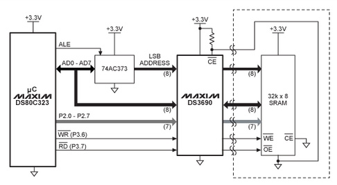
圖 3 中的連接方案旨在隔離微處理器和內存組件之間的 I/O 總線,以防內存被移除。SRAM 物理安裝在可移動存儲卡上;DS3690 傳輸門用於隔離通過連接器路由的各種信號。
什麼是傳輸門?

DS3690的典型應用電路。
SRAM 的接地連接通過連接器反饋,以拉低 DS3690 芯片使能(低電平有效 CE)引腳。安裝存儲卡後,此操作將啟用傳輸門。
DS3690 有什麼獨特之處?
大量獨立通道減少了組件數量
DS3690 具有 26 個獨立通道,具有當今市場上的總線寬度。大多數商用傳輸門都配置為容納 2、4 或 8 個離散信號。以圖 3 為例,當卡被移除時,該 SRAM 需要隔離 25 個離散信號。使用傳統的 8 位傳輸門,設計人員必須放置四個獨立的組件來隔離該 SRAM,從而顯著增加終組件數量和專用 PC 板麵積。
小封裝節省電路板空間
DS3690 采用 5 mm x 11 mm TQFN 封裝,僅需 55 mm? 的 PC 板麵積即可完成整個總線隔離工作。如果設計人員選擇了 8 位傳輸門,則激進的封裝是每個占用 51.5 mm? 的 SSOP。考慮到信號布線的餘量,四個 8 位組件將占用超過 200 mm? 的空間來完成與單個 DS3690 相同的功能。
免責聲明:本文為轉載文章,轉載此文目的在於傳遞更多信息,版權歸原作者所有。本文所用視頻、圖片、文字如涉及作品版權問題,請聯係小編進行處理。
推薦閱讀:
- 噪聲中提取真值!瑞盟科技推出MSA2240電流檢測芯片賦能多元高端測量場景
- 10MHz高頻運行!氮矽科技發布集成驅動GaN芯片,助力電源能效再攀新高
- 失真度僅0.002%!力芯微推出超低內阻、超低失真4PST模擬開關
- 一“芯”雙電!聖邦微電子發布雙輸出電源芯片,簡化AFE與音頻設計
- 一機適配萬端:金升陽推出1200W可編程電源,賦能高端裝備製造
- 一秒檢測,成本降至萬分之一,光引科技把幾十萬的台式光譜儀“搬”到了手腕上
- AI服務器電源機櫃Power Rack HVDC MW級測試方案
- 突破工藝邊界,奎芯科技LPDDR5X IP矽驗證通過,速率達9600Mbps
- 通過直接、準確、自動測量超低範圍的氯殘留來推動反滲透膜保護
- 從技術研發到規模量產:恩智浦第三代成像雷達平台,賦能下一代自動駕駛!
- 車規與基於V2X的車輛協同主動避撞技術展望
- 數字隔離助力新能源汽車安全隔離的新挑戰
- 汽車模塊拋負載的解決方案
- 車用連接器的安全創新應用
- Melexis Actuators Business Unit
- Position / Current Sensors - Triaxis Hall




