碳化矽MOS管在三相逆變器上的應用
發布時間:2023-12-08 來源:RS瑞森半導體 責任編輯:lina
【導讀】三相逆變器的定義是將直流電能轉換為交流電能的轉換器,其基本原理就是SPWM,硬件架構為四個功率模塊組成單相、三相橋式電路,橋式輸出至負載間串接低通濾波元件,控製回路具有兩個信號產生源,一個是固定幅值的三角波(調製波)發fa生sheng器qi,一yi個ge為wei正zheng弦xian波bo發fa生sheng器qi,利li用yong三san角jiao波bo對dui正zheng弦xian波bo進jin行xing調tiao製zhi,就jiu會hui得de到dao占zhan空kong比bi按an照zhao正zheng弦xian規gui律lv變bian化hua的de方fang波bo脈mai衝chong列lie,調tiao製zhi比bi不bu同tong,一yi個ge正zheng弦xian周zhou期qi脈mai衝chong列lie數shu等deng於yu調tiao製zhi波bo頻pin率lv除chu以yi基ji博bo頻pin率lv)。再用方波脈衝列去控製上述橋式電路,在輸出上就得到了符合要求的正弦電壓電流了。
一、前言
三相逆變是指轉換出的交流電壓為三相,即AC380V,三相電是由三個頻率相同、振幅相等、相位依次互差120度的交流電勢組成。
三相逆變器的定義是將直流電能轉換為交流電能的轉換器,其基本原理就是SPWM,硬件架構為四個功率模塊組成單相、三相橋式電路,橋式輸出至負載間串接低通濾波元件,控製回路具有兩個信號產生源,一個是固定幅值的三角波(調製波)發fa生sheng器qi,一yi個ge為wei正zheng弦xian波bo發fa生sheng器qi,利li用yong三san角jiao波bo對dui正zheng弦xian波bo進jin行xing調tiao製zhi,就jiu會hui得de到dao占zhan空kong比bi按an照zhao正zheng弦xian規gui律lv變bian化hua的de方fang波bo脈mai衝chong列lie,調tiao製zhi比bi不bu同tong,一yi個ge正zheng弦xian周zhou期qi脈mai衝chong列lie數shu等deng於yu調tiao製zhi波bo頻pin率lv除chu以yi基ji博bo頻pin率lv)。再用方波脈衝列去控製上述橋式電路,在輸出上就得到了符合要求的正弦電壓電流了。
二、產品應用及工作原理
三相逆變器是電力用大功率逆變電源,主要用於軍隊、通信、工廠和企業不間斷電源係統。
三相逆變器的工作原理是:它包括三個單相逆變開關,每個開關都可以連接到負載端。對於基本控製係統,三個開關的損傷可以同步,以便單個開關在基本O/P波形的每60度處工作,從而創建包括六步線到線O/P波形。
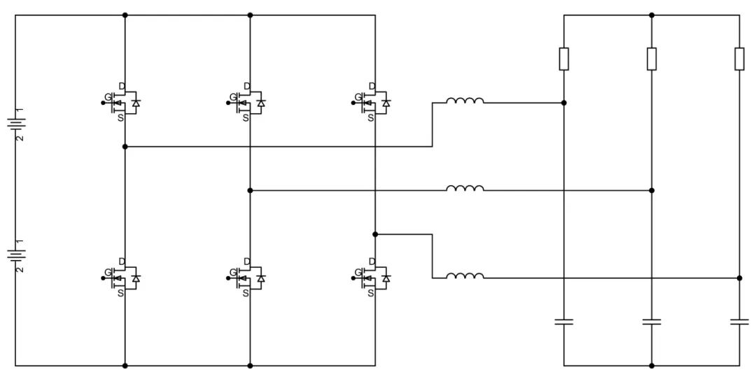
三、典型應用拓撲圖
如上圖所示:其主要作用是將直流輸入變為三相交流輸出,一個基本的三相逆變器包括3個單相逆變器開關,其中每個開關都可以連接到3個負載端子之一。
四、應用線路及選型
碳化矽(SiC)技術比傳統的矽(Si)、絕緣柵雙極晶體管(IGBT)等技術具有更多的優勢,進而可實現更高的功率密度、可靠性和效率。
三相逆變器使用SiC解決方案,逆變電路的拓撲結構得到簡化並提高了功率密度。
三相逆變器推薦使用瑞森半導體SiC-MOS係列,選型如下:
免責聲明:本文為轉載文章,轉載此文目的在於傳遞更多信息,版權歸原作者所有。本文所用視頻、圖片、文字如涉及作品版權問題,請聯係小編進行處理。
推薦閱讀:
克薩重磅發布高性能超輕薄、帶有四個分布式CAN模塊的緊湊型嵌入式通訊卡
學子專區—ADALM2000實驗:集成駐極體麥克風的音頻放大器
- 噪聲中提取真值!瑞盟科技推出MSA2240電流檢測芯片賦能多元高端測量場景
- 10MHz高頻運行!氮矽科技發布集成驅動GaN芯片,助力電源能效再攀新高
- 失真度僅0.002%!力芯微推出超低內阻、超低失真4PST模擬開關
- 一“芯”雙電!聖邦微電子發布雙輸出電源芯片,簡化AFE與音頻設計
- 一機適配萬端:金升陽推出1200W可編程電源,賦能高端裝備製造
- 從機械執行到智能互動:移遠Q-Robotbox助力具身智能加速落地
- 品英Pickering將亮相2026航空電子國際論壇,展示航電與電池測試前沿方案
- 模擬芯片設計師的噩夢:晶體管差1毫伏就廢了,溫度升1度特性全飄
- 3A大電流僅需3x1.6mm?意法半導體DCP3603重新定義電源設計
- 芯科科技Tech Talks與藍牙亞洲大會聯動,線上線下賦能物聯網創新
- 車規與基於V2X的車輛協同主動避撞技術展望
- 數字隔離助力新能源汽車安全隔離的新挑戰
- 汽車模塊拋負載的解決方案
- 車用連接器的安全創新應用
- Melexis Actuators Business Unit
- Position / Current Sensors - Triaxis Hall



