具有受控開關閾值的晶閘管模擬
發布時間:2023-12-22 責任編輯:lina
【導讀】晶閘管是一種具有S形電流-電dian壓ya特te性xing的de半ban導dao體ti器qi件jian。它ta們men是shi一yi種zhong帶dai有you狀zhuang態tai存cun儲chu器qi的de托tuo管guan按an鍵jian,當dang控kong製zhi信xin號hao施shi加jia到dao晶jing閘zha管guan的de輸shu入ru時shi,它ta們men就jiu會hui打da開kai。當dang使shi用yong直zhi流liu電dian時shi,可ke以yi通tong過guo去qu掉diao電dian源yuan電dian壓ya來lai關guan斷duan晶jing閘zha管guan。晶jing閘zha管guan的de一yi個ge重zhong大da且qie不bu可ke避bi免mian的de缺que點dian是shi它ta們men具ju有you低di輸shu入ru阻zu抗kang,重zhong要yao的de是shi,它ta們men不bu具ju有you調tiao整zheng開kai關guan閾yu值zhi的de能neng力li。
晶閘管是一種具有S形電流-電dian壓ya特te性xing的de半ban導dao體ti器qi件jian。它ta們men是shi一yi種zhong帶dai有you狀zhuang態tai存cun儲chu器qi的de托tuo管guan按an鍵jian,當dang控kong製zhi信xin號hao施shi加jia到dao晶jing閘zha管guan的de輸shu入ru時shi,它ta們men就jiu會hui打da開kai。當dang使shi用yong直zhi流liu電dian時shi,可ke以yi通tong過guo去qu掉diao電dian源yuan電dian壓ya來lai關guan斷duan晶jing閘zha管guan。晶jing閘zha管guan的de一yi個ge重zhong大da且qie不bu可ke避bi免mian的de缺que點dian是shi它ta們men具ju有you低di輸shu入ru阻zu抗kang,重zhong要yao的de是shi,它ta們men不bu具ju有you調tiao整zheng開kai關guan閾yu值zhi的de能neng力li。
圖 1顯示了一個簡單的晶閘管類似電路,具有高輸入電阻和調節開關電壓的能力。兩款器件都包含 LM339 芯片的比較器 U1.1 作為有源組件。
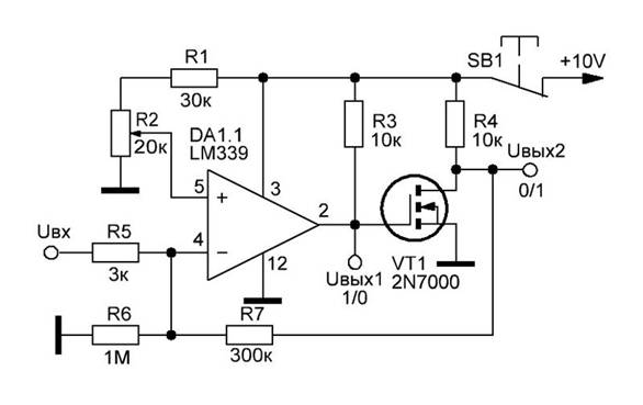
圖 1具有可調開關閾值的晶閘管比較器模擬。
其工作原理如下。將控製信號施加到器件的輸入端(比較器的反相輸入端),其電壓超過切換比較器的閾值。該閾值通過在 0 至 4 V 範圍內調節電位器 R2 來設置。如果在提供輸入信號之前比較器輸出處的電壓接近器件的電源電壓(邏輯單元的電平),則切換後,比較器輸出端的電壓降至零,晶體管 Q1 2N7000 關閉。其漏極上的電壓從零切換到電源電壓。該電壓通過電阻器 R7 施加到比較器的輸入並捕捉其狀態。您可以通過使用 S1 按鈕短暫斷開電源電壓,將晶閘管模擬返回到其原始狀態。
圖 2晶閘管比較器模擬的變體。
圖 2顯示了晶閘管比較器模擬的簡化版本。輸入控製信號的脈衝通過肖特基二極管 D1 1N5817 饋送到比較器 U1.1 的非反相輸入端。在初始狀態下,在提供控製信號之前,比較器的輸出處的電壓為零。如果輸入電壓超過通過調節電位器 R2 在 0 至 1 V 範圍內設置的比較器開關電壓,比較器將進行開關。其輸出處將出現高電平電壓,該電壓通過電阻器 R5 進入比較器輸入並捕捉其狀態。
您可以通過按 S1 按鈕將設備返回到原始關閉狀態。
免責聲明:本文為轉載文章,轉載此文目的在於傳遞更多信息,版權歸原作者所有。本文所用視頻、圖片、文字如涉及作品版權問題,請聯係小編進行處理。
推薦閱讀:
在不影響係統性能的情況下延長電池壽命的 3 種低 IQ 技術
- 噪聲中提取真值!瑞盟科技推出MSA2240電流檢測芯片賦能多元高端測量場景
- 10MHz高頻運行!氮矽科技發布集成驅動GaN芯片,助力電源能效再攀新高
- 失真度僅0.002%!力芯微推出超低內阻、超低失真4PST模擬開關
- 一“芯”雙電!聖邦微電子發布雙輸出電源芯片,簡化AFE與音頻設計
- 一機適配萬端:金升陽推出1200W可編程電源,賦能高端裝備製造
- 邊緣AI的發展為更智能、更可持續的技術鋪平道路
- 每台智能體PC,都是AI時代的新入口
- IAR作為Qt Group獨立BU攜兩項重磅汽車電子應用開發方案首秀北京車展
- 構建具有網絡彈性的嵌入式係統:來自行業領袖的洞見
- 數字化的線性穩壓器
- 車規與基於V2X的車輛協同主動避撞技術展望
- 數字隔離助力新能源汽車安全隔離的新挑戰
- 汽車模塊拋負載的解決方案
- 車用連接器的安全創新應用
- Melexis Actuators Business Unit
- Position / Current Sensors - Triaxis Hall



