深度解析芯片端接電阻校準
發布時間:2024-01-16 責任編輯:lina
【導讀】在PCB上shang靠kao近jin芯xin片pian的de位wei置zhi直zhi接jie端duan接jie阻zu抗kang匹pi配pei和he片pian上shang阻zu抗kang匹pi配pei,可ke以yi達da到dao很hen高gao的de精jing度du和he穩wen定ding性xing,但dan是shi需xu要yao占zhan用yong很hen大da的de麵mian積ji,而er且qie隨sui著zhe係xi統tong複fu雜za度du的de增zeng加jia,多duo處chu都dou會hui用yong到dao阻zu抗kang匹pi配pei,這zhe時shi就jiu需xu要yao在zai片pian上shang去qu集ji成cheng阻zu抗kang匹pi配pei電dian阻zu。而er根gen據ju電dian阻zu本ben身shen的de性xing質zhi,可ke以yi分fen為wei無wu源yuan電dian阻zu和he有you源yuan電dian阻zu,這zhe種zhong分fen類lei屬shu於yu片pian上shang阻zu抗kang匹pi配pei的de範fan疇chou。
阻抗匹配在高速串行,傳輸係統中,有著非常廣泛的應用,目前主要有以下幾類實現方法,根據阻抗匹配的位置:
(1)PCB板上阻抗匹配
(2)片上阻抗匹配
在PCB上shang靠kao近jin芯xin片pian的de位wei置zhi直zhi接jie端duan接jie阻zu抗kang匹pi配pei和he片pian上shang阻zu抗kang匹pi配pei,可ke以yi達da到dao很hen高gao的de精jing度du和he穩wen定ding性xing,但dan是shi需xu要yao占zhan用yong很hen大da的de麵mian積ji,而er且qie隨sui著zhe係xi統tong複fu雜za度du的de增zeng加jia,多duo處chu都dou會hui用yong到dao阻zu抗kang匹pi配pei,這zhe時shi就jiu需xu要yao在zai片pian上shang去qu集ji成cheng阻zu抗kang匹pi配pei電dian阻zu。而er根gen據ju電dian阻zu本ben身shen的de性xing質zhi,可ke以yi分fen為wei無wu源yuan電dian阻zu和he有you源yuan電dian阻zu,這zhe種zhong分fen類lei屬shu於yu片pian上shang阻zu抗kang匹pi配pei的de範fan疇chou。無源電阻通常采用的是多晶矽電阻,可以將多晶矽直接放到終端作為匹配電阻,多晶矽具有很好的線性度和溫度特性,且電容負載小,但是去缺點就是精度不高。以TSMC 65nm工藝為例,其精度僅為1±30%,但是高速串行接口對匹配電阻的精度要求卻非常高,因此無論是從PVT的角度,還是從多晶矽電阻本身的精度來說,都需要對其進行精確校準。
當前主要的校準方法分為下麵幾類:
偏置校準,主要是通過芯片內部的電流鏡向外部精密校準電阻和內部校準電阻BLOCK灌電流,通過產生的偏置電壓來調節需要校準的電阻模塊,調節的方法也可以分為兩類:模擬電流控製和數字電壓控製。
模擬電流控製是通過模擬偏置電壓控製Vgs電壓,進而控製流過輸出驅動器transistor的電流,其缺陷很明顯,對幹擾和噪聲很明顯;而數字電壓控製,是通過電壓來打開或者關閉並聯的輸出驅動器,對噪聲具有很好的抑製性,也很容易進行數字化。
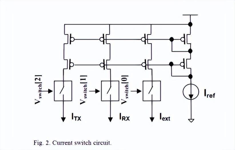
I/O端接阻抗校準電路如圖1所示:包括模擬和數字兩個部分,此外在芯片外部有200ohm的高精度電阻(也可以設計為其它阻抗,比如1.8K等),在芯片內部有一個集成的參考電流鏡電流源源(提供3.25mA的DC電流),該電流鏡有3條支路,分別給TX、RX和外部REXT校準電阻,而每個支路的開關是由CMOS傳輸門(TG)實現的(在忽略失配的情況下,電流鏡的電流假定完全一致)。詳細的電流鏡和開關電路如下圖所示:
校準電路,實際上校準的是TX和RX校準電路的replica blocks(後麵統一稱為複製塊),所謂複製,指的就是的複製實際上的TX/RX的input/output端接匹配電路,有一點差異就是, 複製塊需要校準的阻值和片外精密校準電阻並不一定相等,在此案例中,複製塊目標校準電阻值為200ohm。
如上圖所示,顯示了一個簡單的TX到RX的link架構:TX 輸出端接電阻和輸出buffer,傳輸線(50ohm)和RX端的input端接電阻模塊,而普通的接口,TX隻有1個buffer,RX隻有一個差分運放。
在校準過程中,TX/RX端的端接電阻,會從校準電路已經校準完成後的寄存器中中獲得複製塊的二進製校準代碼,然後在TX/RX的端接電路中設置50ohm的阻抗。因為複製塊的牧寶校準阻抗是高速Link端接阻抗的4倍,因此會在校準代碼的基礎上進行處理,設置在TX/RX端接電阻陣列中,從而產生50ohm的阻抗。
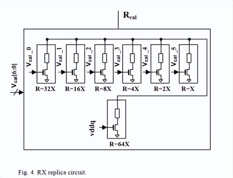
如上圖所示,複製塊電路中,包含不同阻值的GROUP,每個GROUP都有並聯的電阻和控製MOS(可以在截止或者三極管區域工作),每個電阻都可以通過MOS的開關進行控製(使用來自邏輯塊的二進製代碼),每個GROUP的阻值都是下一個的兩倍,在此方案就有7個GROUP,第一個電阻最小(32X),第六個隻有1個電阻(X)。
MSB[5]的二進製代碼連接到最小的電阻GROUP(32X),LSB[5]就連接到了最大的電阻GROUP,為了避免Rcal的電阻過大,因此增加了一組最小的GREOUP(R=64X)。
校準電路在各種PVT條件下,提供了200ohm的恒定電阻,但是通常電阻變化範圍可以達到±50ohm,所以在典型情況下,至少需要150~250ohm的電阻校準範圍,這一條件被用於選擇每個replica模塊的電阻值。
在本文提出的解決方案中,常開的GROUP的阻值為300ohm(64X=300ohm),因此當二進製代碼為0的時候(Vcal=000000),總阻值就是300ohm,而當所有的GROUP都打開時(Vcal=000000),總阻值為150ohm。
對於中間的輸入二進製代碼,在典型的情況下,具有200ohm左右的複製模塊電阻是非常重要的。
TX和RX複製塊的校準原理基本都是一樣的,但是有個小差異:TX的輸出端接電阻block是驅動電路的一部分,上拉和下拉路徑上有兩個transistor,第一個transistor用於數據輸入,第二transistor則被TX複製塊的二進製代碼進行控製,因此對TX電路,隻有下拉電路被用在複製塊中,在校準完成之後,二進製代碼也會被用在TX上拉電路中。事實上,TX的複製快每個電阻都可以表示為兩個NMOS管加上一個電阻串聯,如下圖所示:
第一個transitor接收二進製代碼,第二個晶體管被拉高並且常開,RX複製模塊的單電阻塊被表示為NMOS晶體管(二進製輸入)和電阻串聯連接。
I/O端接電阻校準電路有如下幾個部分組成:
(1)邏輯控製模塊;
(2)多路複用器;
(3)比較器;
邏輯控製模塊用於提供所有的數字信號,比如校準代碼(Vcal)、開關信號(Vswitch)用於控製電流開關、多路複用器、和複位信號去寫數據/複位寄存器(寄存器用於保存校準代碼),比較器用於比較複製塊的校準電壓和外部參考電壓,輸出電壓(Vcomp)作為邏輯模塊的輸入。
校準過程如上表所示,從RX開始,一個3-bit的信號(由邏輯模塊產生),用於控製電流開關,切到RX mode(這意味著沒有電流通過TX 複製塊),電流通過RX複製塊和外部校準電阻,Vswitch信號會控製多路複用器並將其路徑打開。
將RX複製塊的電壓送到比較器中;在下個階段邏輯控製模塊,開始增加6-bit的校準代碼(Vcal)並改變RX複製塊的阻抗,精確校準依賴於校準bit位(bit位越多,校準的就越精確),校準複製塊時,將從最高值(vcal=000000)開始,此時複製塊的阻值大約是300ohm,在校準結束後,複製塊的阻值最小,因為所有的電阻blocks都是打開,並且是並聯狀態(Vcal=111111)。阻值也會落到150ohm,校準step將會有63步。
Nstep=2^n-1
Vext是校準電阻的正相輸入(外部壓降是200*Iref),RX複製模塊的電流也是恒定的(等於Iref),但是其實際阻抗在校準期間是在減小的,因此RX複製塊的壓降也在減小,同時,當複製塊的壓降達到外部參考電壓時(Vact=Vext),比較器的輸出會從0切到1(Vcomp=1),此時邏輯模塊將會停止減小校準碼(Vcal),並將固定的校準碼存儲在寄存器中,這個校準碼將會從寄存器中傳輸給真正的輸入端接模塊,提供固定的50ohm電阻(RX複製塊的1/4)。
免責聲明:本文為轉載文章,轉載此文目的在於傳遞更多信息,版權歸原作者所有。本文所用視頻、圖片、文字如涉及作品版權問題,請聯係小編進行處理。
推薦閱讀:
聚焦智能座艙及車載顯示新技術,新產品︱盡在2024汽車工業技術博覽會
2024廣州國際新能源汽車功率半導體技術展5月與您相約廣州保利世貿博覽館
- 噪聲中提取真值!瑞盟科技推出MSA2240電流檢測芯片賦能多元高端測量場景
- 10MHz高頻運行!氮矽科技發布集成驅動GaN芯片,助力電源能效再攀新高
- 失真度僅0.002%!力芯微推出超低內阻、超低失真4PST模擬開關
- 一“芯”雙電!聖邦微電子發布雙輸出電源芯片,簡化AFE與音頻設計
- 一機適配萬端:金升陽推出1200W可編程電源,賦能高端裝備製造
- 從機械執行到智能互動:移遠Q-Robotbox助力具身智能加速落地
- 品英Pickering將亮相2026航空電子國際論壇,展示航電與電池測試前沿方案
- 模擬芯片設計師的噩夢:晶體管差1毫伏就廢了,溫度升1度特性全飄
- 3A大電流僅需3x1.6mm?意法半導體DCP3603重新定義電源設計
- 芯科科技Tech Talks與藍牙亞洲大會聯動,線上線下賦能物聯網創新
- 車規與基於V2X的車輛協同主動避撞技術展望
- 數字隔離助力新能源汽車安全隔離的新挑戰
- 汽車模塊拋負載的解決方案
- 車用連接器的安全創新應用
- Melexis Actuators Business Unit
- Position / Current Sensors - Triaxis Hall



