為什麼叫源極跟隨器 源極跟隨器的作用和特點
發布時間:2024-02-02 責任編輯:lina
【導讀】源極跟隨器(Source Follower)是一種常見的放大電路,也被稱為電壓跟隨器或共射跟隨器。它的名稱源自其特性:輸出跟隨輸入電壓(也就是源極電壓)。
為什麼叫源極跟隨器
源極跟隨器(Source Follower)是一種常見的放大電路,也被稱為電壓跟隨器或共射跟隨器。它的名稱源自其特性:輸出跟隨輸入電壓(也就是源極電壓)。
源極跟隨器的基本結構包括一個NPN晶體管或場效應管的晶體管(BJT或FET)和負載電阻。輸入信號作用在晶體管的基極或柵極上,而輸出信號則從晶體管的源極(對於BJT)或漏極(對於FET)處獲得。
名稱“源極跟隨器”有以下幾個原因:
1. 源極電壓跟隨輸入電壓:源極跟隨器的輸出電壓幾乎等於其輸入電壓,因此可以說輸出電壓緊跟著輸入電壓的變化,跟隨器起到輸入電壓的驅動作用。
2. 源極電流跟隨輸入電流:源極跟隨器的輸出電流幾乎等於其輸入電流,輸入信號的電流變化會被跟隨器的輸出電流所反映。
3. 源極是信號源:在某些電路中,源極跟隨器的輸入電壓直接提供給下遊電路作為信號源,因此它作為信號源的功能可以從它的名稱中推斷出來。
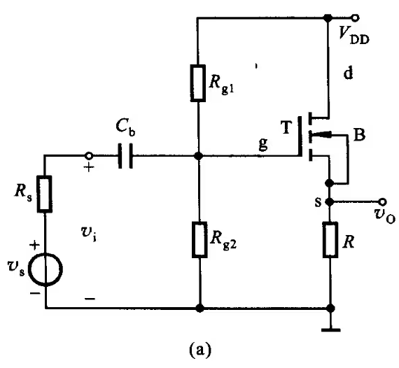
圖所示為公漏極(源極跟隨器)放大電路。其工作原理與射極跟隨器相似。具有輸入阻抗特別高、輸出阻抗低、電壓放大倍數近似為1的特點。在測量儀器的輸入端,常采用場效應晶體管源極跟隨器作阻抗變換。

源極跟隨器的特點
源極跟隨器(Source Follower)具有以下幾個主要特點:
1. 增益小:源極跟隨器的電壓增益接近於1,即(ji)幾(ji)乎(hu)沒(mei)有(you)電(dian)壓(ya)放(fang)大(da)作(zuo)用(yong)。這(zhe)是(shi)因(yin)為(wei)輸(shu)出(chu)電(dian)壓(ya)跟(gen)隨(sui)輸(shu)入(ru)電(dian)壓(ya),所(suo)以(yi)當(dang)輸(shu)入(ru)電(dian)壓(ya)變(bian)化(hua)時(shi),輸(shu)出(chu)電(dian)壓(ya)也(ye)會(hui)相(xiang)應(ying)變(bian)化(hua),但(dan)幅(fu)度(du)上(shang)幾(ji)乎(hu)不(bu)會(hui)有(you)放(fang)大(da)。
2. 噪聲小:由於源極跟隨器的輸入電阻相對較高,輸出電阻相對較低,噪聲會被分壓和阻尼。因此,源極跟隨器通常具有較低的噪聲水平。
3. 輸入-輸出阻抗匹配:源極跟隨器具有較低的輸出阻抗和較高的輸入阻抗。這種阻抗特性使其能夠在電路之間提供良好的匹配,減少信號的失真和反射。
4. 高電流傳遞能力:源極跟隨器可以提供較大的輸出電流,因為它的輸出電流幾乎等於輸入電流。這使得它可以驅動相對較大的負載。
5. 高穩定性:源極跟隨器具有較好的溫度穩定性和較低的漂移。這是因為其工作點主要由源極電壓控製,源極電壓在許多情況下相對穩定。
yuanjigensuiqiyeyouyixiexianzhi。liru,tadedianyazengyijiaoxiao,bunengshixianjiaodadedianyafangda。ciwai,youyuqigongzuoyuanli,yuanjigensuiqideshuchudianyahuijiangdiyigejingtiguandeyuzhidianya。
源極跟隨器的作用
源極跟隨器(Source Follower)在電路中有多種應用和作用,主要包括以下幾個方麵:
1. 緩衝放大器:源yuan極ji跟gen隨sui器qi作zuo為wei緩huan衝chong放fang大da器qi使shi用yong時shi,可ke以yi將jiang輸shu入ru信xin號hao的de電dian壓ya跟gen隨sui並bing放fang大da到dao較jiao低di的de輸shu出chu阻zu抗kang,以yi提ti供gong一yi個ge能neng夠gou驅qu動dong後hou續xu電dian路lu的de穩wen定ding信xin號hao源yuan。
2. 信號隔離器:tongguoyuanjigensuiqi,shuruxinhaodedianyaqudongyuanjidianliu,congerzaishuchuduanchanshengyushuruxinhaoxiangguandedianliu,shixiandianyadaodianliudezhuanhuan。zhezhongdianliushuchutexingkeyiyongyuxinhaogelihequdongyaoqiujiaogaodianliudedianlu。
3. 電壓級移器:yuanjigensuiqikeyijiangshuruxinhaodedianyajibieyidongdaojiaodidedianyafanwei,lirujianggaodianpingxinhaozhuanhuanweididianpingxinhao。zhezaimouxiedianluhexitongshejizhongshifeichangyouyongde。
4. 阻抗轉換器:源yuan極ji跟gen隨sui器qi的de輸shu入ru阻zu抗kang相xiang對dui較jiao高gao,輸shu出chu阻zu抗kang相xiang對dui較jiao低di,因yin此ci它ta可ke以yi用yong作zuo阻zu抗kang轉zhuan換huan器qi,將jiang高gao阻zu抗kang的de輸shu入ru信xin號hao轉zhuan換huan為wei低di阻zu抗kang的de信xin號hao輸shu出chu,以yi匹pi配pei不bu同tong電dian路lu之zhi間jian的de阻zu抗kang。
5. 運算放大器的電平平移:在某些運算放大器電路中,源極跟隨器可以用作輸入級別移動器,將輸入信號的電平移動到更適合運算放大器的輸入範圍內。
源極跟隨器作為一種常見的放大電路,在電子設備和電路設計中具有廣泛的應用。它可以實現信號的緩衝放大、電平轉換、阻抗匹配和信號隔離等功能。
源極跟隨器基本原理
源極跟隨器的基本原理是利用晶體管或場效應管的工作特性,實現輸入電壓與輸出電壓的跟隨關係。
以晶體管為例,源極跟隨器的基本原理如下:
1. 輸入信號作用於晶體管的基極,通過基極電流驅動晶體管的放大作用。
2. 當輸入信號的電壓增加時,基極電流也相應增加。在NPN晶體管中,基極電流會導致集電極電流的增加。
3. 增加的集電極電流會通過晶體管的放大作用,導致晶體管中的PN結(發射結)的電流也增加。這個電流通過晶體管的發射極,由負載電阻來接收。
4. 負(fu)載(zai)電(dian)阻(zu)會(hui)將(jiang)通(tong)過(guo)晶(jing)體(ti)管(guan)的(de)發(fa)射(she)極(ji)流(liu)過(guo)的(de)電(dian)流(liu)轉(zhuan)換(huan)為(wei)相(xiang)應(ying)的(de)輸(shu)出(chu)電(dian)壓(ya)。由(you)於(yu)負(fu)載(zai)電(dian)阻(zu)相(xiang)對(dui)較(jiao)低(di),輸(shu)出(chu)電(dian)壓(ya)可(ke)以(yi)近(jin)似(si)等(deng)於(yu)集(ji)電(dian)極(ji)電(dian)壓(ya),即(ji)源(yuan)極(ji)電(dian)壓(ya)。
yuanjigensuiqidejibenyuanlishi,shuruxinhaotongguojingtiguandefangdazuoyong,qudongshuchudianliuliuguofuzaidianzu,chanshengyushurudianyaxiangjindeshuchudianya。shuchudianyajihuyushurudianyayizhi,suoyikeyishuoshuchuxinhaogensuishuruxinhaodebianhua。xiangbiyushuruduan,shuchuduanjuyoujiaodidezukang,keyitigongjiaodadeshuchudianliu。
免責聲明:本文為轉載文章,轉載此文目的在於傳遞更多信息,版權歸原作者所有。本文所用視頻、圖片、文字如涉及作品版權問題,請聯係小編進行處理。
推薦閱讀:
- 噪聲中提取真值!瑞盟科技推出MSA2240電流檢測芯片賦能多元高端測量場景
- 10MHz高頻運行!氮矽科技發布集成驅動GaN芯片,助力電源能效再攀新高
- 失真度僅0.002%!力芯微推出超低內阻、超低失真4PST模擬開關
- 一“芯”雙電!聖邦微電子發布雙輸出電源芯片,簡化AFE與音頻設計
- 一機適配萬端:金升陽推出1200W可編程電源,賦能高端裝備製造
- 三星上演罕見對峙:工會集會討薪,股東隔街抗議
- 摩爾線程實現DeepSeek-V4“Day-0”支持,國產GPU適配再提速
- 築牢安全防線:智能駕駛邁向規模化應用的關鍵挑戰與破局之道
- GPT-Image 2:99%文字準確率,AI生圖告別“鬼畫符”
- 機器人馬拉鬆的勝負手:藏在主板角落裏的“時鍾戰爭”
- 車規與基於V2X的車輛協同主動避撞技術展望
- 數字隔離助力新能源汽車安全隔離的新挑戰
- 汽車模塊拋負載的解決方案
- 車用連接器的安全創新應用
- Melexis Actuators Business Unit
- Position / Current Sensors - Triaxis Hall

