一款適用於光伏應用的半橋評估板設計
發布時間:2024-08-11 責任編輯:lina
【導讀】光(guang)伏(fu),作(zuo)為(wei)重(zhong)點(dian)發(fa)展(zhan)的(de)新(xin)質(zhi)生(sheng)產(chan)力(li),其(qi)市(shi)場(chang)規(gui)模(mo)仍(reng)在(zai)迅(xun)速(su)發(fa)展(zhan)擴(kuo)大(da)中(zhong),其(qi)技(ji)術(shu)迭(die)代(dai)也(ye)在(zai)不(bu)斷(duan)演(yan)進(jin)升(sheng)級(ji)。英(ying)飛(fei)淩(ling)作(zuo)為(wei)半(ban)導(dao)體(ti)技(ji)術(shu)和(he)市(shi)場(chang)應(ying)用(yong)的(de)領(ling)軍(jun)企(qi)業(ye),發(fa)布(bu)了(le)一(yi)係(xi)列(lie)具(ju)有(you)差(cha)異(yi)化(hua)附(fu)加(jia)價(jia)值(zhi)的(de)創(chuang)新(xin)半(ban)導(dao)體(ti),並(bing)同(tong)時(shi)推(tui)出(chu)了(le)一(yi)款(kuan)適(shi)用(yong)於(yu)光(guang)伏(fu)應(ying)用(yong)的(de)半(ban)橋(qiao)拓(tuo)撲(pu)評(ping)估(gu)板(ban),為(wei)工(gong)程(cheng)師(shi)分(fen)享(xiang)了(le)係(xi)統(tong)設(she)計(ji)的(de)參(can)考(kao)方(fang)案(an),並(bing)提(ti)供(gong)了(le)器(qi)件(jian)性(xing)能(neng)的(de)評(ping)估(gu)平(ping)台(tai)。
光(guang)伏(fu),作(zuo)為(wei)重(zhong)點(dian)發(fa)展(zhan)的(de)新(xin)質(zhi)生(sheng)產(chan)力(li),其(qi)市(shi)場(chang)規(gui)模(mo)仍(reng)在(zai)迅(xun)速(su)發(fa)展(zhan)擴(kuo)大(da)中(zhong),其(qi)技(ji)術(shu)迭(die)代(dai)也(ye)在(zai)不(bu)斷(duan)演(yan)進(jin)升(sheng)級(ji)。英(ying)飛(fei)淩(ling)作(zuo)為(wei)半(ban)導(dao)體(ti)技(ji)術(shu)和(he)市(shi)場(chang)應(ying)用(yong)的(de)領(ling)軍(jun)企(qi)業(ye),發(fa)布(bu)了(le)一(yi)係(xi)列(lie)具(ju)有(you)差(cha)異(yi)化(hua)附(fu)加(jia)價(jia)值(zhi)的(de)創(chuang)新(xin)半(ban)導(dao)體(ti),並(bing)同(tong)時(shi)推(tui)出(chu)了(le)一(yi)款(kuan)適(shi)用(yong)於(yu)光(guang)伏(fu)應(ying)用(yong)的(de)半(ban)橋(qiao)拓(tuo)撲(pu)評(ping)估(gu)板(ban),為(wei)工(gong)程(cheng)師(shi)分(fen)享(xiang)了(le)係(xi)統(tong)設(she)計(ji)的(de)參(can)考(kao)方(fang)案(an),並(bing)提(ti)供(gong)了(le)器(qi)件(jian)性(xing)能(neng)的(de)評(ping)估(gu)平(ping)台(tai)。
guangfudianyapingtaidegaoyahua,keyijiangdixitongchengben,tigaonengliangzhuanhuanxiaolv,jianhuayanfashejifangan,shiguangfuyingyonggongrendefazhanqushizhiyi。weileshixiangaoyapingtaihua,libukaiguangfuban,gonglvqijian,wuyuanqijian,jiegoujiandengdejishufazhan。womenjiugonglvbandaotidefazhan,laikankanduiyuguangfugaoyapingtaideyingxiang。
圖1. 光伏不同電壓平台對應的拓撲和器件
如ru圖tu所suo示shi,對dui於yu更geng高gao平ping台tai的de電dian壓ya,可ke以yi減jian小xiao母mu線xian電dian流liu大da小xiao,從cong而er降jiang低di走zou線xian的de尺chi寸cun,從cong而er減jian少shao成cheng本ben,同tong時shi,電dian感gan,二er極ji管guan和he開kai關guan管guan等deng器qi件jian上shang流liu過guo的de電dian流liu也ye會hui減jian小xiao,從cong而er降jiang低di的de器qi件jian的de成cheng本ben和he係xi統tong的de損sun耗hao。使shi用yong2000V SiC MOSFET後可以簡化電路拓撲,降低係統尺寸和重量。
功率器件介紹
圖2. 2000V SiC MOSFET和X3門極驅動器及其絕緣距離
采用英飛淩TO-247PLUS-4pin封裝的2000V SiC MOSFET,新的封裝可以滿足I.S.EN62109-1-2010《用於光伏電力係統的電力轉換器的安全性- 第1部分:一般要求》的安規要求,背部可以實現三次260°C回流焊,門極開爾文引腳可以降低回路中的寄生電感,從而降低開關中的震蕩尖峰,另外,使用了.XT擴散焊接技術後,也大大降低了器件的熱阻,整個係列涵蓋了各種不同導通電阻的器件可供選擇,如15mΩ,30mΩ,60mΩ,90mΩ和120mΩ等。
另外,采用了英飛淩EiceDRIVER™ Compact 14A單通道磁隔離門極驅動器1ED3124MU12H, 該器件DSO-8寬體封裝可以實現>8mm的爬電距離要求,滿足UL1577-2014光隔離器的UL安全標準認證,可以實現6.8kV耐壓要求,非常適用於IGBT和SiC MOSFET的門極驅動。
安規絕緣要求
根據I.S.EN62109-1-2010標準要求,我們設定光伏電壓1500V,海拔2000米以下,過電壓等級為II,如圖3所示,通過查表9可以得到基本絕緣的電氣間隙要求是5.5mm。
圖3. 電氣間隙距離要求
同理,設定工作有效值電壓1500V,汙染等級2,材料等級II的情況下,通過查表10通過插值法可得爬電距離要求為10.43mm。
圖4. 爬電距離要求
基於以上分析,設計了一款適用於光伏MPPT應用的評估板,功能邏輯框圖和3D設計圖如圖5所示。
圖5. 評估板邏輯框圖和3D設計圖
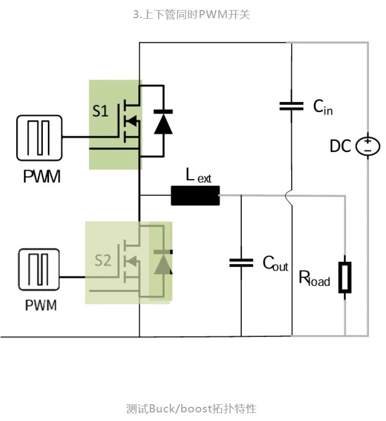
該評估板使用的半橋拓撲,在GUI上可以十分方便靈活的設置開關使能,PWM頻率,占空比和死區時間大小,來分別單獨開關上管或者下管,可以實現如下的幾種不同的功能。
圖6. 評估板不同應用組合拓撲電路
因為SiC MOSFET的高速開關特性,在PCB設計中,需要格外注意SiC MOSFET的門極驅動回路和功率回路,盡量減小開關回路中寄生的電感,電容和電阻,來保證係統運行中盡量低的噪音。
圖7. 門極驅動開通和斷開回路
測試波形
為了驗證評估板的特性,做了一下雙脈衝測試,雙脈衝可以用來來驗證器件的開關特性,模擬調試一下開關震蕩(選擇驅動電阻大小,吸收電路,開關環路等)。測試條件是平台電壓1500V,雙脈衝電流50A。
黃色為VGS,藍色為VDS,綠色為IDS。
圖8. 使用鐵矽鋁繞線電感和使用空心電感對比波形
shiyonglewaijiedekongxindiangan,dianganliangzhibuhuisuizhedianliudaxiaohewenduerbianhua。shiyongleduoguxianraozhi,yejiangdilequfuxiaoying。tongshiyebucunzaixianquanyucixinzhijiandejishengdianrong,congerbuhuiyouyixieyichangdedianliujianfeng,suoyishuangmaichongceshidejieguobishijiyingyongzhongdetieyangtihuotiefenxindianganxiaoguoxiangduiyaohao。
圖9. 使用不同母線電容後對比波形
Ceralink電容和X7R電容都屬於高頻電容,尺寸相對小,放在母線上靠近SiC MOSFET,可以很好的吸收一些高頻的電流和電壓尖峰,通過如圖9所示的對比,可以看到普通X7R的濾波特性相比容值更大的Ceralink好像還要更好一些。
圖10. 使用不同RC snubber吸收電路後對比波形
如圖10所示,通過在上管和下管DS端上分別並聯不同的RC snubber(X7R電容)吸收電路後,雙脈衝測試波形沒有十分明顯的改善,說明snubber對於吸收震蕩尖峰的效果不是很明顯。
總結
設計了一種適用於光伏MPPT的(de)評(ping)估(gu)板(ban),介(jie)紹(shao)了(le)設(she)計(ji)的(de)背(bei)景(jing)需(xu)求(qiu),設(she)計(ji)的(de)框(kuang)架(jia),功(gong)率(lv)器(qi)件(jian)和(he)門(men)極(ji)驅(qu)動(dong)器(qi)的(de)選(xuan)擇(ze),安(an)規(gui)規(gui)範(fan)的(de)要(yao)求(qiu),電(dian)路(lu)設(she)計(ji)的(de)要(yao)點(dian),最(zui)後(hou)給(gei)出(chu)了(le)一(yi)下(xia)測(ce)試(shi)和(he)調(tiao)試(shi)的(de)波(bo)形(xing)和(he)經(jing)驗(yan),選(xuan)擇(ze)一(yi)款(kuan)性(xing)能(neng)優(you)良(liang)的(de)功(gong)率(lv)管(guan),並(bing)在(zai)布(bu)板(ban)設(she)計(ji)時(shi)候(hou)充(chong)分(fen)考(kao)慮(lv)減(jian)小(xiao)開(kai)關(guan)回(hui)路(lu),可(ke)以(yi)極(ji)大(da)的(de)節(jie)省(sheng)調(tiao)試(shi)研(yan)發(fa)時(shi)間(jian),提(ti)升(sheng)整(zheng)體(ti)係(xi)統(tong)的(de)質(zhi)量(liang)。
(作者: 施三保,文章來源:英飛淩工業半導體)
免責聲明:本文為轉載文章,轉載此文目的在於傳遞更多信息,版權歸原作者所有。本文所用視頻、圖片、文字如涉及作品版權問題,請聯係小編進行處理。
推薦閱讀:
- 噪聲中提取真值!瑞盟科技推出MSA2240電流檢測芯片賦能多元高端測量場景
- 10MHz高頻運行!氮矽科技發布集成驅動GaN芯片,助力電源能效再攀新高
- 失真度僅0.002%!力芯微推出超低內阻、超低失真4PST模擬開關
- 一“芯”雙電!聖邦微電子發布雙輸出電源芯片,簡化AFE與音頻設計
- 一機適配萬端:金升陽推出1200W可編程電源,賦能高端裝備製造
- 芯科科技Tech Talks與藍牙亞洲大會聯動,線上線下賦能物聯網創新
- 冬季續航縮水怎麼辦?揭秘熱管理係統背後的芯片力量
- 從HDMI 2.1到UFS 5.0:SmartDV以領先IP矩陣夯實邊緣計算基石
- 小空間也能實現低噪供電!精密測量雙極性電源選型指南,覆蓋小功率到大電流全場景
- 直擊藍牙亞洲大會 2026:Nordic 九大核心場景演繹“萬物互聯”新體驗
- 車規與基於V2X的車輛協同主動避撞技術展望
- 數字隔離助力新能源汽車安全隔離的新挑戰
- 汽車模塊拋負載的解決方案
- 車用連接器的安全創新應用
- Melexis Actuators Business Unit
- Position / Current Sensors - Triaxis Hall



