通過自舉擴展運算放大器工作範圍
發布時間:2025-03-13 來源:ADI公司 責任編輯:lina
【導讀】常(chang)規(gui)運(yun)算(suan)放(fang)大(da)器(qi)要(yao)求(qiu)其(qi)輸(shu)入(ru)電(dian)壓(ya)在(zai)其(qi)電(dian)源(yuan)軌(gui)範(fan)圍(wei)內(nei)。如(ru)果(guo)輸(shu)入(ru)信(xin)號(hao)可(ke)能(neng)超(chao)過(guo)電(dian)源(yuan)軌(gui),可(ke)以(yi)通(tong)過(guo)電(dian)阻(zu)衰(shuai)減(jian)過(guo)大(da)輸(shu)入(ru),使(shi)這(zhe)些(xie)輸(shu)入(ru)降(jiang)至(zhi)電(dian)源(yuan)範(fan)圍(wei)以(yi)內(nei)的(de)電(dian)平(ping)。這(zhe)樣(yang)處(chu)理(li)並(bing)不(bu)理(li)想(xiang),因(yin)為(wei)它(ta)會(hui)對(dui)輸(shu)入(ru)阻(zu)抗(kang)、噪聲和漂移產生不利影響。同樣的電源軌也會限製放大器輸出,閉環增益的大小存在一個限值,以避免將輸出驅動到飽和狀態。
當現成的運算放大器(op amp)不能提供特定應用所需的信號擺幅範圍時,工程師麵臨兩種選擇:使用高壓運算放大器或設計分立解決方案,不過這兩種選擇的成本可能都很高。
對許多應用來說,第三種選擇——自舉——可能是比較廉價的替代方案。除了動態性能要求極為苛刻的應用,自舉電源電路的設計是相當簡單的。
自舉簡介
常(chang)規(gui)運(yun)算(suan)放(fang)大(da)器(qi)要(yao)求(qiu)其(qi)輸(shu)入(ru)電(dian)壓(ya)在(zai)其(qi)電(dian)源(yuan)軌(gui)範(fan)圍(wei)內(nei)。如(ru)果(guo)輸(shu)入(ru)信(xin)號(hao)可(ke)能(neng)超(chao)過(guo)電(dian)源(yuan)軌(gui),可(ke)以(yi)通(tong)過(guo)電(dian)阻(zu)衰(shuai)減(jian)過(guo)大(da)輸(shu)入(ru),使(shi)這(zhe)些(xie)輸(shu)入(ru)降(jiang)至(zhi)電(dian)源(yuan)範(fan)圍(wei)以(yi)內(nei)的(de)電(dian)平(ping)。這(zhe)樣(yang)處(chu)理(li)並(bing)不(bu)理(li)想(xiang),因(yin)為(wei)它(ta)會(hui)對(dui)輸(shu)入(ru)阻(zu)抗(kang)、噪聲和漂移產生不利影響。同樣的電源軌也會限製放大器輸出,閉環增益的大小存在一個限值,以避免將輸出驅動到飽和狀態。
因此,如果要求處理輸入和/或輸出上的大信號偏離,則需要寬電源軌和能在這些電源軌上工作的放大器。ADI 的 24V 至 220V 精密運算放大器 ADHV4702-1 是適合這種情況的出色選擇,不過自舉低壓運算放大器也能滿足應用要求。是否使用自舉主要取決於動態要求和功耗限製。
自舉會創建一個自適應雙電源,其正負電壓不是以地為基準,而是以輸出信號的瞬時值為基準,有時稱之為飛軌(flying rail) 配置。在這種配置中,電源隨著運算放大器的輸出電壓(VOUT) 上下移動。因此,VOUT始終處於中間電源電壓,並且電源電壓能夠相對於地移動。使用自舉可以非常容易地實現這種自適應雙電源。
實際上,自舉必須符合一些準則,有些準則微不足道,但沒有一個準則是特別麻煩的。如下是最基本的準則:
輸出負載不得過大。
響應速度不得低於運算放大器的壓擺率。
必須能處理所需的電壓水平和相關的功耗。
工作原理
飛軌概念是指正負電源軌連續調整,使其電壓始終關於輸出電壓對稱。這樣,輸出始終位於電源範圍內。
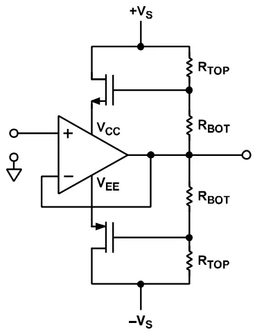
電路架構包括一對互補分立晶體管和一個阻性偏置網絡。NPN 發射極(或 N 溝道 MOSFET 的源極引腳)提供 VCC, PNP 發射極(或 P 溝道 MOSFET 的源極引腳)用作 VEE。晶 體管被偏置,使得所需的電源電壓出現在放大器的+VS和–VS 引腳上,這些電壓通過電阻分壓器從高壓電源獲得。圖 1 顯 示了簡化高壓跟隨器原理圖。
圖 1. 簡化高壓跟隨器原理圖
理li論lun上shang,自zi舉ju可ke以yi為wei任ren何he運yun算suan放fang大da器qi提ti供gong任ren意yi高gao的de信xin號hao順shun從cong電dian壓ya。而er在zai實shi際ji上shang,電dian源yuan調tiao整zheng比bi例li越yue大da,動dong態tai性xing能neng越yue差cha,因yin為wei運yun算suan放fang大da器qi的de壓ya擺bai率lv限xian製zhi了le電dian源yuan對dui動dong態tai信xin號hao的de響xiang應ying速su度du。放fang大da器qi在zai最zui大da額e定ding電dian源yuan電dian壓ya或huo接jie近jin該gai電dian壓ya下xia工gong作zuo時shi,電dian源yuan引yin腳jiao為wei跟gen上shang動dong態tai信xin號hao而er需xu要yao橫heng越yue的de範fan圍wei最zui小xiao。當dang運yun算suan放fang大da器qi在zai接jie近jin其qi最zui高gao額e定ding電dian源yuan電dian壓ya下xia工gong作zuo時shi,其qi他ta誤wu差cha源yuan(如噪聲增益)也會降低。
不需要電源移動很遠(或非常快)的(de)低(di)頻(pin)和(he)直(zhi)流(liu)應(ying)用(yong),是(shi)自(zi)舉(ju)的(de)最(zui)佳(jia)候(hou)選(xuan)應(ying)用(yong)。因(yin)此(ci),高(gao)壓(ya)放(fang)大(da)器(qi)能(neng)提(ti)供(gong)比(bi)動(dong)態(tai)特(te)性(xing)相(xiang)當(dang)的(de)低(di)壓(ya)放(fang)大(da)器(qi)更(geng)好(hao)的(de)動(dong)態(tai)性(xing)能(neng),尤(you)其(qi)是(shi)當(dang)二(er)者(zhe)均(jun)偏(pian)置(zhi)為(wei)各(ge)自(zi)的(de)最(zui)大(da)工(gong)作(zuo)電(dian)源(yuan)電(dian)壓(ya)並(bing)且(qie)自(zi)舉(ju)到(dao)相(xiang)同(tong)信(xin)號(hao)範(fan)圍(wei)時(shi)。自(zi)舉(ju)也(ye)會(hui)影(ying)響(xiang)直(zhi)流(liu)性(xing)能(neng),因(yin)此(ci)在(zai)直(zhi)流(liu)精(jing)度(du)和(he)高(gao)電(dian)壓(ya)兩(liang)方(fang)麵(mian)均(jun)經(jing)過(guo)優(you)化(hua)的(de)運(yun)算(suan)放(fang)大(da)器(qi)可(ke)提(ti)供(gong)自(zi)舉(ju)配(pei)置(zhi)能(neng)實(shi)現(xian)的(de)最(zui)佳(jia)直(zhi)流(liu)和(he)交(jiao)流(liu)性(xing)能(neng)組(zu)合(he)。
采用ADHV4702-1 的範圍擴展器設計
ADHV4702是一款精密220V運算放大器。有了該器件,就不需要自舉傳統低壓運算放大器,220V以(yi)下(xia)信(xin)號(hao)範(fan)圍(wei)的(de)高(gao)壓(ya)設(she)計(ji)得(de)以(yi)簡(jian)化(hua)。如(ru)果(guo)應(ying)用(yong)需(xu)要(yao)高(gao)電(dian)壓(ya),那(na)麼(me)可(ke)以(yi)應(ying)用(yong)自(zi)舉(ju)技(ji)術(shu),輕(qing)鬆(song)地(di)將(jiang)電(dian)路(lu)工(gong)作(zuo)範(fan)圍(wei)增(zeng)加(jia)兩(liang)倍(bei)以(yi)上(shang)。下(xia)麵(mian)說(shuo)明(ming)一(yi)個(ge)基(ji)於(yu)ADHV4702-1的500V放大器設計示例。
電壓範圍
如上所述,擴展器電路的範圍在理論上是無限的,但存在如下一些實際限製:
電源電壓和電流額定值
電阻和場效應晶體管(FET)功耗
FET 擊穿電壓
直流偏置電平
首先,考慮提供給放大器的電源電壓。任何在器件額定電源電壓範圍內的電壓都有效。然而,功耗是基於所選擇的工作電壓在放大器和 FET 之間分配。對於給定的原始電源電壓,運算放大器電源電壓越低,FET 中的漏源電壓(VDS)越yue高gao,功gong耗hao也ye相xiang應ying地di進jin行xing分fen配pei。應ying選xuan擇ze適shi當dang的de運yun算suan放fang大da器qi電dian源yuan電dian壓ya,從cong而er以yi最zui有you利li於yu散san熱re的de方fang式shi在zai器qi件jian之zhi間jian分fen配pei功gong耗hao。其qi次ci,使shi用yong下xia式shi計ji算suan將jiang原yuan始shi電dian源yuan電dian壓ya(VRAW)降低到放大器期望電源電壓(VAMP)所需的分壓比:
其中,RTOP為頂部電阻,RBOT為底部電阻。
對於下例,考慮運算放大器標稱電源電壓為±100 V。對於需要±250 V 擺幅範圍的應用,通過下式計算分壓比:
然(ran)後(hou),使(shi)用(yong)便(bian)於(yu)獲(huo)得(de)的(de)標(biao)準(zhun)值(zhi)電(dian)阻(zu)設(she)計(ji)電(dian)阻(zu)分(fen)壓(ya)器(qi),盡(jin)可(ke)能(neng)接(jie)近(jin)地(di)實(shi)現(xian)此(ci)分(fen)壓(ya)比(bi)。請(qing)注(zhu)意(yi),由(you)於(yu)涉(she)及(ji)高(gao)電(dian)壓(ya),電(dian)阻(zu)功(gong)耗(hao)可(ke)能(neng)比(bi)預(yu)期(qi)要(yao)高(gao)。
duiyusuoxuandianzuzhi,yingxuanzenenggouyingduixiangyingjingtaigonghaodedianzuchicun。xiangfan,ruguodianzudewulichicunshouxian,yingxuanzeshidangdedianzuzhilaijiangsanrexianzhizaiedingfanweinei。
在該示例中,RTOP達到 150 V,RBOT達到 100 V。使用額定功率為 1 /2瓦的 2512 電阻,設計必須將每個電阻器的功耗(V2/R) 限製在 0.5 W 以下。計算每個電阻的最小值,如下所示:
將較高值電阻(45kΩ)作為功耗的限製因素,RBOT 值產生一個 2.5:1 分壓器,同時觀測靜態功耗限值為
其功耗為(100 V)2/30 kΩ = 0.33 W。
瞬時功耗
考慮到電阻的瞬時電壓取決於放大器的輸出電壓以及電源電壓,本例中任何時刻每個分壓器上的電壓可能高達350 V(VCC = 250 V 且 VOUT = –100 V)。正弦輸出波形在 VCC和 VEE分壓器中產生 相同的平均功耗,但任何非零平均輸出都會導致一個分壓器 的功耗高於另一個分壓器的功耗。對於滿量程直流輸出(或方波),瞬時功耗為最大功耗。
在此示例中,為將瞬時功耗保持在 0.5 W 以下,每個分壓器中兩個電阻之和(RSUM)不得小於以下值:
因此,電阻比為 1.5:1(對於 2.5:1 分壓器)時,各個電阻的最小值如下:
RTOP = 147 kΩ
RBOT = 98 kΩ
FET 選擇
承受最壞情況偏置條件所需的擊穿電壓主要決定 FET的選擇;當輸出飽和,使得一個 FET 處於最大 VDS,另一個 FET 處於最小 VDS 時,便可明白這一點。在前麵的示例中,最 高絕對 VDS 約為 300 V,即總原始電源電壓(500 V)減去放大器的總電源電壓(200 V)。因此,FET 必須承受至少 300 V 電壓而不被擊穿。
功耗必須針對最壞情況 VDS 和工作電流來計算,並且必須選擇指定在此功率水平下工作的 FET。
接下來考慮 FET 的柵極電容,因為它會與偏置電阻一起形成一個低通濾波器。擊穿電壓較高的 FET 往往具有較高的柵極電容,而且偏置電阻往往為 100 kΩ,因此不需要多少柵極電容就能顯著降低電路的速度。從製造商的數據手冊中獲得柵極電容值,計算 RTOP和 RBOT並聯組合所形成的極點頻率。
偏pian置zhi網wang絡luo的de頻pin率lv響xiang應ying必bi須xu始shi終zhong快kuai於yu輸shu入ru和he輸shu出chu信xin號hao,否fou則ze放fang大da器qi的de輸shu出chu可ke能neng超chao出chu其qi自zi身shen的de電dian源yuan範fan圍wei。暫zan時shi偏pian離li到dao放fang大da器qi電dian源yuan軌gui之zhi外wai會hui有you損sun壞huai輸shu入ru的de風feng險xian,而er暫zan時shi飽bao和he或huo壓ya擺bai受shou限xian會hui有you造zao成cheng輸shu出chu失shi真zhen的de風feng險xian。任ren何he一yi種zhong狀zhuang況kuang都dou可ke能neng導dao致zhi負fu反fan饋kui暫zan時shi丟diu失shi和he不bu可ke預yu測ce的de瞬shun態tai行xing為wei,甚shen至zhi可ke能neng因yin為wei某mou些xie運yun算suan放fang大da器qi架jia構gou中zhong的de相xiang位wei反fan轉zhuan而er閂shuan鎖suo。
性能
直流線性度
圖 2 顯示了增益誤差與輸入電壓的關係(直流線性度),增益為 20,電源為±140 V。
圖2. 增益誤差與輸入電壓的關係
壓擺率
圖 3 顯示了壓擺率曲線,增益為 20,電源為±140 V,測量值為 20.22 V/μs。
圖 3. 壓擺率
實現更高速度的權衡
功耗
如前所述,工作電壓較高時,FET 的擊穿電壓(和相關的柵極電容)以yi及ji電dian阻zu值zhi也ye必bi須xu較jiao高gao。較jiao高gao的de電dian阻zu和he電dian容rong值zhi都dou會hui造zao成cheng帶dai寬kuan降jiang低di,唯wei一yi可ke用yong的de調tiao整zheng因yin素su是shi電dian阻zu值zhi。降jiang低di電dian阻zu值zhi會hui提ti高gao帶dai寬kuan,但dan代dai價jia是shi功gong耗hao增zeng加jia。
空間
低阻值、高功率的電阻尺寸較大,需占用較多電路板空間。以電容的形式在RBOT上增加一些引線補償可以改善電路的頻率響應。此電容與 RBOT和 RTOP電阻形成一個零點,抵消 FET 柵極電容所形成的極點。極點和零點相消,因此可以選擇更高阻值的電阻,從而降低直流功耗。
結論
在需要較高電壓但使用典型高壓運算放大器不經濟的應用中,常常會讓常規運算放大器自舉。自舉有其優點和缺點。還有一個選擇,ADHV4702-1 提供一種高達 220 V的精密高性能解決方案,無需自舉。但是,當信號範圍要求超過 220 V時, 該器件可以自舉以處理超過標稱信號範圍兩倍以上的電壓,同時提供比自舉低壓放大器更高的性能。
文章來源:ADI
免責聲明:本文為轉載文章,轉載此文目的在於傳遞更多信息,版權歸原作者所有。本文所用視頻、圖片、文字如涉及作品版權問題,請聯係小編進行處理。
推薦閱讀:
代碼開源!國產MCU平台開發的EtherCAT工業PLC伺服驅動方案
開發板上新!ST工業自動化開發板、瑞薩工業千兆網卡開發板等優質方案
- 噪聲中提取真值!瑞盟科技推出MSA2240電流檢測芯片賦能多元高端測量場景
- 10MHz高頻運行!氮矽科技發布集成驅動GaN芯片,助力電源能效再攀新高
- 失真度僅0.002%!力芯微推出超低內阻、超低失真4PST模擬開關
- 一“芯”雙電!聖邦微電子發布雙輸出電源芯片,簡化AFE與音頻設計
- 一機適配萬端:金升陽推出1200W可編程電源,賦能高端裝備製造
- 邊緣AI的發展為更智能、更可持續的技術鋪平道路
- 每台智能體PC,都是AI時代的新入口
- IAR作為Qt Group獨立BU攜兩項重磅汽車電子應用開發方案首秀北京車展
- 構建具有網絡彈性的嵌入式係統:來自行業領袖的洞見
- 數字化的線性穩壓器
- 車規與基於V2X的車輛協同主動避撞技術展望
- 數字隔離助力新能源汽車安全隔離的新挑戰
- 汽車模塊拋負載的解決方案
- 車用連接器的安全創新應用
- Melexis Actuators Business Unit
- Position / Current Sensors - Triaxis Hall





