高功率高電壓儲能係統電源方案選型指南 :安森美解決方案架構與性能解析
發布時間:2025-10-15 來源:轉載 責任編輯:Lily
【導讀】圍繞儲能係統(ESS)展開,先介紹其可儲存煤炭、核能等不同發電方式的能量,再聚焦熱門的電池儲能係統(BESS)。BESS 應用廣泛,住宅場景中可作備用電源並幫用戶節省電費,商業場景下能管理清潔能源、緩解電網壓力。文中還給出交流耦合電池儲能係統框圖,推薦安森美解決方案,涵蓋 SiC 器件、IGBT 等關鍵產品,為該領域電源方案選型提供參考。
_20251015143612_566.jpg)
高功率高電壓儲能係統電源方案選型指南 :安森美解決方案架構與性能解析
作者:安森美
儲能係統(ESS)能將來自不同發電方式(煤炭、核能、風能、太陽能等)的能量,以多種形式儲存起來,例如電化學儲能、機械儲能等。電池儲能係統(BESS,Battery Energy Storage System)在住宅和商業場景中均有廣泛應用,是比較熱門的一個研究領域。
zaizhuzhaichangjingxia,dianchichunengxitongkezuoweibeiyongdianyuan,bimiantufatingdianwenti,tongshitongguojiangdiannengcongdianjiadigushiduanzhuanyizhidianjiagaofengshiduanshiyong,bangzhuyonghujieyueyongdianchengben。zaishangyechangjingxia,chunengxitongdeguimotongchanggengda,qinenggaoxiaocunchuheguanlitaiyangnengnibianqichanshengdeqingjienengyuan,congershixianditanpaifang。rujin,dianchichunengxitongdelingyiguanjianzuoyongzaiyu,tanenghuanjieyindiandongqiche(EV)充電需求日益增長而帶來的電網壓力。本文將全麵介紹儲能係統和市場情況,以及安森美(onsemi)的領先產品與解決方案。
框圖 - 交流耦合電池儲能係統
下圖展示了安森美推薦的交流耦合電池儲能係統解決方案。 該係統通過使用一個逆變器, 可實現交流電儲能, 兼具靈活性和可靠性。 安森美提供其中的關鍵產品,包括分立式碳化矽(SiC) 器件和IGBT, 電源模塊、 隔離柵極驅動器以及電源管理控製器, 適用於住宅和商業應用。
框圖 - 直流耦合電池儲能係統
下圖展示了安森美推薦的直流耦合電池儲能係統解決方案。 該係統直接從光伏組件存儲電能, 最大程度降低轉換損耗, 保障係統效率。 安森美提供的關鍵產品包括分立式碳化矽(SiC) 器件和IGBT, 電源模塊、隔離型柵極驅動器以及電源管理控製器, 適用於住宅、 商業和公用事業應用。

用於電池儲能係統的電源模塊解決方案

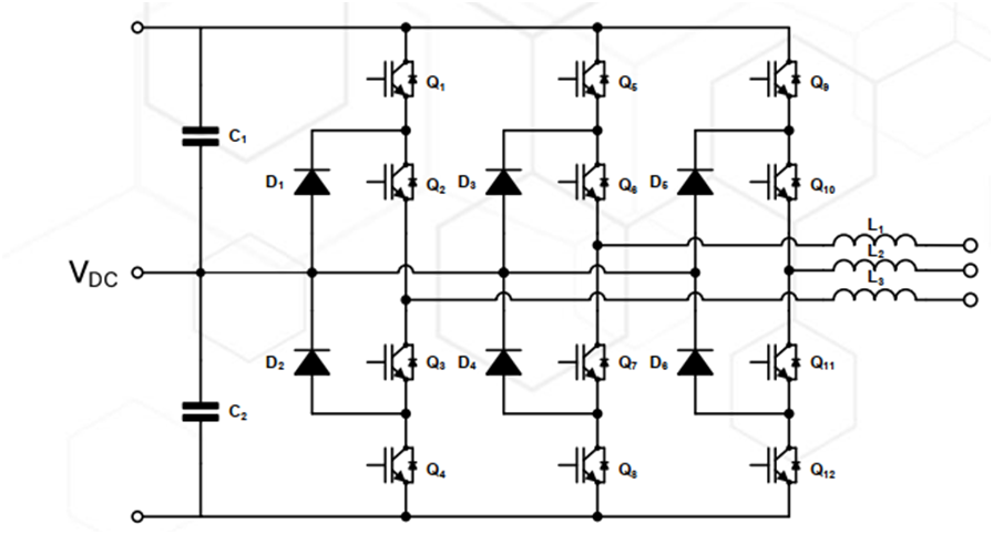
圖 1:三電平 I-NPC 拓撲

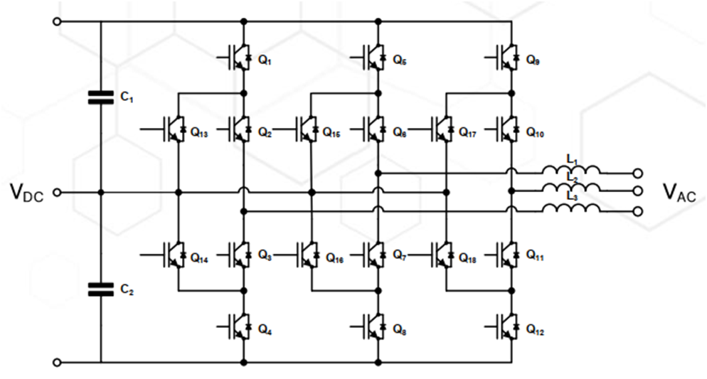
圖 2:三電平 ANPC 拓撲
三電平I-NPC和三電平ANPC是電源轉換係統(PCS) 中常見的雙向拓撲結構, 可滿足輸出功率不斷增長的需求。 與兩電平拓撲相比, 三電平拓撲需要更多的元器件、 驅動信號以及更複雜的控製結構。 但其優勢也十分明顯:三電平結構能夠有效降低功率損耗和電流紋波(由於所承受電壓減半) , 並具有更好的抗電磁幹擾(EMI) 性能。
· NXH800H120L7QDSG 是安森美最新推出的 QDual3 係列 1200V 800A 半橋 IGBT 電源模塊, 具有更低的導通損耗和開關損耗, 從而實現高效率和卓越的可靠性。 通過並聯多個 QDual3 模塊, 可以構成三電平 ANPC 模塊, 係統的設定輸出功率可高達 1.6MW 至 1.8MW。
· NXH600N105L7F5S1HG 是安森美最新推出的 F5BP 係列1050V 600A I-NPC IGBT 電源模塊。 該 F5BP 模塊在熱性能方麵表現出色, 其熱阻比 F5-PIM 模塊低 9%。 它結合了矽(Si) 和碳化矽(SiC) 器件, 優化了設計靈活性, 支持1500V DC係統, 是公用事業級應用的理想之選。

圖 3: QDual3 封裝

圖 4: F5BP 封裝

DESAT(去飽和) 是大功率轉換中首選的重要保護措施之一。它可以通過盡快關斷開關器件來防止 IGBT/MOSFET 因短路而損壞。
NCD57000 集成了去飽和檢測功能, 當 VCESAT 達到設定閾值時, 內部的 STO(軟關斷) MOSFET 會被激活, 對柵極電容放電, 以降低因高 dV/dt 引起的過壓應力和損耗。
此外, 這款單通道柵極驅動器還具有高達 4A/6A 的拉灌電流能力, 5 kVrms 的電氣隔離, 以及其它保護功能, 如欠壓鎖定(UVLO) 、 有源米勒鉗位等。
- 噪聲中提取真值!瑞盟科技推出MSA2240電流檢測芯片賦能多元高端測量場景
- 10MHz高頻運行!氮矽科技發布集成驅動GaN芯片,助力電源能效再攀新高
- 失真度僅0.002%!力芯微推出超低內阻、超低失真4PST模擬開關
- 一“芯”雙電!聖邦微電子發布雙輸出電源芯片,簡化AFE與音頻設計
- 一機適配萬端:金升陽推出1200W可編程電源,賦能高端裝備製造
- 芯科科技Tech Talks與藍牙亞洲大會聯動,線上線下賦能物聯網創新
- 冬季續航縮水怎麼辦?揭秘熱管理係統背後的芯片力量
- 從HDMI 2.1到UFS 5.0:SmartDV以領先IP矩陣夯實邊緣計算基石
- 小空間也能實現低噪供電!精密測量雙極性電源選型指南,覆蓋小功率到大電流全場景
- 直擊藍牙亞洲大會 2026:Nordic 九大核心場景演繹“萬物互聯”新體驗
- 車規與基於V2X的車輛協同主動避撞技術展望
- 數字隔離助力新能源汽車安全隔離的新挑戰
- 汽車模塊拋負載的解決方案
- 車用連接器的安全創新應用
- Melexis Actuators Business Unit
- Position / Current Sensors - Triaxis Hall




