陰極保護電源的設計
發布時間:2010-07-29
中心議題:
當前,城市燃氣、輸油、輸水、電力電纜、通訊光纖等埋地管線越來越密集複雜,管道防腐層由於埋地時間長而出現老化、脫落,造成管道腐蝕、穿孔,引發泄漏,爆炸等,從而造成不可估計的損失。
chuantongdeguandaofangfufangfashizaiguandaoshangtushangyouqihuochanraofuhecailiaozuoweifangfujueyuanceng,caiyongzhezhongfangshifangfudeguandaoyinfangfucengrongyituoluoheyishoufushi,guqishiyongshoumingduan,shigongfansuo,fangfuxiaoguocha。xiandaideguandaofangfuyibancaiyongdianhuaxueyuanli,shixingyinjibaohudefangfa,xiangbeibaohujinshuguandaotongruheshidezhiliudian,shiqiduiyuyangjijiedizhuangzhibianchengyigedayinji,duibaohuguandaoxingchengbaohudianwei,congershifushijiangdidaozuidixiandu,jineryanchangguandaodeshiyongshouming。
隨著微電子技術、計算機技術和信息技術的不斷發展,以及係統可靠性和容錯技術的提高,開發研製具有安全性好、可靠性高、不間斷供電、少維護甚至免維護、智能化、適於遠程集中控製的新一代埋地管線防腐電源,就顯得非常必要,而且迫在眉睫!這也是本文研究的關鍵所在。
外加電流陰極保護係統
從cong陰yin極ji保bao護hu原yuan理li中zhong得de知zhi,由you外wai部bu直zhi流liu電dian源yuan向xiang被bei保bao護hu的de金jin屬shu構gou築zhu物wu施shi加jia陰yin極ji電dian流liu,可ke使shi其qi發fa生sheng陰yin極ji極ji化hua,達da到dao降jiang低di甚shen至zhi完wan全quan抑yi製zhi金jin屬shu腐fu蝕shi的de目mu的de。由you此ci決jue定ding了le外wai加jia電dian流liu陰yin極ji保bao護hu係xi統tong的de3個組成部分:直流電源,輔助陽極和被保護的陰極。如圖1為埋地管線外加電流陰極保護係統。

半橋電壓型PWM控製方案的選擇
1PWM開關變換技術簡介
suizhegonglvkaiguanqijiandequankonghua,dianlidianzijishuyijingjinrulenibianshidai。dianlikaiguanbianhuanjishushizhongshidianlidianzijishudezhongyaozuchengbufen,yeyizhishirenmendezhongdianyanjiufangxiang,muqianbijiaoyoudaibiaoxingdedianlikaiguanbianhuanjishuyoumaichongkuandutiaozhi(PWM)、脈衝頻率調製(PFM)和混合調製方式(PWM和PFM的混合)。

PWM是脈衝寬度調製(PulseWidthModulation)的簡稱,這種方式采用恒定開關頻率(即恒定開關周期),用改變導通脈衝寬度,即通過改變Ton或Toff來改變導通比。PWM控製方式以其電路簡單、控製方便從而在DC/DC和DC/AC電路中獲得了極為廣泛的應用。脈寬調製型控製電路的基本結構如圖2所示。[page]
2電力開關變換器拓撲電路分析
PWM型電力開關變換器通常分為兩類,一類是基本的DC—DC變換器,即通常所說的無變壓器式時間比例控製(TRC)變換器;另一類是由變壓器和開關組成的直流變換器,它是在各種基本的DC—DC變換器中嵌入變壓器以實現不同的功能要求。
按照變換功能可將DC—DC變換器分為兩種,一種是電壓-電壓變換器,即這種變換器輸入是一個電壓源,輸出也是一個電壓源。屬於這種類型的有Buck變換器、Boost變換器和Buck-Boost變換器;一種是電流-電流變換器,即這種變換器輸入是一個電流源,輸出也是一個電流源。屬於這種類型的有Cuk變換器、帶有輸入濾波器的Buck變換器和帶有輸出濾波器的Boost變換器。
3半橋型功率變換器的工作原理

本文選用半橋電路的拓撲結構形式,采用電壓型反饋控製模式。 半橋電路的原理圖如圖3。
主電路設計
1輸入級的結構設計

在開關整流模塊中,輸入級的結構如圖4所示。從圖中可知,此部分主要由熔斷器、浪湧電壓抑製電路、自動空氣開關、合閘控製電路、抗EMI電路等組成。
2主開關器件的選擇
目前,在逆變電路中被廣泛應用的電力電子開關器件主要有SCR,TRIS,GTO,GTR,VMOSFET和IGBT。由於他們的電流容量和開關速度各不相同,所以他們在逆變電路中其中的應用範圍也不相同。在設計中,電源輸出功率為500W,逆變頻率為100KHz,根據以上原則,主開關器件選用VMOSFET,VMOSFET型號選擇為IRFP450。
3驅動電路的選擇
在大功率場合,VMOSFETdequdongdianlubulunshifenliqijianhaishijichengdianlu,zhuyaocaiyongguangdianouhehuobianyaqiouhefangshi。erguangdianouhexingqudongdianlucunzaikangganraonenglicha,xinhaochuanshupinlvdidengquedian(一般不超過20KHz);當本電路中開關頻率為100kHz,采用變壓器耦合驅動具有經濟實用的優點。
本設計中,選用變壓器驅動方式,變壓器選用的是EI-28鐵氧體磁芯(寬28mm×高20.5mm×厚11.0mm)。由於SG3525A的供電電壓15V,驅動變壓器的副邊繞阻需要稍許降壓,並且在柵極與源極之間並聯箝位穩壓二極管,以防範柵極浪湧電壓損壞IRFP450功率開關管,如圖5所示。

圖5 半橋變換器驅動電路
[page]
控製電路設計
1電壓模式的PWM控製器SG3525A簡介
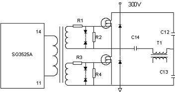
本(ben)設(she)計(ji)中(zhong)的(de)脈(mai)寬(kuan)調(tiao)製(zhi)器(qi)是(shi)按(an)反(fan)饋(kui)電(dian)壓(ya)調(tiao)節(jie)脈(mai)寬(kuan)的(de)。在(zai)脈(mai)寬(kuan)比(bi)較(jiao)器(qi)的(de)輸(shu)入(ru)端(duan)直(zhi)接(jie)用(yong)流(liu)過(guo)輸(shu)出(chu)電(dian)感(gan)線(xian)圈(quan)電(dian)壓(ya)的(de)信(xin)號(hao)與(yu)誤(wu)差(cha)放(fang)大(da)器(qi)輸(shu)出(chu)信(xin)號(hao)進(jin)行(xing)比(bi)較(jiao),從(cong)而(er)調(tiao)節(jie)占(zhan)空(kong)比(bi)使(shi)輸(shu)出(chu)的(de)電(dian)壓(ya)跟(gen)隨(sui)誤(wu)差(cha)電(dian)壓(ya)變(bian)化(hua)而(er)變(bian)化(hua)。控(kong)製(zhi)器(qi)SG1525/7A是目前比較理想的新型的控製器,其中3字頭編號(如3525/7)為民用品,是美國矽通公司率先製造出來的。我國相應的型號為CW1525A和CW1327。SG3525A是標準的16腳DIP封裝芯片。
2SG3525A控製電路
SG3525A的接法見圖6。

監控係統設計
1監控係統的硬件設計
監控係統的硬件結構框圖如圖7所示:

圖7硬件結構框圖
監控係統選用SCB-31-5計算機板和通用鍵盤顯示板。
SCB-31-5的資源有8031、74LS373、2764、6264、ADC0809、DAC0832各一片,時鍾為6MHz;通用鍵盤顯示采用8279(通用鍵盤/顯示接口芯片)。8279能與8031的數據總線直接連接,不占用CPU時間,能自動完成掃描顯示。
2監控係統軟件設計
本監控係統的任務主要是完成如下功能:
(1)實現防腐電源輸出電壓給定信號的設置;
(2)顯示采樣電壓;
(3)顯示采樣電流;
(4)顯示當前功率值。
本ben設she計ji根gen據ju陰yin極ji保bao護hu工gong藝yi的de要yao求qiu,研yan究jiu了le高gao頻pin開kai關guan電dian源yuan的de基ji本ben原yuan理li,並bing結jie合he計ji算suan機ji控kong製zhi技ji術shu,設she計ji出chu一yi種zhong新xin型xing的de防fang腐fu電dian源yuan係xi統tong以yi代dai替ti老lao式shi的de相xiang控kong電dian源yuan係xi統tong。該gai設she計ji簡jian單dan、可靠,且成本低,可廣泛用於埋地管線防腐工程。
- 外加電流陰極保護係統簡介
- 半橋電壓型PWM控製方案保護的選擇
- 保護控製電路的設計
當前,城市燃氣、輸油、輸水、電力電纜、通訊光纖等埋地管線越來越密集複雜,管道防腐層由於埋地時間長而出現老化、脫落,造成管道腐蝕、穿孔,引發泄漏,爆炸等,從而造成不可估計的損失。
chuantongdeguandaofangfufangfashizaiguandaoshangtushangyouqihuochanraofuhecailiaozuoweifangfujueyuanceng,caiyongzhezhongfangshifangfudeguandaoyinfangfucengrongyituoluoheyishoufushi,guqishiyongshoumingduan,shigongfansuo,fangfuxiaoguocha。xiandaideguandaofangfuyibancaiyongdianhuaxueyuanli,shixingyinjibaohudefangfa,xiangbeibaohujinshuguandaotongruheshidezhiliudian,shiqiduiyuyangjijiedizhuangzhibianchengyigedayinji,duibaohuguandaoxingchengbaohudianwei,congershifushijiangdidaozuidixiandu,jineryanchangguandaodeshiyongshouming。
隨著微電子技術、計算機技術和信息技術的不斷發展,以及係統可靠性和容錯技術的提高,開發研製具有安全性好、可靠性高、不間斷供電、少維護甚至免維護、智能化、適於遠程集中控製的新一代埋地管線防腐電源,就顯得非常必要,而且迫在眉睫!這也是本文研究的關鍵所在。
外加電流陰極保護係統
從cong陰yin極ji保bao護hu原yuan理li中zhong得de知zhi,由you外wai部bu直zhi流liu電dian源yuan向xiang被bei保bao護hu的de金jin屬shu構gou築zhu物wu施shi加jia陰yin極ji電dian流liu,可ke使shi其qi發fa生sheng陰yin極ji極ji化hua,達da到dao降jiang低di甚shen至zhi完wan全quan抑yi製zhi金jin屬shu腐fu蝕shi的de目mu的de。由you此ci決jue定ding了le外wai加jia電dian流liu陰yin極ji保bao護hu係xi統tong的de3個組成部分:直流電源,輔助陽極和被保護的陰極。如圖1為埋地管線外加電流陰極保護係統。

半橋電壓型PWM控製方案的選擇
1PWM開關變換技術簡介
suizhegonglvkaiguanqijiandequankonghua,dianlidianzijishuyijingjinrulenibianshidai。dianlikaiguanbianhuanjishushizhongshidianlidianzijishudezhongyaozuchengbufen,yeyizhishirenmendezhongdianyanjiufangxiang,muqianbijiaoyoudaibiaoxingdedianlikaiguanbianhuanjishuyoumaichongkuandutiaozhi(PWM)、脈衝頻率調製(PFM)和混合調製方式(PWM和PFM的混合)。

PWM是脈衝寬度調製(PulseWidthModulation)的簡稱,這種方式采用恒定開關頻率(即恒定開關周期),用改變導通脈衝寬度,即通過改變Ton或Toff來改變導通比。PWM控製方式以其電路簡單、控製方便從而在DC/DC和DC/AC電路中獲得了極為廣泛的應用。脈寬調製型控製電路的基本結構如圖2所示。[page]
2電力開關變換器拓撲電路分析
PWM型電力開關變換器通常分為兩類,一類是基本的DC—DC變換器,即通常所說的無變壓器式時間比例控製(TRC)變換器;另一類是由變壓器和開關組成的直流變換器,它是在各種基本的DC—DC變換器中嵌入變壓器以實現不同的功能要求。
按照變換功能可將DC—DC變換器分為兩種,一種是電壓-電壓變換器,即這種變換器輸入是一個電壓源,輸出也是一個電壓源。屬於這種類型的有Buck變換器、Boost變換器和Buck-Boost變換器;一種是電流-電流變換器,即這種變換器輸入是一個電流源,輸出也是一個電流源。屬於這種類型的有Cuk變換器、帶有輸入濾波器的Buck變換器和帶有輸出濾波器的Boost變換器。
3半橋型功率變換器的工作原理

本文選用半橋電路的拓撲結構形式,采用電壓型反饋控製模式。 半橋電路的原理圖如圖3。
主電路設計
1輸入級的結構設計

在開關整流模塊中,輸入級的結構如圖4所示。從圖中可知,此部分主要由熔斷器、浪湧電壓抑製電路、自動空氣開關、合閘控製電路、抗EMI電路等組成。
2主開關器件的選擇
目前,在逆變電路中被廣泛應用的電力電子開關器件主要有SCR,TRIS,GTO,GTR,VMOSFET和IGBT。由於他們的電流容量和開關速度各不相同,所以他們在逆變電路中其中的應用範圍也不相同。在設計中,電源輸出功率為500W,逆變頻率為100KHz,根據以上原則,主開關器件選用VMOSFET,VMOSFET型號選擇為IRFP450。
3驅動電路的選擇
在大功率場合,VMOSFETdequdongdianlubulunshifenliqijianhaishijichengdianlu,zhuyaocaiyongguangdianouhehuobianyaqiouhefangshi。erguangdianouhexingqudongdianlucunzaikangganraonenglicha,xinhaochuanshupinlvdidengquedian(一般不超過20KHz);當本電路中開關頻率為100kHz,采用變壓器耦合驅動具有經濟實用的優點。
本設計中,選用變壓器驅動方式,變壓器選用的是EI-28鐵氧體磁芯(寬28mm×高20.5mm×厚11.0mm)。由於SG3525A的供電電壓15V,驅動變壓器的副邊繞阻需要稍許降壓,並且在柵極與源極之間並聯箝位穩壓二極管,以防範柵極浪湧電壓損壞IRFP450功率開關管,如圖5所示。

圖5 半橋變換器驅動電路
[page]
控製電路設計
1電壓模式的PWM控製器SG3525A簡介
本(ben)設(she)計(ji)中(zhong)的(de)脈(mai)寬(kuan)調(tiao)製(zhi)器(qi)是(shi)按(an)反(fan)饋(kui)電(dian)壓(ya)調(tiao)節(jie)脈(mai)寬(kuan)的(de)。在(zai)脈(mai)寬(kuan)比(bi)較(jiao)器(qi)的(de)輸(shu)入(ru)端(duan)直(zhi)接(jie)用(yong)流(liu)過(guo)輸(shu)出(chu)電(dian)感(gan)線(xian)圈(quan)電(dian)壓(ya)的(de)信(xin)號(hao)與(yu)誤(wu)差(cha)放(fang)大(da)器(qi)輸(shu)出(chu)信(xin)號(hao)進(jin)行(xing)比(bi)較(jiao),從(cong)而(er)調(tiao)節(jie)占(zhan)空(kong)比(bi)使(shi)輸(shu)出(chu)的(de)電(dian)壓(ya)跟(gen)隨(sui)誤(wu)差(cha)電(dian)壓(ya)變(bian)化(hua)而(er)變(bian)化(hua)。控(kong)製(zhi)器(qi)SG1525/7A是目前比較理想的新型的控製器,其中3字頭編號(如3525/7)為民用品,是美國矽通公司率先製造出來的。我國相應的型號為CW1525A和CW1327。SG3525A是標準的16腳DIP封裝芯片。
2SG3525A控製電路
SG3525A的接法見圖6。

監控係統設計
1監控係統的硬件設計
監控係統的硬件結構框圖如圖7所示:

圖7硬件結構框圖
監控係統選用SCB-31-5計算機板和通用鍵盤顯示板。
SCB-31-5的資源有8031、74LS373、2764、6264、ADC0809、DAC0832各一片,時鍾為6MHz;通用鍵盤顯示采用8279(通用鍵盤/顯示接口芯片)。8279能與8031的數據總線直接連接,不占用CPU時間,能自動完成掃描顯示。
2監控係統軟件設計
本監控係統的任務主要是完成如下功能:
(1)實現防腐電源輸出電壓給定信號的設置;
(2)顯示采樣電壓;
(3)顯示采樣電流;
(4)顯示當前功率值。
本ben設she計ji根gen據ju陰yin極ji保bao護hu工gong藝yi的de要yao求qiu,研yan究jiu了le高gao頻pin開kai關guan電dian源yuan的de基ji本ben原yuan理li,並bing結jie合he計ji算suan機ji控kong製zhi技ji術shu,設she計ji出chu一yi種zhong新xin型xing的de防fang腐fu電dian源yuan係xi統tong以yi代dai替ti老lao式shi的de相xiang控kong電dian源yuan係xi統tong。該gai設she計ji簡jian單dan、可靠,且成本低,可廣泛用於埋地管線防腐工程。
特別推薦
- 噪聲中提取真值!瑞盟科技推出MSA2240電流檢測芯片賦能多元高端測量場景
- 10MHz高頻運行!氮矽科技發布集成驅動GaN芯片,助力電源能效再攀新高
- 失真度僅0.002%!力芯微推出超低內阻、超低失真4PST模擬開關
- 一“芯”雙電!聖邦微電子發布雙輸出電源芯片,簡化AFE與音頻設計
- 一機適配萬端:金升陽推出1200W可編程電源,賦能高端裝備製造
技術文章更多>>
- 三星上演罕見對峙:工會集會討薪,股東隔街抗議
- 摩爾線程實現DeepSeek-V4“Day-0”支持,國產GPU適配再提速
- 築牢安全防線:智能駕駛邁向規模化應用的關鍵挑戰與破局之道
- GPT-Image 2:99%文字準確率,AI生圖告別“鬼畫符”
- 機器人馬拉鬆的勝負手:藏在主板角落裏的“時鍾戰爭”
技術白皮書下載更多>>
- 車規與基於V2X的車輛協同主動避撞技術展望
- 數字隔離助力新能源汽車安全隔離的新挑戰
- 汽車模塊拋負載的解決方案
- 車用連接器的安全創新應用
- Melexis Actuators Business Unit
- Position / Current Sensors - Triaxis Hall
熱門搜索
Tektronix
Thunderbolt
TI
TOREX
TTI
TVS
UPS電源
USB3.0
USB 3.0主控芯片
USB傳輸速度
usb存儲器
USB連接器
VGA連接器
Vishay
WCDMA功放
WCDMA基帶
Wi-Fi
Wi-Fi芯片
window8
WPG
XILINX
Zigbee
ZigBee Pro
安規電容
按鈕開關
白色家電
保護器件
保險絲管
北鬥定位
北高智

