串聯鋰電池保護係統設計
發布時間:2010-09-14
中心議題:
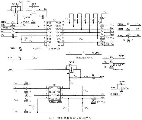
1係統概述
該保護係統采用精工電子三/四節串聯鋰離子可充電電池專用充、放電保護ICS-8254構建一級保護。S-8254係(xi)列(lie)內(nei)置(zhi)高(gao)精(jing)度(du)電(dian)壓(ya)檢(jian)測(ce)電(dian)路(lu)和(he)延(yan)遲(chi)電(dian)路(lu),針(zhen)對(dui)各(ge)節(jie)電(dian)池(chi)進(jin)行(xing)高(gao)精(jing)度(du)電(dian)壓(ya)檢(jian)測(ce),實(shi)現(xian)單(dan)節(jie)過(guo)充(chong)電(dian)保(bao)護(hu)和(he)單(dan)節(jie)過(guo)放(fang)電(dian)保(bao)護(hu),並(bing)具(ju)備(bei)三(san)段(duan)過(guo)電(dian)流(liu)檢(jian)測(ce)功(gong)能(neng),通(tong)過(guo)外(wai)接(jie)電(dian)容(rong)可(ke)設(she)置(zhi)過(guo)充(chong)電(dian)檢(jian)測(ce)延(yan)遲(chi)時(shi)間(jian)、過放電檢測延遲時間和過電流檢測延遲時間1(過電流檢測延遲時間2和過電流檢測延遲時間3在芯片內部被固定)。該係統采用精工電子S-8244係列內置高精度電壓檢測電路和延遲電路的鋰離子可充電電池二級保護專用IC實現電池的單節二級充電保護,其保護延遲時間可通過外接電容的容值來設置。
圖1為四節電池串聯使用時的保護係統原理圖。
[page]
S-8254通過SEL端子可以實現電池三節串聯用或四節串聯用的切換;S-8244則通過電阻R22短路第四節電池電壓檢測端子VCC3和VSS即可用作三節電池串聯使用時的二級保護。
2各保護功能的實現
S-8254係列充、放電保護電壓和過電流檢測電壓以50mV為進階單位,S-8244係列過充電檢測電壓以5mV為進階單位,係統根據不同場合的使用需求,可以選擇相應適合的型號。現以圖1保護係統為例,采用S-8254AAVFT和S-8244AAPFN作為保護IC,具體說明各保護功能的實現過程。
2.1過放電保護
通常狀態下,S-8254放電控製用端子DOP為VSS(電池4的負電壓)電位,放電MOS管QDISl,QDIS2處於導通狀態,係統可正常進行放電工作。當檢測到某節電池電壓低於2.7V(VDLn),且這種狀態保持在TDL(TDL時間由過放電檢測延遲端子CDT外接電容CS決定)以上時,DOP端子的電壓變為VDD(電池1的正電壓)電位,放電MOS管關閉,停止放電,這種狀態稱為過放電狀態。進入過放電狀態後,VMP端子電壓經電阻R3由負載下拉至VDD/2以下,S-8254轉為休眠狀態;斷開負載後,VMP端子電壓經電阻R9、充電MOS管QCHRl和QCHR2由VDD上拉至VDD/2以上且低於VDD,S-8254退出休眠狀態。當所有電池電壓都在3.0V(VDUn)以上時,過放電狀態被解除,係統恢複正常放電工作。
2.2過電流、短路保護
該係統采用2個並聯的20mΩ功率電阻RS1,RS2用於過電流檢測。當放電電流大於20A時,過電流1,2檢測端子VINI和VSS之間的電壓差大於過電流檢測電位1VI0V1(O.2V),且這種狀態保持在TIOVl(TIOVl時間由過電流1檢測延遲端子CDT外接電容C3決定)以上時,DOP端子的電壓變為VDD電位,放電MOS管關閉,停止放電,進入過電流1保護狀態。在過電流狀態下,VMP端子電壓經電阻R3由負載下拉至VSS;斷開負載後,VMP端子電壓經IC內部RVMD電阻被上拉至過電流檢測電位3VIOV3(電池1的正電壓VC1~1.2V)以上,過電流狀態解除,係統恢複正常放
電。當放電電流大於50A時,VINI和VSS之間的電壓差大於過電流檢測電位2VIOV2(0.5V),且這種狀態保持在TIOV2(1ms)以上時,進入過電流2保護狀態。當負載出現短路時,過電流3檢測端子VMP的電壓被瞬間拉至VIOV3以下(檢測延遲時間TI0V3為300μs),係統進入短路保護(過電流3保護)狀態。
2.3過充電保護
為了確保電池的安全性,該係統對於過充電狀態采取了兩級保護措施。首先,當檢測到某節電池電壓高於4.05V(VCU2n),且這種狀態保持在TCU2(TCU2時間由S-8244過充電檢測延遲端子ICT外接電容C16決定)以上時,S-8244充電控製用端子CO輸出動態“H”,二級充電MOS管QCHR2關閉,停止充電,這種狀態稱為過充電狀態;進入過充電狀態後,當所有電池電壓都在3.80V(VCL2n)以下時,過充電狀態解除。若因某種原因導致S-8244保護失效,則S-8254過充電保護生效,當檢測到某節電池電壓高於4.25V(VCUln),且這種狀態保持在TCUl(TCUl時間由S-8254過充電檢測延遲端子CCT外接電容C2決定)以上時,S-8254充電控製用端子COP變為高阻抗,一級充電MOS管QCHRl的G極被外接電阻R2拉高,QCHRl關閉,進入過充電狀態;當所有電池電壓都在4.15V(VCLln)以下時,過充電狀態解除。
2.4充電溫度保護
為了確保充電時的安全性和延長電池的使用壽命,電池的充電溫度應控製在O~45℃之間為宜。該係統采用一個負溫度係數的NTC溫度傳感器RES和一個2路比較器LM393來實現充電溫度保護,其原理圖如圖2所示:當充電溫度位於O~45℃之間時,LM393的兩路比較器輸出均為高阻態,PNP型三極管Q1關斷,對充電電路不產生影響;隨著溫度的升高,RES阻值逐漸變小,當溫度大於45℃時,LM393下麵一路比較器反轉,輸出低電平,通過二極管D6將Q1的B極拉低,Q1導通,充電MOS管QCHRl的G極C_QCHR被強製拉高,QCHRl關閉,停止充電;同樣,隨著溫度的降低,RES阻值逐漸變大,當溫度小於O℃時,LM393上麵一路比較器輸出低電平,通過二極管D5將Q1導通,從而關閉QCHRl,停止充電。[page]

2.5其他保護功能
該係統通過一些簡單有效的電路設計,巧妙地實現了所需的某些保護功能。
2.5.1放電溫度保護
為了確保電池的使用安全性,需對電池的放電溫度進行限製。該係統在放電MOS管QDISl,QDIS2的G極C_QDIS和VDD之間連接了一個常開型可恢複溫度保險絲F1。通常狀態下F1保持開路。不影響正常放電;當電池溫度高於75℃時,F1閉合,C_QDIS與VDD導通.放電MOS管關閉,停止放電,從而實現放電溫度保護功能。
2.5.2充電防反接保護
若誤將充電器的正、負(fu)極(ji)反(fan)接(jie)入(ru)係(xi)統(tong)中(zhong),則(ze)會(hui)由(you)充(chong)電(dian)器(qi)和(he)電(dian)池(chi)共(gong)同(tong)形(xing)成(cheng)一(yi)個(ge)大(da)電(dian)流(liu)回(hui)路(lu),導(dao)致(zhi)元(yuan)器(qi)件(jian)損(sun)壞(huai),甚(shen)至(zhi)帶(dai)來(lai)更(geng)大(da)的(de)安(an)全(quan)危(wei)害(hai)。該(gai)係(xi)統(tong)在(zai)充(chong)電(dian)回(hui)路(lu)中(zhong)串(chuan)接(jie)進(jin)一(yi)個(ge)防(fang)反(fan)接(jie)二(er)極(ji)管(guan)D1,這樣即使充電器反接,因此時CHRl的電位將高於CHR+,由於二極管D1的存在,係統將構不成回路,從而對其起到了保護作用。
2.5.3充電時禁止放電
係統在連接充電器進行充電的過程中若允許其進行放電工作,可能會帶來不必要的安全隱患,因此該係統在充電器的正極輸入端CHR+和C_QDIS之間接入了一個二極管D4。在未連接充電器時,CHR+懸空,對放電工作不產生影響;當連接充電器進行充電時,C_QDIS通過D4被CHR+強製拉高,QDISl,QDIS2關閉,禁止放電。
鋰離子可充電電池以其特有的性能優勢已經在多個領域中得到了普遍應用,可以預計其必將成為21世紀的主要動力電源之一。隨著鋰離子可充電電池工業的發展,保護係統作為其不可分割的一部分必將起到越來越重要的作用。
- 串聯鋰電池保護係統概述
- 各保護功能的實現方法
- 過放電保護
- 過電流、短路保護
- 過充電保護
- 充電溫度保護
1係統概述
該保護係統采用精工電子三/四節串聯鋰離子可充電電池專用充、放電保護ICS-8254構建一級保護。S-8254係(xi)列(lie)內(nei)置(zhi)高(gao)精(jing)度(du)電(dian)壓(ya)檢(jian)測(ce)電(dian)路(lu)和(he)延(yan)遲(chi)電(dian)路(lu),針(zhen)對(dui)各(ge)節(jie)電(dian)池(chi)進(jin)行(xing)高(gao)精(jing)度(du)電(dian)壓(ya)檢(jian)測(ce),實(shi)現(xian)單(dan)節(jie)過(guo)充(chong)電(dian)保(bao)護(hu)和(he)單(dan)節(jie)過(guo)放(fang)電(dian)保(bao)護(hu),並(bing)具(ju)備(bei)三(san)段(duan)過(guo)電(dian)流(liu)檢(jian)測(ce)功(gong)能(neng),通(tong)過(guo)外(wai)接(jie)電(dian)容(rong)可(ke)設(she)置(zhi)過(guo)充(chong)電(dian)檢(jian)測(ce)延(yan)遲(chi)時(shi)間(jian)、過放電檢測延遲時間和過電流檢測延遲時間1(過電流檢測延遲時間2和過電流檢測延遲時間3在芯片內部被固定)。該係統采用精工電子S-8244係列內置高精度電壓檢測電路和延遲電路的鋰離子可充電電池二級保護專用IC實現電池的單節二級充電保護,其保護延遲時間可通過外接電容的容值來設置。
圖1為四節電池串聯使用時的保護係統原理圖。
[page]S-8254通過SEL端子可以實現電池三節串聯用或四節串聯用的切換;S-8244則通過電阻R22短路第四節電池電壓檢測端子VCC3和VSS即可用作三節電池串聯使用時的二級保護。
2各保護功能的實現
S-8254係列充、放電保護電壓和過電流檢測電壓以50mV為進階單位,S-8244係列過充電檢測電壓以5mV為進階單位,係統根據不同場合的使用需求,可以選擇相應適合的型號。現以圖1保護係統為例,采用S-8254AAVFT和S-8244AAPFN作為保護IC,具體說明各保護功能的實現過程。
2.1過放電保護
通常狀態下,S-8254放電控製用端子DOP為VSS(電池4的負電壓)電位,放電MOS管QDISl,QDIS2處於導通狀態,係統可正常進行放電工作。當檢測到某節電池電壓低於2.7V(VDLn),且這種狀態保持在TDL(TDL時間由過放電檢測延遲端子CDT外接電容CS決定)以上時,DOP端子的電壓變為VDD(電池1的正電壓)電位,放電MOS管關閉,停止放電,這種狀態稱為過放電狀態。進入過放電狀態後,VMP端子電壓經電阻R3由負載下拉至VDD/2以下,S-8254轉為休眠狀態;斷開負載後,VMP端子電壓經電阻R9、充電MOS管QCHRl和QCHR2由VDD上拉至VDD/2以上且低於VDD,S-8254退出休眠狀態。當所有電池電壓都在3.0V(VDUn)以上時,過放電狀態被解除,係統恢複正常放電工作。
2.2過電流、短路保護
該係統采用2個並聯的20mΩ功率電阻RS1,RS2用於過電流檢測。當放電電流大於20A時,過電流1,2檢測端子VINI和VSS之間的電壓差大於過電流檢測電位1VI0V1(O.2V),且這種狀態保持在TIOVl(TIOVl時間由過電流1檢測延遲端子CDT外接電容C3決定)以上時,DOP端子的電壓變為VDD電位,放電MOS管關閉,停止放電,進入過電流1保護狀態。在過電流狀態下,VMP端子電壓經電阻R3由負載下拉至VSS;斷開負載後,VMP端子電壓經IC內部RVMD電阻被上拉至過電流檢測電位3VIOV3(電池1的正電壓VC1~1.2V)以上,過電流狀態解除,係統恢複正常放
電。當放電電流大於50A時,VINI和VSS之間的電壓差大於過電流檢測電位2VIOV2(0.5V),且這種狀態保持在TIOV2(1ms)以上時,進入過電流2保護狀態。當負載出現短路時,過電流3檢測端子VMP的電壓被瞬間拉至VIOV3以下(檢測延遲時間TI0V3為300μs),係統進入短路保護(過電流3保護)狀態。
2.3過充電保護
為了確保電池的安全性,該係統對於過充電狀態采取了兩級保護措施。首先,當檢測到某節電池電壓高於4.05V(VCU2n),且這種狀態保持在TCU2(TCU2時間由S-8244過充電檢測延遲端子ICT外接電容C16決定)以上時,S-8244充電控製用端子CO輸出動態“H”,二級充電MOS管QCHR2關閉,停止充電,這種狀態稱為過充電狀態;進入過充電狀態後,當所有電池電壓都在3.80V(VCL2n)以下時,過充電狀態解除。若因某種原因導致S-8244保護失效,則S-8254過充電保護生效,當檢測到某節電池電壓高於4.25V(VCUln),且這種狀態保持在TCUl(TCUl時間由S-8254過充電檢測延遲端子CCT外接電容C2決定)以上時,S-8254充電控製用端子COP變為高阻抗,一級充電MOS管QCHRl的G極被外接電阻R2拉高,QCHRl關閉,進入過充電狀態;當所有電池電壓都在4.15V(VCLln)以下時,過充電狀態解除。
2.4充電溫度保護
為了確保充電時的安全性和延長電池的使用壽命,電池的充電溫度應控製在O~45℃之間為宜。該係統采用一個負溫度係數的NTC溫度傳感器RES和一個2路比較器LM393來實現充電溫度保護,其原理圖如圖2所示:當充電溫度位於O~45℃之間時,LM393的兩路比較器輸出均為高阻態,PNP型三極管Q1關斷,對充電電路不產生影響;隨著溫度的升高,RES阻值逐漸變小,當溫度大於45℃時,LM393下麵一路比較器反轉,輸出低電平,通過二極管D6將Q1的B極拉低,Q1導通,充電MOS管QCHRl的G極C_QCHR被強製拉高,QCHRl關閉,停止充電;同樣,隨著溫度的降低,RES阻值逐漸變大,當溫度小於O℃時,LM393上麵一路比較器輸出低電平,通過二極管D5將Q1導通,從而關閉QCHRl,停止充電。[page]

2.5其他保護功能
該係統通過一些簡單有效的電路設計,巧妙地實現了所需的某些保護功能。
2.5.1放電溫度保護
為了確保電池的使用安全性,需對電池的放電溫度進行限製。該係統在放電MOS管QDISl,QDIS2的G極C_QDIS和VDD之間連接了一個常開型可恢複溫度保險絲F1。通常狀態下F1保持開路。不影響正常放電;當電池溫度高於75℃時,F1閉合,C_QDIS與VDD導通.放電MOS管關閉,停止放電,從而實現放電溫度保護功能。
2.5.2充電防反接保護
若誤將充電器的正、負(fu)極(ji)反(fan)接(jie)入(ru)係(xi)統(tong)中(zhong),則(ze)會(hui)由(you)充(chong)電(dian)器(qi)和(he)電(dian)池(chi)共(gong)同(tong)形(xing)成(cheng)一(yi)個(ge)大(da)電(dian)流(liu)回(hui)路(lu),導(dao)致(zhi)元(yuan)器(qi)件(jian)損(sun)壞(huai),甚(shen)至(zhi)帶(dai)來(lai)更(geng)大(da)的(de)安(an)全(quan)危(wei)害(hai)。該(gai)係(xi)統(tong)在(zai)充(chong)電(dian)回(hui)路(lu)中(zhong)串(chuan)接(jie)進(jin)一(yi)個(ge)防(fang)反(fan)接(jie)二(er)極(ji)管(guan)D1,這樣即使充電器反接,因此時CHRl的電位將高於CHR+,由於二極管D1的存在,係統將構不成回路,從而對其起到了保護作用。
2.5.3充電時禁止放電
係統在連接充電器進行充電的過程中若允許其進行放電工作,可能會帶來不必要的安全隱患,因此該係統在充電器的正極輸入端CHR+和C_QDIS之間接入了一個二極管D4。在未連接充電器時,CHR+懸空,對放電工作不產生影響;當連接充電器進行充電時,C_QDIS通過D4被CHR+強製拉高,QDISl,QDIS2關閉,禁止放電。
鋰離子可充電電池以其特有的性能優勢已經在多個領域中得到了普遍應用,可以預計其必將成為21世紀的主要動力電源之一。隨著鋰離子可充電電池工業的發展,保護係統作為其不可分割的一部分必將起到越來越重要的作用。
特別推薦
- 噪聲中提取真值!瑞盟科技推出MSA2240電流檢測芯片賦能多元高端測量場景
- 10MHz高頻運行!氮矽科技發布集成驅動GaN芯片,助力電源能效再攀新高
- 失真度僅0.002%!力芯微推出超低內阻、超低失真4PST模擬開關
- 一“芯”雙電!聖邦微電子發布雙輸出電源芯片,簡化AFE與音頻設計
- 一機適配萬端:金升陽推出1200W可編程電源,賦能高端裝備製造
技術文章更多>>
- 一秒檢測,成本降至萬分之一,光引科技把幾十萬的台式光譜儀“搬”到了手腕上
- AI服務器電源機櫃Power Rack HVDC MW級測試方案
- 突破工藝邊界,奎芯科技LPDDR5X IP矽驗證通過,速率達9600Mbps
- 通過直接、準確、自動測量超低範圍的氯殘留來推動反滲透膜保護
- 從技術研發到規模量產:恩智浦第三代成像雷達平台,賦能下一代自動駕駛!
技術白皮書下載更多>>
- 車規與基於V2X的車輛協同主動避撞技術展望
- 數字隔離助力新能源汽車安全隔離的新挑戰
- 汽車模塊拋負載的解決方案
- 車用連接器的安全創新應用
- Melexis Actuators Business Unit
- Position / Current Sensors - Triaxis Hall
熱門搜索
按鈕開關
白色家電
保護器件
保險絲管
北鬥定位
北高智
貝能科技
背板連接器
背光器件
編碼器型號
便攜產品
便攜醫療
變容二極管
變壓器
檳城電子
並網
撥動開關
玻璃釉電容
剝線機
薄膜電容
薄膜電阻
薄膜開關
捕魚器
步進電機
測力傳感器
測試測量
測試設備
拆解
場效應管
超霸科技




