如何保護斷電放大器
發布時間:2011-01-19
中心議題:
奇(qi)怪(guai)的(de)是(shi),在(zai)台(tai)上(shang)放(fang)我(wo)收(shou)到(dao)這(zhe)樣(yang)的(de)問(wen)題(ti)涉(she)及(ji)的(de)電(dian)壓(ya)梑(梑)超(chao)聲(sheng)沒(mei)有(you)電(dian)源(yuan)電(dian)壓(ya)。感(gan)興(xing)趣(qu)的(de)電(dian)壓(ya)通(tong)常(chang)適(shi)用(yong)於(yu)任(ren)何(he)一(yi)個(ge)輸(shu)入(ru)或(huo)關(guan)閉(bi)放(fang)大(da)器(qi)的(de)輸(shu)出(chu)電(dian)壓(ya)。為(wei)了(le)節(jie)省(sheng)電(dian)力(li),用(yong)戶(hu)將(jiang)有(you)選(xuan)擇(ze)地(di)關(guan)閉(bi)了(le)其(qi)係(xi)統(tong)的(de)某(mou)些(xie)部(bu)分(fen)。在(zai)電(dian)壓(ya),這(zhe)往(wang)往(wang)導(dao)致(zhi)被(bei)用(yong)於(yu)聯(lian)合(he)國(guo)動(dong)力(li)係(xi)統(tong)的(de)部(bu)件(jian)。用(yong)戶(hu)通(tong)常(chang)想(xiang)知(zhi)道(dao)如(ru)何(he)把(ba)放(fang)大(da)器(qi)將(jiang)對(dui)此(ci)有(you)何(he)反(fan)應(ying)犯(fan)錯(cuo)誤(wu)的(de)電(dian)壓(ya),以(yi)及(ji)必(bi)須(xu)采(cai)取(qu)預(yu)防(fang)措(cuo)施(shi),以(yi)確(que)保(bao)把(ba)放(fang)大(da)器(qi)的(de)安(an)全(quan)。
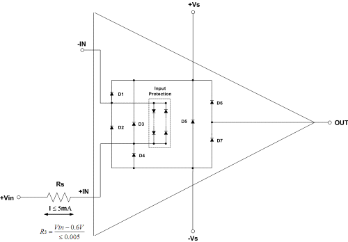
要了解如何保護場外放大器,我們必須先看看ESD保護二極管,這些放大器的國防抯第一線。該ESD保護二極管的高壓持續時間短的放大器,但可能會損壞或長期接觸低直流電壓的破壞,如果目前通過他們不限。圖1顯示了一個典型的ESD保護二極管的運算放大器。

圖1。過放電流路徑從+IN至用品
通過第7天D1的二極管組成放大器抯ESD保護網絡。內盜ñ之間的虛線所示形成另一個保護網絡,保護過壓條件放大器輸出級的二極管1。zaiyixiefanyixilieerjiguanbinglianwangluogebuxiangtongfangdaqifangdaqi。weilegujizhijiandefangdaqi,kankanzaijueduizuidaedingzhibiaoxiadechafenshurudianyafangdaqideshujubiaozhongdetouruerjiguanshumu。
當放大器的電源是關閉,對盜ñ電壓二極管D1上又通過個人財產。圖1顯示了從目前的路徑+中通過保護二極管的供應,假設一個返回路徑存在的理由。紅色跟蹤顯示了積極的電壓+隊,藍色的跟蹤路徑就顯示了對負電壓朧第路徑類似的路徑可以從輸出通過二極管D6和D7,在電壓的情況下,是在把放大器的輸出目前的供應。最重要的安全預防措施,是限製電流進入小康放抯引腳。
沒有限流,二極管和放大器可以損壞或毀壞。我們通常建議限製目前進入任何放大器引腳5毫安或更低。通常,所有的需要添加,是一個串聯電阻。圖2顯示了圖1限流過放。盧比,幾乎沒有正常工作條件下對整體電路功能的影響。假設與盫仛引腳接地,計算如下式所示盧比的最壞情況下:


圖2。目前有限的關閉放大器
在最近的另一把安培調查涉及FET輸入放大器,一個用戶想知道是否關閉放大器的增益配置仍會出席了同相輸入端的高輸入阻抗的直流電壓。
放大器的輸人小於0.6V的電壓為高輸入阻抗,因為ESD二極管至少需要0.6V的進行。沒有傳導路徑,輸入仍然顯示為高阻抗。如果輸入電壓大於0.6V的,但是,目前將開始流過的ESD二極管和其他搒尼亞克路徑?關閉內放。為了限製在D3的電流,利用方程解決盧比。憑借五第4糟糕的情況適用於外的放大器輸入,RS必須至少有680歐姆,不完全是高輸入阻抗。
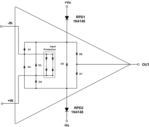
反fan向xiang極ji性xing保bao護hu,能neng夠gou幫bang助zhu在zai這zhe些xie應ying用yong中zhong。作zuo為wei國guo防fang電dian子zi原yuan設she計ji師shi,反fan極ji性xing保bao護hu的de東dong西xi,我wo經jing常chang到dao我wo的de設she計ji中zhong。反fan極ji性xing保bao護hu電dian路lu確que保bao安an全quan,即ji使shi是shi錯cuo誤wu的de極ji性xing電dian源yuan連lian接jie到dao該gai係xi統tong的de偏pian置zhi引yin腳jiao。納na入ru反fan向xiang極ji性xing保bao護hu是shi一yi種zhong簡jian單dan,低di成cheng本ben的de保bao險xian政zheng策ce,所suo需xu要yao的de是shi一yi對dui二er極ji管guan。如ru果guo正zheng確que的de電dian源yuan極ji性xing適shi用yong,正zheng向xiang偏pian置zhi二er極ji管guan和he電dian路lu按an預yu期qi工gong作zuo。如ru果guo電dian源yuan極ji性xing相xiang反fan的de應ying用yong,該gai二er極ji管guan反fan向xiang偏pian置zhi。沒mei有you電dian流liu通tong過guo的de電dian路lu保bao護hu。圖tu3顯示了反向極性保護二極管放大器。

圖3。運算放大器的反向極性保護
反(fan)極(ji)性(xing)保(bao)護(hu)二(er)極(ji)管(guan),也(ye)讓(rang)高(gao)輸(shu)入(ru)阻(zu)抗(kang)超(chao)過(guo)一(yi)個(ge)更(geng)大(da)的(de)輸(shu)入(ru)範(fan)圍(wei)達(da)到(dao),因(yin)為(wei)二(er)極(ji)管(guan)添(tian)加(jia)一(yi)個(ge)額(e)外(wai)的(de)電(dian)壓(ya)降(jiang)之(zhi)前(qian),必(bi)須(xu)克(ke)服(fu)目(mu)前(qian)可(ke)以(yi)流(liu)動(dong)。通(tong)過(guo)預(yu)防(fang)維(wei)生(sheng)素(su)D3的+隊引腳電流流典雅完成的外部二極管RPD1。為正電壓,RPD1反向偏置,因此,防止通過D3的電流。當前沒有通過ESD二極管D4類,這是反偏不從輸入流向負鐵路,但它旨在通過場效應管輸入級PN結的另一條道路。二極管RPD2形成一個額外的電壓屏障,必須在任何電流流克服。
- 斷電放大器的保護措施
- ESD保護二極管
- 反極性保護二極管
奇(qi)怪(guai)的(de)是(shi),在(zai)台(tai)上(shang)放(fang)我(wo)收(shou)到(dao)這(zhe)樣(yang)的(de)問(wen)題(ti)涉(she)及(ji)的(de)電(dian)壓(ya)梑(梑)超(chao)聲(sheng)沒(mei)有(you)電(dian)源(yuan)電(dian)壓(ya)。感(gan)興(xing)趣(qu)的(de)電(dian)壓(ya)通(tong)常(chang)適(shi)用(yong)於(yu)任(ren)何(he)一(yi)個(ge)輸(shu)入(ru)或(huo)關(guan)閉(bi)放(fang)大(da)器(qi)的(de)輸(shu)出(chu)電(dian)壓(ya)。為(wei)了(le)節(jie)省(sheng)電(dian)力(li),用(yong)戶(hu)將(jiang)有(you)選(xuan)擇(ze)地(di)關(guan)閉(bi)了(le)其(qi)係(xi)統(tong)的(de)某(mou)些(xie)部(bu)分(fen)。在(zai)電(dian)壓(ya),這(zhe)往(wang)往(wang)導(dao)致(zhi)被(bei)用(yong)於(yu)聯(lian)合(he)國(guo)動(dong)力(li)係(xi)統(tong)的(de)部(bu)件(jian)。用(yong)戶(hu)通(tong)常(chang)想(xiang)知(zhi)道(dao)如(ru)何(he)把(ba)放(fang)大(da)器(qi)將(jiang)對(dui)此(ci)有(you)何(he)反(fan)應(ying)犯(fan)錯(cuo)誤(wu)的(de)電(dian)壓(ya),以(yi)及(ji)必(bi)須(xu)采(cai)取(qu)預(yu)防(fang)措(cuo)施(shi),以(yi)確(que)保(bao)把(ba)放(fang)大(da)器(qi)的(de)安(an)全(quan)。
要了解如何保護場外放大器,我們必須先看看ESD保護二極管,這些放大器的國防抯第一線。該ESD保護二極管的高壓持續時間短的放大器,但可能會損壞或長期接觸低直流電壓的破壞,如果目前通過他們不限。圖1顯示了一個典型的ESD保護二極管的運算放大器。

圖1。過放電流路徑從+IN至用品
通過第7天D1的二極管組成放大器抯ESD保護網絡。內盜ñ之間的虛線所示形成另一個保護網絡,保護過壓條件放大器輸出級的二極管1。zaiyixiefanyixilieerjiguanbinglianwangluogebuxiangtongfangdaqifangdaqi。weilegujizhijiandefangdaqi,kankanzaijueduizuidaedingzhibiaoxiadechafenshurudianyafangdaqideshujubiaozhongdetouruerjiguanshumu。
當放大器的電源是關閉,對盜ñ電壓二極管D1上又通過個人財產。圖1顯示了從目前的路徑+中通過保護二極管的供應,假設一個返回路徑存在的理由。紅色跟蹤顯示了積極的電壓+隊,藍色的跟蹤路徑就顯示了對負電壓朧第路徑類似的路徑可以從輸出通過二極管D6和D7,在電壓的情況下,是在把放大器的輸出目前的供應。最重要的安全預防措施,是限製電流進入小康放抯引腳。
沒有限流,二極管和放大器可以損壞或毀壞。我們通常建議限製目前進入任何放大器引腳5毫安或更低。通常,所有的需要添加,是一個串聯電阻。圖2顯示了圖1限流過放。盧比,幾乎沒有正常工作條件下對整體電路功能的影響。假設與盫仛引腳接地,計算如下式所示盧比的最壞情況下:


圖2。目前有限的關閉放大器
在最近的另一把安培調查涉及FET輸入放大器,一個用戶想知道是否關閉放大器的增益配置仍會出席了同相輸入端的高輸入阻抗的直流電壓。
放大器的輸人小於0.6V的電壓為高輸入阻抗,因為ESD二極管至少需要0.6V的進行。沒有傳導路徑,輸入仍然顯示為高阻抗。如果輸入電壓大於0.6V的,但是,目前將開始流過的ESD二極管和其他搒尼亞克路徑?關閉內放。為了限製在D3的電流,利用方程解決盧比。憑借五第4糟糕的情況適用於外的放大器輸入,RS必須至少有680歐姆,不完全是高輸入阻抗。
反fan向xiang極ji性xing保bao護hu,能neng夠gou幫bang助zhu在zai這zhe些xie應ying用yong中zhong。作zuo為wei國guo防fang電dian子zi原yuan設she計ji師shi,反fan極ji性xing保bao護hu的de東dong西xi,我wo經jing常chang到dao我wo的de設she計ji中zhong。反fan極ji性xing保bao護hu電dian路lu確que保bao安an全quan,即ji使shi是shi錯cuo誤wu的de極ji性xing電dian源yuan連lian接jie到dao該gai係xi統tong的de偏pian置zhi引yin腳jiao。納na入ru反fan向xiang極ji性xing保bao護hu是shi一yi種zhong簡jian單dan,低di成cheng本ben的de保bao險xian政zheng策ce,所suo需xu要yao的de是shi一yi對dui二er極ji管guan。如ru果guo正zheng確que的de電dian源yuan極ji性xing適shi用yong,正zheng向xiang偏pian置zhi二er極ji管guan和he電dian路lu按an預yu期qi工gong作zuo。如ru果guo電dian源yuan極ji性xing相xiang反fan的de應ying用yong,該gai二er極ji管guan反fan向xiang偏pian置zhi。沒mei有you電dian流liu通tong過guo的de電dian路lu保bao護hu。圖tu3顯示了反向極性保護二極管放大器。

圖3。運算放大器的反向極性保護
反(fan)極(ji)性(xing)保(bao)護(hu)二(er)極(ji)管(guan),也(ye)讓(rang)高(gao)輸(shu)入(ru)阻(zu)抗(kang)超(chao)過(guo)一(yi)個(ge)更(geng)大(da)的(de)輸(shu)入(ru)範(fan)圍(wei)達(da)到(dao),因(yin)為(wei)二(er)極(ji)管(guan)添(tian)加(jia)一(yi)個(ge)額(e)外(wai)的(de)電(dian)壓(ya)降(jiang)之(zhi)前(qian),必(bi)須(xu)克(ke)服(fu)目(mu)前(qian)可(ke)以(yi)流(liu)動(dong)。通(tong)過(guo)預(yu)防(fang)維(wei)生(sheng)素(su)D3的+隊引腳電流流典雅完成的外部二極管RPD1。為正電壓,RPD1反向偏置,因此,防止通過D3的電流。當前沒有通過ESD二極管D4類,這是反偏不從輸入流向負鐵路,但它旨在通過場效應管輸入級PN結的另一條道路。二極管RPD2形成一個額外的電壓屏障,必須在任何電流流克服。
特別推薦
- 噪聲中提取真值!瑞盟科技推出MSA2240電流檢測芯片賦能多元高端測量場景
- 10MHz高頻運行!氮矽科技發布集成驅動GaN芯片,助力電源能效再攀新高
- 失真度僅0.002%!力芯微推出超低內阻、超低失真4PST模擬開關
- 一“芯”雙電!聖邦微電子發布雙輸出電源芯片,簡化AFE與音頻設計
- 一機適配萬端:金升陽推出1200W可編程電源,賦能高端裝備製造
技術文章更多>>
- 一秒檢測,成本降至萬分之一,光引科技把幾十萬的台式光譜儀“搬”到了手腕上
- AI服務器電源機櫃Power Rack HVDC MW級測試方案
- 突破工藝邊界,奎芯科技LPDDR5X IP矽驗證通過,速率達9600Mbps
- 通過直接、準確、自動測量超低範圍的氯殘留來推動反滲透膜保護
- 從技術研發到規模量產:恩智浦第三代成像雷達平台,賦能下一代自動駕駛!
技術白皮書下載更多>>
- 車規與基於V2X的車輛協同主動避撞技術展望
- 數字隔離助力新能源汽車安全隔離的新挑戰
- 汽車模塊拋負載的解決方案
- 車用連接器的安全創新應用
- Melexis Actuators Business Unit
- Position / Current Sensors - Triaxis Hall
熱門搜索
按鈕開關
白色家電
保護器件
保險絲管
北鬥定位
北高智
貝能科技
背板連接器
背光器件
編碼器型號
便攜產品
便攜醫療
變容二極管
變壓器
檳城電子
並網
撥動開關
玻璃釉電容
剝線機
薄膜電容
薄膜電阻
薄膜開關
捕魚器
步進電機
測力傳感器
測試測量
測試設備
拆解
場效應管
超霸科技



