測量小阻值電阻的輔助電路
發布時間:2011-11-11
中心議題:
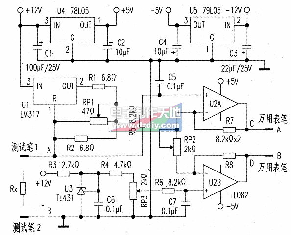
實(shi)際(ji)工(gong)作(zuo)中(zhong),為(wei)分(fen)析(xi)電(dian)路(lu)原(yuan)理(li),在(zai)根(gen)據(ju)實(shi)物(wu)繪(hui)製(zhi)電(dian)原(yuan)理(li)圖(tu)時(shi),往(wang)往(wang)需(xu)要(yao)測(ce)出(chu)小(xiao)阻(zu)值(zhi)電(dian)阻(zu)的(de)實(shi)際(ji)阻(zu)值(zhi),比(bi)如(ru)高(gao)檔(dang)開(kai)關(guan)電(dian)源(yuan)中(zhong)用(yong)於(yu)檢(jian)測(ce)負(fu)載(zai)電(dian)流(liu)的(de)康(kang)銅(tong)電(dian)阻(zu)(一般為毫歐級),過流保護用的大功率小阻值電阻(有些達到0.1Ω以下),大功率功放電路中與電流放大管(E極或s極)串接的反饋電阻(一般為零點幾歐姆)。由於普通數字萬用表電阻擋的最小量程為200Ω,受精度限製,往往無法精確測量出這些電阻的具體阻值,也無法判斷出它們的一致性如何,常常為此感到困難。為此,試製做如圖1所示的輔助電路,結合萬用表的直流低電壓擋(200mV、2V、20V),實現對小阻值電阻的精確測量。
工作原理:通過恒流源給被測電阻RX加一定的電流,再用萬用表測量Rx兩端的電壓,所測的電壓值除以流過被測電阻Rx的恒定電流,即可得出被測電阻的阻值。理論上流過待測電阻的電流越大,越易於精確測出小阻值電阻Rx的阻值,但電流過大,一是會引起恒流源嚴重發熱,影響電流的穩定性,導致所測阻值不準;二是小功率電阻不允許過大的電流流過。為此本電路選用LM317(U1)和電阻R1、R2、電位器RP1一起構成簡單的100mA的恒流源。
由運算放大器U2A和U2B及R7、R8、RP2(精密電位器)構成電壓放大電路,對被測電阻兩端的電壓進行10倍放大,這樣數字萬用表從C、D兩點測得的電壓值就可以與被測電阻RX的阻值相對應(1mV對應1mΩ,1V對應1Ω)。
為了提高放大器的穩定度和精度,用u4和u5為運放提供對稱的+5V工作電源。U3以及電阻R3構成2.5v參考電位電路,通過R4及精密電位器RP3給運放U2B的同相端施加合適的電位,用於抵消由於電流流經測試筆1和測試筆2引線以及接觸電阻所產生的電壓降。
製作與調試:按圖1所示在一塊麵包板上焊接出輔助電路板.如圖2所示。製作過程中需要注意以下幾點:
(1)地線需彙接於圖1所示的B點,以免流過被測電阻Rx的“大電流”影響運放工作。
(2)U4 (78L05)和u5(79L05)應選取輸出電壓數值一致的管子,保證運放工作電壓±5V對稱。
(3)電阻R7和R8需仔細挑選,確保其阻值一致性好。
(4)電路選用了計算機開關電源的±12V做電源.因此LM317發熱量較大,需加裝合適的散熱器,這也是本電路的缺陷。
[page]
調試步驟:第一步,調整恒流源電流。將數字萬用表置於直流200mA擋.串接於A、B之間,加電後仔細調節電位器RP1.使萬用表的讀數穩定在100mA。第二步.調整放大電路的放大倍數。首先將A、B兩點短接,然後將數字表(200mV電壓擋)接到電位器RP3的中心腳與地之間,加電後調節精密電位器RP3.使萬用表的讀數為100mV,再將萬用表接到C、D之間.仔細調節精密電位器RP2,使萬用表的讀數穩定到1V。第三步,歸零調整。斷電的情況下,斷開上一步連接在A、B之間的短路線,加電後將測試筆1和測試筆2碰在一起,仔細調節精密電位器RP3.使c、D兩點之間的電壓盡量為0mV.實際操作中調到0mV比較困難.但可以調整到3mv-6mV,這樣可以保證所測電壓精度小於10mV(對應於10mΩ)。
實測與比較:本電路適合測量小於8Ω以下的小電阻。實際測量時將數字萬用表(低電壓擋)接在C、D之間,加電後用測試筆1和測試筆2可靠接觸被測電阻兩端.從萬用表上讀數(1mV對應1mΩ,.IV對應1Ω),可得出被測小阻值電阻的阻值。需測量毫歐級電阻(比如高檔開關電源中的康銅電阻)阻值時,可先將兩測試筆置於康銅電阻某一端的焊盤上,測量並記下讀數;再將兩測試筆分別置於康銅電阻兩端的焊盤上,再次測量並記下讀數:然後用後一次測量的讀數減去前次測量的讀數.可以得到毫歐級電阻的阻值。附表為用VICTOR VC9805A+型數字萬用表200Ω擋和使用該電路協同該萬用表低電壓檔測量不同小阻值電阻的實際數據,單位為Ω。
┏━━━━━━━━━━┳━━━━━┳━━━┳━━━━┳━━━━┳━━━┳━━━━┳━━━┳━━━┓
┃標稱值┃康銅電阻┃0.1 ┃ 0.2┃0.22┃ 0.47 ┃0.56┃1 ┃2 ┃
┣━━━━━━━━━━╋━━━━━╋━━━╋━━━━╋━━━━╋━━━╋━━━━╋━━━╋━━━┫
┃用萬用表電阻檔┃0 ┃ 0.2┃ 0.3┃ 0.3┃0.6 ┃0.6 ┃ l.2┃2.2 ┃
┣━━━━━━━━━━╋━━━━━╋━━━╋━━━━╋━━━━╋━━━╋━━━━╋━━━╋━━━┫
┃本電路與萬用表結合┃5 mΩ┃ 0.102┃0.205 ┃0.224 ┃0.481 ┃0.574 ┃1.009 ┃ 2.02 ┃
┗━━━━━━━━━━┻━━━━━┻━━━┻━━━━┻━━━━┻━━━┻━━━━┻━
- 研究測量小阻值電阻的輔助電路
- 調整恒流源電流
- 調整放大電路的放大倍數
- 歸零調整
實(shi)際(ji)工(gong)作(zuo)中(zhong),為(wei)分(fen)析(xi)電(dian)路(lu)原(yuan)理(li),在(zai)根(gen)據(ju)實(shi)物(wu)繪(hui)製(zhi)電(dian)原(yuan)理(li)圖(tu)時(shi),往(wang)往(wang)需(xu)要(yao)測(ce)出(chu)小(xiao)阻(zu)值(zhi)電(dian)阻(zu)的(de)實(shi)際(ji)阻(zu)值(zhi),比(bi)如(ru)高(gao)檔(dang)開(kai)關(guan)電(dian)源(yuan)中(zhong)用(yong)於(yu)檢(jian)測(ce)負(fu)載(zai)電(dian)流(liu)的(de)康(kang)銅(tong)電(dian)阻(zu)(一般為毫歐級),過流保護用的大功率小阻值電阻(有些達到0.1Ω以下),大功率功放電路中與電流放大管(E極或s極)串接的反饋電阻(一般為零點幾歐姆)。由於普通數字萬用表電阻擋的最小量程為200Ω,受精度限製,往往無法精確測量出這些電阻的具體阻值,也無法判斷出它們的一致性如何,常常為此感到困難。為此,試製做如圖1所示的輔助電路,結合萬用表的直流低電壓擋(200mV、2V、20V),實現對小阻值電阻的精確測量。
工作原理:通過恒流源給被測電阻RX加一定的電流,再用萬用表測量Rx兩端的電壓,所測的電壓值除以流過被測電阻Rx的恒定電流,即可得出被測電阻的阻值。理論上流過待測電阻的電流越大,越易於精確測出小阻值電阻Rx的阻值,但電流過大,一是會引起恒流源嚴重發熱,影響電流的穩定性,導致所測阻值不準;二是小功率電阻不允許過大的電流流過。為此本電路選用LM317(U1)和電阻R1、R2、電位器RP1一起構成簡單的100mA的恒流源。

由運算放大器U2A和U2B及R7、R8、RP2(精密電位器)構成電壓放大電路,對被測電阻兩端的電壓進行10倍放大,這樣數字萬用表從C、D兩點測得的電壓值就可以與被測電阻RX的阻值相對應(1mV對應1mΩ,1V對應1Ω)。
為了提高放大器的穩定度和精度,用u4和u5為運放提供對稱的+5V工作電源。U3以及電阻R3構成2.5v參考電位電路,通過R4及精密電位器RP3給運放U2B的同相端施加合適的電位,用於抵消由於電流流經測試筆1和測試筆2引線以及接觸電阻所產生的電壓降。
製作與調試:按圖1所示在一塊麵包板上焊接出輔助電路板.如圖2所示。製作過程中需要注意以下幾點:
(1)地線需彙接於圖1所示的B點,以免流過被測電阻Rx的“大電流”影響運放工作。
(2)U4 (78L05)和u5(79L05)應選取輸出電壓數值一致的管子,保證運放工作電壓±5V對稱。
(3)電阻R7和R8需仔細挑選,確保其阻值一致性好。
(4)電路選用了計算機開關電源的±12V做電源.因此LM317發熱量較大,需加裝合適的散熱器,這也是本電路的缺陷。
[page]
調試步驟:第一步,調整恒流源電流。將數字萬用表置於直流200mA擋.串接於A、B之間,加電後仔細調節電位器RP1.使萬用表的讀數穩定在100mA。第二步.調整放大電路的放大倍數。首先將A、B兩點短接,然後將數字表(200mV電壓擋)接到電位器RP3的中心腳與地之間,加電後調節精密電位器RP3.使萬用表的讀數為100mV,再將萬用表接到C、D之間.仔細調節精密電位器RP2,使萬用表的讀數穩定到1V。第三步,歸零調整。斷電的情況下,斷開上一步連接在A、B之間的短路線,加電後將測試筆1和測試筆2碰在一起,仔細調節精密電位器RP3.使c、D兩點之間的電壓盡量為0mV.實際操作中調到0mV比較困難.但可以調整到3mv-6mV,這樣可以保證所測電壓精度小於10mV(對應於10mΩ)。
實測與比較:本電路適合測量小於8Ω以下的小電阻。實際測量時將數字萬用表(低電壓擋)接在C、D之間,加電後用測試筆1和測試筆2可靠接觸被測電阻兩端.從萬用表上讀數(1mV對應1mΩ,.IV對應1Ω),可得出被測小阻值電阻的阻值。需測量毫歐級電阻(比如高檔開關電源中的康銅電阻)阻值時,可先將兩測試筆置於康銅電阻某一端的焊盤上,測量並記下讀數;再將兩測試筆分別置於康銅電阻兩端的焊盤上,再次測量並記下讀數:然後用後一次測量的讀數減去前次測量的讀數.可以得到毫歐級電阻的阻值。附表為用VICTOR VC9805A+型數字萬用表200Ω擋和使用該電路協同該萬用表低電壓檔測量不同小阻值電阻的實際數據,單位為Ω。
┏━━━━━━━━━━┳━━━━━┳━━━┳━━━━┳━━━━┳━━━┳━━━━┳━━━┳━━━┓
┃標稱值┃康銅電阻┃0.1 ┃ 0.2┃0.22┃ 0.47 ┃0.56┃1 ┃2 ┃
┣━━━━━━━━━━╋━━━━━╋━━━╋━━━━╋━━━━╋━━━╋━━━━╋━━━╋━━━┫
┃用萬用表電阻檔┃0 ┃ 0.2┃ 0.3┃ 0.3┃0.6 ┃0.6 ┃ l.2┃2.2 ┃
┣━━━━━━━━━━╋━━━━━╋━━━╋━━━━╋━━━━╋━━━╋━━━━╋━━━╋━━━┫
┃本電路與萬用表結合┃5 mΩ┃ 0.102┃0.205 ┃0.224 ┃0.481 ┃0.574 ┃1.009 ┃ 2.02 ┃
┗━━━━━━━━━━┻━━━━━┻━━━┻━━━━┻━━━━┻━━━┻━━━━┻━
特別推薦
- 噪聲中提取真值!瑞盟科技推出MSA2240電流檢測芯片賦能多元高端測量場景
- 10MHz高頻運行!氮矽科技發布集成驅動GaN芯片,助力電源能效再攀新高
- 失真度僅0.002%!力芯微推出超低內阻、超低失真4PST模擬開關
- 一“芯”雙電!聖邦微電子發布雙輸出電源芯片,簡化AFE與音頻設計
- 一機適配萬端:金升陽推出1200W可編程電源,賦能高端裝備製造
技術文章更多>>
- 2026藍牙亞洲大會暨展覽在深啟幕
- 新市場與新場景推動嵌入式係統研發走向統一開發平台
- 維智捷發布中國願景
- 2秒啟動係統 • 資源受限下HMI最優解,米爾RK3506開發板× LVGL Demo演示
- H橋降壓-升壓電路中的交替控製與帶寬優化
技術白皮書下載更多>>
- 車規與基於V2X的車輛協同主動避撞技術展望
- 數字隔離助力新能源汽車安全隔離的新挑戰
- 汽車模塊拋負載的解決方案
- 車用連接器的安全創新應用
- Melexis Actuators Business Unit
- Position / Current Sensors - Triaxis Hall
熱門搜索
Tektronix
Thunderbolt
TI
TOREX
TTI
TVS
UPS電源
USB3.0
USB 3.0主控芯片
USB傳輸速度
usb存儲器
USB連接器
VGA連接器
Vishay
WCDMA功放
WCDMA基帶
Wi-Fi
Wi-Fi芯片
window8
WPG
XILINX
Zigbee
ZigBee Pro
安規電容
按鈕開關
白色家電
保護器件
保險絲管
北鬥定位
北高智

