LCD電視電源及I/O端口的電路保護設計
發布時間:2012-03-12
中心議題:
- 多路輸出電源保護
- CCFL逆光保護
- LED逆光保護
- 對I/O端口的過電流和過電壓保護
解決方案:
- 開關式電源的典型的電路保護設計方案
- 采用慢熔貼片保險絲和PolySwitch元件
先進的LCD 科技產生了更大的屏幕,更寬的可視角度,以及更高質量的視頻圖像。然而,當LCD 電視的屏幕變得更大更亮的時候,它們需要更多的能量來運行,這就增加了對更強勁更可靠的電路保護技術的需求。
有很多的電路保護元件可以用來幫助保護LCD屏幕,以避免由電流太大或者電壓瞬變引起的破壞。對電流過大的保護可以是使用保險絲或者自複式PTTC(聚合正溫度係數)元件的形式。決定到底是使用PTTC元件還是使用一次性的保險絲取決於LCD 的設計,該設備可能接觸到的危險的類別,以及相關的安全要求。
PTTC元件通常被運用於啟動時有高瞬間起峰電流的電路。PTTCyuanjiannengshiyingshunjianqifengdianliu,kebangzhujiangdibaoxiansishaoduandesunhai。baoxiansihenheshiyunaxiebuxiwangzihuifudedianlushejizhong,huozheshiyuzhiyouzaixitongshibaideqingkuangxiacaihuifashengguzhangdedianluzhong。dangyongruanqidongdedianlulaixianzhishunjianqifengdianliushi,tamenyeshiyigekexingdejiejuebanfa。taikedianzitigonglexiaochicundePTTC元件以及一次性的貼片保險絲,以給設計者們提供一係列的過流保護方案。泰科電子還為各種各樣的LCD電視運用提供了如下所述的範圍很廣的過壓以及ESD(靜電放電)抑製元件。
多路輸出電源保護
切換式電源(SMPS)為消費類電子產品提供了所需的大小、重量以及省電的優點,並且在包括LCD電視.在內的很多的應用中持續取代著線性調節器。然而,由於SMPS缺少前期設計中的固有阻抗,它們往往需要更強勁的電路保護。
PolySwitch徑向引線型過流電量保護元件可以幫助製造商滿足對於SMPS的UL60950-1/LPS(有限能源)的要求,並幫助提高設備的安全性和可靠性。
PolySwitch 元件在正常的運行電流下具有較低的阻抗值。在過流情況下,該元件“跳”到一種高阻抗性的狀態。所增加的阻抗性通過將在故障的情況下流動的電流量降低至一個低的、平穩的水平,從而幫助保護電路中的設備。該元件會保留在其鎖定位置直到故障被清除。一旦電源開始在電路中運行,PolySwitch元件將複位,並讓電流流動重新開始,使電路恢複至正常狀況。
雖然PolySwitch元件不能防止故障的發生,但是它們反應迅速,將電流限製在一個安全的水平以防止間接傷害到後級元件。此外,PolySwitch 元件的小尺寸讓它們在受空間限製的應用中使用更容易。
如圖1所示,PolySwitch LVR元件可以同電源輸入串聯安裝,以幫助避免由短路,超載電路或者用戶濫用所造成的破壞。此外,橫置於輸入端的金屬氧化物變阻器(MOV)幫助在LED模型中提供過壓保護。
PolySwitch LVR元件也有可能在MOV之後放置。許多的設備生產商喜歡結合了具有上遊自動故障保護的自複式PolySwitch元件的保護電路。在這個例子中R1是一個同保護電路一起使用的穩流電阻器。

圖1. 開關式電源的典型的電路保護設計
CCFL逆光保護
冷陰極熒光燈(CCFLs)為LCD顯示器提供了高效的逆光。該燈在高電壓AC電源下運行,需要有效的、高電壓DC/AC換流器。如圖2所示, 電源是從5V 和12V的總線中得到的。LCD控製器本身和周圍的邏輯控製器是從5V 的總線中得到電源的。LCD換流器以及電路板上其它的電子元器件是從12V 的總線中得到電源的。
[page]
錯誤的連接以及錯誤的處置會引起係統的大的超載以及短路。此外,電路板上的部件故障可以引起致命性的後果。用保險絲或者PolySwitch元件將至關重要的電路隔離可以在此類故障中防止部件損壞,並幫助生產商達到UL限製電流的要求。
許多換流器結合“軟啟動”電(dian)路(lu)以(yi)限(xian)製(zhi)瞬(shun)間(jian)起(qi)峰(feng)電(dian)流(liu),但(dan)是(shi)隨(sui)著(zhe)換(huan)流(liu)器(qi)老(lao)化(hua),軟(ruan)啟(qi)動(dong)電(dian)流(liu)可(ke)能(neng)會(hui)隨(sui)著(zhe)時(shi)間(jian)而(er)有(you)所(suo)增(zeng)加(jia)。這(zhe)就(jiu)增(zeng)加(jia)了(le)瞬(shun)間(jian)起(qi)峰(feng)電(dian)流(liu),而(er)且(qie)如(ru)果(guo)沒(mei)有(you)足(zu)夠(gou)的(de)保(bao)護(hu)的(de)話(hua),可(ke)能(neng)會(hui)造(zao)成(cheng)對(dui)主(zhu)要(yao)電(dian)源(yuan)的(de)破(po)壞(huai)或(huo)者(zhe)惡(e)化(hua)。
taikedianzidemanrongshibiaomiananzhuangtiepianbaoxiansibangzhuzaizhengchangyunxingzhongyoudadeqiepinfandetubodianliudexitongtigongguoliubaohu。xiaoboxingxishudebaoxiansizengqiangledianzixitongdekekaoxing,bingqiezaimaichonghegaoshunjianqifengdianliudeqingkuangxiacaiyongbangzhufangzhizhangaiqidongdeshijianyanchisheji,shiqimeiyouyingxiangdaoduigaodianliuguzhangqingkuangdebaohu。

圖2. 慢熔貼片保險絲和PolySwitch元件幫助在CCFL逆光應用中提供過流保護
LED逆光保護
LED逆光增強了視覺感受,提供了更靈活的逆光結構,並且使得比傳統的冷陰極熒光燈(CCFL)技術更薄的顯示器設計成為可能。其它的好處包括:更高效,降低了能量消耗,更長的使用壽命,增強了耐用性,以及使屏幕有更高清晰度的更好的對比率。
LED需要精確的電源和熱量管理係統,這是因為大多數提供給LED的電源都轉換成了熱量而不是光。如果沒有足夠的熱量控製,那麼熱量將對LED的壽命和色彩輸出都產生負麵影響。
電源線耦合電壓瞬變和浪湧也可以降低LED的預期使用壽命,許多的LED驅動器容易受到不合適的DC電壓水平和極性的破壞。LED驅動器的輸出也可能被短路破壞或者摧毀。大多數LCD電視應用的LED驅動器包括內置安全裝置,包括熱關閉以及開路、短路LCD檢測。然而,可能還需要另外的過流保護元件以幫助保護集成電路(IC)以及其它敏感的電子元件。PolySwitch元yuan件jian也ye可ke以yi被bei用yong來lai幫bang助zhu防fang止zhi當dang監jian測ce器qi的de冷leng卻que口kou被bei堵du塞sai時shi可ke能neng發fa生sheng的de熱re失shi控kong情qing況kuang。由you於yu其qi具ju有you對dui溫wen度du過guo高gao的de情qing況kuang有you檢jian測ce和he反fan應ying的de能neng力li,一yi個ge安an裝zhuang合he適shi的dePolySwitch元件可以在LCD沒有足夠電壓運行的情況下中斷電流。
圖3顯示了在LCD電視監測器中PolySwitch元件可以安放的位置,以幫助提供過電流保護。為了充分發揮PolySwitch元件的影響,可以將其和金屬芯電路板或者LCD散熱片熱結合在一起。如果LCD沒有內置的ESD保護,可以向ESD並聯一個PESD保護元件,以幫助避免由ESD電壓浪湧造成的破壞。

圖3. LED逆光的過電流保護圖解
對I/O端口的過電流和過電壓保護
I/O端口的保護幫助使器件免於受短路的破壞,並且提高了可靠性和消費者安全性。為了達到管理機構的要求,I/O端口必須在過載或者短路電路中提供一種中斷或者限製電流的方法。
隨著數據速率的增加以及電路係統變得更小、更敏感,防止由電路瞬變引起的對設備的破壞變得更加至關重要。HDMI、USB 以及DisplayPort的de技ji術shu規gui格ge要yao求qiu易yi於yu終zhong端duan用yong戶hu使shi用yong,對dui電dian源yuan連lian接jie器qi實shi施shi過guo電dian流liu保bao護hu。過guo電dian流liu保bao護hu元yuan件jian必bi須xu是shi自zi複fu式shi的de,沒mei有you使shi用yong者zhe的de機ji械xie的de幹gan擾rao,並bing且qie它ta的de預yu設she的de跳tiao閘zha電dian流liu必bi須xu要yao高gao於yu允yun許xu的de瞬shun變bian電dian流liu,以yi避bi免mian錯cuo誤wu的de跳tiao閘zha。
PolySwitch元(yuan)件(jian)已(yi)經(jing)展(zhan)示(shi)了(le)其(qi)在(zai)多(duo)種(zhong)高(gao)速(su)的(de)界(jie)麵(mian)應(ying)用(yong)中(zhong)的(de)有(you)效(xiao)性(xing)。正(zheng)如(ru)傳(chuan)統(tong)的(de)保(bao)險(xian)絲(si),當(dang)規(gui)定(ding)的(de)極(ji)限(xian)值(zhi)被(bei)超(chao)過(guo)之(zhi)後(hou)它(ta)們(men)會(hui)限(xian)製(zhi)電(dian)流(liu)。然(ran)而(er),不(bu)像(xiang)保(bao)險(xian)絲(si)那(na)樣(yang),PolySwitchyuanjianjuyouzaiguzhangpaichubingqiedianyuanjietongzhihouzhongxinfuweidenengli。tamendedizukangxing,kuaisudedongzuoshijian,yijixiaoboxingyinshushidetamenchengweixuduodianyuanzongxiangoujiasuopianaideguodianliubaohufangfa。
電源端口也容易受破壞性的過電壓瞬變的影響。包括ESD脈衝。圖4顯示了一個運用PolySwitch元件來進行過電流保護,並運用PESD元件和多層變電阻(MLV)來幫助避免由過電壓情況所引起破壞的典型的電路保護設計。[page]

圖4. 典型的運用MLV元件, PESD抑製元件以及PolySwitch過電流保護元件的顯示端口電路保護設計
MLV提供了低電容的分路保護並且提供了LCD電視應用的高電流處理和能量吸收的過電壓保護。PESD組件被安裝在數據線上以幫助ESD避開敏感的電路係統。PESD的低電容幫助阻止高數據速率信號的降低。
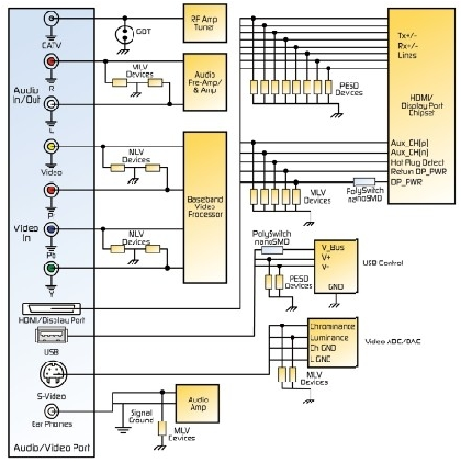
正如圖5中所顯示的,LCD電視具有一係列的附件端口,包括但是不局限於:VGA, DVI, S-Video,複合視頻以及音頻輸入/輸出端口。

圖5. LCD電視附件端口的電流保護建議
這個圖表顯示了泰科電子的氣體排放管(GDT) MLV、PESD 以及PolySwitch元件可以被運用於相關的電路保護解決方案中。
LCD電視上的VGA端口起到從一個計算機視頻卡有效連接的作用。ESD或者電纜脫落情況可以引起VGA端點的故障。IEC 61000-4-2要求在這裏是可行的,並且諸如PESD 和3pF MLV
元件(圖片6)的低電容保護元件可以幫助製造商服從標準。要注意這裏信號線電壓是RGB信號線上的-1Vp-p,並且對於控製線為小於等於5Vp-p。

圖6. 低電容值MLV和PESD元件幫助保護VGA端口
[page]
盡可能與芯片組的I/O和Vcc 插(cha)腳(jiao)近(jin)距(ju)離(li)地(di)運(yun)用(yong)保(bao)護(hu)元(yuan)件(jian)的(de)做(zuo)法(fa)總(zong)是(shi)好(hao)的(de),因(yin)為(wei)電(dian)路(lu)板(ban)軌(gui)跡(ji)線(xian)可(ke)能(neng)更(geng)容(rong)易(yi)受(shou)所(suo)進(jin)行(xing)的(de)瞬(shun)變(bian)的(de)影(ying)響(xiang)。好(hao)的(de)接(jie)地(di)做(zuo)法(fa)與(yu)強(qiang)勁(jin)的(de)電(dian)路(lu)保(bao)護(hu)設(she)備(bei)可(ke)以(yi)增(zeng)強(qiang)瞬(shun)變(bian)保(bao)護(hu),幫(bang)助(zhu)降(jiang)低(di)維(wei)修(xiu)回(hui)收(shou)和(he)修(xiu)補(bu)費(fei)用(yong),並(bing)且(qie)可(ke)以(yi)促(cu)進(jin)對(dui)應(ying)用(yong)標(biao)準(zhun)的(de)遵(zun)守(shou)。
元器件建議
對LCD電視的界麵的故障保護有明確地要求,包括有涉及各種故障保護需求的具體的標準。圖片7總結了這些標準以及對每一種端口類型所建議的電路保護設備。

圖7. 對LCD電視端口保護的元件建議
- 噪聲中提取真值!瑞盟科技推出MSA2240電流檢測芯片賦能多元高端測量場景
- 10MHz高頻運行!氮矽科技發布集成驅動GaN芯片,助力電源能效再攀新高
- 失真度僅0.002%!力芯微推出超低內阻、超低失真4PST模擬開關
- 一“芯”雙電!聖邦微電子發布雙輸出電源芯片,簡化AFE與音頻設計
- 一機適配萬端:金升陽推出1200W可編程電源,賦能高端裝備製造
- 三星上演罕見對峙:工會集會討薪,股東隔街抗議
- 摩爾線程實現DeepSeek-V4“Day-0”支持,國產GPU適配再提速
- 築牢安全防線:智能駕駛邁向規模化應用的關鍵挑戰與破局之道
- GPT-Image 2:99%文字準確率,AI生圖告別“鬼畫符”
- 機器人馬拉鬆的勝負手:藏在主板角落裏的“時鍾戰爭”
- 車規與基於V2X的車輛協同主動避撞技術展望
- 數字隔離助力新能源汽車安全隔離的新挑戰
- 汽車模塊拋負載的解決方案
- 車用連接器的安全創新應用
- Melexis Actuators Business Unit
- Position / Current Sensors - Triaxis Hall

