適合CMOS工藝的鋰電池保護電路設計
發布時間:2012-04-23
中心議題:
- 介紹鋰電池保護IC的工作原理
- 設計適合CMOS工藝的鋰電池保護電路
解決方案:
- 單節鋰電池保護IC設計方案
1 引 言
shejileyizhongdigonghaodedanjielilizidianchibaohudianlu,cibaohudianlubujinduililizidianchitigongguochongdian,guofangdian,fangdianguoliubaohu,haitigongchongdianyichangbaohu,lingfudianchichongdianjinzhidenggongneng。yong1. 0μm雙阱CMOS工藝實現。
2 鋰電池保護IC的功能原理分析
鋰電池保護電路的原理圖如圖1 所示, E +和E - 端之間加充電器或負載。電路工作原理如下:

圖1 鋰電池保護原理圖
正常狀態:當電池電壓在過放電檢測電壓以上且在過充電檢測電壓以下, VM端子的電壓在充電器檢測電壓以上且在過電流檢測電壓以下時,充電控製用FET2 和放電控製用FET1 的兩方均打開。
這時可以進行自由的充電和放電。這種狀態叫做正常狀態。
過充電保護:在充電過程中,當電池電壓高於過充電檢測電壓,且該狀態持續到過充電檢測延遲時間後,控製電路輸出一個低電平,關斷充電控製用FET2,禁止充電。
過放電保護:在放電過程中,當電池電壓低於過放電檢測電壓,且該狀態持續到過放電檢測延遲時間後,控製電路輸出一個低電平,關斷放電控製用FET1,禁止放電。
過電流保護:過電流保護包括一級過流保護,二級過流保護,短路保護,當放電電流過大, VM端電壓上升,超過過流檢測電壓,且該狀態持續時間超過過流檢測延遲時間後,控製電路輸出低電平,關斷放電控製用FET1,放電禁止。在放電過程中, VM端電壓就是兩個處於導通態的FET上的壓降(見圖1) ,即VVM = I ×2RFET.式中I是通過FET的電流,即放電電流, RFET是FET的通態電阻。
充電異常保護:電池在充電過程中如果電流過大,使VM端電壓下降,當低於某個設定值,並且這個狀態持續到過充電檢測延遲時間以上時,控製電路關斷充電控製用FET2,停止充電。當VM端電壓重新上升到設定值以上後,充電控製用FET1打開,充電保護異常解除。
零伏電池充電禁止:dianchizaijiufangbuyongdeqingkuangxia,huizishenfangdianshidianchidianyaxiajiang,shenzhiweilingfu,youxielidianchiyinqitexingdeyuanyinzaibeiwanquanfangdianhoubushiyizaiduchongdian。dangdianchidianyadiyumougeshedingzhishi,chongdiankongzhiyongFET2的柵極被固定在低電位,禁止充電。隻有電池本身電壓在零伏電池禁止充電電壓以上時,才被允許充電。
[page]
3 電路設計
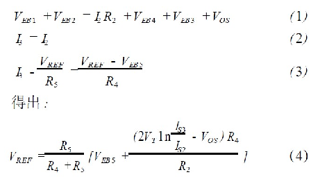
如圖2所suo示shi,鋰li電dian池chi保bao護hu電dian路lu主zhu要yao由you基ji準zhun源yuan,比bi較jiao器qi,邏luo輯ji控kong製zhi電dian路lu以yi及ji一yi些xie附fu加jia功gong能neng塊kuai組zu成cheng。比bi較jiao器qi檢jian測ce所suo用yong到dao的de基ji準zhun電dian壓ya都dou要yao通tong過guo一yi個ge基ji準zhun源yuan電dian路lu來lai提ti供gong,此ci基ji準zhun源yuan在zai正zheng常chang工gong作zuo情qing況kuang下xia,必bi須xu高gao精jing度du,低di功gong耗hao,以yi滿man足zu芯xin片pian要yao求qiu,且qie能neng夠gou在zai電dian源yuan電dian壓ya低di至zhi2. 2V時正常工作。

圖2 鋰電池保護電路的內部結構
圖3就是符合此要求的帶隙基準源。在該電路中, P4, P5, P6, P7,N3,N4, N6組成一個二級運放作為基準源的反饋,而運放的偏置電壓由基準源來提供,既簡化了電路與版圖,又減少了額外功耗。通過調節MOS管的尺寸,使運放具有較高增益,較低失調電壓。基準源采用級連二極管的形式, Q1, Q2發射區麵積相等, Q3, Q4發射區麵積相等,為了減少功耗,取Q3的麵積為Q2的兩倍。級連二極管形式能有效減少運放失調對輸出基準電壓精度的影響。
保護電路中所用的檢測電壓一般較低,比如一級過流檢測電壓為0. 15V 左右,二級過流檢測電壓為0. 6V左右,但一般帶隙基準電路隻能輸出1. 2V左右的電壓,電阻R5的引入就是通過對輸出基準電壓進行再次分壓來解決這個問題。以下給出輸出基準電壓的計算公式:


圖3 基準源電路結構
[page]
從式(4)中可以看出2 ln ( IS3 / IS2 ) VT相對於ln( IS3 / IS2 )VT受失調電壓VOS的影響明顯減少,即級連二極管的采用使基準電壓受運放失調影響減少。
式中產生因子R5 / (R4 +R5 ) ,通過調整R4 , R5 的電阻值,可以得到小於1. 2V的基準電壓。
圖1中N1,N2, P1, P2, P3, C1作為啟動電路,有源電阻P1, P2 起限流作用。N5, P13 為開關管,當保護電路處於休眠狀態時,電路必須停止工作,使功耗降為最低,此時通過內部控製電路使L1 為低電位, P13 管打開,使偏置點VB IAS上升為高電位,P4, P7, P8, P9 , P10, P11, P12管截止,N5管關閉,切斷由P13,N6形成的支路,該電路停止工作,電流幾乎為零。經仿真,該基準電路在2. 2V電壓下可正常工作。
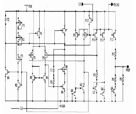
以下介紹此款鋰電池保護IC的附加功能,包括充電異常檢測功能,零伏電池充電禁止功能。如圖4所示。

圖4 附加功能電路結構
當鋰電池接上充電器進行充電時, VM端相當於充電器的負端(見圖1) ,產生一個- 4V左右的脈衝電壓,N1管瞬間導通,同時OUT1端也產生- 4V的脈衝電壓,當邏輯電路監測到OUTI端的負脈衝電壓後通過邏輯控製使L2 為高電位,使N3 管導通,又因為P1管的柵極接地,當VDD大於P1管的閾值電壓時, P1 管導通, D1 點為高電位, N2 管導通,D2點為低電位, P4管導通, CO為高電位,充電控製用FET2打開,允許充電,即充電器檢測完成。
當鋰電池由於自放電使自身電壓降為PMOS管閾值以下時, P1管截止, D1為低電位,使N2管截止,節點D2無法下降到VM端電壓, P4管截止, CO端為低電位,充電控製用FET2關閉,禁止充電,即為零伏電池充電禁止功能。在充電過程中, VM端電位為- I ×2RFET (見圖1) , I為充電電流, RFET為FET導通電阻。當電流過大, 使VM 端電位下降到負的NMOS閾值以下時,N5管導通, D3電位下降, P6管導通,輸出OUT2為高電位,當該狀態持續一段時間以後,控製邏輯判斷該狀態有效,使L2 為低電位,N3管截止, P3管導通,D2為高電位,使CO端為低,充電控製用FET2關閉,充電停止,即為充電異常檢測功能。
4 仿真時序圖
圖5為過充與過放電檢測的HSPICE仿真時序圖,從中可以看出,當比較器檢測到電池過充,在這裏過充檢測點為4. 25V,且該狀態保持時間達到過充電檢測延遲時間,在這裏約為1. 2秒, CO輸出低電平,關斷充電用FET2,停止充電。當檢測到電池過放電,這裏過放電檢測點為2. 25V,且該狀態保持時間達到過放電檢測延遲時間約150毫秒,DO輸出低電平,關斷放電用FET1,停止放電。其它如放電過流檢測等功能經HSP ICE仿真完全符合要求,在這裏不一一列出。

圖5 過充與過放電檢測仿真時序圖
5 結 論
設計的單節鋰電池保護IC在正常工作狀態下消耗電流為3. 3uA,休眠狀態下為0. 15uA,過充電檢測精度為±25mV,能在- 40°C~85°C的溫度下工作,產品性能完全符合要求。
- 噪聲中提取真值!瑞盟科技推出MSA2240電流檢測芯片賦能多元高端測量場景
- 10MHz高頻運行!氮矽科技發布集成驅動GaN芯片,助力電源能效再攀新高
- 失真度僅0.002%!力芯微推出超低內阻、超低失真4PST模擬開關
- 一“芯”雙電!聖邦微電子發布雙輸出電源芯片,簡化AFE與音頻設計
- 一機適配萬端:金升陽推出1200W可編程電源,賦能高端裝備製造
- 築基AI4S:摩爾線程全功能GPU加速中國生命科學自主生態
- 一秒檢測,成本降至萬分之一,光引科技把幾十萬的台式光譜儀“搬”到了手腕上
- AI服務器電源機櫃Power Rack HVDC MW級測試方案
- 突破工藝邊界,奎芯科技LPDDR5X IP矽驗證通過,速率達9600Mbps
- 通過直接、準確、自動測量超低範圍的氯殘留來推動反滲透膜保護
- 車規與基於V2X的車輛協同主動避撞技術展望
- 數字隔離助力新能源汽車安全隔離的新挑戰
- 汽車模塊拋負載的解決方案
- 車用連接器的安全創新應用
- Melexis Actuators Business Unit
- Position / Current Sensors - Triaxis Hall




