君耀強效放電管選型指南
發布時間:2012-05-18
中心議題:
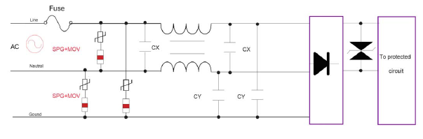
SPG強(qiang)效(xiao)應(ying)玻(bo)璃(li)放(fang)電(dian)管(guan)是(shi)一(yi)種(zhong)靠(kao)內(nei)部(bu)微(wei)間(jian)隙(xi)放(fang)電(dian)的(de)一(yi)種(zhong)保(bao)護(hu)器(qi)件(jian),在(zai)電(dian)極(ji)微(wei)間(jian)隙(xi)之(zhi)間(jian)充(chong)有(you)穩(wen)定(ding)的(de)惰(duo)性(xing)氣(qi)體(ti),並(bing)采(cai)用(yong)玻(bo)璃(li)殼(ke)和(he)杜(du)鎂(mei)絲(si)頭(tou)在(zai)高(gao)溫(wen)下(xia)燒(shao)結(jie)密(mi)封(feng)而(er)形(xing)成(cheng)的(de)。
1、它具有快速的相應速度,響應時間<=1ns;
2、它是一種開關型並聯於線路中旁路於浪湧電流一種防雷型保護器件;
3、電壓規格從70v~6000v,耐突波電流能力在8/20uS雷擊下可達500A、1000A、2000A、3000A等,不同的耐電流能力可適應於不同國內、國際標準的測試;
4、體積小,目前最小可達fai1.4*3.4;
5、在同等電壓規格情況下,殘壓是所有氣體式開關型器件中最低的;
6、電容值低,一般隻有及皮法;
7、無極性,安裝方便簡捷;
8、絕緣阻抗高、不易老化,可靠性強,能長期在濕度環境比較惡劣的情況下繼續保持高阻值,這是其他保護器件一般都不能達到的;
9、專用於高頻通訊信號線路進行防護,一般不能直接用在有源電路上進行防護,在有源線路中它必須配合限壓型(MOV、HYPERFIX)的保護器件來同時使用。
由於強效應玻璃放電管存在續流的問題而不能直接用在有源電路上進行保護,因而在有源產品上的防護必須要利用限壓型的保護器件(壓每電阻或防雷型的HYPERFIX等限壓型器件)配合使用。
1、通訊設備過壓抗雷擊保護:如ADSL、MODEM、CATV、IC卡電話機、以太網交換機、網卡、語音分離器、電話機、傳真機、RS485、RS232端口等。
2、電子設備的靜電防護:CRT顯示器、汽車音頻係統、電子電器產品的ESD&EMC防護等。
3、電子電器設備電源部分的過壓抗雷擊保護:變頻空調、變頻電源、傳真機電源、小家電產品等。
[page]
君耀強效應玻璃放電管產品符合於RoHS WEEE相應的條款並通過相應的檢測機構檢驗,滿足其相應的測試標準:IEC61000-4-5、ITU K21、UL等標準。
- 強效放電管選型指南
- 強效應玻璃放電管選型原則
- 強效應玻璃放電管電壓的選取
- 強效應玻璃放電管通流量的選取
SPG強(qiang)效(xiao)應(ying)玻(bo)璃(li)放(fang)電(dian)管(guan)是(shi)一(yi)種(zhong)靠(kao)內(nei)部(bu)微(wei)間(jian)隙(xi)放(fang)電(dian)的(de)一(yi)種(zhong)保(bao)護(hu)器(qi)件(jian),在(zai)電(dian)極(ji)微(wei)間(jian)隙(xi)之(zhi)間(jian)充(chong)有(you)穩(wen)定(ding)的(de)惰(duo)性(xing)氣(qi)體(ti),並(bing)采(cai)用(yong)玻(bo)璃(li)殼(ke)和(he)杜(du)鎂(mei)絲(si)頭(tou)在(zai)高(gao)溫(wen)下(xia)燒(shao)結(jie)密(mi)封(feng)而(er)形(xing)成(cheng)的(de)。

1、它具有快速的相應速度,響應時間<=1ns;
2、它是一種開關型並聯於線路中旁路於浪湧電流一種防雷型保護器件;
3、電壓規格從70v~6000v,耐突波電流能力在8/20uS雷擊下可達500A、1000A、2000A、3000A等,不同的耐電流能力可適應於不同國內、國際標準的測試;
4、體積小,目前最小可達fai1.4*3.4;
5、在同等電壓規格情況下,殘壓是所有氣體式開關型器件中最低的;
6、電容值低,一般隻有及皮法;
7、無極性,安裝方便簡捷;
8、絕緣阻抗高、不易老化,可靠性強,能長期在濕度環境比較惡劣的情況下繼續保持高阻值,這是其他保護器件一般都不能達到的;
9、專用於高頻通訊信號線路進行防護,一般不能直接用在有源電路上進行防護,在有源線路中它必須配合限壓型(MOV、HYPERFIX)的保護器件來同時使用。
由於強效應玻璃放電管存在續流的問題而不能直接用在有源電路上進行保護,因而在有源產品上的防護必須要利用限壓型的保護器件(壓每電阻或防雷型的HYPERFIX等限壓型器件)配合使用。

1、通訊設備過壓抗雷擊保護:如ADSL、MODEM、CATV、IC卡電話機、以太網交換機、網卡、語音分離器、電話機、傳真機、RS485、RS232端口等。
2、電子設備的靜電防護:CRT顯示器、汽車音頻係統、電子電器產品的ESD&EMC防護等。
3、電子電器設備電源部分的過壓抗雷擊保護:變頻空調、變頻電源、傳真機電源、小家電產品等。
[page]
君耀強效應玻璃放電管產品符合於RoHS WEEE相應的條款並通過相應的檢測機構檢驗,滿足其相應的測試標準:IEC61000-4-5、ITU K21、UL等標準。
強效應玻璃放電管選型原則


強效應玻璃放電管電壓的選取


強效應玻璃放電管通流量的選取
一般依據客戶產品防雷測試等級的要求進行選取,來決定所選放電管的通流量及相應的尺寸規格。
一般依據客戶產品防雷測試等級的要求進行選取,來決定所選放電管的通流量及相應的尺寸規格。
特別推薦
- 噪聲中提取真值!瑞盟科技推出MSA2240電流檢測芯片賦能多元高端測量場景
- 10MHz高頻運行!氮矽科技發布集成驅動GaN芯片,助力電源能效再攀新高
- 失真度僅0.002%!力芯微推出超低內阻、超低失真4PST模擬開關
- 一“芯”雙電!聖邦微電子發布雙輸出電源芯片,簡化AFE與音頻設計
- 一機適配萬端:金升陽推出1200W可編程電源,賦能高端裝備製造
技術文章更多>>
- 突破工藝邊界,奎芯科技LPDDR5X IP矽驗證通過,速率達9600Mbps
- 通過直接、準確、自動測量超低範圍的氯殘留來推動反滲透膜保護
- 從技術研發到規模量產:恩智浦第三代成像雷達平台,賦能下一代自動駕駛!
- 從機械執行到智能互動:移遠Q-Robotbox助力具身智能加速落地
- 品英Pickering將亮相2026航空電子國際論壇,展示航電與電池測試前沿方案
技術白皮書下載更多>>
- 車規與基於V2X的車輛協同主動避撞技術展望
- 數字隔離助力新能源汽車安全隔離的新挑戰
- 汽車模塊拋負載的解決方案
- 車用連接器的安全創新應用
- Melexis Actuators Business Unit
- Position / Current Sensors - Triaxis Hall
熱門搜索





