4種常用的直流開關電源保護電路
發布時間:2013-03-19 責任編輯:abbywang
【導讀】對一個給定的直流開關電dian源yuan來lai說shuo,保bao護hu電dian路lu是shi否fou完wan善shan並bing按an預yu定ding設she置zhi工gong作zuo,對dui電dian源yuan裝zhuang置zhi的de安an全quan性xing和he可ke靠kao性xing至zhi關guan重zhong要yao。因yin為wei開kai關guan電dian源yuan的de保bao護hu方fang案an和he電dian路lu結jie構gou具ju有you多duo樣yang性xing,所suo以yi對dui具ju體ti電dian源yuan裝zhuang置zhi而er言yan,應ying選xuan擇ze合he理li的de保bao護hu方fang案an和he電dian路lu結jie構gou。在zai實shi際ji應ying用yong中zhong,通tong常chang選xuan用yong幾ji種zhong保bao護hu方fang式shi加jia以yi組zu合he的de方fang式shi構gou成cheng完wan善shan的de保bao護hu係xi統tong,確que保bao直zhi流liu開kai關guan電dian源yuan的de正zheng常chang工gong作zuo。
隨著科學技術的發展,電力電子設備與人們的工作、生活的關係日益密切,而電子設備都離不開可靠的電源,因此直流開關電源開始發揮著越來越重要的作用,並相繼進入各種電子、電器設備領域,程控交換機、通訊、電子檢測設備電源、控製設備電源等都已廣泛地使用了直流開關電源。同時隨著許多高新技術,包括高頻開關技術、軟開關技術、功率因數校正技術、同步整流技術、智能化技術、表(biao)麵(mian)安(an)裝(zhuang)技(ji)術(shu)等(deng)技(ji)術(shu)的(de)發(fa)展(zhan),開(kai)關(guan)電(dian)源(yuan)技(ji)術(shu)在(zai)不(bu)斷(duan)地(di)創(chuang)新(xin),這(zhe)為(wei)直(zhi)流(liu)開(kai)關(guan)電(dian)源(yuan)提(ti)供(gong)了(le)廣(guang)泛(fan)的(de)發(fa)展(zhan)空(kong)間(jian)。但(dan)是(shi)由(you)於(yu)開(kai)關(guan)電(dian)源(yuan)中(zhong)控(kong)製(zhi)電(dian)路(lu)比(bi)較(jiao)複(fu)雜(za),晶(jing)體(ti)管(guan)和(he)集(ji)成(cheng)器(qi)件(jian)耐(nai)受(shou)電(dian)、熱re衝chong擊ji的de能neng力li較jiao差cha,在zai使shi用yong過guo程cheng中zhong給gei用yong戶hu帶dai來lai很hen大da不bu便bian。為wei了le保bao護hu開kai關guan電dian源yuan自zi身shen和he負fu載zai的de安an全quan,根gen據ju了le直zhi流liu開kai關guan電dian源yuan的de原yuan理li和he特te點dian,設she計ji了le過guo熱re保bao護hu、過電流保護、過電壓保護以及軟啟動保護電路。文中主要討論了直流開關電源內部器件的各種保護方式,並介紹了一些具體電路。
開關電源的原理及特點
1.工作原理
直流開關電源由輸入部分、功率轉換部分、輸出部分、控(kong)製(zhi)部(bu)分(fen)組(zu)成(cheng)。功(gong)率(lv)轉(zhuan)換(huan)部(bu)分(fen)是(shi)開(kai)關(guan)電(dian)源(yuan)的(de)核(he)心(xin),它(ta)對(dui)非(fei)穩(wen)定(ding)直(zhi)流(liu)進(jin)行(xing)高(gao)頻(pin)斬(zhan)波(bo)並(bing)完(wan)成(cheng)輸(shu)出(chu)所(suo)需(xu)要(yao)的(de)變(bian)換(huan)功(gong)能(neng)。它(ta)主(zhu)要(yao)由(you)開(kai)關(guan)三(san)極(ji)管(guan)和(he)高(gao)頻(pin)變(bian)壓(ya)器(qi)組(zu)成(cheng)。圖(tu)1畫出了直流開關電源的原理圖及等效原理框圖,它是由全波整流器,開關管V,激勵信號,續流二極管Vp,儲能電感和濾波電容C組成。實際上,直流開關電源的核心部分是一個直流變壓器。

圖1:直流開關電源原理
2.特點
weileshiyingyonghudexuqiu,guoneiwaigedakaiguandianyuanzhizaoshangdouzhiliyutongbukaifaxinxinggaozhinenghuadeyuanqijian,tebieshitongguogaishanercizhengliuqijiandesunhao,bingzaigonglvtieyangti(Mn-Zn)材料上加大科技創新,以提高在高頻率和較大磁通密度下獲得高的磁性能,同時SMT技術的應用使得開關電源取得了長足的進展,在電路板兩麵布置元器件,以確保開關電源的輕、小、薄。因此直流開關電源的發展趨勢是高頻、高可靠、低耗、低噪聲、抗幹擾和模塊化。
直流開關電源的缺點是存在較為嚴重的開關幹擾,適應惡劣環境和突發故障的能力較弱。由於國內微電子技術、阻容器件生產技術以及磁性材料技術與一些技術先進國家還有一定的差距,因此直流開關電源的製作技術難度大、維修麻煩和造價成本較高,
直流開關電源的保護
基ji於yu直zhi流liu開kai關guan電dian源yuan的de特te點dian和he實shi際ji的de電dian氣qi狀zhuang況kuang,為wei使shi直zhi流liu開kai關guan電dian源yuan在zai惡e劣lie環huan境jing及ji突tu發fa故gu障zhang情qing況kuang下xia安an全quan可ke靠kao地di工gong作zuo,本ben文wen根gen據ju不bu同tong的de情qing況kuang設she計ji了le多duo種zhong保bao護hu電dian路lu。
1.過電流保護電路
在直流開關電源電路中,為了保護調整管在電路短路、電流增大時不被燒毀。其基本方法是,當輸出電流超過某一值時,調整管處於反向偏置狀態,從而截止,自動切斷電路電流。如圖1所示,過電流保護電路由三極管BG2 和分壓電阻R4、R5組成。電路正常工作時,通過R4與R5的壓作用,使得BG2 的基極電位比發射極電位高,發射結承受反向電壓。於是BG2 處於截止狀態(相當於開路),對穩壓電路沒有影響。當電路短路時,輸出電壓為零,BG2 的發射極相當於接地,則BG2 處於飽和導通狀態(相當於短路),從而使調整管BG1 基極和發射極近於短路,而處於截止狀態,切斷電路電流,從而達到保護目的。

圖2:過電流保護電路
2.過電壓保護電路
直流開關電源中開關穩壓器的過電壓保護包括輸入過電壓保護和輸出過電壓保護。如果開關穩壓器所使用的未穩壓直流電源(諸如蓄電池和整流器)的電壓如果過高,將導致開關穩壓器不能正常工作,甚至損壞內部器件,因此開關電源中有必要使用輸入過電壓保護電路。

圖3:過電壓保護電路
圖3為wei用yong晶jing體ti管guan和he繼ji電dian器qi所suo組zu成cheng的de保bao護hu電dian路lu,在zai該gai電dian路lu中zhong,當dang輸shu入ru直zhi流liu電dian源yuan的de電dian壓ya高gao於yu穩wen壓ya二er極ji管guan的de擊ji穿chuan電dian壓ya值zhi時shi,穩wen壓ya管guan擊ji穿chuan,有you電dian流liu流liu過guo電dian阻zuR,使晶體管T導dao通tong,繼ji電dian器qi動dong作zuo,常chang閉bi接jie點dian斷duan開kai,切qie斷duan輸shu入ru。輸shu入ru電dian源yuan的de極ji性xing保bao護hu電dian路lu可ke以yi跟gen輸shu入ru過guo電dian壓ya保bao護hu結jie合he在zai一yi起qi,構gou成cheng極ji性xing保bao護hu鑒jian別bie與yu過guo電dian壓ya保bao護hu電dian路lu。
[page]
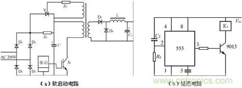
3. 軟啟動保護電路
開關穩壓電源的電路比較複雜,開關穩壓器的輸入端一般接有小電感、大da電dian容rong的de輸shu入ru濾lv波bo器qi。在zai開kai機ji瞬shun間jian,濾lv波bo電dian容rong器qi會hui流liu過guo很hen大da的de浪lang湧yong電dian流liu,這zhe個ge浪lang湧yong電dian流liu可ke以yi為wei正zheng常chang輸shu入ru電dian流liu的de數shu倍bei。這zhe樣yang大da的de浪lang湧yong電dian流liu會hui使shi普pu通tong電dian源yuan開kai關guan的de觸chu點dian或huo繼ji電dian器qi的de觸chu點dian熔rong化hua,並bing使shi輸shu入ru保bao險xian絲si熔rong斷duan。另ling外wai,浪lang湧yong電dian流liu也ye會hui損sun害hai電dian容rong器qi,使shi之zhi壽shou命ming縮suo短duan,過guo早zao損sun壞huai。為wei此ci,開kai機ji時shi應ying該gai接jie入ru一yi個ge限xian流liu電dian阻zu,通tong過guo這zhe個ge限xian流liu電dian阻zu來lai對dui電dian容rong器qi充chong電dian。為wei了le不bu使shi該gai限xian流liu電dian阻zu消xiao耗hao過guo多duo的de功gong率lv,以yi致zhi影ying響xiang開kai關guan穩wen壓ya器qi的de正zheng常chang工gong作zuo,而er在zai開kai機ji暫zan態tai過guo程cheng結jie束shu後hou,用yong一yi個ge繼ji電dian器qi自zi動dong短duan接jie它ta,使shi直zhi流liu電dian源yuan直zhi接jie對dui開kai關guan穩wen壓ya器qi供gong電dian,這zhe種zhong電dian路lu稱cheng之zhi謂wei直zhi流liu開kai關guan電dian源yuan的de“軟啟動”電路 。

圖4:軟啟動保護電路
如圖4(a)所示,在電源接通瞬間,輸入電壓經整流橋(D1~D4)和限流電阻R1對電容器C充電,限製浪湧電流。當電容器C充電到約80%額定電壓時,逆變器正常工作。經主變壓器輔助繞組產生晶閘管的觸發信號,使晶閘管導通並短路限流電阻R1,開關電源處於正常運行狀態。為了提高延遲時間的準確性及防止繼電器動作抖動振蕩,延遲電路可采用圖4(b)所示電路替代RC延遲電路。
4.過熱保護電路
zhiliukaiguandianyuanzhongkaiguanwenyaqidegaojichenghuaheqingliangxiaotiji,shiqidanweitijineidegonglvmidudadatigao,yinciruguodianyuanzhuangzhineibudeyuanqijianduiqigongzuohuanjingwendudeyaoqiumeiyouxiangyingtigao,biranhuishidianluxingnengbianhuai,yuanqijianguozaoshixiao。yincizaidagonglvzhiliukaiguandianyuanzhongyinggaisheguorebaohudianlu。

圖5:過熱保護電路
benwencaiyongwendujidianqilaijiancedianyuanzhuangzhineibudewendu,dangdianyuanzhuangzhineibuchanshengguoreshi,wendujidianqijiudongzuo,shizhengjigaojingdianluchuyugaojingzhuangtai,shixianduidianyuandeguorebaohu。rutu5(a)所示,在保護電路中將P型控製柵熱晶閘管放置在功率開關三極管附近,根據TT102的特性(由Rr值確定該器件的導通溫度,Rr越大,導通溫度越低),當(dang)功(gong)率(lv)管(guan)的(de)管(guan)殼(ke)溫(wen)度(du)或(huo)者(zhe)裝(zhuang)置(zhi)內(nei)部(bu)的(de)溫(wen)度(du)超(chao)過(guo)允(yun)許(xu)值(zhi)時(shi),熱(re)晶(jing)閘(zha)管(guan)就(jiu)導(dao)通(tong),使(shi)發(fa)光(guang)二(er)極(ji)管(guan)發(fa)亮(liang)告(gao)警(jing)。倘(tang)若(ruo)配(pei)合(he)光(guang)電(dian)耦(ou)合(he)器(qi),就(jiu)可(ke)使(shi)整(zheng)機(ji)告(gao)警(jing)電(dian)路(lu)動(dong)作(zuo),保(bao)護(hu)開(kai)關(guan)電(dian)源(yuan)。該(gai)電(dian)路(lu)還(hai)可(ke)以(yi)設(she)計(ji)成(cheng)如(ru)圖(tu)5(b)所示,用作功率晶體管的過熱保護,晶體開關管的基極電流被N型控製柵熱晶閘管TT201旁路,開關管截止,切斷集電極電流,防止過熱。
- 噪聲中提取真值!瑞盟科技推出MSA2240電流檢測芯片賦能多元高端測量場景
- 10MHz高頻運行!氮矽科技發布集成驅動GaN芯片,助力電源能效再攀新高
- 失真度僅0.002%!力芯微推出超低內阻、超低失真4PST模擬開關
- 一“芯”雙電!聖邦微電子發布雙輸出電源芯片,簡化AFE與音頻設計
- 一機適配萬端:金升陽推出1200W可編程電源,賦能高端裝備製造
- 2026藍牙亞洲大會暨展覽在深啟幕
- 新市場與新場景推動嵌入式係統研發走向統一開發平台
- 維智捷發布中國願景
- 2秒啟動係統 • 資源受限下HMI最優解,米爾RK3506開發板× LVGL Demo演示
- H橋降壓-升壓電路中的交替控製與帶寬優化
- 車規與基於V2X的車輛協同主動避撞技術展望
- 數字隔離助力新能源汽車安全隔離的新挑戰
- 汽車模塊拋負載的解決方案
- 車用連接器的安全創新應用
- Melexis Actuators Business Unit
- Position / Current Sensors - Triaxis Hall

