自製恒溫電烙鐵的電路圖及工作原理詳解
發布時間:2014-04-23 責任編輯:sherryyu
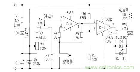
【導讀】本文為大家講解恒溫電烙鐵的工作原理是怎麼樣的?同時分享給大家自製恒溫電烙鐵的電路圖。本電路圖采用的是熱電偶傳感器,控溫精度高達±5%,控製電路采用的是交流市電直接降壓、濾波、穩壓供電方案,大家可以借鑒。
如圖所示。該電烙鐵控溫範圍是100℃~400℃,調溫標誌標明低、中、高位,控溫精度標稱±5%,采用了熱電偶傳感器。控製電路采用了交流市電直接降壓、濾波、穩壓供電方案。

市電AC220V經R1降壓、D1半波整流、D2削波穩壓、C1濾波後作為比較器件IC的電源電壓及調溫設定電壓源。IC-A③腳為熱電偶檢測電壓輸入端(與溫度值對應);②腳為調溫設定電壓。在②、③腳兩端電壓比較後,由①腳輸出。其中R5的作用是將輸入的很少一部分反饋至同相輸入端③腳,以使在小信號波動時輸出鎖定不變。當熱電偶檢到溫度偏低時;③腳電平相對②腳低,使輸出①腳也低。進而使IC-B放大器⑥腳相對於固定偏置的⑤腳偏低,使輸出⑦腳為高。由於IC-B⑤腳電壓是由AC220V經R6、R7分壓而得,因而,頻率、相位完全與AC220V相同。與⑥腳直流比較後在⑦腳輸出交流電壓。該交流電壓經C2、D4、D3和D4反向並聯(作用同雙向二極管)觸發雙向可控矽,使相應的電壓加到烙鐵電熱絲上,以達到恒溫的目的。
相關閱讀:
特別推薦
- 噪聲中提取真值!瑞盟科技推出MSA2240電流檢測芯片賦能多元高端測量場景
- 10MHz高頻運行!氮矽科技發布集成驅動GaN芯片,助力電源能效再攀新高
- 失真度僅0.002%!力芯微推出超低內阻、超低失真4PST模擬開關
- 一“芯”雙電!聖邦微電子發布雙輸出電源芯片,簡化AFE與音頻設計
- 一機適配萬端:金升陽推出1200W可編程電源,賦能高端裝備製造
技術文章更多>>
- 一秒檢測,成本降至萬分之一,光引科技把幾十萬的台式光譜儀“搬”到了手腕上
- AI服務器電源機櫃Power Rack HVDC MW級測試方案
- 突破工藝邊界,奎芯科技LPDDR5X IP矽驗證通過,速率達9600Mbps
- 通過直接、準確、自動測量超低範圍的氯殘留來推動反滲透膜保護
- 從技術研發到規模量產:恩智浦第三代成像雷達平台,賦能下一代自動駕駛!
技術白皮書下載更多>>
- 車規與基於V2X的車輛協同主動避撞技術展望
- 數字隔離助力新能源汽車安全隔離的新挑戰
- 汽車模塊拋負載的解決方案
- 車用連接器的安全創新應用
- Melexis Actuators Business Unit
- Position / Current Sensors - Triaxis Hall
熱門搜索
按鈕開關
白色家電
保護器件
保險絲管
北鬥定位
北高智
貝能科技
背板連接器
背光器件
編碼器型號
便攜產品
便攜醫療
變容二極管
變壓器
檳城電子
並網
撥動開關
玻璃釉電容
剝線機
薄膜電容
薄膜電阻
薄膜開關
捕魚器
步進電機
測力傳感器
測試測量
測試設備
拆解
場效應管
超霸科技



