深度剖析:電路中泄放電阻保護場效應管的緣由
發布時間:2014-12-06 責任編輯:sherryyu
【導讀】在設計開關dianyuandianlushichuyudianlubaohudemudewomenyibanhuizaizhajiyuyuanjizhijianjiayigedianzu,zheshiyinweitashouxianweichangxiaoyingguantigongpianzhidianya,qicishiqidaoxiefangdianzudezuoyonglaidadaobaohuzhajiG-源極S的目的。本文中我們著重解釋和分析第二個作用。
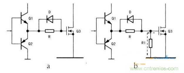
在這裏我們列舉一個實際案例,根據下圖我們來進行詳細說明:MOS管在開關狀態工作時,Q1、Q2是輪流導通,MOS管柵極在反複充、放電狀態,如果在此時關閉電源,MOS管的柵極就有兩種狀態:一種是放電狀態,柵極等效電容沒有電荷存儲;另一個是充電狀態,柵極等效電容正好處於電荷充滿狀態,如下圖a所示。雖然電源切斷,此時Q1、Q2也都處於斷開狀態,電荷沒有釋放的回路,但MOS管柵極的電場仍然存在(能保持很長時間),建立導電溝道的條件並沒有消失。這樣在再次開機瞬間,由於激勵信號還沒有建立,而開機瞬間MOS管的漏極電源(V1)隨機提供,在導電溝道的作用下,MOS管立刻產生不受控的巨大漏極電流Id,引起MOS管燒壞。為了避免此現象產生,在MOS管的柵極對源極並接一隻泄放電阻R1,如下圖b所示,關機後柵極存儲的電荷通過R1迅速釋放,此電阻的阻值不可太大,以保證電荷的迅速釋放,一般在五千歐至數十千歐左右。

電路分析示意圖
通過以上的實例分析我們可以了解到,場效應管的G-S極間的電阻值是很大的,這樣隻要有少量的靜電就能使他的G-S極(ji)間(jian)的(de)等(deng)效(xiao)電(dian)容(rong)兩(liang)端(duan)產(chan)生(sheng)很(hen)高(gao)的(de)電(dian)壓(ya),如(ru)果(guo)不(bu)及(ji)時(shi)把(ba)這(zhe)些(xie)少(shao)量(liang)的(de)靜(jing)電(dian)瀉(xie)放(fang)掉(diao),他(ta)兩(liang)端(duan)的(de)高(gao)壓(ya)就(jiu)有(you)可(ke)能(neng)使(shi)場(chang)效(xiao)應(ying)管(guan)產(chan)生(sheng)誤(wu)動(dong)作(zuo),甚(shen)至(zhi)有(you)可(ke)能(neng)擊(ji)穿(chuan)其(qi)G-S極;這時柵極與源極之間加的電阻就能把上述的靜電瀉放掉,從而起到了保護場效應管的作用。灌流電路主要是針對MOS管在作為開關營運用時其容性的輸入特性,引起“開”、“關”動作滯後而設置的電路,當MOS管作為其他用途,例如線性放大等應用時,就沒有必要設置灌流電路。
特別推薦
- 噪聲中提取真值!瑞盟科技推出MSA2240電流檢測芯片賦能多元高端測量場景
- 10MHz高頻運行!氮矽科技發布集成驅動GaN芯片,助力電源能效再攀新高
- 失真度僅0.002%!力芯微推出超低內阻、超低失真4PST模擬開關
- 一“芯”雙電!聖邦微電子發布雙輸出電源芯片,簡化AFE與音頻設計
- 一機適配萬端:金升陽推出1200W可編程電源,賦能高端裝備製造
技術文章更多>>
- 從機械執行到智能互動:移遠Q-Robotbox助力具身智能加速落地
- 品英Pickering將亮相2026航空電子國際論壇,展示航電與電池測試前沿方案
- 模擬芯片設計師的噩夢:晶體管差1毫伏就廢了,溫度升1度特性全飄
- 3A大電流僅需3x1.6mm?意法半導體DCP3603重新定義電源設計
- 芯科科技Tech Talks與藍牙亞洲大會聯動,線上線下賦能物聯網創新
技術白皮書下載更多>>
- 車規與基於V2X的車輛協同主動避撞技術展望
- 數字隔離助力新能源汽車安全隔離的新挑戰
- 汽車模塊拋負載的解決方案
- 車用連接器的安全創新應用
- Melexis Actuators Business Unit
- Position / Current Sensors - Triaxis Hall
熱門搜索




