超級可靠的漏電保護測試係統電路設計
發布時間:2015-02-07 責任編輯:sherryyu
【導讀】文章介紹的漏電保護器動作特性自動測試係統,可測量漏電保護器的漏電動作電流值、fenduanshijianheloudianbudongzuodianliuzhi,duitigaoloudianbaohuqigongzuodekekaoxingtigonglezhuyaojishucanshu,jianceguochengjuyoujiaogaodezidonghuashuiping,keduizaixianyunxingyufeizaixianyunxingdeloudianbaohuqijinxingjiance。
據不完全統計,我國每年因漏電而引起的觸電事故、火huo災zai造zao成cheng數shu千qian人ren死si亡wang和he數shu十shi億yi的de經jing濟ji損sun失shi,因yin此ci對dui可ke以yi防fang止zhi漏lou電dian火huo災zai及ji人ren身shen觸chu電dian保bao護hu的de漏lou電dian保bao護hu器qi的de性xing能neng提ti出chu了le更geng高gao的de要yao求qiu。文wen章zhang介jie紹shao的de漏lou電dian保bao護hu器qi動dong作zuo特te性xing自zi動dong測ce試shi係xi統tong,可ke測ce量liang漏lou電dian保bao護hu器qi的de漏lou電dian動dong作zuo電dian流liu值zhi、fenduanshijianheloudianbudongzuodianliuzhi,duitigaoloudianbaohuqigongzuodekekaoxingtigonglezhuyaojishucanshu,jianceguochengjuyoujiaogaodezidonghuashuiping,keduizaixianyunxingyufeizaixianyunxingdeloudianbaohuqijinxingjiance。
係統以LPC2132為核心,具有擴展測試電流的產生和調節模塊、動作執行單元、電流檢測電路以及鍵盤等外圍設備。LPC2132是一個支持實時仿真和跟蹤32位ARM7TDMI-S核的微控製器,1個10位8路A/D轉換器,2個32位定時器/計數器,6路PWM單元輸出,2個硬件I2C接口和47個 GPIO,2個16C550工業標準UART,以及多達9個邊沿或電平觸發的外部中斷。16kB的片內靜態RAM和64kB的片內Flash程序存儲器避免了LPC2132外擴存儲器,簡化了電路,提高了運行速度。漏電保護器的動作特性自動測試係統結構框圖如圖1所示。
測試電流產生及調節模塊

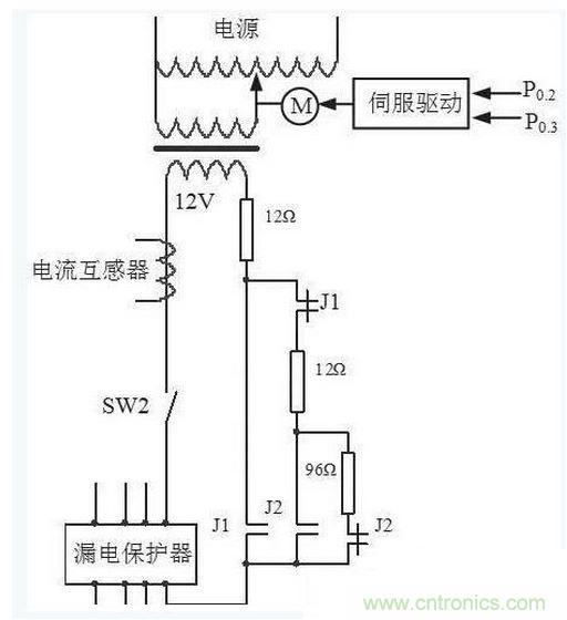
圖2 測試電流產生及調節模塊
測試電流產生和調節模塊如圖2所示。測試電流的產生是將50Hz、220V的正弦交流電經過220:12的降壓變壓器和電動調壓器,輸出0~12V的正弦交流電,再通過回路電阻,產生需要的測試電流。測試電流的產生分為3檔,以滿足不同的測量範圍。繼電器J1吸合,可產生0~1000mA的測試電流;繼電器J2吸合,可產生0~500mA的測試電流;繼電器J1、J2都不吸合,可產生0~100mA的測試電流。每一檔測試電流的調節通過LPC2132控製電動調壓器實現。為了使測試電流能均勻地變化,電動調壓器采用了交流伺服控製。在測試過程中,LPC2132duicaijidaodeshishihuiluzhongdeceshidianliuzhiyushedingzhibijiao,bingjisuandedaokongzhiliang,kongzhisifudiandongjizhuandong,daidongdiandongtiaoyaqidedianshuazaifubianshangwendingdihuadong,shifubiandianyabianhua,congergaibianhuiluzhongdedianliu。LPC2132的P0.2 腳輸出脈衝信號控製伺服電動機的運動速度,P0.3腳輸出高或低的電平信號,控製伺服電動機轉動的方向。
[page]
電流檢測電路
電流檢測電路如圖3所示。通過電流互感器對測試電流進行采樣,將電流互感器的二次側輸出信號經濾波、放大、電壓提升等電路,變換為A/D模塊可以采集的單極性電壓信號(0~5V)後送入LPC2132.

圖3電流檢測電路
在檢測電流的大小時,根據測試電流的周期(工頻)按照每個周期40gedianjinxingcaiyang,caiyangyigezhouqihou,genjudianliuhuganqideshuaijianbeishuhetishengdianyadeshuzhi,tongguoruanjiansuanfajisuanchushijidedianliuyouxiaozhi。dianluyingmanzuruxiatiaojian,dangjiaoliudianliudeshunshizhidadaozhengxiangfengzhishi,fangdaqishuchu5V;當交流電流的瞬時值達到負向峰值時放大器輸出 0V.3 A/D轉換及控製電路
電流檢測電路的輸出信號VOUT送入LPC2132內置的8路10位高速A/D轉換輸入端,對漏電電流的大小進行檢測。

圖4 A/D轉換及控製電路
由於A/D轉換為10位,當輸入電壓為5V時,輸出數據值為1024(4FFH),因此最大分辨率為0.0049V(5V/1024)。若產生測試電流的回路電阻為12Ω時,漏電電流的分辨率為0.4mA(0.0049V/12Ω),完全滿足測試需要。漏電保護器的漏電電流產生的開始信號和動、靜觸頭斷開信號分別送入LPC2132的外部中斷輸入端,采用中斷的方式對漏電保護器動、靜觸頭的分斷時間進行檢測。P0.5與P0.6腳分別控製繼電器J1、J2的閉合和分斷,選擇三種不同測量範圍的測試電流。LPC2132與上位機之間采用串行通信,由於係統是3.3V係統,所以要使用SP3232E進行RS- 232電平轉換。SP3232E是3V工作電源的RS-232轉換芯片。A/D轉換及控製電路如圖4所示。
特別推薦
- 噪聲中提取真值!瑞盟科技推出MSA2240電流檢測芯片賦能多元高端測量場景
- 10MHz高頻運行!氮矽科技發布集成驅動GaN芯片,助力電源能效再攀新高
- 失真度僅0.002%!力芯微推出超低內阻、超低失真4PST模擬開關
- 一“芯”雙電!聖邦微電子發布雙輸出電源芯片,簡化AFE與音頻設計
- 一機適配萬端:金升陽推出1200W可編程電源,賦能高端裝備製造
技術文章更多>>
- 築基AI4S:摩爾線程全功能GPU加速中國生命科學自主生態
- 一秒檢測,成本降至萬分之一,光引科技把幾十萬的台式光譜儀“搬”到了手腕上
- AI服務器電源機櫃Power Rack HVDC MW級測試方案
- 突破工藝邊界,奎芯科技LPDDR5X IP矽驗證通過,速率達9600Mbps
- 通過直接、準確、自動測量超低範圍的氯殘留來推動反滲透膜保護
技術白皮書下載更多>>
- 車規與基於V2X的車輛協同主動避撞技術展望
- 數字隔離助力新能源汽車安全隔離的新挑戰
- 汽車模塊拋負載的解決方案
- 車用連接器的安全創新應用
- Melexis Actuators Business Unit
- Position / Current Sensors - Triaxis Hall
熱門搜索
微波功率管
微波開關
微波連接器
微波器件
微波三極管
微波振蕩器
微電機
微調電容
微動開關
微蜂窩
位置傳感器
溫度保險絲
溫度傳感器
溫控開關
溫控可控矽
聞泰
穩壓電源
穩壓二極管
穩壓管
無焊端子
無線充電
無線監控
無源濾波器
五金工具
物聯網
顯示模塊
顯微鏡結構
線圈
線繞電位器
線繞電阻




