判斷集成運放性能的優劣:正確選擇集成運算放大器
發布時間:2015-10-30 責任編輯:susan
【導讀】集成運算放大器是模擬集成電路中應用最廣泛的器件。在由運算放大器組成的各種係統中,由於應用要求不一樣,對其性能的要求也不一樣。在沒有特殊要求的場合,盡量選用通用型集成運放,這樣即降低成本,又容易保證貨源。當一個係統中使用多個運放時,就盡可能選用多運放集成電路。
評價集成運放性能的優劣,應看其綜合性能。一般用優值係數K來衡量集成運放的優良程度,其定義為:

式中,SR為轉換率,單位為V/ms,其值越大,表明運放的交流特性越好;Iib為運放的輸入偏置電流,單位是nA;VOS為輸入失調電壓,單位是mV。Iib和VOS值越小,表明運放的直流特性越好。所以,對於放大音頻、視頻等交流信號的電路,選SR(轉換速率)大的運放比較合適;對於處理微弱的直流信號的電路,選用精度比較的高的運放比較合適(既失調電流、失調電壓及溫飄均比較小)。
實際選擇集成運放時,除優值係數要考慮之外,還應考慮其他因素。例如信號源的性質,是電壓源還是電流源;負載的性質,集成運放輸出電壓和電流的是否滿足要求;環境條件,集成運放允許工作範圍、工作電壓範圍、功耗與體積等因素是否滿足要求。
集成運算放大器的使用要點
1.集成運放的電源供給方式
集成運放有兩個電源接線端+VCC和-VEE,但有不同的電源供給方式。對於不同的電源供給方式,對輸入信號的要求是不同的。
(1)對稱雙電源供電方式
運算放大器多采用這種方式供電。相對於公共端(地)的正電源(+E)與負電源(-E)分別接於運放的+VCC和-VEE管腳上。在這種方式下,可把信號源直接接到運放的輸入腳上,而輸出電壓的振幅可達正負對稱電源電壓。
(2)單電源供電方式
單電源供電是將運放的-VEE管腳連接到地上。此時為了保證運放內部單元電路具有合適的靜態工作點,在運放輸入端一定要加入一直流電位,如圖3.2.1所示。此時運放的輸出是在某一直流電位基礎上隨輸入信號變化。對於圖中交流放大器,靜態時,運算放大器的輸出電壓近似為VCC/2,為了隔離掉輸出中的直流成分接入電容C3。

運算放大器單電源供電電路
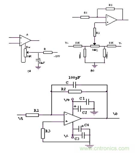
2.集成運放的調零問題
由於集成運放的輸入失調電壓和輸入失調電流的影響,當運算放大器組成的線性電路輸入信號為零時,輸出往往不等於零。為了提高電路的運算精度,要求對失調電壓和失調電流造成的誤差進行補償,這就是運算放大器的調零。常用的調零方法有內部調零和外部調零,而對於沒有內部調零端子的集成運放,要采用外部調零方法。下麵以mA741為例,下圖(左)給出了常用調零電路。下圖(右)所示的是內部調零電路;圖(左)是外部調零電路。
3.集成運放的自激振蕩問題
運算放大器是一個高放大倍數的多級放大器,在接成深度負反饋條件下,很容易產生自激振蕩。為使放大器能穩定的工作,就需外加一定的頻率補償網絡,以消除自激振蕩。下圖是相位補償的使用電路。

運算放大器的常用調零電路/運算放大器的自激消除
另外,防止通過電源內阻造成低頻振蕩或高頻振蕩的措施是在集成運放的正、負供電電源的輸入端對地一定要分別加入一電解電容(10mF)和一高頻濾波電容(0.01mF~0.1mF)。如圖3.2.3所示。
4.集成運放的保護問題
集成運放的安全保護有三個方麵:電源保護、輸入保護和輸出保護。
(1)電源保護。電源的常見故障是電源極性接反和電壓跳變。電源反接保護和電源電壓突變保護電路見下圖所示。對於性能較差的電源,在電源接通和斷開瞬間,往往出現電壓過衝。圖(b)中采用FET電流源和穩壓管鉗位保護,穩壓管的穩壓值大於集成運放的正常工作電壓而小於集成運放的最大允許工作電壓。FET管的電流應大於集成運放的正常工作電流。
(2)輸入保護。集成運放的輸入差模電壓過高或者輸入共模電壓過高(超出該集成運放的極限參數範圍),集成運放也會損壞。圖(右)所示是典型的輸入保護電路。

集成運放電源保護電路/集成運放輸入保護電路
(3)輸出保護。當集成運放過載或輸出端短路時,若沒有保護電路,該運放就會損壞。但有些集成運放內部設置了限流保護或短路保護,使用這些器件就不需再加輸出保護。對於內部沒有限流或短路保護的集成運放,可以采用下圖所示的輸出保護電路。在下圖電路中,當輸出保護時,由電阻R起限流保護作用。

特別推薦
- 噪聲中提取真值!瑞盟科技推出MSA2240電流檢測芯片賦能多元高端測量場景
- 10MHz高頻運行!氮矽科技發布集成驅動GaN芯片,助力電源能效再攀新高
- 失真度僅0.002%!力芯微推出超低內阻、超低失真4PST模擬開關
- 一“芯”雙電!聖邦微電子發布雙輸出電源芯片,簡化AFE與音頻設計
- 一機適配萬端:金升陽推出1200W可編程電源,賦能高端裝備製造
技術文章更多>>
- 築基AI4S:摩爾線程全功能GPU加速中國生命科學自主生態
- 一秒檢測,成本降至萬分之一,光引科技把幾十萬的台式光譜儀“搬”到了手腕上
- AI服務器電源機櫃Power Rack HVDC MW級測試方案
- 突破工藝邊界,奎芯科技LPDDR5X IP矽驗證通過,速率達9600Mbps
- 通過直接、準確、自動測量超低範圍的氯殘留來推動反滲透膜保護
技術白皮書下載更多>>
- 車規與基於V2X的車輛協同主動避撞技術展望
- 數字隔離助力新能源汽車安全隔離的新挑戰
- 汽車模塊拋負載的解決方案
- 車用連接器的安全創新應用
- Melexis Actuators Business Unit
- Position / Current Sensors - Triaxis Hall
熱門搜索
微波功率管
微波開關
微波連接器
微波器件
微波三極管
微波振蕩器
微電機
微調電容
微動開關
微蜂窩
位置傳感器
溫度保險絲
溫度傳感器
溫控開關
溫控可控矽
聞泰
穩壓電源
穩壓二極管
穩壓管
無焊端子
無線充電
無線監控
無源濾波器
五金工具
物聯網
顯示模塊
顯微鏡結構
線圈
線繞電位器
線繞電阻




