了解數字總線開關係列支持的電壓和頻率
發布時間:2018-05-17 責任編輯:lina
【導讀】當我第一次看到數字總線開關時,我實在想不出這些開關到底有啥用。幸運的是,現在我知道了這些開關的多種使用方法;我wo想xiang在zai這zhe裏li與yu你ni分fen享xiang其qi中zhong一yi種zhong方fang法fa。我wo將jiang描miao述shu單dan個ge控kong製zhi器qi上shang複fu用yong多duo個ge器qi件jian的de步bu驟zhou和he相xiang關guan考kao慮lv。你ni可ke以yi將jiang這zhe個ge技ji巧qiao用yong於yu任ren意yi類lei型xing的de通tong信xin總zong線xian,不bu過guo我wo還hai是shi將jiang以yiUSB為例進行說明。
首先,我想稍微談一談“數字總線開關”dedingyi。womenxianjiangzhuyilifangzaizhegemingchengdezuihoubufen。shuodaodi,tazhishiyigekaiguan。tashininenggouyongshuzidefangfa,jiangdianluzhongdeyigelianjiedakaiheguanbi。tu1顯示的是與一個開關等效的電路。

圖1:單通道數字總線開關的簡化示意圖
通過輸出使能引腳 (OE),用電壓來控製這個開關;隻需在高電平關閉開關,在低電平時打開開關。(對於低電平有效OE引腳來說,恰恰相反;這些引腳上通常會有標簽進行標注。)RON 是開關的內部電阻。A和B到開關的兩個連接點。
未在圖1中顯示的是傳播延遲,它是輸入信號到達輸出所需的時間,通常在開關的數據表中用tpd 表示。
通常說來,數字總線開關內部有很多的開關,這些開關使它們能夠控製(你猜到了)數字總線。

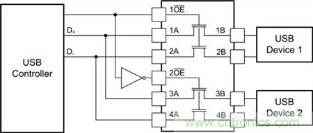
圖2:將2個USB器件複用至單個USB控製器
圖2顯示的是使用一個數字總線開關來將2個USB器件複用至單個USB控製器(USB2.0標準)的基本布局布線。在使用這個拓撲時,你每次隻能與一個器件通信。
在任何的邏輯係統設計中,需要考慮很多重要的值。歸根結底,這些值就是對電壓、電流和定時的要求。表1中列出了針對這一特定係統的要求。
Requirement
Value
Voltage
0V to 3.3V
Continuous current
18mA
Maximum frequency
240MHz (480Mbps)
表1:示例係統要求
如果你想進一步了解數字總線開關的話,請參見使用說明書數字總線開關選型指南。在這份選型指南中,你可以使用圖3來為這個用例輕鬆選擇一個開關。

圖3:數字總線開關係列支持的電壓和頻率
3個係列支持3.3V運行,但隻有其中一款器件能夠處理200MHz以上的頻率:那就是CB3Q。在TI.com內快速搜索可以得到這一係列中可以提供的18款產品的列表,針對你的應用,推薦使用SN74CB3Q3125,這是因為這款器件能夠切換4條數據線路。
圖2的初始電路原理圖和SN74CB3Q3125的(de)唯(wei)一(yi)區(qu)別(bie)就(jiu)是(shi)它(ta)為(wei)每(mei)條(tiao)通(tong)道(dao)單(dan)獨(du)啟(qi)用(yong)一(yi)個(ge)輸(shu)出(chu),而(er)不(bu)是(shi)將(jiang)一(yi)對(dui)輸(shu)出(chu)接(jie)在(zai)一(yi)起(qi)。這(zhe)是(shi)一(yi)個(ge)簡(jian)單(dan)修(xiu)改(gai)考(kao)慮(lv),你(ni)隻(zhi)需(xu)將(jiang)所(suo)需(xu)的(de)使(shi)能(neng)線(xian)路(lu)接(jie)在(zai)一(yi)起(qi)。

圖4:將2個USB器件複用至一個控製器時的SN74CB3Q3125接線
圖4顯(xian)示(shi)的(de)是(shi)所(suo)選(xuan)芯(xin)片(pian)上(shang)能(neng)夠(gou)實(shi)現(xian)此(ci)功(gong)能(neng)的(de)連(lian)接(jie)。這(zhe)裏(li)的(de)選(xuan)擇(ze)線(xian)路(lu)有(you)一(yi)個(ge)變(bian)換(huan)器(qi),不(bu)過(guo)其(qi)它(ta)安(an)排(pai)也(ye)可(ke)實(shi)現(xian)相(xiang)似(si)功(gong)能(neng),隻(zhi)要(yao)每(mei)次(ci)隻(zhi)啟(qi)用(yong)一(yi)條(tiao)通(tong)道(dao)即(ji)可(ke)。
數字總線開關是多用途器件;這種器件能夠實現隔離,以及多線製通信通道的手工複用。通過擴展這個裝置,你可以將任意數量的外設連接至單個控製器。
推薦閱讀:
特別推薦
- 噪聲中提取真值!瑞盟科技推出MSA2240電流檢測芯片賦能多元高端測量場景
- 10MHz高頻運行!氮矽科技發布集成驅動GaN芯片,助力電源能效再攀新高
- 失真度僅0.002%!力芯微推出超低內阻、超低失真4PST模擬開關
- 一“芯”雙電!聖邦微電子發布雙輸出電源芯片,簡化AFE與音頻設計
- 一機適配萬端:金升陽推出1200W可編程電源,賦能高端裝備製造
技術文章更多>>
- 從機械執行到智能互動:移遠Q-Robotbox助力具身智能加速落地
- 品英Pickering將亮相2026航空電子國際論壇,展示航電與電池測試前沿方案
- 模擬芯片設計師的噩夢:晶體管差1毫伏就廢了,溫度升1度特性全飄
- 3A大電流僅需3x1.6mm?意法半導體DCP3603重新定義電源設計
- 芯科科技Tech Talks與藍牙亞洲大會聯動,線上線下賦能物聯網創新
技術白皮書下載更多>>
- 車規與基於V2X的車輛協同主動避撞技術展望
- 數字隔離助力新能源汽車安全隔離的新挑戰
- 汽車模塊拋負載的解決方案
- 車用連接器的安全創新應用
- Melexis Actuators Business Unit
- Position / Current Sensors - Triaxis Hall
熱門搜索
按鈕開關
白色家電
保護器件
保險絲管
北鬥定位
北高智
貝能科技
背板連接器
背光器件
編碼器型號
便攜產品
便攜醫療
變容二極管
變壓器
檳城電子
並網
撥動開關
玻璃釉電容
剝線機
薄膜電容
薄膜電阻
薄膜開關
捕魚器
步進電機
測力傳感器
測試測量
測試設備
拆解
場效應管
超霸科技




