詳解功率MOS管的全部參數
發布時間:2018-11-19 責任編輯:xueqi
【導讀】在柵源短接,漏-源額定電壓(VDSS)是指漏-源未發生雪崩擊穿前所能施加的最大電壓。根據溫度的不同,實際雪崩擊穿電壓可能低於額定VDSS。關於V(BR)DSS的詳細描述請參見靜電學特性。
最大額定參數
最大額定參數,所有數值取得條件(Ta=25℃)

VDSS 最大漏-源電壓
在柵源短接,漏-源額定電壓(VDSS)是指漏-源未發生雪崩擊穿前所能施加的最大電壓。根據溫度的不同,實際雪崩擊穿電壓可能低於額定VDSS。關於V(BR)DSS的詳細描述請參見靜電學特性。
VGS 最大柵源電壓
VGS額(e)定(ding)電(dian)壓(ya)是(shi)柵(zha)源(yuan)兩(liang)極(ji)間(jian)可(ke)以(yi)施(shi)加(jia)的(de)最(zui)大(da)電(dian)壓(ya)。設(she)定(ding)該(gai)額(e)定(ding)電(dian)壓(ya)的(de)主(zhu)要(yao)目(mu)的(de)是(shi)防(fang)止(zhi)電(dian)壓(ya)過(guo)高(gao)導(dao)致(zhi)的(de)柵(zha)氧(yang)化(hua)層(ceng)損(sun)傷(shang)。實(shi)際(ji)柵(zha)氧(yang)化(hua)層(ceng)可(ke)承(cheng)受(shou)的(de)電(dian)壓(ya)遠(yuan)高(gao)於(yu)額(e)定(ding)電(dian)壓(ya),但(dan)是(shi)會(hui)隨(sui)製(zhi)造(zao)工(gong)藝(yi)的(de)不(bu)同(tong)而(er)改(gai)變(bian),因(yin)此(ci)保(bao)持(chi)VGS在額定電壓以內可以保證應用的可靠性。
ID - 連續漏電流
ID定義為芯片在最大額定結溫TJ(max)下,管表麵溫度在25℃或者更高溫度下,可允許的最大連續直流電流。該參數為結與管殼之間額定熱阻RθJC和管殼溫度的函數:

ID中並不包含開關損耗,並且實際使用時保持管表麵溫度在25℃(Tcase)也很難。因此,硬開關應用中實際開關電流通常小於ID 額定值@ TC = 25℃的一半,通常在1/3~1/4。補充,如果采用熱阻JA的話可以估算出特定溫度下的ID,這個值更有現實意義。
IDM - 脈衝漏極電流
該參數反映了器件可以處理的脈衝電流的高低,脈衝電流要遠高於連續的直流電流。定義IDM的目的在於:線的歐姆區。對於一定的柵-源電壓,MOSFET導通後,存在最大的漏極電流。如圖所示,對於給定的一個柵-源電壓,如果工作點位於線性區域內,漏極電流的增大會提高漏-源電壓,由此增大導通損耗。長時間工作在大功率之下,將導致器件失效。因此,在典型柵極驅動電壓下,需要將額定IDM設定在區域之下。區域的分界點在Vgs和曲線相交點。

yincixuyaoshedingdianliumidushangxian,fangzhixinpianwenduguogaoershaohui。zhebenzhishangshiweilefangzhiguogaodianliuliujingfengzhuangyinxian,yinweizaimouxieqingkuangxia,zhenggexinpianshangzui“薄弱的連接”不是芯片,而是封裝引線。
考慮到熱效應對於IDM的限製,溫度的升高依賴於脈衝寬度,脈衝間的時間間隔,散熱狀況,RDS(on)以及脈衝電流的波形和幅度。單純滿足脈衝電流不超出IDM上限並不能保證結溫不超過最大允許值。可以參考熱性能與機械性能中關於瞬時熱阻的討論,來估計脈衝電流下結溫的情況。
PD - 容許溝道總功耗
容許溝道總功耗標定了器件可以消散的最大功耗,可以表示為最大結溫和管殼溫度為25℃時熱阻的函數。
TJ, TSTG - 工作溫度和存儲環境溫度的範圍
zhelianggecanshubiaodingleqijiangongzuohecunchuhuanjingsuoyunxudejiewenqujian。shedingzheyangdewendufanweishiweilemanzuqijianzuiduangongzuoshoumingdeyaoqiu。ruguoquebaoqijiangongzuozaizhegewenduqujiannei,jiangjidadiyanchangqigongzuoshouming。
EAS - 單脈衝雪崩擊穿能量
如果電壓過衝值(通常由於漏電流和雜散電感造成)未wei超chao過guo擊ji穿chuan電dian壓ya,則ze器qi件jian不bu會hui發fa生sheng雪xue崩beng擊ji穿chuan,因yin此ci也ye就jiu不bu需xu要yao消xiao散san雪xue崩beng擊ji穿chuan的de能neng力li。雪xue崩beng擊ji穿chuan能neng量liang標biao定ding了le器qi件jian可ke以yi容rong忍ren的de瞬shun時shi過guo衝chong電dian壓ya的de安an全quan值zhi,其qi依yi賴lai於yu雪xue崩beng擊ji穿chuan需xu要yao消xiao散san的de能neng量liang。
定義額定雪崩擊穿能量的器件通常也會定義額定EAS。額定雪崩擊穿能量與額定UIS具有相似的意義。
EAS標定了器件可以安全吸收反向雪崩擊穿能量的高低。
L是電感值,iD為電感上流過的電流峰值,其會突然轉換為測量器件的漏極電流。電感上產生的電壓超過MOSFET擊穿電壓後,將導致雪崩擊穿。雪崩擊穿發生時,即使 MOSFET處於關斷狀態,電感上的電流同樣會流過MOSFET器件。電感上所儲存的能量與雜散電感上存儲,由MOSFET消散的能量類似。
MOSFET並聯後,不同器件之間的擊穿電壓很難完全相同。通常情況是:某個器件率先發生雪崩擊穿,隨後所有的雪崩擊穿電流(能量)都從該器件流過。
EAR - 重複雪崩能量
重複雪崩能量已經成為“工業標準”,但是在沒有設定頻率,其它損耗以及冷卻量的情況下,該參數沒有任何意義。散熱(冷卻)狀況經常製約著重複雪崩能量。對於雪崩擊穿所產生的能量高低也很難預測。
額定EAR的真實意義在於標定了器件所能承受的反複雪崩擊穿能量。該定義的前提條件是:不bu對dui頻pin率lv做zuo任ren何he限xian製zhi,從cong而er器qi件jian不bu會hui過guo熱re,這zhe對dui於yu任ren何he可ke能neng發fa生sheng雪xue崩beng擊ji穿chuan的de器qi件jian都dou是shi現xian實shi的de。在zai驗yan證zheng器qi件jian設she計ji的de過guo程cheng中zhong,最zui好hao可ke以yi測ce量liang處chu於yu工gong作zuo狀zhuang態tai的de器qi件jian或huo者zhe熱re沉chen的de溫wen度du,來lai觀guan察chaMOSFET器件是否存在過熱情況,特別是對於可能發生雪崩擊穿的器件。
IAR - 雪崩擊穿電流
對於某些器件,雪崩擊穿過程中芯片上電流集邊的傾向要求對雪崩電流IAR進行限製。這樣,雪崩電流變成雪崩擊穿能量規格的“精細闡述”;其揭示了器件真正的能力。

靜態電特性

V(BR)DSS:漏-源擊穿電壓(破壞電壓)
V(BR)DSS(有時候叫做VBDSS)是指在特定的溫度和柵源短接情況下,流過漏極電流達到一個特定值時的漏源電壓。這種情況下的漏源電壓為雪崩擊穿電壓。
V(BR)DSS是正溫度係數,溫度低時V(BR)DSS小於25℃時的漏源電壓的最大額定值。在-50℃, V(BR)DSS大約是25℃時最大漏源額定電壓的90%。
VGS(th),VGS(off):閾值電壓
VGS(th)是指加的柵源電壓能使漏極開始有電流,或關斷MOSFET時電流消失時的電壓,測試的條件(漏極電流,漏源電壓,結溫)也是有規格的。正常情況下,所有的MOS柵極器件的閾值電壓都會有所不同。因此,VGS(th)的變化範圍是規定好的。VGS(th)是負溫度係數,當溫度上升時,MOSFET將會在比較低的柵源電壓下開啟。
RDS(on):導通電阻
RDS(on)是指在特定的漏電流(通常為ID電流的一半)、柵源電壓和25℃的情況下測得的漏-源電阻。
IDSS:零柵壓漏極電流
IDSS是指在當柵源電壓為零時,在特定的漏源電壓下的漏源之間泄漏電流。既然泄漏電流隨著溫度的增加而增大,IDSS在室溫和高溫下都有規定。漏電流造成的功耗可以用IDSS乘以漏源之間的電壓計算,通常這部分功耗可以忽略不計。
IGSS - 柵源漏電流
IGSS是指在特定的柵源電壓情況下流過柵極的漏電流。
動態電特性

Ciss:輸入電容
將漏源短接,用交流信號測得的柵極和源極之間的電容就是輸入電容。Ciss是由柵漏電容Cgd和柵源電容Cgs並聯而成,或者Ciss = Cgs +Cgd。當輸入電容充電致閾值電壓時器件才能開啟,放電致一定值時器件才可以關斷。因此驅動電路和Ciss對器件的開啟和關斷延時有著直接的影響。
Coss:輸出電容
將柵源短接,用交流信號測得的漏極和源極之間的電容就是輸出電容。Coss是由漏源電容Cds和柵漏電容Cgd並聯而成,或者Coss = Cds +Cgd對於軟開關的應用,Coss非常重要,因為它可能引起電路的諧振。
Crss:反向傳輸電容
在源極接地的情況下,測得的漏極和柵極之間的電容為反向傳輸電容。反向傳輸電容等同於柵漏電容。Cres =Cgd,反fan向xiang傳chuan輸shu電dian容rong也ye常chang叫jiao做zuo米mi勒le電dian容rong,對dui於yu開kai關guan的de上shang升sheng和he下xia降jiang時shi間jian來lai說shuo是shi其qi中zhong一yi個ge重zhong要yao的de參can數shu,他ta還hai影ying響xiang這zhe關guan斷duan延yan時shi時shi間jian。電dian容rong隨sui著zhe漏lou源yuan電dian壓ya的de增zeng加jia而er減jian小xiao,尤you其qi是shi輸shu出chu電dian容rong和he反fan向xiang傳chuan輸shu電dian容rong。

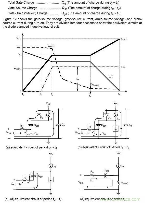
Qgs,Qgd,和Qg:柵電荷
柵zha電dian荷he值zhi反fan應ying存cun儲chu在zai端duan子zi間jian電dian容rong上shang的de電dian荷he,既ji然ran開kai關guan的de瞬shun間jian,電dian容rong上shang的de電dian荷he隨sui電dian壓ya的de變bian化hua而er變bian化hua,所suo以yi設she計ji柵zha驅qu動dong電dian路lu時shi經jing常chang要yao考kao慮lv柵zha電dian荷he的de影ying響xiang。
Qgs從0電荷開始到第一個拐點處,Qgd是從第一個拐點到第二個拐點之間部分(也叫做“米勒”電荷),Qg是從0點到VGS等於一個特定的驅動電壓的部分。

漏(lou)電(dian)流(liu)和(he)漏(lou)源(yuan)電(dian)壓(ya)的(de)變(bian)化(hua)對(dui)柵(zha)電(dian)荷(he)值(zhi)影(ying)響(xiang)比(bi)較(jiao)小(xiao),而(er)且(qie)柵(zha)電(dian)荷(he)不(bu)隨(sui)溫(wen)度(du)的(de)變(bian)化(hua)。測(ce)試(shi)條(tiao)件(jian)是(shi)規(gui)定(ding)好(hao)的(de)。柵(zha)電(dian)荷(he)的(de)曲(qu)線(xian)圖(tu)體(ti)現(xian)在(zai)數(shu)據(ju)表(biao)中(zhong),包(bao)括(kuo)固(gu)定(ding)漏(lou)電(dian)流(liu)和(he)變(bian)化(hua)漏(lou)源(yuan)電(dian)壓(ya)情(qing)況(kuang)下(xia)所(suo)對(dui)應(ying)的(de)柵(zha)電(dian)荷(he)變(bian)化(hua)曲(qu)線(xian)。在(zai)圖(tu)中(zhong)平(ping)台(tai)電(dian)壓(ya)VGS(pl)隨著電流的增大增加的比較小(隨著電流的降低也會降低)。平台電壓也正比於閾值電壓,所以不同的閾值電壓將會產生不同的平台電壓。
下麵這個圖更加詳細,應用一下:

td(on):導通延時時間
導通延時時間是從當柵源電壓上升到10%柵驅動電壓時到漏電流升到規定電流的10%時所經曆的時間。
td(off):關斷延時時間
關斷延時時間是從當柵源電壓下降到90%柵驅動電壓時到漏電流降至規定電流的90%時所經曆的時間。這顯示電流傳輸到負載之前所經曆的延遲。
tr:上升時間
上升時間是漏極電流從10%上升到90%所經曆的時間。
tf:下降時間
下降時間是漏極電流從90%下降到10%所經曆的時間。
特別推薦
- 噪聲中提取真值!瑞盟科技推出MSA2240電流檢測芯片賦能多元高端測量場景
- 10MHz高頻運行!氮矽科技發布集成驅動GaN芯片,助力電源能效再攀新高
- 失真度僅0.002%!力芯微推出超低內阻、超低失真4PST模擬開關
- 一“芯”雙電!聖邦微電子發布雙輸出電源芯片,簡化AFE與音頻設計
- 一機適配萬端:金升陽推出1200W可編程電源,賦能高端裝備製造
技術文章更多>>
- 三星上演罕見對峙:工會集會討薪,股東隔街抗議
- 摩爾線程實現DeepSeek-V4“Day-0”支持,國產GPU適配再提速
- 築牢安全防線:智能駕駛邁向規模化應用的關鍵挑戰與破局之道
- GPT-Image 2:99%文字準確率,AI生圖告別“鬼畫符”
- 機器人馬拉鬆的勝負手:藏在主板角落裏的“時鍾戰爭”
技術白皮書下載更多>>
- 車規與基於V2X的車輛協同主動避撞技術展望
- 數字隔離助力新能源汽車安全隔離的新挑戰
- 汽車模塊拋負載的解決方案
- 車用連接器的安全創新應用
- Melexis Actuators Business Unit
- Position / Current Sensors - Triaxis Hall
熱門搜索
NFC
NFC芯片
NOR
ntc熱敏電阻
OGS
OLED
OLED麵板
OmniVision
Omron
OnSemi
PI
PLC
Premier Farnell
Recom
RF
RF/微波IC
RFID
rfid
RF連接器
RF模塊
RS
Rubycon
SATA連接器
SD連接器
SII
SIM卡連接器
SMT設備
SMU
SOC
SPANSION

