推薦幾種值得永遠收藏的經典模擬電路!
發布時間:2019-03-06 責任編輯:xueqi
【導讀】作為一個電子人,我們經常需要和不同的電路接觸,但有一些經典電路圖是值得我們永遠記住的。
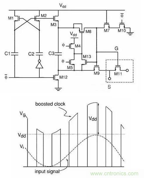
bootstrap
電路用在各種ADC之前的Sample電路,可以讓ADC實現rail to rail的input,sample電路的工作電壓超過Vdd,極大的減少了了setting time,而且幾乎沒有reliability的問題。電路裏沒有任何一個器件是可以被減少或者改變位置的。此電路直接使得ADC的發展往前躍進了一大步,現在已經幾乎成為除ΔΣ之外各種ADC的標配,成為曆史上最經典的模擬電路之一。當然,電路原理一眼看去也不是很好理解。
工作波形看著都讓人舒服:

一個神奇的電流源
輸入‘任意’電流。(引號的意思是,合理大小的任意電流值), 輸出都大約會是2*ln8*Vt/R。

SAR-ADC
工作原理如下:
每個時鍾沿,比較器對電容上的電壓和地作比較, 由此結果來決定下一個電容是否接入電路。
實質上就是用二分法來逼近個未知電壓。
結構

電容端電壓變化

高級版

switch cap 的CMFB
僅僅4個電容加6個開關就實現了CMFB,非常簡潔,且幾乎不會影響OPAM本身像output swing,gain之類的spec,非常高效。

Data Weighted Averaging
基本思想是快速遍曆DAC中的每一個電流元從而減少電流元mismatch對ADC信噪比的影響,僅僅通過幾個簡單的數電模塊就實現對電流元mismatch的first order noise shaping,非常巧妙。

萬能的H橋電路
驅qu動dong電dian機ji正zheng反fan轉zhuan,妥tuo妥tuo的de好hao用yong而er且qie實shi惠hui,買mai一yi塊kuai驅qu動dong芯xin片pian的de錢qian夠gou自zi己ji搭da十shi個ge橋qiao了le。而er且qie用yong市shi場chang上shang最zui常chang見jian的de三san極ji管guan就jiu能neng搞gao定ding,功gong率lv稍shao大da的de,換huan成chengMOS管就行了。

特別推薦
- 噪聲中提取真值!瑞盟科技推出MSA2240電流檢測芯片賦能多元高端測量場景
- 10MHz高頻運行!氮矽科技發布集成驅動GaN芯片,助力電源能效再攀新高
- 失真度僅0.002%!力芯微推出超低內阻、超低失真4PST模擬開關
- 一“芯”雙電!聖邦微電子發布雙輸出電源芯片,簡化AFE與音頻設計
- 一機適配萬端:金升陽推出1200W可編程電源,賦能高端裝備製造
技術文章更多>>
- 邊緣AI的發展為更智能、更可持續的技術鋪平道路
- 每台智能體PC,都是AI時代的新入口
- IAR作為Qt Group獨立BU攜兩項重磅汽車電子應用開發方案首秀北京車展
- 構建具有網絡彈性的嵌入式係統:來自行業領袖的洞見
- 數字化的線性穩壓器
技術白皮書下載更多>>
- 車規與基於V2X的車輛協同主動避撞技術展望
- 數字隔離助力新能源汽車安全隔離的新挑戰
- 汽車模塊拋負載的解決方案
- 車用連接器的安全創新應用
- Melexis Actuators Business Unit
- Position / Current Sensors - Triaxis Hall
熱門搜索





