幹貨收藏|18種電動機降壓啟動電路圖
發布時間:2020-07-06 責任編輯:lina
【導讀】自耦減壓啟動是籠型感應電動機(又稱異步電動機)的啟動方法之一。它具有線路結構緊湊、bushoudiandongjiraozujiexianfangshixianzhideyoudian,haikeanyunxudeqidongdianliuhesuoxuyaodeqidongzhuanjuxuanyongbutongdebianyaqidianyachoutou,gushiyongyurongliangjiaodadediandongji。
一、自耦減壓啟動
自耦減壓啟動是籠型感應電動機(又稱異步電動機)的啟動方法之一。它具有線路結構緊湊、bushoudiandongjiraozujiexianfangshixianzhideyoudian,haikeanyunxudeqidongdianliuhesuoxuyaodeqidongzhuanjuxuanyongbutongdebianyaqidianyachoutou,gushiyongyurongliangjiaodadediandongji。

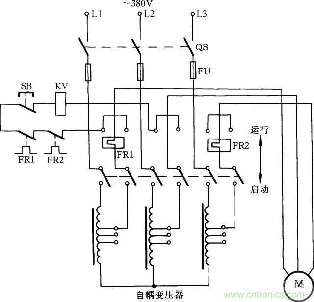
圖1 自耦減壓啟動
工作原理如圖1所示:qidongdiandongjishi,jiangdaobingtuixiangqidongweizhi,cishisanxiangjiaoliudianyuantongguozioubianyaqiyudiandongjixianglianjie。daiqidongwanbihou,badaobingbanzhiyunxingweizhiqiechuzioubianyaqi,shidiandongjizhijiejiedaosanxiangdianyuanshang,diandongjizhengchangyunzhuan。cishixihexianquanKV得電吸合,通過連鎖機構保持刀柄在運行位置。停轉時,按下SB按鈕即可。
自耦變壓器次級設有多個抽頭,可輸出不同的電壓。一般自耦變壓器次級電壓是初級的40%、65%、80%等,可根據啟動轉矩需要選用。
二、手動控製Y-△降壓啟動
Y-△降壓啟動的特點是方法簡便、經濟。其啟動電流是直接啟動時的1/3,故隻適用於電動機在空載或輕載情況下啟動。

圖2 手動控製Y-△降壓啟動
圖2所示為QX1型手動Y-△啟動器接線圖。圖中L1、L2和L3接三相電源,D1、D2、D3、D4、D5和D6接電動機。當手柄扳到“0”位時,八副觸點都斷開,電動機斷電不運轉;當手柄扳到“Y”位置時,1、2、5、6、8觸點閉合,3、4、7觸點斷開,電動機定子繞組接成Y形降壓啟動;當電動機轉速上升到一定值時。
將手柄扳到“△”位置,這時l、2、3、4、7、8觸點接通,5、6觸點斷開,電動機定子繞組接成△形正常運行。
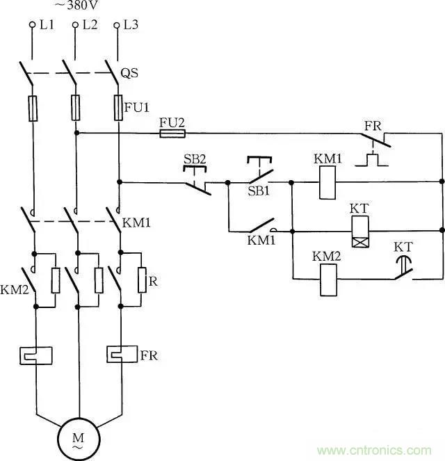
三、定子繞組串聯電阻啟動控製
電(dian)動(dong)機(ji)啟(qi)動(dong)時(shi),在(zai)電(dian)動(dong)機(ji)定(ding)子(zi)繞(rao)組(zu)中(zhong)串(chuan)聯(lian)電(dian)阻(zu),由(you)於(yu)電(dian)阻(zu)上(shang)產(chan)生(sheng)電(dian)壓(ya)降(jiang),加(jia)在(zai)電(dian)動(dong)機(ji)繞(rao)組(zu)上(shang)的(de)電(dian)壓(ya)低(di)於(yu)電(dian)源(yuan)電(dian)壓(ya),待(dai)啟(qi)動(dong)後(hou),再(zai)將(jiang)電(dian)阻(zu)短(duan)接(jie),使(shi)電(dian)動(dong)機(ji)在(zai)額(e)定(ding)電(dian)壓(ya)下(xia)運(yun)行(xing),達(da)到(dao)安(an)全(quan)啟(qi)動(dong)的(de)目(mu)的(de)。

定子繞組串聯電阻啟動控製線路如圖3所示。當啟動電動機時,按下按鈕SB1,接觸器KM1線圈得電吸合,使電動機串入電阻降壓啟動。這時時間繼電器KT線圈也得電,KT常開觸點經過延時後閉合,使KM2線圈得電吸合。KM2主觸點閉合短接啟動電阻,使電動機在全電壓下運行。停機時,按下停機按鈕SB2即可。
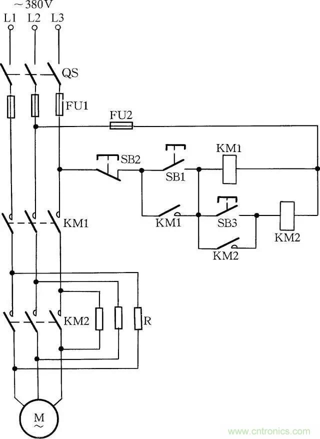
四、手動串聯電阻啟動控製
當三相交流電動機標牌上標有額定電壓為220/380V(△/Y)的接線方法時,不能用Y-△方法做降壓啟動,可用這種串聯電阻或電抗器方法啟動。

線路如圖4所示。當需啟動電動機時,按下開關按鈕SB1,電動機串聯電阻啟動。待電動機轉速達到額定轉速後,再按下SB3,電動機電源改為全壓供電,使電動機正常運行。
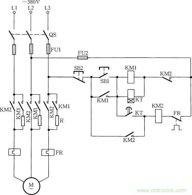
五、定子繞組串電阻(或電抗)降壓啟動另一法

圖5 定子繞組串電阻(或電抗)降壓啟動另一法
按下啟動按鈕SB1,KM1、KT獲電動作,其常開輔助觸點閉合自鎖,電動機定子繞組串入電阻降壓啟動。時間繼電器達到整定時間後,KT常開延時閉合觸點閉合,KM2獲電動作,其主觸點閉合將電阻短接,電動機定子繞組加上電源全電壓,啟動過程結束,如圖5所示。
zhezhongxianlushiyongyuyaoqiuqidongpingwendezhongdengrongliangdelongxingyibudiandongji。tadebuzushiqidongzhuanjuyinqidongdianliujianxiaoerjiangdi。lingwai,qidongdianzuyaoxiaohaoyidingdegonglv,suoyibuyipinfanqidong。
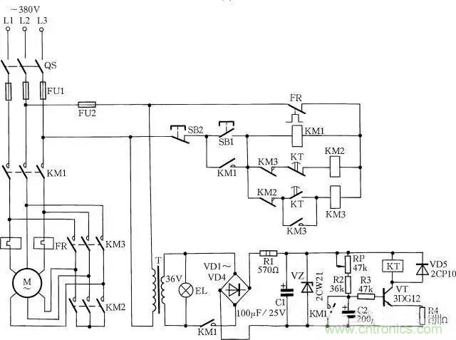
六、用晶體管延時電路自動轉換Y-△啟動控製
用電子元件組成的延時電路具有體積小、價格低等優點。用晶體管延時電路自動轉換Y-△啟動控製線路如圖6所示。當按下啟動按鈕SB1時,交流接觸器KM1和KM2同時得電,電動機接成Y形啟動,與此同時,KM1的常開輔助觸點把晶體管延時電路接通。繼電器KT延時動作,其常閉觸點KT打開,切斷KM2的線圈回路;與此同時,其常開觸點KT閉合,使接觸器KM3得電吸合,電動機接成△形正常運行。
調整線路中電容C2容量的大小或電位器RP,可控製三極管達到導通的時間,即延時時間。

圖6 用晶體管延時電路自動轉換Y - △啟動控製
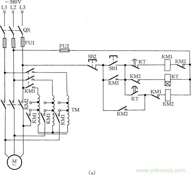
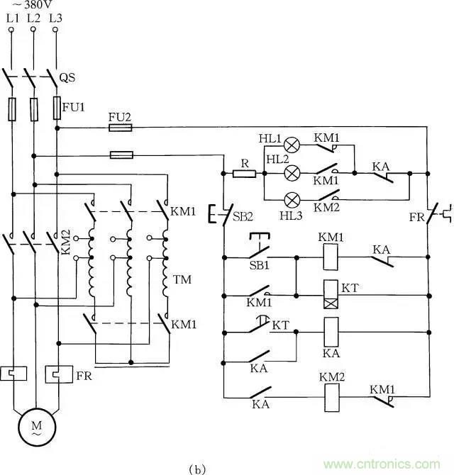
七、采用自耦變壓器與時間繼電器啟動的兩種控製
對容量較大的220/380V△/Y形籠型電動機不能用Y-△方法啟動,可用自耦變壓器及時間繼電器完成自動控製啟動。見圖7(a),隻要按下操作按鈕SB1,KM1吸合,進行降壓啟動,經一段時間,電動機達到額定轉速後,時間繼電器KT動作,KM1失電,KM2得電,電動機在全壓下正常運轉。按下SB2停止按鈕,電動機便失電停轉。而另一種采用自耦變壓器與時間繼電器啟動控製的線路如圖7(b)所示,它的線路較完善,故在啟動大型電動機時采用這種方法非常多見。工作時按下啟動按鈕SB1,電動機降壓啟動。待電動機啟動完畢,通過時間繼電器能自動轉換為全壓運行。另外圖7(b)中還加有指示燈線路,用於指示整個啟動過程的情況。

圖7 采用自耦變壓器與時間繼電器啟動的兩種控製

圖7 采用自耦變壓器與時間繼電器啟動的兩種控製
八、自耦變壓器手動啟動控製
自耦變壓器手動啟動控製線路如圖8所示。當啟動電動機時,按下SB1按鈕,這時KM1接觸器得電吸合,電動機通過自耦變壓器啟動。待電動機啟動完畢後,按一下SB3按鈕,電動機即可變為正常全壓運行。

圖8 自耦變壓器手動啟動控製
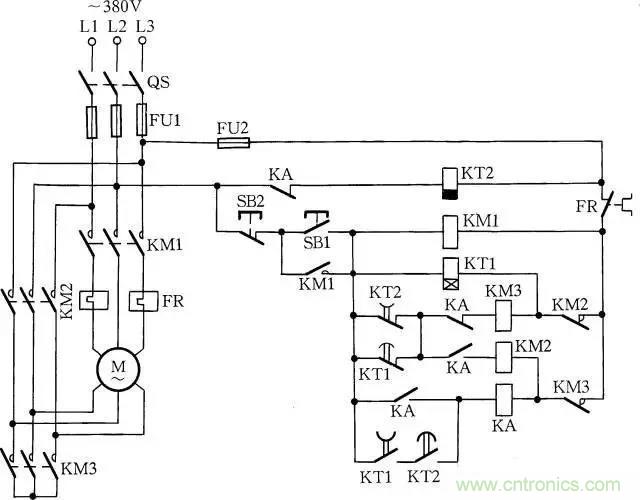
九、用中間、時間繼電器延時轉換的Y-△降壓啟動控製
這種控製線路在設計上增加了一級中間繼電器和時間繼電器,可以防止大容量電動機在Y-△轉換過程中,由於轉換時間短,電弧不能完全熄滅而造成的相間短路。它適用於55kW以上△形接法的大容量電動機,見圖9所示。
工作原理是:當接通電源時,時間繼電器KT2獲電動作,為啟動做好準備。按下啟動按鈕SB1,KM1、KT1、KM3獲電動作。KM1常開輔助觸點閉合自鎖,電動機繞組接成Y形接法降壓啟動。KT1達到整定延時時間後,KT1延時斷開的常閉觸點斷開,使KM3失電釋放;同時KT1延時閉合的常開觸點閉合,使中間繼電器KA獲電動作。KA常閉觸點斷開使KT2失電釋放,同時KA常開觸點閉合。當KT2斷電,延時觸點達到延時時間(0.5~1s)閉合後,KM2才獲電動作。這時電動機由Y形接法轉換為△形接法,啟動過程結束。

圖9 用中間、時間繼電器延時轉換的Y-△降壓啟動控製
十、用時間繼電器自動轉換Y-△啟動控製
用時間繼電器自動轉換Y-△啟動電動機控製線路如圖10所示。當按下按鈕SB1時,接觸器KM3、KM1吸合,這時電動機為Y形啟動。當經過一定延時,電動機啟動完畢後(時間繼電器一般控製在30s),時間繼電器KT常閉觸點斷開,使KM3失電釋放,同時由於KM3的釋放又接通了KM2線圈的電源,KM2吸合,電動機改為△形運行。

圖10 用時間繼電器自動轉換Y-△啟動控製
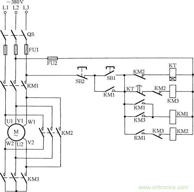
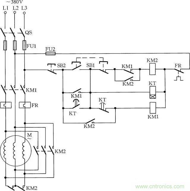
十一、籠型電動機Y-△換接啟動控製
線路如圖11所示。在啟動電動機時,先合上開關QS,按下按鈕SB1,接觸器KM1得電吸合,接觸器自鎖。Y形啟動接觸器KM3線圈和時間繼電器KT線圈保持通電,KM3常開主觸點接通,電動機接成Y形啟動。同時常閉輔助觸點KM3分斷,使△形運行接觸器KM2線圈斷路。待時間繼電器延時到一定時間後(時間繼電器可由電動機的容量和啟動時負載的情況來調整),時間繼電器KT的常閉延時分斷和常開延時閉合的觸點分別動作,使KM3斷電,使KM2線圈通電,並使其觸點自鎖,電動機接成△形運行。同時KM2常閉輔助觸點斷開,使KT和KM3線圈斷電。

圖11 籠型電動機Y-△換接啟動控製
圖11中熱繼電器FR與電動機一相繞組串聯,其整定電流應為電動機相電流的額定值。在△形接法的電動機中,熱繼電器按上述方法連接,較為可靠。
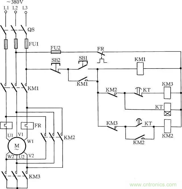
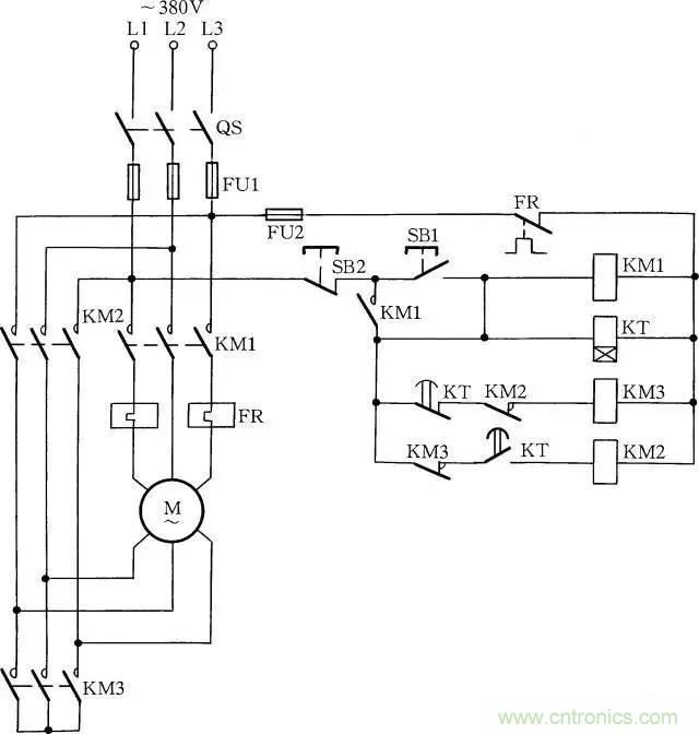
十二、手動Y-△降壓啟動控製
在條件較差的地區,也可自裝手動Y-△降壓啟動控製線路,見圖12。按下啟動按鈕SB1時,KM1得電,其常開觸點閉合,KM3得電,常閉觸點斷開,常開觸點閉合,電動機繞組接成Y形降壓啟動。當轉速達到(或接近)額定轉速時,按下SB3按鈕,使KM3失電釋放,KM2得電吸合,電動機由Y形接法轉換成△形接法。這種控製線路適用於55kW以下、13kW以上的△形接法的電動機。

圖12 手動Y-△降壓啟動控製
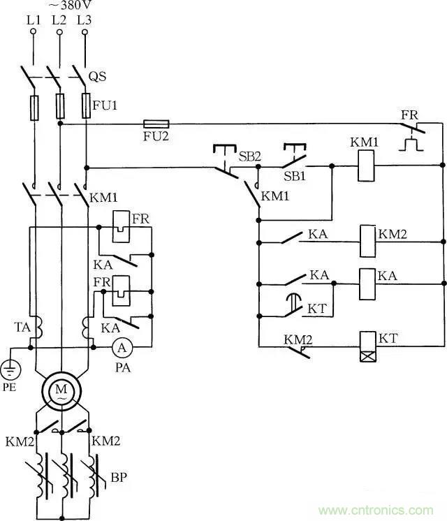
十三、采用補償器的啟動控製
線路如圖13所示。按下啟動按鈕SB1,接觸器KM1、時間繼電器KT得電,KM1常開觸點閉合自鎖。接觸器KM1主觸點閉合,使補償器接入電動機降壓啟動回路,電動機開始啟動。時間繼電器KT按整定時間延時,電動機達到運轉速度後,其常閉觸點打開,使接觸器KM1失電,主觸點打開,補償器脫離,同時常閉觸點閉合。另外,時間繼電器KT常開觸點也接通,這時接觸器KM2得電,其常開觸點閉合自鎖,KM2常閉觸點打開,時間繼電器KT失電,接觸器KM2主觸點閉合,電動機投入正常運轉。

圖13 采用補償器的啟動控製
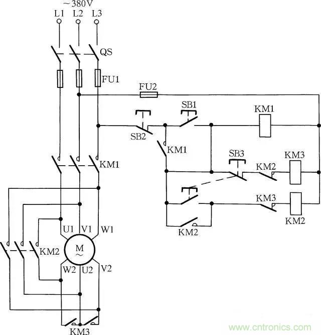
十四、用兩個接觸器實現Y-△降壓啟動控製

圖14 用兩個接觸器實現Y-△降壓啟動控製
按下啟動按鈕SB1,KM1、KT獲電動作,KM1常開輔助觸點閉合自鎖,電動機繞組接成Y形降壓啟動。經過一段時間,KT延時斷開的常閉觸點斷開,KM1失電釋放,其常閉輔助觸點閉合。同時KT延時閉合的常開觸點閉合,KM2獲電動作,其常閉觸點打開,將Y形接線斷開;其常開觸點閉合,使KM1得電動作,閉合其主回路常開觸點,電動機由Y形接法轉換為△形接法。
這種線路僅適應於功率在13kW以下△形接法的小容量電動機,否則由於KM2接觸器常閉輔助觸點接在主電路中,容量小,很易燒損。
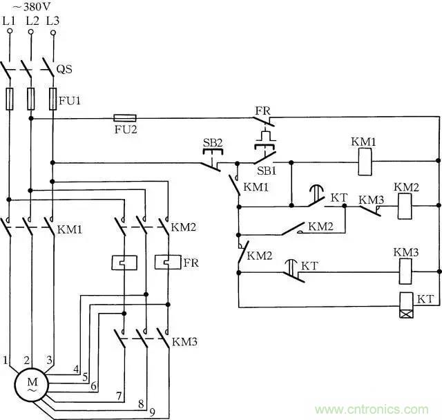
十五、用3個接觸器實現Y-△降壓啟動控製
用3個接觸器的Y-△降壓啟動控製線路如圖15所示。按下啟動按鈕SB1,KM1、KT、KM3獲電動作,電動機繞組接成Y形降壓啟動。時間繼電器達到整定延時時間後,延時閉合的常開觸點閉合,延時斷開的常閉觸點斷開,KM3失電釋放,這時KM3常閉輔助觸點閉合,使KM2獲電動作,電動機繞組由Y形接法轉換成△形接法,啟動過程結束。
這種控製線路適用於55kW以下、13kW以上的△形接法的電動機。

圖15 用3個接觸器實現Y-△降壓啟動控製
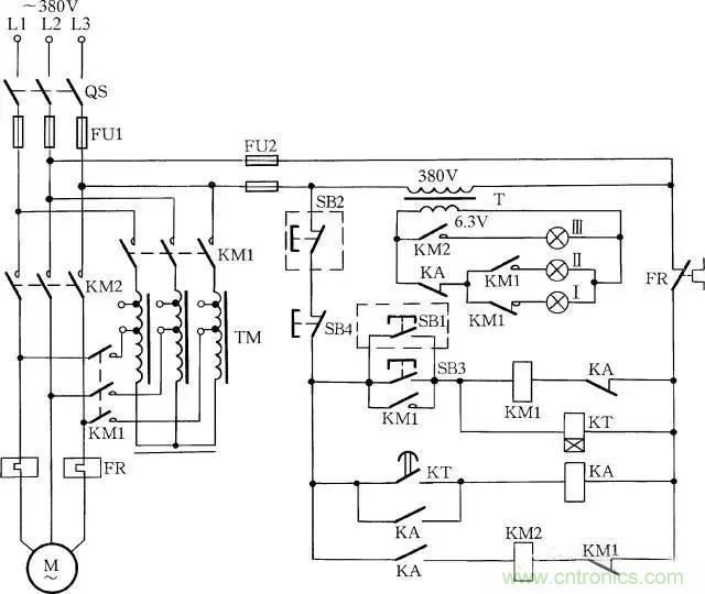
十六、常用自動補償降壓啟動櫃
在需要自動控製啟動的場合,常采用XJ01型自動啟動補償器,它主要由自耦變壓器、交流接觸器、中間繼電器、時間繼電器和控製按鈕等組成。
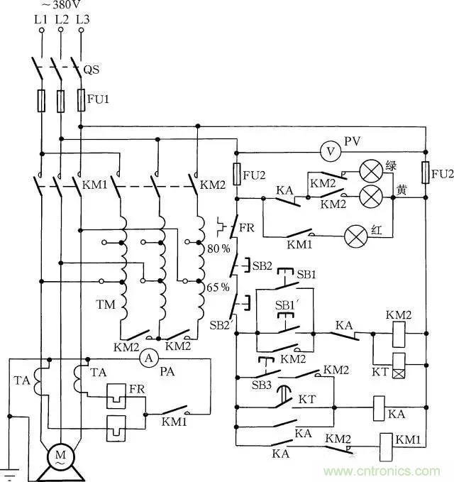
XJ01型自動啟動補償器工作原理如圖16(a)所示:接通電源,燈Ⅰ亮,按下啟動按鈕SB1,KM1線圈得電,KM1主觸點閉合,電動機降壓啟動。KM1閉合自鎖,燈Ⅱ亮。KM1常閉觸點斷開,燈Ⅰ滅,KT得電,其常開觸點延時閉合,KA線圈獲電,常閉觸點KA斷開,KM1斷電,KM1常開觸點斷開。同時常開觸點KA閉合,KM2線圈得電,KM2主觸點閉合,電動機全壓運行,KM2常開觸點閉合,燈Ⅲ亮。
功率較大的電動機也可采用配套的配電櫃來滿足啟動的要求,圖16(b)所示是75kW電(dian)動(dong)機(ji)啟(qi)動(dong)配(pei)電(dian)櫃(gui)的(de)線(xian)路(lu)。這(zhe)種(zhong)啟(qi)動(dong)器(qi)具(ju)有(you)自(zi)動(dong)操(cao)作(zuo)功(gong)能(neng)和(he)手(shou)動(dong)操(cao)作(zuo)功(gong)能(neng)兩(liang)種(zhong)。自(zi)動(dong)操(cao)作(zuo)時(shi),合(he)上(shang)電(dian)源(yuan)開(kai)關(guan),綠(lv)色(se)指(zhi)示(shi)燈(deng)亮(liang),按(an)下(xia)按(an)鈕(niu)開(kai)關(guan)SB1時,KM3和時間繼電器KT得電吸合,同時KM3常開觸點閉合,KM2也吸合,鬆開SB1按鈕,KM3自鎖觸點繼續接通KM3、KM2、KT線圈回路,保持繼續吸合。這時,電源電壓便通過自耦變壓器降壓後接入電動機,使電動機降壓啟動,經過一定時間,KT時間繼電器動作,使KT延時常開觸點閉合,中間繼電器KA得電吸合並自鎖。KA的吸合,斷開了KM3、KM2、KT的通電線圈使它們釋放複位,同時在KM3、KM2釋放後,其控製常閉觸點閉合,接通KM1接觸器,KM1接觸器便投入電動機運行狀態,電動機在全壓下運行。同時黃燈(啟動指示燈)熄滅,紅燈(運行指示燈)亮。當需停止電動機運行時,可按下停止按鈕SB2,電動機即停止工作。電路中SB3按鈕為手動直接投入運行按鈕,它的作用是當時間繼電器失靈不能自動投入運行時,可先按下自動按鈕SB1等電動機達到額定轉速接近同步轉速時,即電流表的指針逐漸下降到接近電動機額定電流時,再按下SB3按鈕,便使電動機投入運行。這種配電櫃可控製14~75kW的三相異步電動機。電路中的熔斷器、熱繼電器及變壓器與電動機容量也要配套使用。
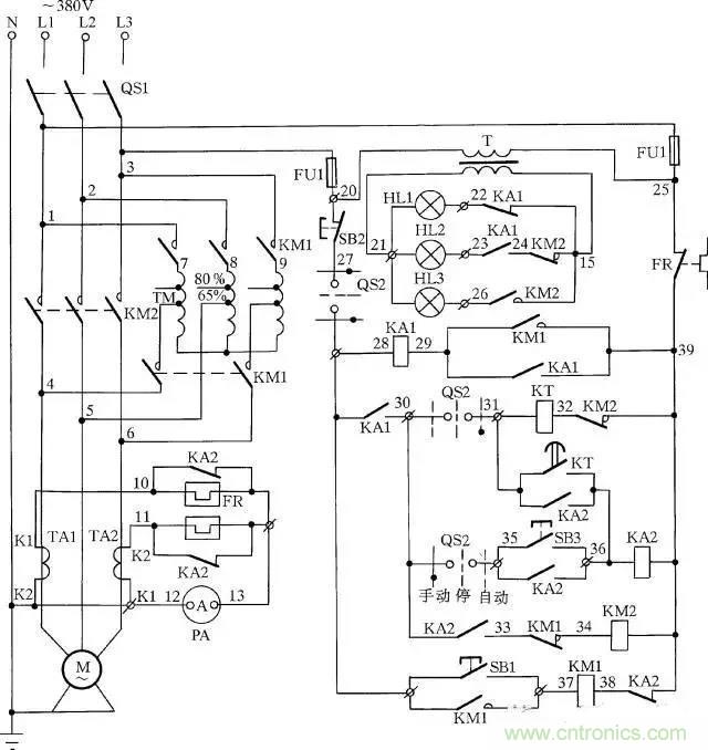
對於90~115kW的電動機,可使用XJ011係列自動控製自耦式減壓啟動櫃,線路如圖16(c)所示,工作原理同上。使用時要注意以下幾點。
①XJ011係列自耦減壓啟動櫃在使用前需用500V的兆歐表測量導線對地電阻不小於1MΩ,並將各個接點加以緊固。
②安裝時,電源線、負荷電動機線應從箱底部穿入,L1、L2、L3標定線接電源或斷路器上樁頭,MA、MB、MC接三相電動機。
③自耦變壓器備有額定電壓65%及80%的二擋抽頭,在應用中可根據負荷的大小來決定使用抽頭的位置。
④時間繼電器可在0~60s範圍內調節,可根據需要調節啟動電動機時間。熱繼電器的額定電流應根據電動機的額定電流值整定。
⑤啟動櫃一般啟動時間為10~20s。如果電動機容量較大,負載較重,最長啟動時間可調整到25s。
⑥啟動櫃如需要遠距離操作,可按線路圖中SB1′、SB2′,引出連接。
⑦在使用配電櫃過程中,如熱繼電器發生誤動作,可將熱繼電器的動作電流適當調大一點;如發生過載動作,則需按下熱繼電器“複位”按鈕,方能繼續使用。
⑧配電櫃在使用期間,要經常清除塵埃,並定期檢查各電器接觸部位是否接觸良好,有問題要及時檢修。
⑨接觸器在工作時,如有噪聲或延時釋放現象,將銜鐵極麵積塵或油垢擦淨後,即能恢複正常。
⑩檢修配電櫃時,要檢查接觸器觸點有無燒毛現象。如觸點燒毛,應用細紋銼將觸點修光。
大da型xing配pei電dian櫃gui啟qi動dong裝zhuang置zhi也ye可ke由you電dian工gong自zi己ji進jin行xing製zhi作zuo。一yi般ban可ke用yong角jiao鋼gang和he鐵tie皮pi先xian焊han製zhi一yi個ge一yi定ding尺chi寸cun的de櫃gui子zi,然ran後hou根gen據ju電dian動dong機ji的de功gong率lv大da小xiao選xuan用yong額e定ding容rong量liang足zu夠gou的de接jie觸chu器qi、斷路器、自耦變壓器、互hu感gan器qi以yi及ji熱re繼ji電dian器qi等deng,安an裝zhuang時shi電dian源yuan由you上shang向xiang下xia延yan伸shen,即ji上shang樁zhuang頭tou接jie電dian源yuan,下xia樁zhuang頭tou接jie負fu載zai。電dian源yuan相xiang間jian留liu有you足zu夠gou大da的de空kong間jian,自zi耦ou變bian壓ya器qi金jin屬shu外wai殼ke、配電櫃底殼以及電動機金屬外殼要分別用接地線連接在一起並接地,以確保電氣運行安全。按照圖16(d)所示線路進行組裝。它的工作原理是:在啟動時,由5排主觸點的接觸器先動作,接通自耦變壓器,然後電源通過自耦變壓器降壓後,供給電動機M啟動,待轉速接近到達電動機本身的額定轉速時,時間繼電器動作,使啟動接觸器釋放,在釋放後通過中間繼電器把運行接觸器KM2線圈回路接通,從而使380V電壓直接通過運行接觸器的吸合接入到電動機M上,啟動結束。

圖16(a) XJ01型自動啟動補償器

圖16(b) 75kW電動機啟動配電櫃

圖16(c) 90~115kW電動機XJ011係列
自動控製自耦式減壓啟動櫃

圖16(d) 自製組裝大型自動補償降壓啟動配電櫃
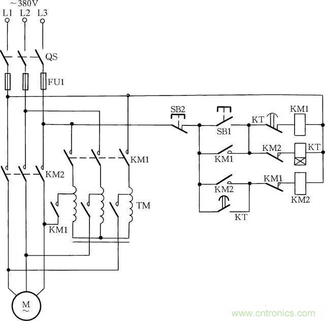
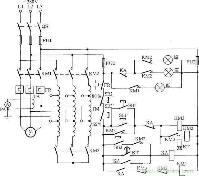
十七、頻敏變阻器啟動控製
圖17所suo示shi是shi繞rao線xian式shi異yi步bu電dian動dong機ji應ying用yong頻pin敏min變bian阻zu器qi的de啟qi動dong控kong製zhi線xian路lu。它ta是shi利li用yong頻pin敏min變bian阻zu器qi的de阻zu抗kang隨sui著zhe轉zhuan子zi電dian流liu頻pin率lv的de變bian化hua而er顯xian著zhu變bian化hua的de特te點dian來lai工gong作zuo的de。
啟動時按下啟動按鈕SB1,KM1獲電動作,其常開輔助觸點閉合自鎖,電動機轉子電路串入頻敏變阻器啟動。當時間繼電器KT達到整定時間後,其延時閉合的常開觸點閉合,中間繼電器KA獲電動作,其常開觸點閉合,KM2獲電動作,KM2常閉觸點斷開,使時間繼電器KT斷電,同時KM2常開觸點閉合,將頻敏變阻器短接,啟動過程結束。
元件短接KA的作用是,以免因啟動時間過長造成熱繼電器誤動作:在啟動時,由其常閉觸點將熱繼電器的發熱。啟動結束後,KA動作把熱繼電器投入運行。

圖17 頻敏變阻器啟動控製
十八、延邊三角形降壓啟動
延邊三角形降壓啟動線路見圖18。按下啟動按鈕SB1,KM1獲電動作,其常開輔助觸點閉合自鎖,KM3、KT獲電動作,電動機繞組接成延邊三角形降壓啟動。KT達到整定時間後,延時斷開的常閉觸點斷開,使KM3失電釋放,KM3常閉輔助觸點閉合。同時,KT延時閉合的常開觸點閉合,KM2huodiandongzuo,qichangkaifuzhuchudianbihezisuo,diandongjiraozuyouyanbiansanjiaoxingzhuanhuanweisanjiaoxingjiefa,qidongguochengjieshu。zhezhongjiefashiyongyuyaoqiuqidongzhuanjujiaodadechanghe。

圖18 延邊三角形降壓啟動
免責聲明:本文為轉載文章,轉載此文目的在於傳遞更多信息,版權歸原作者所有。本文所用視頻、圖片、文字如涉及作品版權問題,請聯係小編進行處理。
特別推薦
- 噪聲中提取真值!瑞盟科技推出MSA2240電流檢測芯片賦能多元高端測量場景
- 10MHz高頻運行!氮矽科技發布集成驅動GaN芯片,助力電源能效再攀新高
- 失真度僅0.002%!力芯微推出超低內阻、超低失真4PST模擬開關
- 一“芯”雙電!聖邦微電子發布雙輸出電源芯片,簡化AFE與音頻設計
- 一機適配萬端:金升陽推出1200W可編程電源,賦能高端裝備製造
技術文章更多>>
- 從機械執行到智能互動:移遠Q-Robotbox助力具身智能加速落地
- 品英Pickering將亮相2026航空電子國際論壇,展示航電與電池測試前沿方案
- 模擬芯片設計師的噩夢:晶體管差1毫伏就廢了,溫度升1度特性全飄
- 3A大電流僅需3x1.6mm?意法半導體DCP3603重新定義電源設計
- 芯科科技Tech Talks與藍牙亞洲大會聯動,線上線下賦能物聯網創新
技術白皮書下載更多>>
- 車規與基於V2X的車輛協同主動避撞技術展望
- 數字隔離助力新能源汽車安全隔離的新挑戰
- 汽車模塊拋負載的解決方案
- 車用連接器的安全創新應用
- Melexis Actuators Business Unit
- Position / Current Sensors - Triaxis Hall
熱門搜索
按鈕開關
白色家電
保護器件
保險絲管
北鬥定位
北高智
貝能科技
背板連接器
背光器件
編碼器型號
便攜產品
便攜醫療
變容二極管
變壓器
檳城電子
並網
撥動開關
玻璃釉電容
剝線機
薄膜電容
薄膜電阻
薄膜開關
捕魚器
步進電機
測力傳感器
測試測量
測試設備
拆解
場效應管
超霸科技



