晶體管篇:關於負載開關ON時的浪湧電流
發布時間:2021-10-14 責任編輯:lina
【導讀】負載開關Q1導通瞬間會暫時流過比穩態電流大得多的電流。輸出側的負載容量CL的電荷接近零時,向輸出VO施加電壓的瞬間會流過大充電電流。
關於負載開關ON時的浪湧電流
負載開關Q1導通瞬間會暫時流過比穩態電流大得多的電流。輸出側的負載容量CL的電荷接近零時,向輸出VO施加電壓的瞬間會流過大充電電流。
這種流過大電流的現象稱作浪湧電流(Flash Current)。
浪湧電流的峰值大體可以通過輸入電壓VI、MOSFET Q1的RDS(on)和負載側負載容量CL的ESR確定,輸入電壓VIN變大時,電流也相應變大。
浪湧電流顯著變大時,有可能會引起誤動作和係統問題。
而且,在超過最大額定電流時,有導致破壞的危險。通過與MOSFET Q1的柵極、源極間電阻R1並聯追加電容器C2, 並緩慢降低Q1的柵極電壓,可以緩慢地使RDS(on)變小,從而可以抑製浪湧電流。
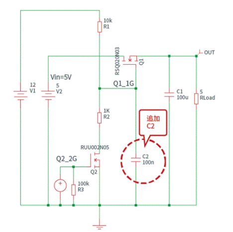
■負載開關等效電路圖
關於Nch MOSFET負載開關ON時的浪湧電流應對措施
■Nch MOSFET負載開關等效電路圖
Nch MOSFET 負載開關:RSQ020N03
VIN=5V, IO=1A,Q1_1G=1V→12V
Q2 OFF時,負載SWQ1 ON。(Q1的柵極電壓設定在VO(VGSQ1)之上。)
Q2 ON時,負載SWQ1 OFF。
Q1 ON時,由於會流過浪湧電流,所以作為應對措施追加C2。
關於負載開關OFF時的逆電流
即使在負載開關Q1從ON到OFF時,由於存在輸出側負載容量CL,所以輸出VO引腳的電壓會殘留一定時間。
輸入VI側比輸出VO側電壓低時,由於MOSFET Q1的漏極、源極間存在寄生二極管,所以有時寄生二極管導通會發生從輸出VO側到輸入VIN側的逆電流。
要注意,不要超過MOSFET Q1的額定電流值。
關於輸入旁路電容器CIN的容量值,請在充分探討負載側條件、上升時間後再決定。
■負載開關等效電路圖
免責聲明:本文為轉載文章,轉載此文目的在於傳遞更多信息,版權歸原作者所有。本文所用視頻、圖片、文字如涉及作品版權問題,請電話或者郵箱聯係小編進行侵刪。
推薦閱讀:
- 噪聲中提取真值!瑞盟科技推出MSA2240電流檢測芯片賦能多元高端測量場景
- 10MHz高頻運行!氮矽科技發布集成驅動GaN芯片,助力電源能效再攀新高
- 失真度僅0.002%!力芯微推出超低內阻、超低失真4PST模擬開關
- 一“芯”雙電!聖邦微電子發布雙輸出電源芯片,簡化AFE與音頻設計
- 一機適配萬端:金升陽推出1200W可編程電源,賦能高端裝備製造
- 突破工藝邊界,奎芯科技LPDDR5X IP矽驗證通過,速率達9600Mbps
- 通過直接、準確、自動測量超低範圍的氯殘留來推動反滲透膜保護
- 從技術研發到規模量產:恩智浦第三代成像雷達平台,賦能下一代自動駕駛!
- 從機械執行到智能互動:移遠Q-Robotbox助力具身智能加速落地
- 品英Pickering將亮相2026航空電子國際論壇,展示航電與電池測試前沿方案
- 車規與基於V2X的車輛協同主動避撞技術展望
- 數字隔離助力新能源汽車安全隔離的新挑戰
- 汽車模塊拋負載的解決方案
- 車用連接器的安全創新應用
- Melexis Actuators Business Unit
- Position / Current Sensors - Triaxis Hall




