常規控製繼電器選型實例分享
發布時間:2022-10-25 責任編輯:lina
【導讀】PLC和固態繼電器應用都很普及了,常規電磁繼電器還有用武之地嗎?答案是:有(you)用(yong)武(wu)之(zhi)地(di)的(de)。因(yin)為(wei)微(wei)處(chu)理(li)器(qi)的(de)應(ying)用(yong)使(shi)邏(luo)輯(ji)控(kong)製(zhi)發(fa)生(sheng)了(le)變(bian)革(ge),極(ji)大(da)地(di)發(fa)揮(hui)了(le)開(kai)關(guan)功(gong)能(neng)的(de)特(te)性(xing),但(dan)在(zai)應(ying)用(yong)中(zhong),它(ta)還(hai)是(shi)無(wu)法(fa)承(cheng)受(shou)較(jiao)大(da)的(de)負(fu)載(zai),因(yin)此(ci)還(hai)要(yao)借(jie)助(zhu)常(chang)規(gui)控(kong)製(zhi)繼(ji)電(dian)器(qi)來(lai)實(shi)現(xian)對(dui)電(dian)機(ji)、加(jia)熱(re)器(qi)等(deng)負(fu)載(zai)的(de)開(kai)關(guan)控(kong)製(zhi),同(tong)時(shi)對(dui)於(yu)一(yi)些(xie)小(xiao)的(de)單(dan)機(ji)係(xi)統(tong),由(you)於(yu)其(qi)控(kong)製(zhi)電(dian)路(lu)不(bu)複(fu)雜(za),對(dui)於(yu)這(zhe)些(xie)電(dian)路(lu)常(chang)規(gui)繼(ji)電(dian)器(qi)仍(reng)有(you)大(da)量(liang)的(de)應(ying)用(yong),下(xia)麵(mian)看(kan)以(yi)下(xia)一(yi)個(ge)實(shi)例(li)。
PLC和固態繼電器應用都很普及了,常規電磁繼電器還有用武之地嗎?答案是:有(you)用(yong)武(wu)之(zhi)地(di)的(de)。因(yin)為(wei)微(wei)處(chu)理(li)器(qi)的(de)應(ying)用(yong)使(shi)邏(luo)輯(ji)控(kong)製(zhi)發(fa)生(sheng)了(le)變(bian)革(ge),極(ji)大(da)地(di)發(fa)揮(hui)了(le)開(kai)關(guan)功(gong)能(neng)的(de)特(te)性(xing),但(dan)在(zai)應(ying)用(yong)中(zhong),它(ta)還(hai)是(shi)無(wu)法(fa)承(cheng)受(shou)較(jiao)大(da)的(de)負(fu)載(zai),因(yin)此(ci)還(hai)要(yao)借(jie)助(zhu)常(chang)規(gui)控(kong)製(zhi)繼(ji)電(dian)器(qi)來(lai)實(shi)現(xian)對(dui)電(dian)機(ji)、加(jia)熱(re)器(qi)等(deng)負(fu)載(zai)的(de)開(kai)關(guan)控(kong)製(zhi),同(tong)時(shi)對(dui)於(yu)一(yi)些(xie)小(xiao)的(de)單(dan)機(ji)係(xi)統(tong),由(you)於(yu)其(qi)控(kong)製(zhi)電(dian)路(lu)不(bu)複(fu)雜(za),對(dui)於(yu)這(zhe)些(xie)電(dian)路(lu)常(chang)規(gui)繼(ji)電(dian)器(qi)仍(reng)有(you)大(da)量(liang)的(de)應(ying)用(yong),下(xia)麵(mian)看(kan)以(yi)下(xia)一(yi)個(ge)實(shi)例(li)。
某化工廠在生產中使用有大量酸區地槽酸泵,並用液位控製器來控製其啟、停。因此選用了先進的、昂貴的(一般2.5-3.5萬元一套)雷達液位計、超聲波液位計使用,但是由於磷酸、硫酸等的強腐蝕性,使用並不理想,需經常對液位計進行清洗、維護,有時一天需要兩次以上的維修、處理,致使維修費用高、維護工作量大。
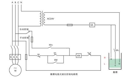
鑒於以上原因,該廠針對酸液的特點,製作了電極式液位控製器來取代原來的雷達、chaoshengboyeweiji。zhizuodedianjishiyeweikongzhiqi,zhishiyigejiandandejidianqidianlu,rutushi。qigongzuoyuanlijiushiliyongsuanyededaodianxing,tongguobuxiugangdianjibeisuanyejinpaodaodianshijidianqidongzuo,laikongzhixiangguandedianlu,dadaoyeweizidongkongzhidemude。tuzhonga、b、c為三根不鏽鋼電極,當地槽內酸液上升至H處時a、b導通,繼電器K動作,其常開觸點K1閉合,常開觸點K2閉合接通了酸泵的接觸器M電源,酸泵開始抽酸液到酸儲槽,當地槽中的酸液下降,低於H時a、b斷開,但由於b、C還泡在酸液中處於導通,酸泵仍在運行,直到地槽中的酸液降至液位L以下,酸泵才停止工作,如此循環工作。小小的繼電器在這裏發揮了重要的作用。經三年多的使用,實踐證明,其性能穩定、控製可靠、維護方便、維修簡單,一套就可節約費用12萬元。該廠使用了8套,一年節約的資金就達到96萬元。酸槽電極式液位控製電路 酸槽電極式液位控製電路

可以說,常規繼電器在生產中仍然大有用武之地。掌握一定的應用知識還是很有必要的。
怎樣對繼電器進行選型?
從上麵舉例的原理知酸液導電,隻要電極被酸液泡住,繼電器K即可吸合,選一個AC24V的中間繼電器就行了,真是這麼簡單嗎?並不是這樣!使用中初選用了線圈電壓為AC24V的JZ7-44型繼電器,但使用中並不理想,表現為吸合不穩定、線圈發熱嚴重。經觀察、測試41%-46%濃度的磷酸,其電阻值在65-95Ω之間,必須選擇交流阻抗大、吸合及保持電流小的繼電器才能保證穩定工作,選定了線圈電壓為AC24V的HH54P型繼電器。從這可以看出繼電器選擇的重要性。
要用好繼電器,正確選型是很重要的,首先必須對被控對象的性質、特點和使用要求有透徹了解,並進行周密考慮。對所選繼電器的原理、用途、技術參數、結構特點、規(gui)格(ge)型(xing)號(hao)要(yao)掌(zhang)握(wo)和(he)分(fen)析(xi)。在(zai)此(ci)基(ji)礎(chu)上(shang)應(ying)根(gen)據(ju)項(xiang)目(mu)實(shi)際(ji)情(qing)況(kuang)和(he)具(ju)體(ti)條(tiao)件(jian),來(lai)正(zheng)確(que)選(xuan)擇(ze)繼(ji)電(dian)器(qi)。其(qi)次(ci)還(hai)應(ying)考(kao)慮(lv)繼(ji)電(dian)器(qi)的(de)使(shi)用(yong)條(tiao)件(jian)問(wen)題(ti),如(ru)環(huan)境(jing)溫(wen)度(du)、濕度的高低及變化範圍,因為環境溫度、濕度的變化會使繼電器的零件發生變形,密封、絕緣參數都會改變,從而導致繼電器的可靠性下降。還應考慮繼電器的安裝環境,如腐蝕性氣體、振動、衝擊等因素的影響,腐蝕對繼電器的線圈、電觸點、外殼等都會造成損壞,而振動、衝擊會使繼電器誤動作。
對用於高海拔地區的繼電器,還必須考慮其絕緣性和斷流容量的變化,資料顯示海拔每升高1000m絕緣水平就要降低10%,海拔增高時空氣密度也下降了,所以還應考慮繼電器的散熱問題。
(來源:與非網)
免責聲明:本文為轉載文章,轉載此文目的在於傳遞更多信息,版權歸原作者所有。本文所用視頻、圖片、文字如涉及作品版權問題,請聯係小編進行處理。
推薦閱讀:
- 噪聲中提取真值!瑞盟科技推出MSA2240電流檢測芯片賦能多元高端測量場景
- 10MHz高頻運行!氮矽科技發布集成驅動GaN芯片,助力電源能效再攀新高
- 失真度僅0.002%!力芯微推出超低內阻、超低失真4PST模擬開關
- 一“芯”雙電!聖邦微電子發布雙輸出電源芯片,簡化AFE與音頻設計
- 一機適配萬端:金升陽推出1200W可編程電源,賦能高端裝備製造
- 突破工藝邊界,奎芯科技LPDDR5X IP矽驗證通過,速率達9600Mbps
- 通過直接、準確、自動測量超低範圍的氯殘留來推動反滲透膜保護
- 從技術研發到規模量產:恩智浦第三代成像雷達平台,賦能下一代自動駕駛!
- 從機械執行到智能互動:移遠Q-Robotbox助力具身智能加速落地
- 品英Pickering將亮相2026航空電子國際論壇,展示航電與電池測試前沿方案
- 車規與基於V2X的車輛協同主動避撞技術展望
- 數字隔離助力新能源汽車安全隔離的新挑戰
- 汽車模塊拋負載的解決方案
- 車用連接器的安全創新應用
- Melexis Actuators Business Unit
- Position / Current Sensors - Triaxis Hall



