可調二極管用於實現均流控製器設計
發布時間:2022-11-29 責任編輯:lina
【導讀】把ba多duo個ge電dian源yuan的de輸shu出chu連lian接jie起qi來lai可ke使shi其qi均jun分fen一yi個ge公gong共gong負fu載zai電dian流liu。多duo個ge電dian源yuan之zhi間jian的de負fu載zai電dian流liu分fen配pei取qu決jue於yu個ge別bie電dian源yuan的de輸shu出chu電dian壓ya以yi及ji至zhi共gong同tong負fu載zai的de電dian源yuan通tong路lu電dian阻zu。這zhe被bei稱cheng為wei“壓降均分”(droop sharing)。為wei了le避bi免mian電dian源yuan反fan向xiang饋kui電dian並bing使shi係xi統tong與yu故gu障zhang電dian源yuan相xiang隔ge離li,可ke以yi采cai取qu與yu每mei個ge電dian源yuan串chuan聯lian的de方fang式shi插cha入ru二er極ji管guan。當dang然ran,這zhe個ge增zeng加jia的de二er極ji管guan電dian壓ya降jiang會hui對dui負fu載zai均jun分fen的de平ping衡heng產chan生sheng影ying響xiang。
“隻許成功,不許失敗”—— 對於當今那些始終保持正常運轉的電氣基礎設施 (電信網絡、互聯網和電網等) 的設計師而言,這很可能是他們的座右銘。問題是,此類基礎設施的構件 (從不起眼的電容器到高度智能化的刀片服務器) 其使用壽命都是有限的,而且它們的壽命終止常常會出現在您擔心、不願意的時刻。針對停機問題的常用解決方案是采用冗餘結構,這是指在某個關鍵組件發生故障時隨時可以接管並生效的後備係統。
例如:交付給用戶的高可用性計算機服務器通常配有兩個相似的 DC 電源,用於給每塊專用電路板饋電。每個電源能獨自承擔整個負載的供電,而且兩個電源通過電源二極管連接在一起實現二極管“或”,以構成單個 1 + 1 冗(rong)餘(yu)電(dian)源(yuan)。就(jiu)是(shi)說(shuo),由(you)電(dian)壓(ya)較(jiao)高(gao)的(de)那(na)個(ge)電(dian)源(yuan)向(xiang)負(fu)載(zai)輸(shu)送(song)功(gong)率(lv),而(er)另(ling)一(yi)個(ge)電(dian)源(yuan)則(ze)處(chu)於(yu)待(dai)用(yong)狀(zhuang)態(tai)。假(jia)如(ru)那(na)個(ge)工(gong)作(zuo)電(dian)源(yuan)的(de)電(dian)壓(ya)由(you)於(yu)故(gu)障(zhang)或(huo)移(yi)除(chu)的(de)原(yuan)因(yin)而(er)下(xia)降(jiang)或(huo)消(xiao)失(shi),則(ze)曾(zeng)經(jing)是(shi)具(ju)有(you)較(jiao)低(di)電(dian)壓(ya)的(de)電(dian)源(yuan)變(bian)成(cheng)了(le)較(jiao)高(gao)電(dian)壓(ya)電(dian)源(yuan),於(yu)是(shi)由(you)它(ta)接(jie)管(guan)為(wei)負(fu)載(zai)供(gong)電(dian)的(de)工(gong)作(zuo)。二(er)極(ji)管(guan)負(fu)責(ze)避(bi)免(mian)反(fan)向(xiang)饋(kui)電(dian)及(ji)兩(liang)個(ge)電(dian)源(yuan)之(zhi)間(jian)的(de)交(jiao)叉(cha)傳(chuan)導(dao),同(tong)時(shi)保(bao)護(hu)係(xi)統(tong)免(mian)遭(zao)電(dian)源(yuan)故(gu)障(zhang)的(de)損(sun)壞(huai)。
二極管“或”是一種簡單的“贏家通吃”之係統,這裏由電壓的電源提供全部的負載電流。電壓較低的電源則處於空閑狀態,直到被調用為止。雖然易於實現,但 1 + 1 解(jie)決(jue)方(fang)案(an)效(xiao)率(lv)欠(qian)佳(jia),有(you)可(ke)能(neng)被(bei)更(geng)好(hao)地(di)用(yong)於(yu)改(gai)善(shan)總(zong)體(ti)工(gong)作(zuo)效(xiao)率(lv)及(ji)壽(shou)命(ming)的(de)資(zi)源(yuan)給(gei)白(bai)白(bai)浪(lang)費(fei)掉(diao)了(le)。由(you)所(suo)有(you)電(dian)源(yuan)共(gong)同(tong)均(jun)分(fen)負(fu)載(zai)的(de)供(gong)電(dian)效(xiao)果(guo)要(yao)好(hao)得(de)多(duo),其(qi)優(you)勢(shi)如(ru)下(xia):
1、 ruguogechengdanyibandefuzai,namedianyuandeshouminghuiyousuoyanchang,bingyouliyusanbodianyuanrelianghejianxiaodianyuanzujianshangchengshoudereyingli。dianzichanpinguanyushoumingyouzheyangyitiaojingyanfaze:溫度每下降 10°C,組件的故障率將減半。這對於提升可靠性是一項重大利好。
2、由於較低電壓電源始終處於可供使用的狀態,因此當切換至備用電源時卻發現其早已悄無聲息地發生了故障 (這在簡單的二極管“或”係統中是有可能出現的),這種情況並不令人感到意外。
3、在負載均分係統中,可以並聯多個現有的小電源以構成一個較大的電源。
4、發生電源故障時的恢複動態特性更加平穩快速,因為電源變化屬於“較多和較少”,而並非“關斷和接通”。
5、由兩個以一半容量運行的電源構成的DC/DC轉換器比采用單個以接近滿容量運行的電源具有更好的總體轉換效率。
均流的方法
把ba多duo個ge電dian源yuan的de輸shu出chu連lian接jie起qi來lai可ke使shi其qi均jun分fen一yi個ge公gong共gong負fu載zai電dian流liu。多duo個ge電dian源yuan之zhi間jian的de負fu載zai電dian流liu分fen配pei取qu決jue於yu個ge別bie電dian源yuan的de輸shu出chu電dian壓ya以yi及ji至zhi共gong同tong負fu載zai的de電dian源yuan通tong路lu電dian阻zu。這zhe被bei稱cheng為wei“壓降均分”(droop sharing)。為wei了le避bi免mian電dian源yuan反fan向xiang饋kui電dian並bing使shi係xi統tong與yu故gu障zhang電dian源yuan相xiang隔ge離li,可ke以yi采cai取qu與yu每mei個ge電dian源yuan串chuan聯lian的de方fang式shi插cha入ru二er極ji管guan。當dang然ran,這zhe個ge增zeng加jia的de二er極ji管guan電dian壓ya降jiang會hui對dui負fu載zai均jun分fen的de平ping衡heng產chan生sheng影ying響xiang。
壓(ya)降(jiang)均(jun)分(fen)雖(sui)然(ran)簡(jian)單(dan),但(dan)均(jun)分(fen)準(zhun)確(que)度(du)的(de)控(kong)製(zhi)欠(qian)佳(jia),而(er)且(qie)串(chuan)聯(lian)二(er)極(ji)管(guan)將(jiang)產(chan)生(sheng)電(dian)壓(ya)和(he)功(gong)率(lv)損(sun)耗(hao)。一(yi)種(zhong)可(ke)控(kong)性(xing)更(geng)好(hao)的(de)均(jun)流(liu)方(fang)式(shi)是(shi)監(jian)視(shi)電(dian)源(yuan)電(dian)流(liu),將(jiang)之(zhi)與(yu)每(mei)個(ge)電(dian)源(yuan)需(xu)要(yao)提(ti)供(gong)的(de)平(ping)均(jun)電(dian)流(liu)進(jin)行(xing)比(bi)較(jiao),然(ran)後(hou)調(tiao)節(jie)電(dian)源(yuan)電(dian)壓(ya) (通過其微調引腳或反饋網絡),直到電源電流與要求值相匹配為止。這種方法需要布設至每個電源的導線 (一根共享總線),以yi指zhi示shi每mei個ge電dian源yuan需xu要yao貢gong獻xian的de電dian流liu。均jun流liu環huan路lu補bu償chang采cai用yong定ding製zhi的de設she計ji方fang式shi,以yi適shi應ying電dian源yuan環huan路lu動dong態tai特te性xing。受shou控kong均jun流liu要yao求qiu進jin行xing謹jin慎shen的de設she計ji,並bing可ke使shi用yong所suo有you的de電dian源yuan (在某些係統中這是不可能的)。
本ben文wen介jie紹shao了le一yi種zhong新xin穎ying的de均jun流liu方fang法fa,其qi可ke實shi現xian個ge別bie電dian源yuan貢gong獻xian電dian流liu的de主zhu動dong控kong製zhi,但dan同tong時shi具ju有you壓ya降jiang均jun分fen的de簡jian單dan性xing。在zai該gai係xi統tong中zhong,用yong可ke調tiao二er極ji管guan替ti代dai了le一yi般ban的de二er極ji管guan,這zhe種zhong二er極ji管guan具ju有you可ke通tong過guo調tiao節jie以yi實shi現xian平ping衡heng均jun流liu的de接jie通tong電dian壓ya。此ci方fang法fa可ke獲huo得de優you於yu壓ya降jiang均jun分fen的de均jun分fen準zhun確que度du,而er且qie可ke調tiao二er極ji管guan用yong於yu實shi現xian均jun流liu所suo需xu消xiao耗hao的de功gong率lv極ji少shao,遠yuan遠yuan低di於yu傳chuan統tong二er極ji管guan的de功gong率lv損sun耗hao。由you於yu不bu需xu要yao共gong享xiang總zong線xian,因yin此ci其qi可ke實shi現xian較jiao簡jian單dan和he獨du立li於yu電dian源yuan的de補bu償chang和he便bian攜xie式shi設she計ji。對dui於yu那na些xie難nan以yi使shi用yong或huo無wu法fa使shi用yong其qi微wei調tiao引yin腳jiao和he反fan饋kui網wang絡luo的de電dian源yuan而er言yan,這zhe種zhong方fang法fa是shi理li想xiang的de選xuan擇ze。
均流控製器
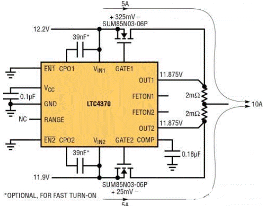
LTC4370 運用了淩力爾特專有的可調二極管均流方法。該器件采用充當可調二極管的外部 N 溝道MOSFET實現了兩個電源之間的負載平衡,這些二極管的接通電壓可以調節,從而實現平衡均流。圖 1 示出了 LTC4370 在兩個 12V 電源之間均分一個 10A 負載的情形。

圖 1:LTC4370 在兩個二極管“或”12V 電源之間平衡一個 10A 負載電流。均流通過調節 MOSFET 電壓降以補償電源電壓的失配來實現
圖 2 示出了影響負載均分的器件內部組件。誤差放大器EA 負責監視 OUT1 和 OUT2 引腳之間的差分電壓。它設定兩個伺服放大器 (SA1 和 SA2,每個電源采用一個) 的正向調節電壓 VFR。伺服放大器調節外部 MOSFET 的柵極 (因而包括其電阻) 以使 MOSFET 兩端的正向壓降等於正向調節電壓。誤差放大器將較低電壓電源上的 VFR 設定為 25mV 的值。較高電壓電源上的伺服被設定為 “25mV + 兩個電源電壓的差”。這樣,兩個 OUT 引腳電壓實現了均等。OUT1 = OUT2 意味著 I1 ? R1 = I2 ? R2。於是,倘若 R1 = R2 則 I1 = I2。可以采用對取值不同的檢測電阻器進行簡單的調整以形成“比例式”均流,即:I1 / I2 = R2 / R1。請注意,負載電壓跟蹤低於電源電壓 25mV。

圖 2:LTC4370 中與負載均分相關的內部組件
MOSFET 與伺服放大器一道起一個二極管的作用,此二極管的接通電壓為正向調節電壓。MOSFET 在其正向壓降下降至低於調節電壓時被關斷。當 MOSFET 電流增加時,柵極電壓上升以減小導通電阻,從而把正向壓降保持在 VFR。這會發生在柵極電壓高出電源電壓達 12V 之前。電流的進一步上升將導致 MOSFET 兩端的壓降以 IFET ? RDS(ON) 線性增加。
鑒於上述情況,當誤差放大器設定了伺服放大器的正向調節電壓時,其在功能上等同於調節 (基於 MOSFET 的) 二極管的接通電壓。調節範圍從 25mV 的值至由 RANGE 引腳設定的值 (見下文中的“設計考慮”)。
控製器能實現 0V 至 18V 電源的負載均分。當兩個電源均低於 2.9V 時,需要在 VCC 引腳上連接一個 2.9V 至 6V 的外部電源,以為 LTC4370 供電。當出現反向電流時,MOSFET 的柵極將在 1μs 之內關斷。對於一個大的正向壓降,柵極也將在不到 1μs 的時間裏接通。快速接通 (這一點對於低電壓電源很重要) 是利用集成型充電泵輸出端上的一個儲能電容器實現的。該電容器在器件上電時儲存電荷,並在快速接通過程中輸送 1.4A 的柵極上拉電流。
/EN1 和 /EN2 引腳可用於關斷其各自的 MOSFET。需注意,電流仍會流過 MOSFET 的體二極管。當兩個通道均關斷時,器件的電流消耗減低至每個電源 80μA。FETON 輸出負責指示各自的 MOSFET 是處於導通還是關斷狀態。
均流特性

圖 3:當電源電壓差異變化時,采用 LTC4370的均流特性方法
圖 3 示出了 LTC4370 采用可調二極管法時的均流特性。圖 3 包含兩幅曲線圖,皆在 x 軸上具有電源電壓差 VIN = VIN1 – VIN2。上方的曲線圖示出了兩個歸一化至負載電流的電源電流;下方的曲線圖則示出了 MOSFET 兩端的正向電壓降 VFWDx。當兩個電源電壓相等 (?VIN = 0V) 時,電源電流相等,而且兩個正向電壓處於 25mV 的伺服電壓。當 VIN1 升至高於 VIN2 (?VIN 為正),VFWD2 保持在 25mV,而 VFWD1 則地隨著 VIN 而增加,以維持 OUT1 = OUT2。這反過來又使得 I1 = I2 = 0.5ILOAD。
對於由 RANGE 引腳設定的 VFWD 之調節有一個上限。就圖 3 中的例子而言,該限值為 525mV,由 RANGE 引腳設定在 500mV。一旦 VFWD1 達到該限值,均流就將變得不平衡,VIN1 的任何進一步上升都將把 OUT1 推至高於 OUT2。
斷點為 VFR(MAX) – VFR(MIN),此時較高電壓電源提供了較多的負載電流。當 OUT1 – OUT2 = ILOAD ?RSENSE 時,全部負載電流轉移至 I1。這是 MOSFET M1 中功率耗散的工作點,因為全部負載電流都從其中流過,產生了的正向壓降。例如:一個 10A 負載電流在 MOSFET 中引起 5.3W (= 10A ? 525mV) 的功率耗散。如果 ?VIN 有任何進一步的上升,則控製器將使 M1 兩端的正向壓降減低至 25mV 的值。在未均分負載電流的情況下,對於大的 VIN,這可以限度地減少 MOSFET 中的功率耗散。對於負 ?VIN,動作是對稱的。
在本例中,均分捕獲範圍為 500mV,並且由 RANGE 引腳電壓設定。憑借此範圍,控製器能夠共用具有一個 ±250mV 容差的電源。這轉化為:3.3V 電源的 ±7.5% 容差、5V 電源的 ±5% 容差、以及 12V 電源的 ±2% 容差。
設計考慮
以下是針對負載均分設計的一些高層次考慮因素。
MOSFET 選擇 — 理想的情況是,MOSFET 的 RDS(ON) 應足夠小,這樣控製器就能夠在 MOSFET 中流過一半負載電流時在其兩端維持 25mV 的正向調節電壓。如果 RDS(ON) 較高,則會妨礙控製器調節 25mV。在此場合中,未調節壓降為 0.5IL ? RDS(ON)。當該壓降上升時,均分斷點 (現在由 VFR(MAX) – 0.5IL ? RDS(ON) 確定) 將提前出現,導致捕獲範圍縮小。
由於 MOSFET 會耗散功率 (在圖 3 中高達 IL ? VFR(MAX)),因此應適當地選擇其封裝和散熱器。減少 MOSFET 功率耗散的辦法是采用準確度更高的電源或者放棄均分範圍。
RANGE 引腳 — RANGE 引腳負責設定應用的均分捕獲範圍,而這又取決於電源的準確度。比如:采用 ±3% 容差電源的 5V 係統將需要一個 2 ? 5V ? 3% (即 300mV) 的均分範圍 (較高的電源為 5.15V,而較低的則為 4.85V)。RANGE 引腳具有一個 10μA 的精準內部上拉電流。在 RANGE 引腳上布設一個 30.1k 電阻器可將其電壓設定為 301mV,此時控製器能夠補償 300mV 的電源壓差 (見圖 4)。

圖 4:帶狀態指示燈的 5V 二極管“或”負載均分。當任意 MOSFET 關斷時,紅光 LED D1 將點亮,表示均分出現中斷
把 RANGE 引腳置於開路狀態 (如圖 1 所示) 將提供 600mV 的可能均分範圍。但是,當伺服電壓接近二極管電壓時,電流將會流過 MOSFET 的體二極管,從而引起均分損耗。把 RANGE 引腳連接至 VCC 可停用負載均分功能,以將器件變為一個雙通道理想二極管控製器。
補償 — 負載均分環路利用連接在 COMP 引腳和地之間的單個電容器進行補償。該電容器必須為 MOSFET 輸入 (柵極) 電容 CISS 的 50 倍。如果並未在使用快速柵極接通 (未接入 CPO 電容器),則該電容器可以僅為 10 x CISS。
檢測電阻器 — 檢測電阻器決定了負載均分準確度。準確度隨著電阻器電壓降的增加而有所改善。誤差放大器失調為 2mV。因此,25mV 的檢測電阻器壓降將產生一個 4% 的均分誤差。如果功率耗散指標的重要性高於準確度,則可減低檢測電阻器的阻值。
結論
lishishang,zaidianyuanzhijianpinghengfuzaidianliuyizhishigenanti,zhebujinrangwomenlianxiangdaozougangsidejingxianchangjing。dangdianyuanmokuaihuozhuanxingdianyuanweitigongneizhizhichishi,youxieshejirenyuanjianghuafeidaliangdeshijianshejilianghaoshoukongdexitong (並在電源類型改變時重新進行設計);而其他的設計師則將勉強接受基於電阻的粗略型壓降均分法。
LTC4370 采用了一種完全不同於任何其他控製器的電源負載均分方法。該器件可簡化設計 (特別是對於那些不適於實施執行中微調的電源),而且其可移植到各種不同類型的電源。固有的二極管特性可防止電源遭受反向電流,並保護係統免遭故障電源的損壞。LTC4370 為一個精細複雜的問題提供了簡單、精巧和緊湊的解決方案。
免責聲明:本文為轉載文章,轉載此文目的在於傳遞更多信息,版權歸原作者所有。本文所用視頻、圖片、文字如涉及作品版權問題,請聯係小編進行處理。
推薦閱讀:
- 噪聲中提取真值!瑞盟科技推出MSA2240電流檢測芯片賦能多元高端測量場景
- 10MHz高頻運行!氮矽科技發布集成驅動GaN芯片,助力電源能效再攀新高
- 失真度僅0.002%!力芯微推出超低內阻、超低失真4PST模擬開關
- 一“芯”雙電!聖邦微電子發布雙輸出電源芯片,簡化AFE與音頻設計
- 一機適配萬端:金升陽推出1200W可編程電源,賦能高端裝備製造
- 從機械執行到智能互動:移遠Q-Robotbox助力具身智能加速落地
- 品英Pickering將亮相2026航空電子國際論壇,展示航電與電池測試前沿方案
- 模擬芯片設計師的噩夢:晶體管差1毫伏就廢了,溫度升1度特性全飄
- 3A大電流僅需3x1.6mm?意法半導體DCP3603重新定義電源設計
- 芯科科技Tech Talks與藍牙亞洲大會聯動,線上線下賦能物聯網創新
- 車規與基於V2X的車輛協同主動避撞技術展望
- 數字隔離助力新能源汽車安全隔離的新挑戰
- 汽車模塊拋負載的解決方案
- 車用連接器的安全創新應用
- Melexis Actuators Business Unit
- Position / Current Sensors - Triaxis Hall




