ACM6753 無霍爾傳感器三相正弦波控製直流無刷電機BLDC馬達驅動IC解決方案
發布時間:2023-01-14 責任編輯:lina
【導讀】提到直流無刷電機,那不得不提的就是有刷電機了。有刷電機有一個比較令人討厭的缺點:那就是“吵”。因為電刷和換向環需要時刻不停地摩擦,才能給電樞供電。所以,如果你想要一個“靜音風扇”的話,肯定不能選使用了有刷電機的產品。無刷直流電機是在有刷直流電動機的基礎上發展來的,具有無極調速、調速範圍廣、過載能力強、線性度好、壽命長、體積小、重量輕、出力大等優點,解決了有刷電機存在的一係列問題,廣泛應用於工業設備、儀器儀表、家用電器、機器人、醫療設備等各個領域。
引言
提到直流無刷電機,那不得不提的就是有刷電機了。有刷電機有一個比較令人討厭的缺點:那就是“吵”。因為電刷和換向環需要時刻不停地摩擦,才能給電樞供電。所以,如果你想要一個“靜音風扇”的話,肯定不能選使用了有刷電機的產品。無刷直流電機是在有刷直流電動機的基礎上發展來的,具有無極調速、調速範圍廣、過載能力強、線性度好、壽命長、體積小、重量輕、出力大等優點,解決了有刷電機存在的一係列問題,廣泛應用於工業設備、儀器儀表、家用電器、機器人、醫療設備等各個領域。
主流的無刷直流電機的控製方式目前主要有三種:FOC(又稱為矢量變頻、磁場矢量定向控製)、方波控製(也稱為梯形波控製、120°控製、6步換向控製)和正弦波控製。正弦波控製方式使用的是SVPWM波,輸出的是3相(xiang)正(zheng)弦(xian)波(bo)電(dian)壓(ya),相(xiang)應(ying)的(de)電(dian)流(liu)也(ye)是(shi)正(zheng)弦(xian)波(bo)電(dian)流(liu)。這(zhe)種(zhong)方(fang)式(shi)沒(mei)有(you)方(fang)波(bo)控(kong)製(zhi)換(huan)向(xiang)的(de)概(gai)念(nian),或(huo)者(zhe)認(ren)為(wei)一(yi)個(ge)電(dian)氣(qi)周(zhou)期(qi)內(nei)進(jin)行(xing)了(le)無(wu)限(xian)多(duo)次(ci)的(de)換(huan)向(xiang)。顯(xian)然(ran),正(zheng)弦(xian)波(bo)控(kong)製(zhi)相(xiang)比(bi)方(fang)波(bo)控(kong)製(zhi),其(qi)轉(zhuan)矩(ju)波(bo)動(dong)較(jiao)小(xiao),電(dian)流(liu)諧(xie)波(bo)少(shao),控(kong)製(zhi)起(qi)來(lai)感(gan)覺(jiao)比(bi)較(jiao)“細膩”。
深圳市永阜康科技有限公司現在大力推廣一顆三相無傳感器正弦波驅動直流無刷馬達驅動IC-ACM6753,集成驅動算法+預驅+MOS,內置電流檢測,外圍元件僅需5個電容,應用極其簡單。采用無霍爾傳感器控製的正弦波驅動(支持單霍爾的應用),有助於降低振動與噪聲,適用於直流落地扇、IT設備散熱風扇、冰箱風扇、水泵、空氣淨化器等產品。
ACM6753指標和特性
• 供電電壓範圍:5V-24V
• 上側MOS+下側MOS:250mΩ
• 3A 連續旋轉電流,4A峰值保護電流
• 連續正弦波180˚換向,支持順逆風啟動
• 基於電流檢測的反電動勢計算,無需外部電流檢測電阻
• 靈活的接口控製方式
I2C接口,參數控製和狀態回讀
速度控製(模擬電壓、PWM控製,I2C命令)
FG Pin,速度指示
DIR Pin,正反轉控製
BRAKE Pin,刹車控製
• 內部集成LDO 提供3.3V、5V
• 休眠狀態下,待機電流<200ua
• 保護機製
MOS管過流保護
電機堵轉保護
電壓過衝保護(刹車、堵轉等場景)
供電電壓欠壓、過壓保護
過溫保護
• 封裝QFN-24, 4mm×4mm
ACM6753應用信息
1.ACM6753腳位圖
2.ACM6753管腳說明
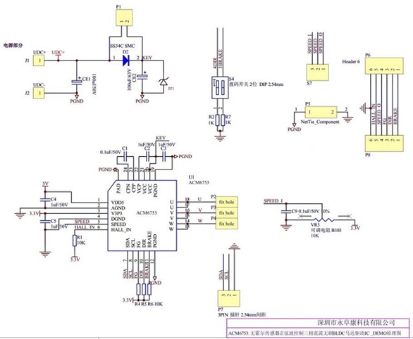
3.ACM6753 DEMO板原理圖
4.ACM6753 DEMO板PCB頂層設計圖
5.ACM6753 DEMO板PCB底層設計圖
6.ACM6753 DEMO板貼片圖
7.ACM6753 DEMO板物料清單
8.ACM6753 DEMO板實物圖
免責聲明:本文為轉載文章,轉載此文目的在於傳遞更多信息,版權歸原作者所有。本文所用視頻、圖片、文字如涉及作品版權問題,請聯係小編進行處理。
推薦閱讀:
2023第二十三屆中山機床模具及塑膠機械展覽會(簡稱:中山機械展)
- 噪聲中提取真值!瑞盟科技推出MSA2240電流檢測芯片賦能多元高端測量場景
- 10MHz高頻運行!氮矽科技發布集成驅動GaN芯片,助力電源能效再攀新高
- 失真度僅0.002%!力芯微推出超低內阻、超低失真4PST模擬開關
- 一“芯”雙電!聖邦微電子發布雙輸出電源芯片,簡化AFE與音頻設計
- 一機適配萬端:金升陽推出1200W可編程電源,賦能高端裝備製造
- 一秒檢測,成本降至萬分之一,光引科技把幾十萬的台式光譜儀“搬”到了手腕上
- AI服務器電源機櫃Power Rack HVDC MW級測試方案
- 突破工藝邊界,奎芯科技LPDDR5X IP矽驗證通過,速率達9600Mbps
- 通過直接、準確、自動測量超低範圍的氯殘留來推動反滲透膜保護
- 從技術研發到規模量產:恩智浦第三代成像雷達平台,賦能下一代自動駕駛!
- 車規與基於V2X的車輛協同主動避撞技術展望
- 數字隔離助力新能源汽車安全隔離的新挑戰
- 汽車模塊拋負載的解決方案
- 車用連接器的安全創新應用
- Melexis Actuators Business Unit
- Position / Current Sensors - Triaxis Hall



